Купить комплектующие на подвесной мотор SUZUKI модель 2010 года - одинарное, монтаж сверху
вконтакте

Контактный телефон: +7 (981) 121-46-93, +7 (800) 200-90-76 , Email: parts-katalog@yandex.ru, где купить

 
 

  Логин:

Пароль:

Регистрация

www.partskatalog.ru Все каталоги Запчасти Mercury Запчасти Suzuki Запчасти Tohatsu Запчасти Honda Контакты



УВАЖАЕМЫЕ КЛИЕНТЫ!
C 19 ДЕКАБРЯ 2025 ПО 02 МАРТА 2026 ГОДА ОТДЕЛ ЗАПЧАСТЕЙ И СЕРВИС РАБОТАТЬ НЕ БУДУТ
ПРОДАЖА ЛОДОЧНЫХ МОТОРОВ В ШТАТНОМ РЕЖИМЕ
ОБ ИЗМЕНЕНИЯХ В ГРАФИКЕ РАБОТЫ ЧИТАЙТЕ НА САЙТА



назад Раздел:   вперёд

Вернуться к выбору узлов мотора


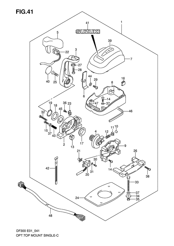
ДЕТАЛИРОВКА ДЛЯ МОДЕЛИ: SUZUKI DF300TK10(E1) K10

одинарное, монтаж сверху


Год выпуска двигателя: 2010

Номер на
рисунке
АртикулНаименованиеQTYКол-во
на складе
Цена
167200-98J00-000

Дистанционное управление в сборе - Remote Control Assy (Remote Control Assy)

под заказ96960 руб.
167200-98J06-000

   (актуальный код замены) Одинарное дистанционное управление в сборе - Remote Control Assy, Single

под заказ96960 руб.
167200-98J03-000

Дистанционное управление в сборе - Remote Control Assy (Remote Control Assy)

под заказ96960 руб.
167200-98J06-000

   (актуальный код замены) Одинарное дистанционное управление в сборе - Remote Control Assy, Single

под заказ96960 руб.
267211-98J00-000

Корпус, L - Housing, L (Housing (l); ) (Housing, L)

под заказ0 руб.
367251-98J00-000

Рычаг блокировки - Lever, Handle (Lever, Handle)

под заказ17380 руб.
467246-98J00-000

Вал привода - Shaft, Drive (Shaft, Drive)

под заказ6720 руб.
567261-98J00-000

Рукоятка, №1 - Grip, No1 (Grip, No.1)

под заказ1200 руб.
667263-98J00-000

Крышка рычага - Cover, Lever (Cover, Lever)

под заказ4250 руб.
767212-98J00-000

Крышка, вышеr - Cover, Upr (Cover, Upr)

под заказ0 руб.
867271-98J00-000

Крышка, Bottom - Cover, Bottom (Cover, Bottom)

под заказ0 руб.
967222-98J00-000

Panel в сборе, Back - Panel Assy, Back (Panel Assy, Back)

под заказ3360 руб.
1067236-98J00-000

Фиксирующий ролик - Roller, Detent (Rooler, detent # Rooler, detent; ) (Roller, Detent)

под заказ470 руб.
1167235-98J00-000

Направляющая, Detent Roler - Guide, Detent Roler (Guide, detent rooler # Guide, detent rooler; ) (Guide, Detent Roler)

под заказ380 руб.
1267237-98J00-000

Фиксатор пружины - Spring, Detent (Spring, Detent)

под заказ550 руб.
1367223-98J00-000

Pad, тормоз - Pad, Brake (Pad, Brake)

под заказ1150 руб.
1467296-98J50-000

Винт (5x18) - Screw (5x18) (Screw, bottom cover # Screw, bottom cover; ) (Screw (5x18))

под заказ300 руб.
1567296-98J70-000

Винт (5x20) - Screw (5x20) (Screw (5x20))

под заказ0 руб.
1667272-98J00-000

Пыльник, Крышка - Grommet, Cover (Grommet, cover # Grommet, cover; ) (Grommet, Cover)

под заказ680 руб.
1767252-98J00-000

Втулка вала передачи - Bush, Drive Shaft (Bush, drive shaft # Bush, drive shaft; ) (Bush, Drive Shaft)

под заказ440 руб.
1867288-98J20-000

Шайба - Washer (Washer)

под заказ630 руб.
1967292-98J00-000

C Кольцо - C Ring (C-ring # C-ring; ) (C Ring)

под заказ790 руб.
2015980-98J00-000

Потенциометр - Potentiometer (Potentiometer)

под заказ32160 руб.
2167227-98J10-000

Рычаг, Потенциометр №2 - Lever, Potentiometer No2 (Lever, Potentiometer No.2)

под заказ380 руб.
2237850-98J00-000

Переключатель управления гидроподъёмом двигателя - Switch Assy, Ptt (Switch Assy, Ptt)

под заказ8210 руб.
2237850-98J03-000

   (актуальный код замены) Переключатель управления гидроподъёмом двигателя - Switch Assy, Ptt

под заказ8210 руб.
2237850-98J02-000

Переключатель управления гидроподъёмом двигателя - Switch Assy, Ptt (Switch Assy, Ptt)

под заказ8210 руб.
2237850-98J03-000

   (актуальный код замены) Переключатель управления гидроподъёмом двигателя - Switch Assy, Ptt

под заказ8210 руб.
2367269-98J00-000

Струбцина, Lead - Clamp, Lead (Clamp, Lead)

под заказ650 руб.
2367269-98J01-000

   (актуальный код замены) Струбцина, Lead - Clamp, Lead

под заказ650 руб.
2467273-98J00-000

Прокладка - Packing (Packing)

под заказ1660 руб.
2567296-98J60-000

Винт (8x30) - Screw (8x30) (Screw (8x30); ) (Screw (8x30))

под заказ560 руб.
2667274-98J00-000

Основание фланца - Flange, Base (Flange, Base)

под заказ11760 руб.
2767288-92E20-000

Шайба - Washer (Washer; ) (Washer)

под заказ240 руб.
2867296-98J90-000

Винт (8x30) - Screw (8x30) (Screw (8x30); ) (Screw (8x30))

под заказ300 руб.
2967296-98J80-000

Винт (5x14) - Screw (5x14) (Screw, lever cover; ) (Screw (5x14))

под заказ510 руб.
2967296-98JG0-000

   (актуальный код замены) Винт (5x14) - Screw (5x14)

под заказ510 руб.
3067296-94300-000

Винт (4x10) - Screw (4x10) (Screw (4x10))

под заказ120 руб.
3167288-98J00-000

Шайба - Washer (Washer, potentiometer # Washer, potentiometer; ) (Washer)

под заказ240 руб.
3267296-98J20-000

Винт (5x50) - Screw (5x50) (Screw (5x50); ) (Screw (5x50))

под заказ490 руб.
3367226-98J00-000

Болт (5x50) - Bolt (5x50) (Bolt (5x50))

под заказ400 руб.
3409160-05024-000

Шайба (5.5x16x1.5) - Washer (55x16x15) (Washer (5.5x16x1.5); ) (Washer (5.5x16x1.5))

под заказ120 руб.
3567287-92E00-000

Гайка - Nut (Nut)

под заказ240 руб.
3667296-98J00-000

Винт (5x12) - Screw (5x12) (Screw, clamp; ) (Screw (5x12))

под заказ280 руб.
3767288-98J40-000

Шайба - Washer (Washer, bottom cover; ) (Washer)

под заказ280 руб.
3867296-98J10-000

Винт (5x35) - Screw (5x35) (Screw (5x35); ) (Screw (5x35))

под заказ370 руб.
3967284-98J00-000

Маркировка (f-n-r) - Mark (f-n-r) (Mark (f-n-r); ) (Mark (f-n-r))

под заказ3290 руб.
4068165-98J00-000

Маркировка, Рычаг (suzuki) - Mark, Lever (suzuki) (Mark, lever (suzuki); ) (Mark, Lever (suzuki))

под заказ2020 руб.
4168165-98J10-000

Эмблема, Suzuki - Emblem, Suzuki (Emblem (suzuki); ) (Emblem, Suzuki)

под заказ630 руб.
4267269-98J10-000

Ремешок - Band (Band)

под заказ440 руб.
4367288-98J10-000

Шайба - Washer (Washer)

под заказ490 руб.
4467288-98J30-000

Шайба - Washer (Washer, lever cover; ) (Washer)

под заказ450 руб.
4567228-98J50-000

Волнистая шайба - Washer, Wave (Washer, Wave)

под заказ500 руб.
4667273-98J10-000

Прокладка, Front - Packing, Front (Packing, front; ) (Packing, Front)

под заказ2260 руб.
4767273-98J30-000

Прокладка, Rr - Packing, Rr (Packing, rear; ) (Packing, Rr)

под заказ1270 руб.
4836620-98J00-000

Провода дистанционного управления, в сборе - Wire Assy, Remote Control (L:6500) (Wire Assy, Remote Control)

под заказ29040 руб.
4836620-98J33-000

   (актуальный код замены) Провода дистанционного управления, в сборе 6.5m - Wire Assy, Remote Control 6.5m

6 шт29040 руб.
4836620-98J30-000

Провода дистанционного управления, в сборе - Wire Assy, Remote Control (Wire Assy, Remote Control)

под заказ29040 руб.
4836620-98J33-000

   (актуальный код замены) Провода дистанционного управления, в сборе 6.5m - Wire Assy, Remote Control 6.5m

6 шт29040 руб.
4836620-98J10-000

Провода дистанционного управления, в сборе - Wire Assy, Remote Control (L:9500) (Wire Assy, Remote Control)

под заказ38880 руб.
4836620-98J43-000

   (актуальный код замены) Провода дистанционного управления, в сборе 9.5m - Wire Assy, Remote Control 9.5m

под заказ38880 руб.
4836620-98J40-000

Провода дистанционного управления, в сборе - Wire Assy, Remote Control (Wire Assy, Remote Control)

2 шт41250 руб.
4836620-98J43-000

   (актуальный код замены) Провода дистанционного управления, в сборе 9.5m - Wire Assy, Remote Control 9.5m

под заказ38880 руб.


Время выполнения запроса 2.1487879753113 сек.

 
 

данный сайт носит информационный характер и не является публичной офертой

склад запчастей для водомоторной техники