Найти запчасти на подвесной двигатель Suzuki модель 2010 года - Ptt switch / engine control unit - Переключатель гидроподъёма / Блок управления двигателем
вконтакте

Контактный телефон: +7 (981) 121-46-93, +7 (800) 200-90-76 , Email: parts-katalog@yandex.ru, где купить

 
 

  Логин:

Пароль:

Регистрация

www.partskatalog.ru Все каталоги Запчасти Mercury Запчасти Suzuki Запчасти Tohatsu Запчасти Honda Контакты



УВАЖАЕМЫЕ КЛИЕНТЫ!
C 19 ДЕКАБРЯ 2025 ПО 02 МАРТА 2026 ГОДА ОТДЕЛ ЗАПЧАСТЕЙ И СЕРВИС РАБОТАТЬ НЕ БУДУТ
ПРОДАЖА ЛОДОЧНЫХ МОТОРОВ В ШТАТНОМ РЕЖИМЕ
ОБ ИЗМЕНЕНИЯХ В ГРАФИКЕ РАБОТЫ ЧИТАЙТЕ НА САЙТА



назад Раздел:   вперёд

Вернуться к выбору узлов мотора


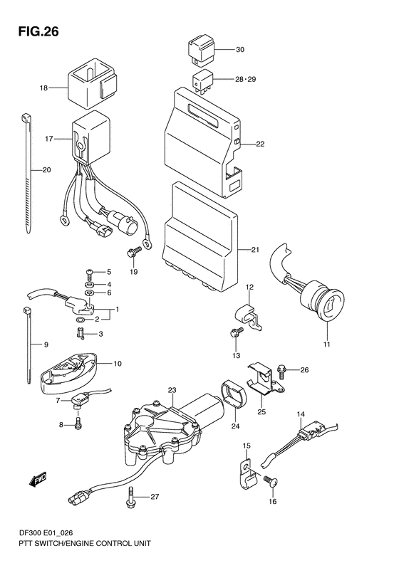
ДЕТАЛИРОВКА ДЛЯ МОДЕЛИ: SUZUKI DF300Z(E1) PRD

Переключатель гидроподъёма / Блок управления двигателем


Год выпуска двигателя: 2010

Номер на
рисунке
АртикулНаименованиеQTYКол-во
на складе
Цена
113580-98J01-000

Датчик положения переключателя - Sensor Assy, Shift Position (Sensor Assy, Shift Position)

под заказ17040 руб.
113580-98J03-000

   (актуальный код замены) Датчик положения переключателя - Sensor Assy, Shift Position

под заказ17040 руб.
113580-98J02-000

Датчик положения переключателя - Sensor Assy, Shift Position (Sensor Assy, Shift Position)

под заказ17040 руб.
113580-98J03-000

   (актуальный код замены) Датчик положения переключателя - Sensor Assy, Shift Position

под заказ17040 руб.
213575-40F00-000

Уплотнительное кольцо - O Ring (O Ring)

под заказ330 руб.
337729-98J00-000

Переключающий рычаг датчика - Lever, Shift Sensor (Lever, Shift Sensor)

под заказ230 руб.
337729-96L00-000

   (актуальный код замены) Переключающий рычаг датчика - Lever, Shift Sensor

под заказ230 руб.
409160-05029-000

Шайба (5.5x12x0.8) - Washer (55x12x08) (Washer, shift sensor (5.5x12x0.8); ) (Washer (5.5x12x0.8))

14 шт130 руб.
507130-05167-000

Болт - Bolt (Bolt, shift position sensor # Bolt, shift position sensor; ) (Bolt)

под заказ190 руб.
608321-01057-000

Шайба с блокировкой - Washer, Lock (Washer, shift position sensor;) (Washer, Lock)

под заказ140 руб.
608321-0105A-000

   (актуальный код замены) Шайба с блокировкой - Washer, Lock

под заказ140 руб.
608321-0105A-000

Шайба с блокировкой - Washer, Lock (Washer, Lock)

под заказ140 руб.
737721-93J00-000

Выключатель нейтрали, в сборе - Switch Assy, Neutral (Switch Assy, Neutral)

4 шт4540 руб.
809137-04004-000

Винт (4x16) - Screw (4x16) (Screw, neutral switch; ) (Screw (4x16))

под заказ240 руб.
909407-10404-000

Струбцина (l: 100) - Clamp (l:100) (Clamp, battery lead (l:96) # Clamp, sw lead wire; ) (Clamp (l:100))

под заказ190 руб.
1037725-93J11-000

Крышка переключателя в сборе - Cover, Switch Assy (Cover, Switch Assy)

под заказ910 руб.
1137850-99E04-000

Переключатель управления гидроподъёмом двигателя - Switch Assy, Ptt (Switch Assy, Ptt)

под заказ9800 руб.
1137850-99E05-000

   (актуальный код замены) Переключатель управления гидроподъёмом двигателя - Switch Assy, Ptt

2 шт9800 руб.
1209403-11315-000

Струбцина - Clamp (Clamp, ptt sw lead wire # Clamp, ptt sw lead wire; ) (Clamp)

под заказ350 руб.
1209403-11328-000

   (актуальный код замены) Струбцина, Ptt Sw Подводящий провод - Clamp, Ptt Sw Lead Wire

под заказ350 руб.
1301550-06127-000

Болт - Bolt (Bolt, rect # Bolt, ptt sw lead wire clamp; ) (Bolt)

10 шт180 руб.
1437722-93J11-000

Переключатель ограничителя наклона - Switch Assy, Tilt Limit (Switch Assy, Tilt Limit)

под заказ4370 руб.
1437722-93J13-000

   (актуальный код замены) Переключатель ограничителя наклона - Switch Assy, Tilt Limit

2 шт4750 руб.
1509403-09316-000

Струбцина - Clamp (Clamp, tilt limit lead # Clamp, tilt limit lead; ) (Clamp)

под заказ160 руб.
1509403-09330-000

   (актуальный код замены) Струбцина, Tilt Limit Lead - Clamp, Tilt Limit Lead

под заказ160 руб.
1629125-93J00-000

Винт - Screw (Screw, tilt limit clamp # Screw, tilt limit clamp; ) (Screw)

под заказ190 руб.
1738410-93J11-000

Реле управления гидроподъёмом двигателя - Relay Assy, Ptt (Relay, ptt;) (Relay Assy, Ptt)

под заказ12580 руб.
1738410-93J12-000

   (актуальный код замены) Реле управления гидроподъёмом двигателя - Relay Assy, Ptt

19 шт13700 руб.
1738410-93J12-000

Реле управления гидроподъёмом двигателя - Relay Assy, Ptt (Relay Assy, Ptt)

19 шт13700 руб.
1838415-93J00-000

Держатель реле двигателя гидроподъёма - Holder, Ptt Relay (Holder, Ptt Relay)

под заказ580 руб.
1901550-06127-000

Болт - Bolt (Bolt, rect # Bolt, ptt relay ground; ) (Bolt)

10 шт180 руб.
2009407-30401-000

Струбцина (l: 300) - Clamp (l:300) (Clamp, ptt relay; ) (Clamp (l:300))

под заказ340 руб.
2133920-98J00-000

Модуль контроля зажигания - Unit, Engine Control (E1 ) (Unit, Engine Control)

под заказ272160 руб.
2133920-98J20-000

Модуль контроля зажигания - Unit, Engine Control (E1 model:08) (Unit, Engine Control)

под заказ272160 руб.
2133920-98J61-000

   (актуальный код замены) Модуль контроля зажигания - Unit, Engine Control

под заказ272160 руб.
2133920-98J61-000

Модуль контроля зажигания - Unit, Engine Control (Unit, Engine Control)

под заказ272160 руб.
2133920-98J40-000

Модуль контроля зажигания - Unit, Engine Control (E1 model:09) (Unit, Engine Control)

под заказ272160 руб.
2133920-98J61-000

   (актуальный код замены) Модуль контроля зажигания - Unit, Engine Control

под заказ272160 руб.
2133920-98J61-000

Модуль контроля зажигания - Unit, Engine Control (Unit, Engine Control)

под заказ272160 руб.
2133920-98J60-000

Модуль контроля зажигания - Unit, Engine Control (E1 model:10) (Unit, Engine Control)

под заказ272160 руб.
2133920-98J61-000

   (актуальный код замены) Модуль контроля зажигания - Unit, Engine Control

под заказ272160 руб.
2133920-98J61-000

Модуль контроля зажигания - Unit, Engine Control (Unit, Engine Control)

под заказ272160 руб.
2133920-98J30-000

Модуль контроля зажигания - Unit, Engine Control (E40) (Unit, Engine Control)

под заказ272160 руб.
2133920-98J71-000

   (актуальный код замены) Модуль контроля зажигания - Unit, Engine Control

под заказ272160 руб.
2133920-98J71-000

Модуль контроля зажигания - Unit, Engine Control (Unit, Engine Control)

под заказ272160 руб.
2133920-98J50-000

Модуль контроля зажигания - Unit, Engine Control (E40 model:09) (Unit, Engine Control)

под заказ272160 руб.
2133920-98J71-000

   (актуальный код замены) Модуль контроля зажигания - Unit, Engine Control

под заказ272160 руб.
2133920-98J71-000

Модуль контроля зажигания - Unit, Engine Control (Unit, Engine Control)

под заказ272160 руб.
2133920-98J71-000

Модуль контроля зажигания - Unit, Engine Control (E40 model:10 ) (Unit, Engine Control)

под заказ272160 руб.
2133920-98J80-000

Модуль контроля зажигания - Unit, Engine Control (Df300t:110001~, df300z:110001~) (Unit, Engine Control)

под заказ272160 руб.
2133920-98J90-000

   (актуальный код замены) Модуль контроля зажигания - Unit, Engine Control

под заказ272160 руб.
2133920-98J90-000

Модуль контроля зажигания - Unit, Engine Control (Unit, Engine Control)

под заказ272160 руб.
2233925-98J00-000

Подушка модуля управления двигателем - Cushion, Engine Control Unit (Cushion, Engine Control Unit)

под заказ2010 руб.
2338890-98J00-000

Переключатель пускателя - Actuator Assy, Shift (Actuator Assy, Shift)

под заказ73920 руб.
2338890-98J12-000

   (актуальный код замены) Переключатель пускателя - Actuator Assy, Shift

под заказ73920 руб.
2338890-98J10-000

Переключатель пускателя - Actuator Assy, Shift (Actuator Assy, Shift)

под заказ73920 руб.
2338890-98J12-000

   (актуальный код замены) Переключатель пускателя - Actuator Assy, Shift

под заказ73920 руб.
2438892-98J00-000

Демфер переключателя пускателя - Damper, Shift Actuator (Damper, Shift Actuator)

под заказ440 руб.
2438892-98J01-000

   (актуальный код замены) Демфер переключателя пускателя - Damper, Shift Actuator

под заказ440 руб.
2538895-98J00-000

Кронштейн переключателя пускателя - Bracket, Shift Actuator (Bracket, Shift Actuator)

под заказ2740 руб.
2601550-06167-000

Болт - Bolt (Bolt, shift actuator brkt; ) (Bolt)

9 шт210 руб.
2701550-06357-000

Болт - Bolt (Bolt, throttle lever no.2 # Bolt, shift actuator; ) (Bolt)

9 шт210 руб.
2838860-76F01-000

Реле в сборе - Relay Assy (Relay, starting motor # Relay, actuator; ) (Relay Assy)

7 шт5000 руб.
2938860-76F01-000

Реле в сборе - Relay Assy (Relay, starting motor # Relay, oxygem sensor heater; Df300t:110001~, df300z:110001~ ) (Relay Assy)

7 шт5000 руб.
3038915-90J00-000

Держатель реле - Holder, Relay (Holder, relay; ) (Holder, Relay)

2 шт370 руб.


Время выполнения запроса 2.3439371585846 сек.

 
 

данный сайт носит информационный характер и не является публичной офертой

склад запчастей для водомоторной техники