| |
 |
|
 |
Вернуться к выбору узлов мотора
ДЕТАЛИРОВКА ДЛЯ МОДЕЛИ: SUZUKI DF300ZK10(E1) K10
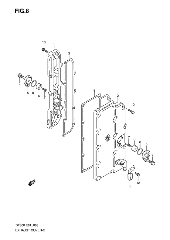
Кожух выхлопной трубы
Год выпуска двигателя: 2010
Номер на рисунке | Артикул | Наименование | QTY | Кол-во на складе | Цена |
| 1 | 14141-93J01-000 | Выхлопная крышка (правая) - Cover, Exhaust Stbd (Cover, Exhaust Stbd) | | под заказ | 9410 руб. |
| 2 | 14140-98J00-000 | Выхлопная крышка (левая) - Cover, Exhaust Port (Cover, Exhaust Port) | | под заказ | 12630 руб. |
| 2 | 14140-98J01-000 | (актуальный код замены) Выхлопная крышка (левая) - Cover, Exhaust Port | | под заказ | 12630 руб. |
| 2 | 14140-98J01-000 | Выхлопная крышка (левая) - Cover, Exhaust Port (Cover, Exhaust Port) | | под заказ | 12630 руб. |
| 3 | 14151-93J00-000 | Прокладка кожуха выхлопной трубы (stbd) - Gasket, Exhaust Cover (stbd) (Gasket, exhaust cover stbd # Gasket, exhaust cover stbd; ) (Gasket, Exhaust Cover (stbd)) | | 4 шт | 1050 руб. |
| 4 | 14152-93J00-000 | Прокладка кожуха выхлопной трубы (port) - Gasket, Exhaust Cover (port) (Gasket, exhaust cover port # Gasket, exhaust cover port; ) (Gasket, Exhaust Cover (port)) | | 5 шт | 2520 руб. |
| 5 | 11261-93J00-000 | Крышка защитного анода - Cover, Protection Anode (Cover, Protection Anode) | | под заказ | 1600 руб. |
| 6 | 55321-87J00-000 | Защитный анод - Anode, Protection (Anode, Protection) | | 1 шт | 750 руб. |
| 6 | 55321-87J01-000 | (актуальный код замены) Защитный анод - Anode, Protection | | под заказ | 850 руб. |
| 6 | SMO-55321-87J01-000 | (не оригинальный аналог) Защитный анод SMO-55321-87J01-000 (оригинал) | | под заказ | 590 руб. |
| 6 | SMO-55321-87J01-000 | (аналог) Защитный анод SMO-55321-87J01-000 (оригинал) - код 55321-87J01-000 | | под заказ шт | 585 руб. |
| 6 | 55321-87J01-000 | Защитный анод - Anode, Protection (Anode, Protection) | | под заказ | 850 руб. |
| 6 | SMO-55321-87J01-000 | (аналог) Защитный анод SMO-55321-87J01-000 (оригинал) - код 55321-87J01-000 | | под заказ шт | 585 руб. |
| 7 | 09103-06281-000 | Болт (6x14) - Bolt (6x14) (Bolt, protection anode # Bolt, protection anode; ) (Bolt (6x14)) | | 6 шт | 270 руб. |
| 8 | 09280-22019-000 | Уплотнительное кольцо (d: 1.9, Id: 21.8) - O Ring (d:19, Id:218) (O ring, protection cover; ) (O Ring (d:1.9, Id:21.8)) | | 16 шт | 210 руб. |
| 8 | SK09280-22019 | (не оригинальный аналог) Кольцо уплотнительное головки блока цилиндров Skipper для Suzuki Модели техники: 4-stroke 8-350HP | | 0 шт | 64 руб. |
| 9 | 01550-08207-000 | Болт - Bolt (Bolt, protection cover; ) (Bolt) | | 10 шт | 240 руб. |
| 10 | 01550-06257-000 | Болт - Bolt (Bolt, exh cover; ) (Bolt) | | под заказ | 180 руб. |
| 11 | 17713-98J00-000 | Держатель водяного шланга - Holder, Water Hose (Holder, Water Hose) | | под заказ | 610 руб. |
| 11 | 17713-98J01-000 | (актуальный код замены) Держатель водяного шланга - Holder, Water Hose | | под заказ | 610 руб. |
| 12 | 01550-08127-000 | Болт - Bolt (Bolt, clamp # Bolt, hose clamp; ) (Bolt) | | под заказ | 210 руб. |
Время выполнения запроса 0.73504519462585 сек. |
|