Номер на рисунке | Артикул | Наименование | QTY | Кол-во на складе | Цена |
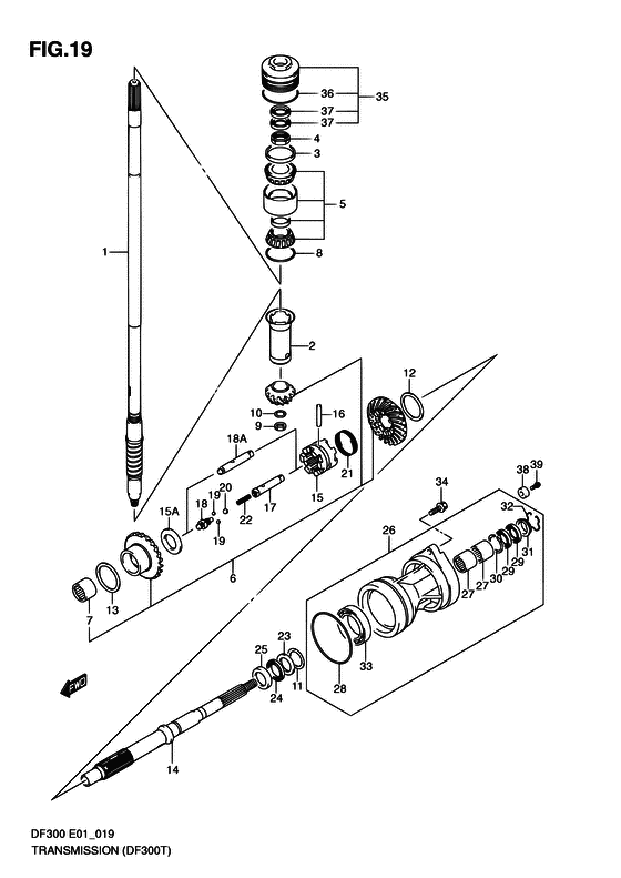
| 1 | 57110-98J01-000 | Вал привода (x) - Shaft, Drive (x) (Shaft, Drive (x)) | | 1 шт | 83040 руб. |
| 1 | 57110-98J11-000 | Вал привода (xx) - Shaft, Drive (xx) (Shaft, Drive (xx)) | | под заказ | 120000 руб. |
| 2 | 57133-98J00-000 | Воротник приводного вала - Collar, Drive Shaft (Collar, Drive Shaft) | | 1 шт | 1330 руб. |
| 3 | 57134-93J00-000 | Проставка приводного вала Подшипник - Spacer, Drive Shaft Bearing (Spacer, Drive Shaft Bearing) | | 2 шт | 2480 руб. |
| 4 | 09159-28003-000 | Гайка - Nut (Nut, drive shaft bearing (m28) ) (Nut) | | 2 шт | 4370 руб. |
| 5 | 09269-32001-000 | Подшипник (32x66x49) - Bearing (32x66x49) (Bearing, drive shaft (32x66x49) ) (Bearing (32x66x49)) | | под заказ | 19620 руб. |
| 5 | 09269-32002-000 | (актуальный код замены) Подшипник (32x66x49) - Bearing (32x66x49) | | 4 шт | 19620 руб. |
| 5 | 46T0607052KOYO | (подбор по маркировке) Подшипник KOYO 46T060705-2(32*66*49 мм) | | под заказ | 0 |
| 6 | 57300-98820-000 | Комплект шестерёнок - Pinion & Gear Set (Pinion & Gear Set) | | под заказ | 140640 руб. |
| 6 | 57300-98880-000 | (актуальный код замены) Комплект шестерёнок - Pinion & Gear Set | | 3 шт | 140640 руб. |
| 6 | 57300-98880-000 | Комплект шестерёнок - Pinion & Gear Set (Pinion & Gear Set) | | 3 шт | 140640 руб. |
| 6 | 57300-98880-000 | Комплект шестерёнок - Pinion & Gear Set (MODEL:10~ ) (Pinion & Gear Set) | | 3 шт | 140640 руб. |
| 7 | 09263-25067-000 | Подшипник (25x32x26) - Bearing (25x32x26) (Bearing, prop shaft forward (25x32x26) ) (Bearing (25x32x26)) | | 12 шт | 2640 руб. |
| 7 | BM2526KOYO | (подбор по маркировке) Подшипник KOYO BM2526(25*32*26 мм) | | под заказ | 0 |
| 8 | 09181-60004-000 | Регулировочная шайба (60x66x0.45) - Shim (60x66x045) (Shim (60x66x0.45)) | | 17 шт | 560 руб. |
| 8 | 09181-60005-000 | Регулировочная шайба (60x66x0.5) - Shim (60x66x05) (Shim (60x66x0.5)) | | 9 шт | 560 руб. |
| 8 | 09181-60006-000 | Регулировочная шайба (60x66x0.55) - Shim (60x66x055) (Shim (60x66x0.55)) | | 3 шт | 560 руб. |
| 8 | 09181-60007-000 | Регулировочная шайба (60x66x0.6) - Shim (60x66x06) (Shim (60x66x0.6)) | | 9 шт | 560 руб. |
| 8 | 09181-60008-000 | Регулировочная шайба (60x66x0.65) - Shim (60x66x065) (Shim (60x66x0.65)) | | 11 шт | 560 руб. |
| 8 | 09181-60009-000 | Регулировочная шайба (60x66x0.7) - Shim (60x66x07) (Shim (60x66x0.7)) | | 11 шт | 560 руб. |
| 8 | 09181-60010-000 | Регулировочная шайба (60x66x0.75) - Shim (60x66x075) (Shim (60x66x0.75)) | | 9 шт | 560 руб. |
| 8 | 09181-60011-000 | Регулировочная шайба (60x66x0.8) - Shim (60x66x08) (Shim (60x66x0.8)) | | 10 шт | 560 руб. |
| 8 | 09181-60012-000 | Регулировочная шайба (60x66x0.85) - Shim (60x66x085) (Shim (60x66x0.85)) | | 3 шт | 560 руб. |
| 8 | 09181-60013-000 | Регулировочная шайба (60x66x0.9) - Shim (60x66x09) (Shim (60x66x0.9)) | | 12 шт | 560 руб. |
| 9 | 09140-16026-000 | Гайка - Nut (Nut, pinion ) (Nut) | | 4 шт | 410 руб. |
| 10 | 08221-16256-000 | Регулировочная шайба - Shim (Washer, pinion nut ) (Shim) | | 9 шт | 150 руб. |
| 11 | 09160-35002-000 | Шайба (35x46x1) - Washer (35x46x1) (Washer (35x46x1)) | | под заказ | 240 руб. |
| 11 | 09160-35003-000 | Шайба (35x46x1.1) - Washer (35x46x11) (Washer (35x46x1.1)) | | под заказ | 300 руб. |
| 11 | 09160-35006-000 | Шайба (35x46x0.9) - Washer (35x46x09) (Washer (35x46x0.9)) | | под заказ | 250 руб. |
| 11 | 09160-35008-000 | Шайба (35x46x0.95) - Washer (35x46x095) (Washer (35x46x0.95) ) (Washer (35x46x0.95)) | | под заказ | 300 руб. |
| 11 | 09160-35009-000 | Шайба (35x46x1.05) - Washer (35x46x105) (Washer (35x46x1.05)) | | под заказ | 300 руб. |
| 11 | 09160-35010-000 | Шайба (35x46x1.15) - Washer (35x46x115) (Washer (35x46x1.15)) | | под заказ | 290 руб. |
| 11 | 09160-35013-000 | Шайба (35x46x0.8) - Washer (35x46x08) (Washer (35x46x0.8)) | | под заказ | 500 руб. |
| 11 | 09160-35014-000 | Шайба (35x46x0.7) - Washer (35x46x07) (Washer (35x46x0.7)) | | под заказ | 500 руб. |
| 11 | 09160-35015-000 | Шайба (35x46x0.6) - Washer (35x46x06) (PROP SHAFT REV ) (Washer (35x46x0.6)) | | под заказ | 500 руб. |
| 12 | 09181-50020-000 | Регулировочная шайба (50x65x0.45) - Shim (50x65x045) (REV GEAR ) (Shim (50x65x0.45)) | | 17 шт | 370 руб. |
| 12 | 09181-50021-000 | Регулировочная шайба (50x65x0.5) - Shim (50x65x05) (Shim (50x65x0.5)) | | 9 шт | 370 руб. |
| 12 | 09181-50022-000 | Регулировочная шайба (50x65x0.55) - Shim (50x65x055) (Shim (50x65x0.55)) | | 21 шт | 370 руб. |
| 12 | 09181-50023-000 | Регулировочная шайба (50x65x0.6) - Shim (50x65x06) (Shim (50x65x0.6)) | | 10 шт | 370 руб. |
| 12 | 09181-50024-000 | Регулировочная шайба (50x65x0.65) - Shim (50x65x065) (Shim (t:0.65) ) (Shim (50x65x0.65)) | | 11 шт | 370 руб. |
| 12 | 09181-50025-000 | Регулировочная шайба (50x65x0.7) - Shim (50x65x07) (Shim (t:0.70) ) (Shim (50x65x0.7)) | | 20 шт | 370 руб. |
| 12 | 09181-50026-000 | Регулировочная шайба (50x65x0.75) - Shim (50x65x075) (Shim (t:0.75) ) (Shim (50x65x0.75)) | | 12 шт | 370 руб. |
| 12 | 09181-50027-000 | Регулировочная шайба (50x65x0.8) - Shim (50x65x08) (Shim (t:0.80) ) (Shim (50x65x0.8)) | | 13 шт | 370 руб. |
| 12 | 09181-50028-000 | Регулировочная шайба (50x65x0.85) - Shim (50x65x085) (Shim (t:0.85) ) (Shim (50x65x0.85)) | | 5 шт | 370 руб. |
| 12 | 09181-50029-000 | Регулировочная шайба (50x65x0.95) - Shim (50x65x095) (Shim (t:0.90) ) (Shim (50x65x0.95)) | | 13 шт | 480 руб. |
| 13 | 09181-50020-000 | Регулировочная шайба (50x65x0.45) - Shim (50x65x045) (FWD GEAR ) (Shim (50x65x0.45)) | | 17 шт | 370 руб. |
| 13 | 09181-50021-000 | Регулировочная шайба (50x65x0.5) - Shim (50x65x05) (Shim (50x65x0.5)) | | 9 шт | 370 руб. |
| 13 | 09181-50022-000 | Регулировочная шайба (50x65x0.55) - Shim (50x65x055) (Shim (50x65x0.55)) | | 21 шт | 370 руб. |
| 13 | 09181-50023-000 | Регулировочная шайба (50x65x0.6) - Shim (50x65x06) (Shim (50x65x0.6)) | | 10 шт | 370 руб. |
| 13 | 09181-50024-000 | Регулировочная шайба (50x65x0.65) - Shim (50x65x065) (Shim (t:0.65) ) (Shim (50x65x0.65)) | | 11 шт | 370 руб. |
| 13 | 09181-50025-000 | Регулировочная шайба (50x65x0.7) - Shim (50x65x07) (Shim (t:0.70) ) (Shim (50x65x0.7)) | | 20 шт | 370 руб. |
| 13 | 09181-50026-000 | Регулировочная шайба (50x65x0.75) - Shim (50x65x075) (Shim (t:0.75) ) (Shim (50x65x0.75)) | | 12 шт | 370 руб. |
| 13 | 09181-50027-000 | Регулировочная шайба (50x65x0.8) - Shim (50x65x08) (Shim (t:0.80) ) (Shim (50x65x0.8)) | | 13 шт | 370 руб. |
| 13 | 09181-50028-000 | Регулировочная шайба (50x65x0.85) - Shim (50x65x085) (Shim (t:0.85) ) (Shim (50x65x0.85)) | | 5 шт | 370 руб. |
| 13 | 09181-50029-000 | Регулировочная шайба (50x65x0.95) - Shim (50x65x095) (Shim (t:0.90) ) (Shim (50x65x0.95)) | | 13 шт | 480 руб. |
| 14 | 57610-98J00-000 | (->57610-98J20 USED WITH 09160-25019) | | под заказ | нет сведений |
| 14 | 09160-25019-000 | Шайба (25x38x2.5) - Washer (25x38x25) (Washer, forward thrust ) (Washer (25x38x2.5)) | | 10 шт | 0 руб. |
| 14 | 57610-98J20-000 | Вал гребного винта - Shaft, Propeller (Shaft, Propeller) | | 1 шт | 55680 руб. |
| 14 | 57610-98J20-000 | Вал гребного винта - Shaft, Propeller (MODEL:08~ ) (Shaft, Propeller) | | 1 шт | 55680 руб. |
| 15 | 57621-98J00-000 | Переключатель собачки сцепления - Shifter, Clutch Dog (Shifter, Clutch Dog) | | под заказ | 33360 руб. |
| 15 | 57621-98J10-000 | (актуальный код замены) Переключатель собачки сцепления - Shifter, Clutch Dog | | под заказ | 33360 руб. |
| 15 | 57621-98J10-000 | Переключатель собачки сцепления - Shifter, Clutch Dog (Shifter, Clutch Dog) | | под заказ | 33360 руб. |
| 15 | 57621-98J10-000 | Переключатель собачки сцепления - Shifter, Clutch Dog (MODEL:08~ ) (Shifter, Clutch Dog) | | под заказ | 33360 руб. |
| 15 | 09160-25080-000 | Шайба (25x38x1) - Washer (25x38x1) (MODEL:08~ ) (Washer (25x38x1)) | | 5 шт | 1400 руб. |
| 16 | 09202-08011-000 | Штифт (8x53) - Pin (8x53) (Pin (8x53)) | | под заказ | 950 руб. |
| 17 | 57631-98J00-000 | Штифт Set, Коннектор - Pin Set, Connector (MODEL:07~09 ->57630-98810 PIN SET, CONNECTOR) (Pin Set, Connector) | | под заказ | 5620 руб. |
| 17 | 57630-98810-000 | (актуальный код замены) Штифт Set, Коннектор - Pin Set, Connector | | под заказ | 5620 руб. |
| 17 | 57630-98810-000 | Штифт Set, Коннектор - Pin Set, Connector (Pin Set, Connector) | | под заказ | 5620 руб. |
| 18 | 57632-98J00-000 | Запчасть снята с производства - The Spare Part Is Laid Off (MODEL:07~09 ->57630-98810 PIN SET, CONNECTOR) (The Spare Part Is Laid Off) | | под заказ | 0 руб. |
| 18 | 57631-98J10-000 | Штифт коннектора - Pin, Connector (MODEL:10~ ) (Pin, Connector) | | под заказ | 4300 руб. |
| 19 | 06111-07004-000 | Шарик - Ball (Ball) | | 19 шт | 100 руб. |
| 20 | 06111-11004-000 | Шарик - Ball (MODEL:10~ ) (Ball) | | 29 шт | 150 руб. |
| 21 | 09440-56001-000 | Пружина - Spring (Spring) | | 1 шт | 580 руб. |
| 22 | 09440-09040-000 | Пружина - Spring (Spring) | | 14 шт | 280 руб. |
| 23 | 09160-30056-000 | Шайба (32x47x3) - Washer (32x47x3) (Washer (32x47x3.0) ) (Washer (32x47x3)) | | под заказ | 2500 руб. |
| 24 | 09269-30014-000 | Подшипник (30x47x2) - Bearing (30x47x2) (Bearing (30x47x2.0) ) (Bearing (30x47x2)) | | 1 шт | 1320 руб. |
| 25 | 09160-30055-000 | Шайба (30x47x6) - Washer (30x47x6) (Washer (30x47x6.0) ) (Washer (30x47x6)) | | под заказ | 8210 руб. |
| 26 | 56120-98J00-0EP | Корпус подшипника вала гребного винта (bl) - Housing, Propeller Sft Brg (bl) (Housing, Propeller Sft Brg (bl)) | | 3 шт | 66240 руб. |
| 26 | 56120-98J01-0EP | (актуальный код замены) Корпус подшипника вала гребного винта (обойма) (чёрный) - Housing, Prop Shaft Brg (black) | | под заказ | 66240 руб. |
| 27 | 09263-30023-000 | Подшипник (30x40x25) - Bearing (30x40x25) (Bearing (30x40x25) ) (Bearing (30x40x25)) | | под заказ | 3930 руб. |
| 27 | 09263-30063-000 | (актуальный код замены) Подшипник (30x40x25) - Bearing (30x40x25) | | 9 шт | 4430 руб. |
| 27 | 7EHMK3025NTN | (подбор по маркировке) Подшипник NTN 7E-HMK 3025(30*40*25 мм) | | под заказ | 0 |
| 28 | 09280-00040-000 | Уплотнительное кольцо (d: 3.1, Id: 104.4) - O Ring (d:31, Id:1044) (O ring (id:104.4, dd:3.1) ) (O Ring (d:3.1, Id:104.4)) | | 23 шт | 870 руб. |
| 29 | 09282-30006-000 | Сальник (30x45x6) - Seal, Oil (30x45x6) (Seal, oil (30x45x6) ) (Seal, Oil (30x45x6)) | | 115 шт | 720 руб. |
| 30 | 09381-40003-000 | Стопорное кольцо - Circlip (Circlip) | | 7 шт | 420 руб. |
| 31 | 56123-93J00-000 | Защитный сальник - Protector, Oil Seal (Protector, Oil Seal) | | 6 шт | 690 руб. |
| 32 | 09387-45001-000 | Кольцо - Ring (Circlip ) (Ring) | | 14 шт | 290 руб. |
| 33 | 08113-62100-000 | Подшипник - Bearing (Bearing) | | под заказ | 5380 руб. |
| 34 | 09116-10145-000 | Болт (10x35) - Bolt (10x35) (Bolt (10x35)) | | под заказ | 640 руб. |
| 34 | 09116-10177-000 | (актуальный код замены) Болт (10x35) - Bolt (10x35) | | под заказ | 640 руб. |
| 34 | 09116-10177-000 | Болт (10x35) - Bolt (10x35) (Bolt (10x35)) | | под заказ | 640 руб. |
| 35 | 56130-93J00-000 | Корпус подшипника приводного вала - Housing, Drive Shaft Brg (Housing, Drive Shaft Brg) | | под заказ | 14400 руб. |
| 35 | 56130-93J02-000 | (актуальный код замены) Корпус подшипника приводного вала - Housing, Drive Shaft Brg | | 2 шт | 14400 руб. |
| 35 | 56130-93J02-000 | Корпус подшипника приводного вала - Housing, Drive Shaft Brg (Housing, Drive Shaft Brg) | | 2 шт | 14400 руб. |
| 36 | 09280-66004-000 | Уплотнительное кольцо (d: 3.1, Id: 65.4) - O Ring (d:31, Id:654) (O ring (id:65.4, dd:3.1) ) (O Ring (d:3.1, Id:65.4)) | | 3 шт | 690 руб. |
| 36 | SK09280-66004 | (не оригинальный аналог) Кольцо уплотнительное ведущего вала Skipper для Suzuki Модель техники: DF150-DF300 | | 0 шт | 127 руб. |
| 37 | 09282-24004-000 | Сальник (24x40x7) - Seal, Oil (24x40x7) (Oil seal ) (Seal, Oil (24x40x7)) | | 76 шт | 870 руб. |
| 37 | 09282-24008-000 | (актуальный код замены) Сальник (24x40x7) - Seal, Oil (24x40x7) | | 76 шт | 700 руб. |
| 37 | SK09282-24004 | (не оригинальный аналог) Сальник ведущего вала Skipper для Suzuki Модели техники: DF90-350HP | | 0 шт | 176 руб. |
| 38 | 55321-87J00-000 | Защитный анод - Anode, Protection (Anode, Protection) | | 1 шт | 750 руб. |
| 38 | 55321-87J01-000 | (актуальный код замены) Защитный анод - Anode, Protection | | под заказ | 850 руб. |
| 38 | SMO-55321-87J01-000 | (не оригинальный аналог) Защитный анод SMO-55321-87J01-000 (оригинал) | | под заказ | 590 руб. |
| 38 | SMO-55321-87J01-000 | (аналог) Защитный анод SMO-55321-87J01-000 (оригинал) - код 55321-87J01-000 | | под заказ шт | 585 руб. |
| 38 | 55321-87J01-000 | Защитный анод - Anode, Protection (Anode, Protection) | | под заказ | 850 руб. |
| 38 | SMO-55321-87J01-000 | (аналог) Защитный анод SMO-55321-87J01-000 (оригинал) - код 55321-87J01-000 | | под заказ шт | 585 руб. |
| 39 | 09103-06281-000 | Болт (6x14) - Bolt (6x14) (Bolt, protection anode ) (Bolt (6x14)) | | 6 шт | 270 руб. |