Подобрать оригинальные запчасти на двигатель Suzuki - Стартер
вконтакте

Контактный телефон: +7 (981) 121-46-93, +7 (800) 200-90-76 , Email: parts-katalog@yandex.ru, где купить

 
 

  Логин:

Пароль:

Регистрация

www.partskatalog.ru Все каталоги Запчасти Mercury Запчасти Suzuki Запчасти Tohatsu Запчасти Honda Контакты



УВАЖАЕМЫЕ КЛИЕНТЫ!
C 19 ДЕКАБРЯ 2025 ПО 02 МАРТА 2026 ГОДА ОТДЕЛ ЗАПЧАСТЕЙ И СЕРВИС РАБОТАТЬ НЕ БУДУТ
ПРОДАЖА ЛОДОЧНЫХ МОТОРОВ В ШТАТНОМ РЕЖИМЕ
ОБ ИЗМЕНЕНИЯХ В ГРАФИКЕ РАБОТЫ ЧИТАЙТЕ НА САЙТА



назад Раздел:   вперёд

Вернуться к выбору узлов мотора


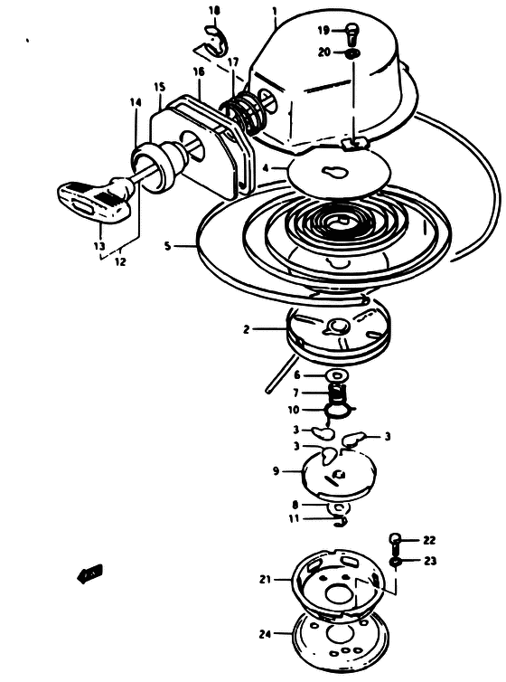
ДЕТАЛИРОВКА ДЛЯ МОДЕЛИ: SUZUKI DT2 C

Стартер


Год выпуска двигателя: 1977

Цвет: Andres Blue MetallicFrancois White №2


Warning: Undefined variable $NumPP in D:\www\www.partskatalog.ru\partsbase\base-outboard-suzuki-2.php on line 654
Номер на
рисунке
АртикулНаименованиеQTYКол-во
на складе
Цена
 18100-96001-000

Запчасть снята с производства - The Spare Part Is Laid Off (TO 18100-96002) (The Spare Part Is Laid Off)

под заказ0 руб.
 18100-96002-000

   (актуальный код замены) Запчасть снята с производства - The Spare Part Is Laid Off

под заказ0 руб.
 18100-96002-000

Запчасть снята с производства - The Spare Part Is Laid Off (The Spare Part Is Laid Off)

под заказ0 руб.
118111-96001-000

Запчасть снята с производства - The Spare Part Is Laid Off (The Spare Part Is Laid Off)

под заказ0 руб.
218121-98001-000

Запчасть снята с производства - The Spare Part Is Laid Off (The Spare Part Is Laid Off)

под заказ0 руб.
318131-98001-000

Собачка привода - Pawl, Drive (Pawl, drive ) (Pawl, Drive)

под заказ0 руб.
418138-98000-000

Запчасть снята с производства - The Spare Part Is Laid Off (TO 18138-98001) (The Spare Part Is Laid Off)

под заказ0 руб.
418138-98001-000

   (актуальный код замены) Запчасть снята с производства - The Spare Part Is Laid Off

под заказ0 руб.
418138-98001-000

Запчасть снята с производства - The Spare Part Is Laid Off (The Spare Part Is Laid Off)

под заказ0 руб.
518142-98001-000

Барабанная пружина - Spring, Recoil (Spring, Recoil)

под заказ2310 руб.
518142-24400-000

   (актуальный код замены) Барабанная пружина - Spring, Recoil

под заказ2310 руб.
518142-24400-000

Барабанная пружина - Spring, Recoil (Spring, Recoil)

под заказ2310 руб.
618143-98001-000

Запчасть снята с производства - The Spare Part Is Laid Off (The Spare Part Is Laid Off)

под заказ0 руб.
718145-98001-000

Запчасть снята с производства - The Spare Part Is Laid Off (The Spare Part Is Laid Off)

под заказ0 руб.
818146-96000-000

Запчасть снята с производства - The Spare Part Is Laid Off (The Spare Part Is Laid Off)

под заказ0 руб.
918151-98002-000

Запчасть снята с производства - The Spare Part Is Laid Off (The Spare Part Is Laid Off)

под заказ0 руб.
1018155-98000-000

Возвратная пружина - Spring, Return (Spring, return ) (Spring, Return)

под заказ0 руб.
1118163-98001-000

Запчасть снята с производства - The Spare Part Is Laid Off (The Spare Part Is Laid Off)

под заказ0 руб.
1218200-93820-000

(L:1220, TO 18200-93821)

под заказ0 руб.
1218210-93002-000

Рукоятка в сборе - Grip Assy (Grip Assy)

1 шт1150 руб.
1218200-93821-000

под заказ0 руб.
1218210-93002-000

Рукоятка в сборе - Grip Assy (Grip Assy)

1 шт1150 руб.
1318210-93000-000

Рукоятка в сборе - Grip Assy (TO 18210-93001) (Grip Assy)

под заказ1150 руб.
1318210-93002-000

   (актуальный код замены) Рукоятка в сборе - Grip Assy

1 шт1150 руб.
1318210-93002-000

Рукоятка в сборе - Grip Assy (Grip Assy)

1 шт1150 руб.
1318210-93001-000

Рукоятка в сборе - Grip Assy (Grip Assy)

под заказ1150 руб.
1318210-93002-000

   (актуальный код замены) Рукоятка в сборе - Grip Assy

1 шт1150 руб.
1318210-93002-000

Рукоятка в сборе - Grip Assy (Grip Assy)

1 шт1150 руб.
1418181-96002-000

Запчасть снята с производства - The Spare Part Is Laid Off (The Spare Part Is Laid Off)

под заказ0 руб.
1518231-96000-000

Запчасть снята с производства - The Spare Part Is Laid Off (The Spare Part Is Laid Off)

под заказ0 руб.
1618233-96000-000

Запчасть снята с производства - The Spare Part Is Laid Off (The Spare Part Is Laid Off)

под заказ0 руб.
1718236-96001-000

Запчасть снята с производства - The Spare Part Is Laid Off (The Spare Part Is Laid Off)

под заказ0 руб.
1818241-96000-000

Запчасть снята с производства - The Spare Part Is Laid Off (The Spare Part Is Laid Off)

под заказ0 руб.
1818183-93400-000

   (актуальный код замены) Запчасть снята с производства - The Spare Part Is Laid Off

под заказ0 руб.
1901107-06168-000

Болт - Bolt (Bolt)

под заказ150 руб.
1901500-06167-000

   (актуальный код замены) Болт - Bolt

под заказ150 руб.
1901500-06167-000

Болт - Bolt (Bolt, fuel cooler ) (Bolt)

под заказ150 руб.
2008321-21068-000

Шайба с блокировкой - Washer, Lock (Washer, Lock)

под заказ140 руб.
2008321-01067-000

   (актуальный код замены) Шайба с блокировкой - Washer, Lock

под заказ140 руб.
2008321-01067-000

Шайба с блокировкой - Washer, Lock (Washer, Lock)

под заказ140 руб.
2118411-96001-000

Запчасть снята с производства - The Spare Part Is Laid Off (3 THRU HOLES (6.5<-)) (The Spare Part Is Laid Off)

под заказ0 руб.
2201107-06168-000

Болт - Bolt (Bolt)

под заказ150 руб.
2201500-06167-000

   (актуальный код замены) Болт - Bolt

под заказ150 руб.
2201500-06167-000

Болт - Bolt (Bolt, fuel cooler ) (Bolt)

под заказ150 руб.
2308321-21068-000

Шайба с блокировкой - Washer, Lock (Washer, Lock)

под заказ140 руб.
2308321-01067-000

   (актуальный код замены) Шайба с блокировкой - Washer, Lock

под заказ140 руб.
2308321-01067-000

Шайба с блокировкой - Washer, Lock (Washer, Lock)

под заказ140 руб.
2432725-96000-000

Запчасть снята с производства - The Spare Part Is Laid Off (TO 32725-96001) (The Spare Part Is Laid Off)

под заказ0 руб.
2432725-96001-000

   (актуальный код замены) Запчасть снята с производства - The Spare Part Is Laid Off

под заказ0 руб.
2432725-96001-000

Запчасть снята с производства - The Spare Part Is Laid Off (The Spare Part Is Laid Off)

под заказ0 руб.


Время выполнения запроса 2.8363718986511 сек.

 
 

данный сайт носит информационный характер и не является публичной офертой

склад запчастей для водомоторной техники