Оригинальные запчасти на подвесной двигатель Suzuki модель 1978 года - Fuel tank
вконтакте

Контактный телефон: +7 (981) 121-46-93, +7 (800) 200-90-76 , Email: parts-katalog@yandex.ru, где купить

 
 

  Логин:

Пароль:

Регистрация

www.partskatalog.ru Все каталоги Запчасти Mercury Запчасти Suzuki Запчасти Tohatsu Запчасти Honda Контакты



УВАЖАЕМЫЕ КЛИЕНТЫ!
C 19 ДЕКАБРЯ 2025 ПО 02 МАРТА 2026 ГОДА ОТДЕЛ ЗАПЧАСТЕЙ И СЕРВИС РАБОТАТЬ НЕ БУДУТ
ПРОДАЖА ЛОДОЧНЫХ МОТОРОВ В ШТАТНОМ РЕЖИМЕ
ОБ ИЗМЕНЕНИЯХ В ГРАФИКЕ РАБОТЫ ЧИТАЙТЕ НА САЙТА



назад Раздел:   вперёд

Вернуться к выбору узлов мотора


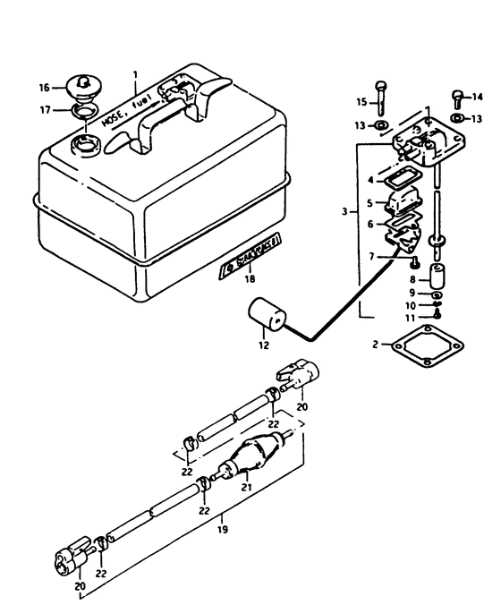
ДЕТАЛИРОВКА ДЛЯ МОДЕЛИ: SUZUKI DT2C C

Топливный бак


Год выпуска двигателя: 1978

Регион: General Export No.1

Цвет: Andres Blue MetallicFrancois White №2

Номер на
рисунке
АртикулНаименованиеQTYКол-во
на складе
Цена
165800-96814-000

(To 65800-96816)

под заказ0 руб.
165750-99700-000

Разъём топливного шланга - Socket, Fuel Hose (Socket, fuel hose ) (Socket, Fuel Hose)

под заказ0 руб.
165781-98500-000

Зажим топливного шланга - Clip, Fuel Hose (Clip, Fuel Hose)

9 шт350 руб.
165800-96816-000

(Tank set to (65800-98830)+ (65700-99703);)

под заказнет сведений
165750-99700-000

Разъём топливного шланга - Socket, Fuel Hose (Socket, fuel hose ) (Socket, Fuel Hose)

под заказ0 руб.
165781-98500-000

Зажим топливного шланга - Clip, Fuel Hose (Clip, Fuel Hose)

9 шт350 руб.
265871-93001-000

Прокладка, Fuel Gauge - Gasket, Fuel Gauge (Gasket, Fuel Gauge)

под заказ240 руб.
265871-93010-000

   (актуальный код замены) Прокладка, Fuel Gauge - Gasket, Fuel Gauge

под заказ240 руб.
265871-93010-000

Прокладка, Fuel Gauge - Gasket, Fuel Gauge (Gasket, fuel gauge ) (Gasket, Fuel Gauge)

под заказ240 руб.
365850-99700-000

Запчасть снята с производства - The Spare Part Is Laid Off (To 65850-99701) (The Spare Part Is Laid Off)

под заказ0 руб.
365850-99701-000

   (актуальный код замены) Запчасть снята с производства - The Spare Part Is Laid Off

под заказ0 руб.
365850-99701-000

Запчасть снята с производства - The Spare Part Is Laid Off (The Spare Part Is Laid Off)

под заказ0 руб.
465854-93000-000

Прокладка - Gasket (To 65854-93001) (Gasket)

под заказ0 руб.
465854-93001-000

   (актуальный код замены) Запчасть снята с производства - The Spare Part Is Laid Off

под заказ0 руб.
465854-93001-000

Прокладка - Gasket (Gasket)

под заказ0 руб.
565853-93000-000

Топливный фильтр Gauge - Strainer, Fuel Gauge (To 65853-93001) (Strainer, Fuel Gauge)

под заказ0 руб.
565853-93001-000

   (актуальный код замены) Запчасть снята с производства - The Spare Part Is Laid Off

под заказ0 руб.
565853-93001-000

Топливный фильтр Gauge - Strainer, Fuel Gauge (Strainer, Fuel Gauge)

под заказ0 руб.
665862-93000-000

Запчасть снята с производства - The Spare Part Is Laid Off (The Spare Part Is Laid Off)

под заказ0 руб.
665862-93060-000

   (актуальный код замены) Запчасть снята с производства - The Spare Part Is Laid Off

под заказ0 руб.
702112-04108-000

Винт - Screw (Screw)

под заказ120 руб.
702112-04107-000

   (актуальный код замены) Винт - Screw

под заказ120 руб.
702112-04107-000

Винт - Screw (Screw)

под заказ120 руб.
865830-93300-000

Запчасть снята с производства - The Spare Part Is Laid Off (From 85153-97000, to 65830-93301) (The Spare Part Is Laid Off)

под заказ0 руб.
865830-93301-000

   (актуальный код замены) Запчасть снята с производства - The Spare Part Is Laid Off

под заказ0 руб.
908322-21058-000

Шайба - Washer (Washer)

под заказ140 руб.
908322-01057-000

   (актуальный код замены) Шайба - Washer

под заказ140 руб.
908322-01057-000

Шайба - Washer (Washer, front hook holder ) (Washer)

под заказ140 руб.
1008321-21058-000

Шайба с блокировкой - Washer, Lock (Washer, Lock)

под заказ140 руб.
1008321-0105A-000

   (актуальный код замены) Шайба с блокировкой - Washer, Lock

под заказ140 руб.
1008321-0105A-000

Шайба с блокировкой - Washer, Lock (Washer, Lock)

под заказ140 руб.
1102112-05088-000

Винт - Screw (Screw)

под заказ120 руб.
1102112-05087-000

   (актуальный код замены) Винт - Screw

под заказ120 руб.
1102112-05087-000

Винт - Screw (Screw)

под заказ120 руб.
1265864-93000-000

Запчасть снята с производства - The Spare Part Is Laid Off (The Spare Part Is Laid Off)

под заказ0 руб.
1308322-21068-000

Шайба - Washer (Washer)

под заказ140 руб.
1308322-01067-000

   (актуальный код замены) Шайба - Washer

10 шт160 руб.
1308322-01067-000

Шайба - Washer (Washer)

10 шт160 руб.
1401107-06168-000

Болт - Bolt (Bolt)

под заказ150 руб.
1401500-06167-000

   (актуальный код замены) Болт - Bolt

под заказ150 руб.
1401500-06167-000

Болт - Bolt (Bolt, fuel cooler ) (Bolt)

под заказ150 руб.
1501107-06408-000

Болт - Bolt (Bolt)

под заказ190 руб.
1501500-0640B-000

   (актуальный код замены) Болт - Bolt

под заказ190 руб.
1501500-0640B-000

Болт - Bolt (Bolt)

под заказ190 руб.
1665510-96000-000

Запчасть снята с производства - The Spare Part Is Laid Off (The Spare Part Is Laid Off)

под заказ0 руб.
1744248-12000-000

Запчасть снята с производства - The Spare Part Is Laid Off (Gasket, tank cap;) (The Spare Part Is Laid Off)

под заказ0 руб.
1865312-99701-000

Маркировка, Ornament - Mark, Ornament (To 61441-98500) (Mark, Ornament)

под заказ0 руб.
1861441-98500-000

   (актуальный код замены) Запчасть снята с производства - The Spare Part Is Laid Off

под заказ0 руб.
1861441-98500-000

Маркировка, Ornament - Mark, Ornament (Mark, Ornament)

под заказ0 руб.
1965700-99703-000

(To 65700-99705)

под заказ0 руб.
1965750-99700-000

Разъём топливного шланга - Socket, Fuel Hose (Socket, fuel hose ) (Socket, Fuel Hose)

под заказ0 руб.
1965781-98500-000

Зажим топливного шланга - Clip, Fuel Hose (Clip, Fuel Hose)

9 шт350 руб.
2065750-99700-000

Разъём топливного шланга - Socket, Fuel Hose (Socket, fuel hose # Socket, fuel hose; ) (Socket, Fuel Hose)

под заказ0 руб.
2165770-99700-000

Запчасть снята с производства - The Spare Part Is Laid Off (To 65770-99701) (The Spare Part Is Laid Off)

под заказ0 руб.
2165770-99704-000

   (актуальный код замены) Запчасть снята с производства - The Spare Part Is Laid Off

под заказ0 руб.
2209401-13402-000

Зажим топливного шланга - Clip, Fuel Hose (Clip, Fuel Hose)

под заказ290 руб.
2265781-98500-000

   (актуальный код замены) Зажим топливного шланга - Clip, Fuel Hose

9 шт350 руб.
2265781-98500-000

Зажим топливного шланга - Clip, Fuel Hose (Clip, Fuel Hose)

9 шт350 руб.


Время выполнения запроса 3.4535419940948 сек.

 
 

данный сайт носит информационный характер и не является публичной офертой

склад запчастей для водомоторной техники