Подобрать оригинальные запчасти на лодочный мотор Suzuki модель 1982 года - Cylinder
вконтакте

Контактный телефон: +7 (981) 121-46-93, +7 (800) 200-90-76 , Email: parts-katalog@yandex.ru, где купить

 
 

  Логин:

Пароль:

Регистрация

www.partskatalog.ru Все каталоги Запчасти Mercury Запчасти Suzuki Запчасти Tohatsu Запчасти Honda Контакты



УВАЖАЕМЫЕ КЛИЕНТЫ!
C 19 ДЕКАБРЯ 2025 ПО 02 МАРТА 2026 ГОДА ОТДЕЛ ЗАПЧАСТЕЙ И СЕРВИС РАБОТАТЬ НЕ БУДУТ
ПРОДАЖА ЛОДОЧНЫХ МОТОРОВ В ШТАТНОМ РЕЖИМЕ
ОБ ИЗМЕНЕНИЯХ В ГРАФИКЕ РАБОТЫ ЧИТАЙТЕ НА САЙТА



назад Раздел:   вперёд

Вернуться к выбору узлов мотора


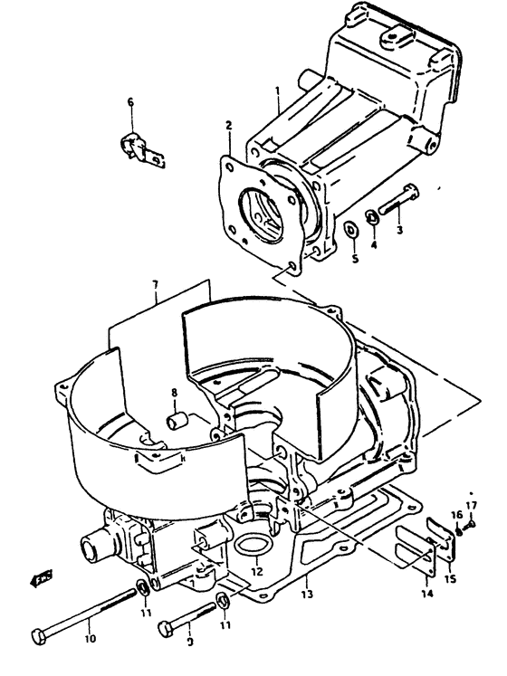
ДЕТАЛИРОВКА ДЛЯ МОДЕЛИ: SUZUKI DT2VZ(G/J/VZ) Z

Цилиндр


Год выпуска двигателя: 1982

Регион: General Export No.1

Цвет: Andres Blue MetallicFrancois White №2

Номер на
рисунке
АртикулНаименованиеQTYКол-во
на складе
Цена
111111-98401-01J

Головка цилиндра (gray) - Head, Cylinder (gray) (Model g) (Head, Cylinder (gray))

под заказ0 руб.
111111-98421-0ED

   (актуальный код замены) Запчасть снята с производства - The Spare Part Is Laid Off

под заказ0 руб.
111111-98421-0ED

Головка цилиндра (gray) - Head, Cylinder (gray) (Cylinder head ) (Head, Cylinder (gray))

под заказ0 руб.
111111-98402-01J

Головка цилиндра (gray) - Head, Cylinder (gray) (Model j, vz, from 11111-98401-01j) (Head, Cylinder (gray))

под заказ0 руб.
111111-98421-0ED

   (актуальный код замены) Запчасть снята с производства - The Spare Part Is Laid Off

под заказ0 руб.
111111-98421-0ED

Головка цилиндра (gray) - Head, Cylinder (gray) (Cylinder head ) (Head, Cylinder (gray))

под заказ0 руб.
211141-98400-000

Прокладка головки блока цилиндра - Gasket, Cylinder Head (Model g, j) (Gasket, Cylinder Head)

под заказ2010 руб.
211141-98411-000

   (актуальный код замены) Прокладка головки блока цилиндра - Gasket, Cylinder Head

4 шт2010 руб.
211141-98411-000

Прокладка головки блока цилиндра - Gasket, Cylinder Head (Gasket, Cylinder Head)

4 шт2010 руб.
2SK11141-98411

   (не оригинальный аналог) Прокладка головки блока цилиндров Skipper для Suzuki Модели техники: 2-2.2

2 шт339 руб.
211141-98401-000

Прокладка головки блока цилиндра - Gasket, Cylinder Head (Model vz, from 11141-98400) (Gasket, Cylinder Head)

под заказ2010 руб.
211141-98411-000

   (актуальный код замены) Прокладка головки блока цилиндра - Gasket, Cylinder Head

4 шт2010 руб.
211141-98411-000

Прокладка головки блока цилиндра - Gasket, Cylinder Head (Gasket, Cylinder Head)

4 шт2010 руб.
2SK11141-98411

   (не оригинальный аналог) Прокладка головки блока цилиндров Skipper для Suzuki Модели техники: 2-2.2

2 шт339 руб.
301107-06308-000

Болт - Bolt (Model g, j) (Bolt)

под заказ190 руб.
301500-06307-000

   (актуальный код замены) Болт - Bolt

под заказ190 руб.
301500-06307-000

Болт - Bolt (Bolt)

под заказ190 руб.
301907-06308-000

Болт - Bolt (Model vz, to 01107-06308) (Bolt)

под заказ190 руб.
301500-06307-000

   (актуальный код замены) Болт - Bolt

под заказ190 руб.
301500-06307-000

Болт - Bolt (Bolt)

под заказ190 руб.
408321-21068-000

Шайба с блокировкой - Washer, Lock (Washer, Lock)

под заказ140 руб.
408321-01067-000

   (актуальный код замены) Шайба с блокировкой - Washer, Lock

под заказ140 руб.
408321-01067-000

Шайба с блокировкой - Washer, Lock (Washer, Lock)

под заказ140 руб.
508322-21068-000

Шайба - Washer (Washer)

под заказ140 руб.
508322-01067-000

   (актуальный код замены) Шайба - Washer

10 шт160 руб.
508322-01067-000

Шайба - Washer (Washer)

10 шт160 руб.
609403-10309-000

Струбцина - Clamp (Clamp)

под заказ210 руб.
609403-10312-000

   (актуальный код замены) Струбцина - Clamp

под заказ210 руб.
609403-10312-000

Струбцина - Clamp (Clamp)

под заказ210 руб.
711300-98842-01J

(To 11300-98400-01j, model g)

под заказ0 руб.
708211-32441-000

Шайба - Washer (Washer, thrust ) (Washer)

под заказ240 руб.
711300-98400-01J

(Model g)

под заказ0 руб.
708211-32441-000

Шайба - Washer (Washer, thrust ) (Washer)

под заказ240 руб.
711301-98400-01J

(From 11300-98400-01j, model g)

под заказ0 руб.
708211-32441-000

Шайба - Washer (Washer, thrust ) (Washer)

под заказ240 руб.
711301-98401-01J

(From 11301-98400-01j, model j)

под заказ0 руб.
708211-32441-000

Шайба - Washer (Washer, thrust ) (Washer)

под заказ240 руб.
711301-98402-01J

(Model j)

под заказ0 руб.
708211-32441-000

Шайба - Washer (Washer, thrust ) (Washer)

под заказ240 руб.
711301-98403-01J

(Model vz)

под заказнет сведений
708211-32441-000

Шайба - Washer (Washer, thrust ) (Washer)

под заказ240 руб.
804211-09109-000

Штифт - Pin (Knock pin ) (Pin)

под заказ120 руб.
901107-06358-000

Болт - Bolt (Model g, j) (Bolt)

под заказ190 руб.
901500-06357-000

   (актуальный код замены) Болт - Bolt

под заказ190 руб.
901500-06357-000

Болт - Bolt (Bolt)

под заказ190 руб.
901907-06358-000

Болт - Bolt (Model vz, to 01107-06358) (Bolt)

под заказ190 руб.
901500-06357-000

   (актуальный код замены) Болт - Bolt

под заказ190 руб.
901500-06357-000

Болт - Bolt (Bolt)

под заказ190 руб.
1009100-06062-000

Болт (6x70) - Bolt (6x70) (Bolt (6x70); ) (Bolt (6x70))

под заказ0 руб.
1108321-21068-000

Шайба с блокировкой - Washer, Lock (Washer, Lock)

под заказ140 руб.
1108321-01067-000

   (актуальный код замены) Шайба с блокировкой - Washer, Lock

под заказ140 руб.
1108321-01067-000

Шайба с блокировкой - Washer, Lock (Washer, Lock)

под заказ140 руб.
1209280-20002-000

Уплотнительное кольцо (d: 3.1, Id: 19.4) - O Ring (d:31, Id:194) (O ring (id:19.4, d:3.1) # O ring, cylinder; Id:19.4, d:3.1 ) (O Ring (d:3.1, Id:19.4))

5 шт160 руб.
1352113-98400-000

Прокладка, Корпус вала передачи - Gasket, Drive Shaft (Gasket, Drive Shaft)

под заказ2250 руб.
1352113-98411-000

   (актуальный код замены) Прокладка, Корпус вала передачи - Gasket, Drive Shaft

7 шт2250 руб.
1352113-98411-000

Прокладка, Корпус вала передачи - Gasket, Drive Shaft (Gasket, drive shaft housing ) (Gasket, Drive Shaft)

7 шт2250 руб.
1413153-19012-000

Язычковый клапан - Valve, Reed (Valve, reed # Valve, reed; ) (Valve, Reed)

под заказ970 руб.
1513152-19010-000

Стопор язычкового клапана - Stopper, Reed Valve (Stopper, reed valve ) (Stopper, Reed Valve)

под заказ690 руб.
1608321-21038-000

Шайба с блокировкой - Washer, Lock (Washer, Lock)

под заказ110 руб.
1608321-2103B-000

   (актуальный код замены) Шайба с блокировкой - Washer, Lock

под заказ110 руб.
1608321-2103B-000

Шайба с блокировкой - Washer, Lock (Washer, Lock)

под заказ110 руб.
1702112-03088-000

Винт - Screw (Screw)

под заказ130 руб.
1702112-0308A-000

   (актуальный код замены) Винт - Screw

под заказ130 руб.
1702112-0308A-000

Винт - Screw (Screw)

под заказ130 руб.


Время выполнения запроса 2.5877211093903 сек.

 
 

данный сайт носит информационный характер и не является публичной офертой

склад запчастей для водомоторной техники