Подобрать оригинальные запчасти на подвесной мотор Сузуки - propeller
вконтакте

Контактный телефон: +7 (981) 121-46-93, +7 (800) 200-90-76 , Email: parts-katalog@yandex.ru, где купить

 
 

  Логин:

Пароль:

Регистрация

www.partskatalog.ru Все каталоги Запчасти Mercury Запчасти Suzuki Запчасти Tohatsu Запчасти Honda Контакты



УВАЖАЕМЫЕ КЛИЕНТЫ!
C 19 ДЕКАБРЯ 2025 ПО 02 МАРТА 2026 ГОДА ОТДЕЛ ЗАПЧАСТЕЙ И СЕРВИС РАБОТАТЬ НЕ БУДУТ
ПРОДАЖА ЛОДОЧНЫХ МОТОРОВ В ШТАТНОМ РЕЖИМЕ
ОБ ИЗМЕНЕНИЯХ В ГРАФИКЕ РАБОТЫ ЧИТАЙТЕ НА САЙТА



назад Раздел:   вперёд

Вернуться к выбору узлов мотора


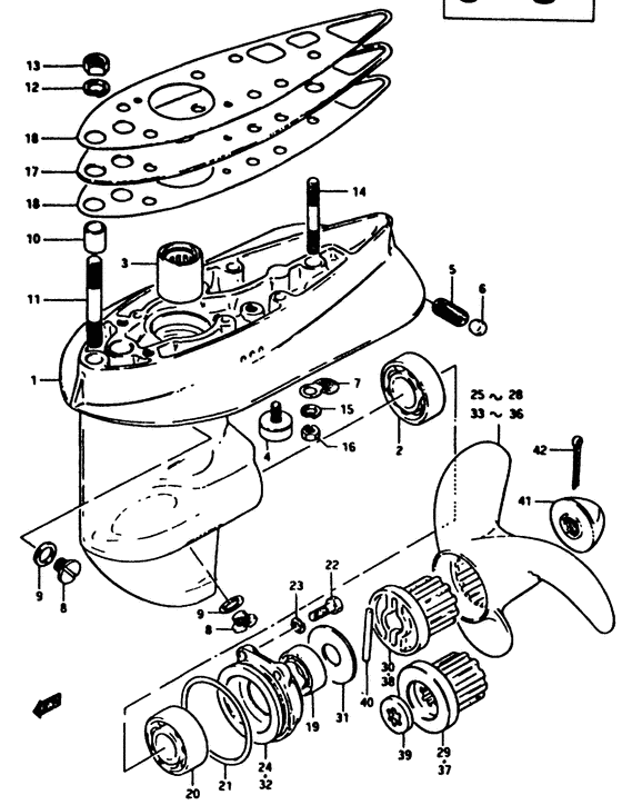
ДЕТАЛИРОВКА ДЛЯ МОДЕЛИ: SUZUKI DT2F F

Картер коробки передач - Гребной винт


Год выпуска двигателя: 1985

Регион: General Export No.1

Цвет: Andres Blue MetallicFrancois White №2

Номер на
рисунке
АртикулНаименованиеQTYКол-во
на складе
Цена
155100-96810-01J

Запчасть снята с производства - The Spare Part Is Laid Off (To 55100-96811-01j) (The Spare Part Is Laid Off)

под заказ0 руб.
155100-96812-01J

   (актуальный код замены) Запчасть снята с производства - The Spare Part Is Laid Off

под заказ0 руб.
155100-96811-01J

Запчасть снята с производства - The Spare Part Is Laid Off (To 55100-96812-01j) (The Spare Part Is Laid Off)

под заказ0 руб.
155100-96812-01J

   (актуальный код замены) Запчасть снята с производства - The Spare Part Is Laid Off

под заказ0 руб.
208113-62050-000

Подшипник (25x52x15) - Bearing (25x52x15) (Bearing (25x52x15))

под заказ2310 руб.
209262-25003-000

   (актуальный код замены) Подшипник (25x52x15) - Bearing (25x52x15)

16 шт2510 руб.
26205NNTN

   (подбор по маркировке) Подшипник NTN 6205N(25*52*15 мм)

под заказ0
209262-25003-000

Подшипник (25x52x15) - Bearing (25x52x15) (Bearing (25x52x15) ) (Bearing (25x52x15))

16 шт2510 руб.
26205NNTN

   (подбор по маркировке) Подшипник NTN 6205N(25*52*15 мм)

под заказ0
309263-20019-000

Запчасть снята с производства - The Spare Part Is Laid Off (20x26x20) (The Spare Part Is Laid Off)

под заказ0 руб.
455321-93140-000

Zink, Цилиндр - Zink, Cylinder (Zink, Cylinder)

под заказ1370 руб.
411130-94600-000

   (актуальный код замены) Zink, Цилиндр - Zink, Cylinder

под заказ1370 руб.
411130-94600-000

Zink, Цилиндр - Zink, Cylinder (Zink, protection ) (Zink, Cylinder)

под заказ1370 руб.
455321-93141-000

Zink, Цилиндр - Zink, Cylinder (From 55321-93140) (Zink, Cylinder)

под заказ1370 руб.
411130-94600-000

   (актуальный код замены) Zink, Цилиндр - Zink, Cylinder

под заказ1370 руб.
411130-94600-000

Zink, Цилиндр - Zink, Cylinder (Zink, protection ) (Zink, Cylinder)

под заказ1370 руб.
517631-99000-000

Запчасть снята с производства - The Spare Part Is Laid Off (The Spare Part Is Laid Off)

под заказ0 руб.
609243-12001-000

Запчасть снята с производства - The Spare Part Is Laid Off (Plug, water filter;) (The Spare Part Is Laid Off)

под заказ0 руб.
717641-99000-000

Запчасть снята с производства - The Spare Part Is Laid Off (The Spare Part Is Laid Off)

под заказ0 руб.
809248-10003-000

Заглушка (10x7.5) - Plug (10x75) (Plug (10x7.5))

под заказ490 руб.
809248-10008-000

   (актуальный код замены) Заглушка (10x7.5) - Plug (10x7.5)

120 шт500 руб.
809248-10008-000

Заглушка (10x7.5) - Plug (10x75) (Plug (10x7.5))

120 шт500 руб.
909168-10004-000

Прокладка (10x17x1.5) - Gasket (10x17x15) (10x17x2, to 09168-10022) (Gasket (10x17x1.5))

под заказ130 руб.
909168-10022-000

   (актуальный код замены) Прокладка (10x17x1.5) - Gasket (10x17x1.5)

2205 шт150 руб.
909168-10022-000

Прокладка (10x17x1.5) - Gasket (10x17x15) (Gasket (10x17x1.5))

2205 шт150 руб.
1009205-11001-000

Штифт (8.4x11x14) - Pin (84x11x14) (Pin (8.4x11x14))

под заказ410 руб.
1009206-11004-000

   (актуальный код замены) Штифт (8.4x11x14) - Pin (8.4x11x14)

под заказ410 руб.
1009206-11004-000

Штифт (8.4x11x14) - Pin (84x11x14) (Pin, gear case no.2 ) (Pin (8.4x11x14))

под заказ410 руб.
1109108-08029-000

Болт под шпильку - Bolt, Stud (8x40) (Bolt, Stud)

под заказ0 руб.
1109108-08154-000

   (актуальный код замены) Запчасть снята с производства - The Spare Part Is Laid Off

под заказ0 руб.
1109108-08154-000

Болт под шпильку - Bolt, Stud (Stud bolt (8x56) ) (Bolt, Stud)

под заказ0 руб.
1209162-08003-000

Шайба с блокировкой - Washer, Lock (Washer, Lock)

под заказ160 руб.
1209162-08007-000

   (актуальный код замены) Шайба с блокировкой - Washer, Lock

под заказ160 руб.
1209162-08007-000

Шайба с блокировкой - Washer, Lock (Lock washer ) (Washer, Lock)

под заказ160 руб.
1309140-08003-000

Гайка - Nut (Nut)

под заказ190 руб.
1309140-08016-000

   (актуальный код замены) Гайка - Nut

под заказ190 руб.
1309140-08023-XC0

Гайка - Nut (Nut)

14 шт190 руб.
1409108-06014-000

Запчасть снята с производства - The Spare Part Is Laid Off (Stud bolt, gear case (2); 6x40) (The Spare Part Is Laid Off)

под заказ0 руб.
1509162-06001-000

Шайба с блокировкой - Washer, Lock (Washer, Lock)

под заказ160 руб.
1509162-06006-000

   (актуальный код замены) Шайба с блокировкой - Washer, Lock

под заказ160 руб.
1509162-06006-000

Шайба с блокировкой - Washer, Lock (Lock washer ) (Washer, Lock)

под заказ160 руб.
1609140-06004-000

Гайка - Nut (Nut)

под заказ150 руб.
1609140-06020-000

   (актуальный код замены) Гайка - Nut

9 шт150 руб.
1609140-06020-000

Гайка - Nut (Nut)

9 шт150 руб.
1717471-96100-000

Запчасть снята с производства - The Spare Part Is Laid Off (The Spare Part Is Laid Off)

под заказ0 руб.
1855311-96100-000

Прокладка, Картер коробки передач №1 - Gasket, Gear Case No1 (Gasket, gear case ) (Gasket, Gear Case No.1)

под заказ890 руб.
1909289-17002-000

Сальник (17x30x9) - Seal, Oil (17x30x9) (17x30x9) (Seal, Oil (17x30x9))

под заказ960 руб.
1909289-17004-000

   (актуальный код замены) Сальник (17x30x9) - Seal, Oil (17x30x9)

92 шт1050 руб.
19SC-OL021

   (не оригинальный аналог) Сальник редуктора Tohatsu SC-OL021

1 шт250 руб.
1909289-17004-000

Сальник (17x30x9) - Seal, Oil (17x30x9) (Oil seal, bearing housing ) (Seal, Oil (17x30x9))

92 шт1050 руб.
19SK09289-17004

   (не оригинальный аналог) Сальник ведущего вала Skipper для Suzuki Модели техники: DT25-30

0 шт130 руб.
2008113-63030-000

Подшипник - Bearing (Bearing # Bearing, propeller shaft; ) (Bearing)

под заказ1800 руб.
2109280-60002-000

Уплотнительное кольцо (d: 3.1, Id: 59.4) - O Ring (d:31, Id:594) (O ring (d:3.1 id:59.4) # O ring, bearing housing; Id:59.4, d:3.1 ) (O Ring (d:3.1, Id:59.4))

под заказ300 руб.
2209100-06020-000

Болт (6x20) - Bolt (6x20) (6x20) (Bolt (6x20))

под заказ0 руб.
2209100-06122-000

   (актуальный код замены) Запчасть снята с производства - The Spare Part Is Laid Off

под заказ0 руб.
2209100-06122-000

Болт (6x20) - Bolt (6x20) (Bolt (6x20))

под заказ0 руб.
2309162-06001-000

Шайба с блокировкой - Washer, Lock (Washer, Lock)

под заказ160 руб.
2309162-06006-000

   (актуальный код замены) Шайба с блокировкой - Washer, Lock

под заказ160 руб.
2309162-06006-000

Шайба с блокировкой - Washer, Lock (Lock washer ) (Washer, Lock)

под заказ160 руб.
2456111-93100-01J

Запчасть снята с производства - The Spare Part Is Laid Off (The Spare Part Is Laid Off)

под заказ0 руб.
2456111-93100-0ED

   (актуальный код замены) Запчасть снята с производства - The Spare Part Is Laid Off

под заказ0 руб.
2558111-93100-01T

Запчасть снята с производства - The Spare Part Is Laid Off (3x225x205, to 58111-93101-01t) (The Spare Part Is Laid Off)

под заказ0 руб.
2558111-93101-019

   (актуальный код замены) Запчасть снята с производства - The Spare Part Is Laid Off

под заказ0 руб.
2558111-93101-01T

Запчасть снята с производства - The Spare Part Is Laid Off (3x225x205, to 58111-93101-01t) (The Spare Part Is Laid Off)

под заказ0 руб.
2558111-93101-019

   (актуальный код замены) Запчасть снята с производства - The Spare Part Is Laid Off

под заказ0 руб.
2658111-96101-01T

Запчасть снята с производства - The Spare Part Is Laid Off (3x210x180, to 58111-96102-01t) (The Spare Part Is Laid Off)

под заказ0 руб.
2658111-96102-01T

   (актуальный код замены) Запчасть снята с производства - The Spare Part Is Laid Off

под заказ0 руб.
2658111-96102-01T

Запчасть снята с производства - The Spare Part Is Laid Off (3x210x180, to 58111-96102-01t) (The Spare Part Is Laid Off)

под заказ0 руб.
2758111-96730-01T

Запчасть снята с производства - The Spare Part Is Laid Off (3x215x180, to 58111-96731-01t) (The Spare Part Is Laid Off)

под заказ0 руб.
2758111-96731-019

   (актуальный код замены) Запчасть снята с производства - The Spare Part Is Laid Off

под заказ0 руб.
2758111-96731-01T

Запчасть снята с производства - The Spare Part Is Laid Off (3x215x180, to 58111-96731-01t) (The Spare Part Is Laid Off)

под заказ0 руб.
2758111-96731-019

   (актуальный код замены) Запчасть снята с производства - The Spare Part Is Laid Off

под заказ0 руб.
2858111-93750-01T

Запчасть снята с производства - The Spare Part Is Laid Off (3x225x230, to 58111-93751-01t) (The Spare Part Is Laid Off)

под заказ0 руб.
2858111-93751-019

   (актуальный код замены) Запчасть снята с производства - The Spare Part Is Laid Off

под заказ0 руб.
2858111-93751-01T

Запчасть снята с производства - The Spare Part Is Laid Off (3x225x230, to 58111-93751-01t) (The Spare Part Is Laid Off)

под заказ0 руб.
2858111-93751-019

   (актуальный код замены) Запчасть снята с производства - The Spare Part Is Laid Off

под заказ0 руб.
3109161-16006-000

Запчасть снята с производства - The Spare Part Is Laid Off (Washer, shear pin e13;) (The Spare Part Is Laid Off)

под заказ0 руб.
3157614-96100-000

Запчасть снята с производства - The Spare Part Is Laid Off (The Spare Part Is Laid Off)

под заказ0 руб.
3256111-93101-01J

Запчасть снята с производства - The Spare Part Is Laid Off (To 56111-93102-01j) (The Spare Part Is Laid Off)

под заказ0 руб.
3256110-93103-0ED

   (актуальный код замены) Запчасть снята с производства - The Spare Part Is Laid Off

под заказ0 руб.
3256111-93102-01J

Запчасть снята с производства - The Spare Part Is Laid Off (The Spare Part Is Laid Off)

под заказ0 руб.
3256110-93103-0ED

   (актуальный код замены) Запчасть снята с производства - The Spare Part Is Laid Off

под заказ0 руб.
3458111-96110-01T

Запчасть снята с производства - The Spare Part Is Laid Off (3x210x180) (The Spare Part Is Laid Off)

под заказ0 руб.
3558111-96120-01T

Запчасть снята с производства - The Spare Part Is Laid Off (3x215x180 (dt7.5 std)) (The Spare Part Is Laid Off)

под заказ0 руб.
3558111-96120-019

   (актуальный код замены) Запчасть снята с производства - The Spare Part Is Laid Off

под заказ0 руб.
3658111-96140-01T

Запчасть снята с производства - The Spare Part Is Laid Off (3x225x230) (The Spare Part Is Laid Off)

под заказ0 руб.
3658111-96140-019

   (актуальный код замены) Запчасть снята с производства - The Spare Part Is Laid Off

под заказ0 руб.
3658111-96140-019

Запчасть снята с производства - The Spare Part Is Laid Off (The Spare Part Is Laid Off)

под заказ0 руб.
3957613-93000-000

Стопор втулки гребного винта - Stopper, Propeller Bush (Stopper, propeller bushing # Stopper, propeller; ) (Stopper, Propeller Bush)

под заказ1410 руб.
4009202-06017-000

Запчасть снята с производства - The Spare Part Is Laid Off (E13) (The Spare Part Is Laid Off)

под заказ0 руб.
4009202-06013-000

Штифт - Pin (Dt9c-e37, to 09209-06035) (Pin)

под заказ0 руб.
4009209-06035-000

   (актуальный код замены) Запчасть снята с производства - The Spare Part Is Laid Off

под заказ0 руб.
4009209-06035-000

Штифт - Pin (Pin, reverse lock arm (6x35) ) (Pin)

под заказ0 руб.
4158131-93000-000

Гайка гребного винта - Nut, Propeller (To 58130-93100) (Nut, Propeller)

под заказ0 руб.
4158130-93101-000

   (актуальный код замены) Запчасть снята с производства - The Spare Part Is Laid Off

1 шт0 руб.
4158130-93101-000

Гайка гребного винта - Nut, Propeller (Nut, Propeller)

1 шт0 руб.
4209204-03001-000

Штифт - Pin (Pin)

под заказ190 руб.
4209204-03003-000

   (актуальный код замены) Штифт - Pin

374 шт220 руб.
4209204-03003-000

Штифт - Pin (Pin)

374 шт220 руб.


Время выполнения запроса 5.9399938583374 сек.

 
 

данный сайт носит информационный характер и не является публичной офертой

склад запчастей для водомоторной техники