Купить оригинальные запчасти на лодочный мотор Suzuki модель 1986 года - Clamp bracket / swivel bracket 2
вконтакте

Контактный телефон: +7 (981) 121-46-93, +7 (800) 200-90-76 , Email: parts-katalog@yandex.ru, где купить

 
 

  Логин:

Пароль:

Регистрация

www.partskatalog.ru Все каталоги Запчасти Mercury Запчасти Suzuki Запчасти Tohatsu Запчасти Honda Контакты



УВАЖАЕМЫЕ КЛИЕНТЫ!
C 19 ДЕКАБРЯ 2025 ПО 02 МАРТА 2026 ГОДА ОТДЕЛ ЗАПЧАСТЕЙ И СЕРВИС РАБОТАТЬ НЕ БУДУТ
ПРОДАЖА ЛОДОЧНЫХ МОТОРОВ В ШТАТНОМ РЕЖИМЕ
ОБ ИЗМЕНЕНИЯХ В ГРАФИКЕ РАБОТЫ ЧИТАЙТЕ НА САЙТА



назад Раздел:   вперёд

Вернуться к выбору узлов мотора


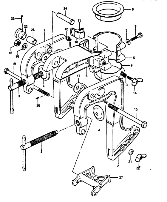
ДЕТАЛИРОВКА ДЛЯ МОДЕЛИ: SUZUKI DT2G(G/J/VZ) G

Кронштейн транца / Поворотный кронштейн 2


Год выпуска двигателя: 1986

Регион: General Export No.1

Цвет: Andres Blue MetallicFrancois White №2

Номер на
рисунке
АртикулНаименованиеQTYКол-во
на складе
Цена
141110-98401-01J

Кронштейн в сборе, Струбцина Stbd (gray) - Bracket Assy, Clamp Stbd (gray) (Bracket Assy, Clamp Stbd (gray))

под заказ0 руб.
141101-98400-0ED

   (актуальный код замены) Запчасть снята с производства - The Spare Part Is Laid Off

под заказ0 руб.
141101-98400-0ED

Кронштейн в сборе, Струбцина Stbd (gray) - Bracket Assy, Clamp Stbd (gray) (Bracket Assy, Clamp Stbd (gray))

под заказ0 руб.
241120-98400-01J

Запчасть снята с производства - The Spare Part Is Laid Off (The Spare Part Is Laid Off)

под заказ0 руб.
241102-98400-0ED

   (актуальный код замены) Запчасть снята с производства - The Spare Part Is Laid Off

под заказ0 руб.
241102-98400-0ED

Запчасть снята с производства - The Spare Part Is Laid Off (The Spare Part Is Laid Off)

под заказ0 руб.
341210-98401-000

Винт струбцины, в сборе - Screw Assy, Clamp (Screw Assy, Clamp)

под заказ2100 руб.
341210-986L1-000

   (актуальный код замены) Винт струбцины, в сборе - Screw Assy, Clamp

под заказ2100 руб.
341210-986L1-000

Винт струбцины, в сборе - Screw Assy, Clamp (Screw Assy, Clamp)

под заказ2100 руб.
441213-98100-000

Пластина струбцины - Plate, Clamp (Plate, clamp # Plate, clamp; ) (Plate, Clamp)

под заказ390 руб.
441213-94J01-000

   (актуальный код замены) Пластина струбцины - Plate, Clamp

под заказ420 руб.
543121-98404-01J

Крышка поворотного кронштейна (gray) - Cover, Swivel Bracket (gray) (Cover, Swivel Bracket (gray))

под заказ0 руб.
543121-98404-0ED

   (актуальный код замены) Запчасть снята с производства - The Spare Part Is Laid Off

под заказ0 руб.
543121-98404-0ED

Крышка поворотного кронштейна (gray) - Cover, Swivel Bracket (gray) (Cover, swivel bracket ) (Cover, Swivel Bracket (gray))

под заказ0 руб.
643111-98406-01J

Поворотный кронштейн (gray) - Bracket, Swivel (gray) (Bracket, Swivel (gray))

под заказ7680 руб.
643111-98410-0ED

   (актуальный код замены) Поворотный кронштейн (gray) - Bracket, Swivel (gray)

под заказ7680 руб.
643111-98410-0ED

Поворотный кронштейн (gray) - Bracket, Swivel (gray) (Bracket, Swivel (gray))

под заказ7680 руб.
709160-06015-000

Шайба (6.5x13x1.0) - Washer (65x13x10) (6.5x13x1) (Washer (6.5x13x1.0))

под заказ120 руб.
709160-06082-000

   (актуальный код замены) Шайба (6.5x13x1.0) - Washer (6.5x13x1.0)

7 шт150 руб.
709160-06082-000

Шайба (6.5x13x1.0) - Washer (65x13x10) (Washer (6.5x13x1.0))

7 шт150 руб.
809100-06022-000

Болт (6x35) - Bolt (6x35) (6x35) (Bolt (6x35))

под заказ0 руб.
809117-06037-XC0

   (актуальный код замены) Запчасть снята с производства - The Spare Part Is Laid Off

под заказ0 руб.
809117-06037-XC0

Болт (6x35) - Bolt (6x35) (Bolt (6x35))

под заказ0 руб.
943711-98401-000

Втулка рулевой системы - Bush, Steering (Bushing, steering # Bushing, steering; ) (Bush, Steering)

4 шт710 руб.
1043415-98401-000

Пластина рулевого управления Регулятор - Plate, Steering Adjuster (Plate, Steering Adjuster)

под заказ180 руб.
1043415-98402-000

   (актуальный код замены) Пластина рулевого управления Регулятор - Plate, Steering Adjuster

под заказ180 руб.
1043415-98402-000

Пластина рулевого управления Регулятор - Plate, Steering Adjuster (Plate, Steering Adjuster)

под заказ180 руб.
1143416-98401-000

Резинка регулировки рулевого управления - Rubber, Steering Adjuster (Rubber, Steering Adjuster)

под заказ310 руб.
1222511-99000-000

Ниппель смазки - Nipple, Grease (Nipple, Grease)

под заказ340 руб.
1222511-99011-000

   (актуальный код замены) Ниппель смазки - Nipple, Grease

9 шт400 руб.
1222511-99011-000

Ниппель смазки - Nipple, Grease (Nipple, Grease)

9 шт400 руб.
1309440-09012-000

Пружина - Spring (L:15) (Spring)

под заказ150 руб.
1309440-09042-000

   (актуальный код замены) Пружина - Spring

10 шт190 руб.
1309440-09042-000

Пружина - Spring (Spring, steering adjuster ) (Spring)

10 шт190 руб.
1409119-06038-000

Болт, Рулевая система Adjudter - Bolt, Steering Adjudter (Bolt, Steering Adjudter)

под заказ640 руб.
1409119-06130-000

   (актуальный код замены) Болт, Рулевая система Adjudter - Bolt, Steering Adjudter

10 шт640 руб.
1409119-06130-000

Болт, Рулевая система Adjudter - Bolt, Steering Adjudter (Bolt, Steering Adjudter)

10 шт640 руб.
1409119-06130-000

Болт, Рулевая система Adjudter - Bolt, Steering Adjudter (Bolt, Steering Adjudter)

10 шт640 руб.
1509100-08187-000

Болт (8x105) - Bolt (8x105) (8x105) (Bolt (8x105))

под заказ570 руб.
1509100-08228-000

   (актуальный код замены) Болт (8x105) - Bolt (8x105)

под заказ570 руб.
1509100-08228-000

Болт (8x105) - Bolt (8x105) (Bolt (8x105))

под заказ570 руб.
1609160-08015-000

Шайба (8.5x16x1.2) - Washer (85x16x12) (8.5x16x1.2) (Washer (8.5x16x1.2))

под заказ120 руб.
1609160-08082-000

   (актуальный код замены) Шайба (8.5x16x1.2) - Washer (8.5x16x1.2)

13 шт120 руб.
1609160-08082-000

Шайба (8.5x16x1.2) - Washer (85x16x12) (Washer (8.5x16x1.2))

13 шт120 руб.
1709160-08014-000

Шайба (8.5x23x1.5) - Washer (85x23x15) (Washer, tilt friction; 8.5x23x1.5) (Washer (8.5x23x1.5))

под заказ210 руб.
1709160-08081-000

   (актуальный код замены) Шайба (8.5x23x1.5) - Washer (8.5x23x1.5)

4 шт210 руб.
1709160-08081-000

Шайба (8.5x23x1.5) - Washer (85x23x15) (Washer, clutch lever ) (Washer (8.5x23x1.5))

4 шт210 руб.
1809159-08018-000

Гайка - Nut (Nut, swivel shaft # Nut, swivel shaft; ) (Nut)

10 шт210 руб.
1909101-06006-000

Болт (6x115) - Bolt (6x115) (6x115) (Bolt (6x115))

под заказ560 руб.
1909101-06009-000

   (актуальный код замены) Болт (6x115) - Bolt (6x115)

под заказ560 руб.
1909101-06009-000

Болт (6x115) - Bolt (6x115) (Bolt, tilt lock ) (Bolt (6x115))

под заказ560 руб.
2009205-03010-000

Стопор пружины (3x8) - Pin, Spring (3x8) (Pin, tilt lock; 3x6) (Pin, Spring (3x8))

под заказ130 руб.
2009205-03032-000

   (актуальный код замены) Стопор пружины (3x8) - Pin, Spring (3x8)

под заказ130 руб.
2009205-03032-000

Стопор пружины (3x8) - Pin, Spring (3x8) (Pin (3x8) ) (Pin, Spring (3x8))

под заказ130 руб.
2109180-06096-000

Проставка (6.5x13.5x7.5) - Spacer (65x135x75) (6.5x13.5x7.5) (Spacer (6.5x13.5x7.5))

под заказ450 руб.
2109180-06132-000

   (актуальный код замены) Проставка (6.5x13.5x7.5) - Spacer (6.5x13.5x7.5)

под заказ450 руб.
2109180-06132-000

Проставка (6.5x13.5x7.5) - Spacer (65x135x75) (Spacer (6.5x13.5x7.5) ) (Spacer (6.5x13.5x7.5))

под заказ450 руб.
2209144-06004-000

Гайка - Nut (Nut, tilt lock wing # Wing nut, tilt lock; ) (Nut)

под заказ0 руб.
2341221-98400-000

Ручка, Стопор наклона - Knob, Tilt Stopper (Knob, arm lock pin # Knob, tilt stopper; ) (Knob, Tilt Stopper)

под заказ600 руб.
2409200-10009-000

Запчасть снята с производства - The Spare Part Is Laid Off (The Spare Part Is Laid Off)

под заказ0 руб.
2409200-10011-000

   (актуальный код замены) Запчасть снята с производства - The Spare Part Is Laid Off

под заказ0 руб.
2409200-10011-000

Запчасть снята с производства - The Spare Part Is Laid Off (The Spare Part Is Laid Off)

под заказ0 руб.
2509205-03012-000

Стопор пружины (3x16) - Pin, Spring (3x16) (Pin, gear ) (Pin, Spring (3x16))

12 шт190 руб.
2609300-10006-000

Втулка (10x13x17) - Bush (10x13x17) (Bushing # Bushing; ) (Bush (10x13x17))

под заказ0 руб.
2745411-98402-000

Упорный блок - Block, Thrust (Block, Thrust)

под заказ3000 руб.
2745411-98410-000

   (актуальный код замены) Упорный блок - Block, Thrust

под заказ3000 руб.
2745411-98410-000

Упорный блок - Block, Thrust (Block, Thrust)

под заказ3000 руб.


Время выполнения запроса 2.397537946701 сек.

 
 

данный сайт носит информационный характер и не является публичной офертой

склад запчастей для водомоторной техники