Запчасти на подвесной двигатель Suzuki - Water pump
вконтакте

Контактный телефон: +7 (981) 121-46-93, +7 (800) 200-90-76 , Email: parts-katalog@yandex.ru, где купить

 
 

  Логин:

Пароль:

Регистрация

www.partskatalog.ru Все каталоги Запчасти Mercury Запчасти Suzuki Запчасти Tohatsu Запчасти Honda Контакты



УВАЖАЕМЫЕ КЛИЕНТЫ!
C 19 ДЕКАБРЯ 2025 ПО 02 МАРТА 2026 ГОДА ОТДЕЛ ЗАПЧАСТЕЙ И СЕРВИС РАБОТАТЬ НЕ БУДУТ
ПРОДАЖА ЛОДОЧНЫХ МОТОРОВ В ШТАТНОМ РЕЖИМЕ
ОБ ИЗМЕНЕНИЯХ В ГРАФИКЕ РАБОТЫ ЧИТАЙТЕ НА САЙТА



назад Раздел:   вперёд

Вернуться к выбору узлов мотора


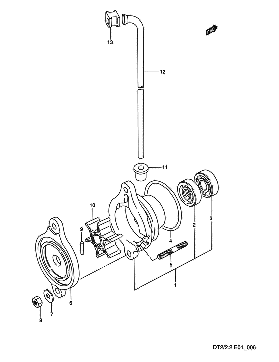
ДЕТАЛИРОВКА ДЛЯ МОДЕЛИ: SUZUKI DT2 VG

Водяной насос


Год выпуска двигателя: 1986

Цвет: Andres Blue MetallicFrancois White №2

Номер на
рисунке
АртикулНаименованиеQTYКол-во
на складе
Цена
117410-98403-0ED

Корпус водяного насоса - Case, Water Pump (<-7410-98402-02M <-7410-98403-01T <-7410-98402-0ED ) (Case, Water Pump)

под заказ0 руб.
209289-10005-000

Сальник (10x26x9) - Seal, Oil (10x26x9) (Oil seal (10x26x8) ) (Seal, Oil (10x26x9))

31 шт830 руб.
309262-10015-000

Подшипник (10x26x8) - Bearing (10x26x8) (Bearing # <-8113-60000 ) (Bearing (10x26x8))

под заказ1340 руб.
409280-48002-000

Уплотнительное кольцо (d: 2.6, Id: 47.4) - O Ring (d:26, Id:474) (O Ring (d:2.6, Id:47.4))

4 шт270 руб.
509108-06063-000

Болт под шпильку - Bolt, Stud (Stud bolt (6x20) ) (Bolt, Stud)

под заказ380 руб.
617471-98400-0ED

Крышка помпы Case - Cover, Pump Case (<-7471-98400-02M <-7471-98400-01T ) (Cover, Pump Case)

3 шт0 руб.
709160-06082-000

Шайба (6.5x13x1.0) - Washer (65x13x10) (Washer (6.5x13x1.0))

7 шт150 руб.
809140-06020-000

Гайка - Nut (Nut)

9 шт150 руб.
909202-02006-000

Штифт (2.9x14) - Pin (29x14) (Pin, pump case impeller ) (Pin (2.9x14))

13 шт190 руб.
1017461-98502-000

Крыльчатка водяного насоса - Impeller, Water Pump (<-7461-98501) (Impeller, Water Pump)

под заказ2030 руб.
1017461-985M0-000

   (актуальный код замены) Крыльчатка водяного насоса - Impeller, Water Pump

30 шт2220 руб.
10SC-WT093

   (не оригинальный аналог) Крыльчатка помпы охлаждения двигателя Suzuki SC-WT093

под заказ950 руб.
1017461-985M0-000

Крыльчатка водяного насоса - Impeller, Water Pump (Impeller, Water Pump)

30 шт2220 руб.
1109320-06022-000

Втулка - Bush (<-9305-06007 ) (Bush)

13 шт200 руб.
1109320-06028-000

   (актуальный код замены) Втулка - Bush

7 шт200 руб.
1217561-98402-000

Водяная трубка - Tube, Water (<-7561-98401 ) (Tube, Water)

1 шт1960 руб.
1309309-06005-000

Пыльник - Grommet (Grommet)

2 шт280 руб.


Время выполнения запроса 1.02858710289 сек.

 
 

данный сайт носит информационный характер и не является публичной офертой

склад запчастей для водомоторной техники