Комплектующие на мотор Suzuki - Цилиндр / Cylinder
вконтакте

Контактный телефон: +7 (981) 121-46-93, +7 (800) 200-90-76 , Email: parts-katalog@yandex.ru, где купить

 
 

  Логин:

Пароль:

Регистрация

www.partskatalog.ru Все каталоги Запчасти Mercury Запчасти Suzuki Запчасти Tohatsu Запчасти Honda Контакты



УВАЖАЕМЫЕ КЛИЕНТЫ!
C 19 ДЕКАБРЯ 2025 ПО 02 МАРТА 2026 ГОДА ОТДЕЛ ЗАПЧАСТЕЙ И СЕРВИС РАБОТАТЬ НЕ БУДУТ
ПРОДАЖА ЛОДОЧНЫХ МОТОРОВ В ШТАТНОМ РЕЖИМЕ
ОБ ИЗМЕНЕНИЯХ В ГРАФИКЕ РАБОТЫ ЧИТАЙТЕ НА САЙТА



назад Раздел:   вперёд

Вернуться к выбору узлов мотора


ДЕТАЛИРОВКА ДЛЯ МОДЕЛИ: SUZUKI DT2 L

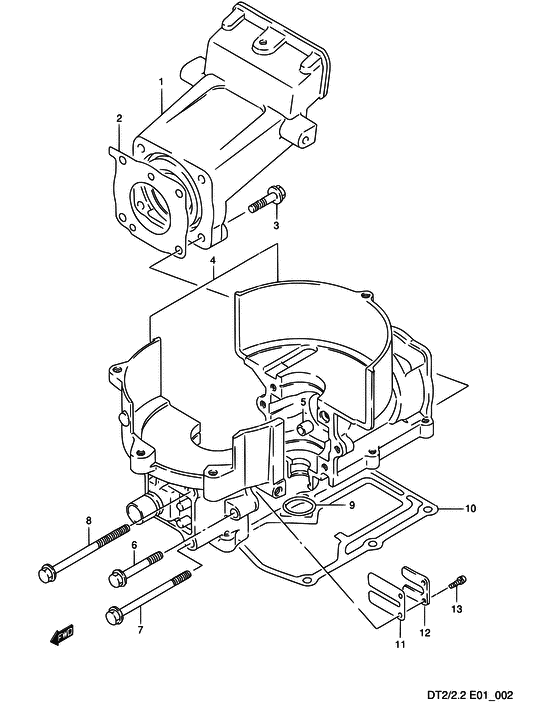
Цилиндр


Год выпуска двигателя: 1990

Цвет: Серый (California Gray Metallic)

Номер на
рисунке
АртикулНаименованиеQTYКол-во
на складе
Цена
111111-98421-0ED

Головка цилиндра (gray) - Head, Cylinder (gray) (Cylinder head # <-1111-98410-0ED <-1111-98420-01T ) (Head, Cylinder (gray))

под заказ0 руб.
211141-94D20-000

Прокладка головки блока цилиндра - Gasket, Cylinder Head (DT2.2 <-1141-94D01 ) (Gasket, Cylinder Head)

7 шт2000 руб.
211141-98411-000

Прокладка головки блока цилиндра - Gasket, Cylinder Head (DT2 <-1141-98410 ) (Gasket, Cylinder Head)

4 шт2010 руб.
2SK11141-98411

   (не оригинальный аналог) Прокладка головки блока цилиндров Skipper для Suzuki Модели техники: 2-2.2

2 шт339 руб.
301580-06307-000

Болт - Bolt (DT2, MODEL:95, 96 DT2.2, MODEL:97~00 ) (Bolt)

под заказ240 руб.
309103-06157-000

Болт - Bolt (DT2, ~MODEL:94) (Bolt)

под заказ210 руб.
301550-06307-000

   (актуальный код замены) Болт - Bolt

8 шт250 руб.
301550-06307-000

Болт - Bolt (Bolt)

8 шт250 руб.
411301-94D02-0ED

Цилиндр в сборе - Cylinder Assy (DT2.2 <-1301-94D01-0ED ) (Cylinder Assy)

под заказ0 руб.
411301-94DA0-0ED

   (актуальный код замены) Запчасть снята с производства - The Spare Part Is Laid Off

под заказ0 руб.
411301-98412-0ED

Цилиндр в сборе - Cylinder Assy (DT2 <-1301-98411-0ED <-1301-98410-01T ) (Cylinder Assy)

под заказ0 руб.
504211-09109-000

Штифт - Pin (Knock pin ) (Pin)

под заказ120 руб.
601550-06357-000

Болт - Bolt (Bolt, throttle lever no.2 ) (Bolt)

9 шт210 руб.
701550-06657-000

Болт - Bolt (~MODEL:93 ) (Bolt)

под заказ260 руб.
701550-06707-000

Болт - Bolt (MODEL:94~00 ) (Bolt)

под заказ260 руб.
801550-06707-000

Болт - Bolt (MODEL:94~00 ) (Bolt)

под заказ260 руб.
909280-20002-000

Уплотнительное кольцо (d: 3.1, Id: 19.4) - O Ring (d:31, Id:194) (O ring (id:19.4, d:3.1) ) (O Ring (d:3.1, Id:19.4))

5 шт160 руб.
1052113-98411-000

Прокладка, Корпус вала передачи - Gasket, Drive Shaft (Gasket, drive shaft housing # <-2113-98410 ) (Gasket, Drive Shaft)

7 шт2250 руб.
1113153-19012-000

Язычковый клапан - Valve, Reed (Valve, reed ) (Valve, Reed)

под заказ970 руб.
1213152-19010-000

Стопор язычкового клапана - Stopper, Reed Valve (Stopper, reed valve ) (Stopper, Reed Valve)

под заказ690 руб.
1302112-33083-000

Винт - Screw (Screw)

под заказ150 руб.
1302112-3308A-000

   (актуальный код замены) Винт - Screw

под заказ150 руб.
1302112-3308A-000

Винт - Screw (Screw)

под заказ150 руб.


Время выполнения запроса 1.5527069568634 сек.

 
 

данный сайт носит информационный характер и не является публичной офертой

склад запчастей для водомоторной техники