| |
|
|
 |
Вернуться к выбору узлов мотора
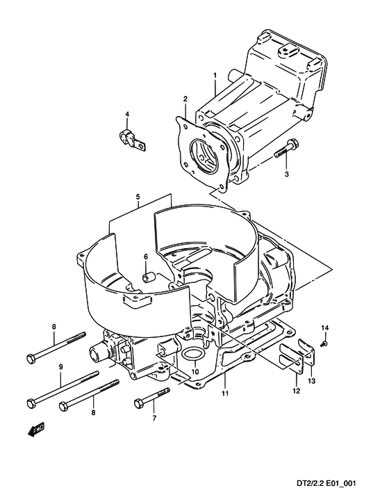
ДЕТАЛИРОВКА ДЛЯ МОДЕЛИ: SUZUKI DT2 P
Цилиндр
Год выпуска двигателя: 1993
Цвет: Серый (California Gray Metallic)
Номер на рисунке | Артикул | Наименование | QTY | Кол-во на складе | Цена |
| 1 | 11111-98421-0ED | Головка цилиндра (gray) - Head, Cylinder (gray) (Cylinder head # <-1111-98410-0ED <-1111-98410-02M <-1111-98420-02M <-1111-98420-01T ) (Head, Cylinder (gray)) | | под заказ | 0 руб. |
| 2 | 11141-98411-000 | Прокладка головки блока цилиндра - Gasket, Cylinder Head (<-1141-98410 ) (Gasket, Cylinder Head) | | 4 шт | 2010 руб. |
| 2 | SK11141-98411 | (не оригинальный аналог) Прокладка головки блока цилиндров Skipper для Suzuki Модели техники: 2-2.2 | | 2 шт | 339 руб. |
| 3 | 09103-06157-000 | Болт - Bolt (Bolt) | | под заказ | 210 руб. |
| 3 | 01550-06307-000 | (актуальный код замены) Болт - Bolt | | 8 шт | 250 руб. |
| 3 | 01550-06307-000 | Болт - Bolt (Bolt) | | 8 шт | 250 руб. |
| 4 | 09403-10312-000 | Струбцина - Clamp (MODEL:86, 87 ) (Clamp) | | под заказ | 210 руб. |
| 5 | 11301-98403-01T | (MODEL:87, 88 ->1301-98404-0ED USED WITH 08211-32441) | | под заказ | нет сведений |
| 5 | 08211-32441-000 | Шайба - Washer (Washer, thrust ) (Washer) | | под заказ | 240 руб. |
| 5 | 11301-98403-02M | (MODEL:86~88 ->1301-98404-0ED USED WITH 08211-32441) | | под заказ | нет сведений |
| 5 | 08211-32441-000 | Шайба - Washer (Washer, thrust ) (Washer) | | под заказ | 240 руб. |
| 5 | 11301-98404-0ED | Запчасть снята с производства - The Spare Part Is Laid Off (MODEL:89 <-1301-98404-01T) (The Spare Part Is Laid Off) | | под заказ | 0 руб. |
| 6 | 04211-09109-000 | Штифт - Pin (Knock pin ) (Pin) | | под заказ | 120 руб. |
| 7 | 01550-06357-000 | Болт - Bolt (Bolt, throttle lever no.2 ) (Bolt) | | 9 шт | 210 руб. |
| 8 | 01550-06657-000 | Болт - Bolt (Bolt) | | под заказ | 260 руб. |
| 9 | 01550-06707-000 | Болт - Bolt (Bolt) | | под заказ | 260 руб. |
| 10 | 09280-20002-000 | Уплотнительное кольцо (d: 3.1, Id: 19.4) - O Ring (d:31, Id:194) (O ring (id:19.4, d:3.1) ) (O Ring (d:3.1, Id:19.4)) | | 5 шт | 160 руб. |
| 11 | 52113-98411-000 | Прокладка, Корпус вала передачи - Gasket, Drive Shaft (Gasket, drive shaft housing # <-2113-98410 ) (Gasket, Drive Shaft) | | 7 шт | 2250 руб. |
| 12 | 13153-19012-000 | Язычковый клапан - Valve, Reed (Valve, reed ) (Valve, Reed) | | под заказ | 970 руб. |
| 13 | 13152-19010-000 | Стопор язычкового клапана - Stopper, Reed Valve (Stopper, reed valve ) (Stopper, Reed Valve) | | под заказ | 690 руб. |
| 14 | 02112-33083-000 | Винт - Screw (Screw) | | под заказ | 150 руб. |
| 14 | 02112-3308A-000 | (актуальный код замены) Винт - Screw | | под заказ | 150 руб. |
| 14 | 02112-3308A-000 | Винт - Screw (Screw) | | под заказ | 150 руб. |
Время выполнения запроса 1.1236381530762 сек. |
|