Найти запчасти на подвесной двигатель Suzuki модель 1985 года - Топливный бак - Fuel tank
вконтакте

Контактный телефон: +7 (981) 121-46-93, +7 (800) 200-90-76 , Email: parts-katalog@yandex.ru, где купить

 
 

  Логин:

Пароль:

Регистрация

www.partskatalog.ru Все каталоги Запчасти Mercury Запчасти Suzuki Запчасти Tohatsu Запчасти Honda Контакты



УВАЖАЕМЫЕ КЛИЕНТЫ!
C 19 ДЕКАБРЯ 2025 ПО 02 МАРТА 2026 ГОДА ОТДЕЛ ЗАПЧАСТЕЙ И СЕРВИС РАБОТАТЬ НЕ БУДУТ
ПРОДАЖА ЛОДОЧНЫХ МОТОРОВ В ШТАТНОМ РЕЖИМЕ
ОБ ИЗМЕНЕНИЯХ В ГРАФИКЕ РАБОТЫ ЧИТАЙТЕ НА САЙТА



назад Раздел:   вперёд

Вернуться к выбору узлов мотора


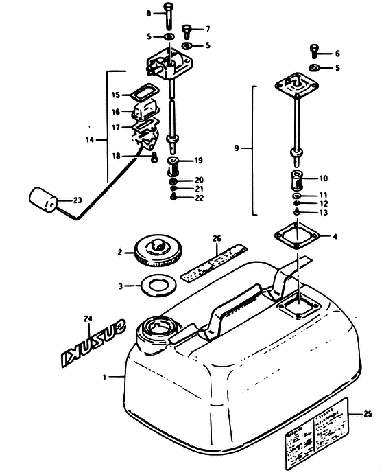
ДЕТАЛИРОВКА ДЛЯ МОДЕЛИ: SUZUKI DT3.5 F

Топливный бак


Год выпуска двигателя: 1985

Номер на
рисунке
АртикулНаименованиеQTYКол-во
на складе
Цена
265510-98500-000

Крышка горловины топливного бака, в сборе - Cap Assy, Fuel Tank (TO 65510-98501) (Cap Assy, Fuel Tank)

под заказ0 руб.
265510-92D00-000

Крышка горловины топливного бака, в сборе - Cap Assy, Fuel Tank (Cap assy, separate tank ) (Cap Assy, Fuel Tank)

под заказ0 руб.
265510-98501-000

Крышка горловины топливного бака, в сборе - Cap Assy, Fuel Tank (TO 65510-98502) (Cap Assy, Fuel Tank)

под заказ0 руб.
265510-92D00-000

Крышка горловины топливного бака, в сборе - Cap Assy, Fuel Tank (Cap assy, separate tank ) (Cap Assy, Fuel Tank)

под заказ0 руб.
265510-98502-000

Крышка горловины топливного бака, в сборе - Cap Assy, Fuel Tank (TO 65510-98503) (Cap Assy, Fuel Tank)

под заказ0 руб.
265510-92D00-000

Крышка горловины топливного бака, в сборе - Cap Assy, Fuel Tank (Cap assy, separate tank ) (Cap Assy, Fuel Tank)

под заказ0 руб.
365561-98500-000

Запчасть снята с производства - The Spare Part Is Laid Off (TO 65561-98501) (The Spare Part Is Laid Off)

под заказ0 руб.
365561-98502-000

   (актуальный код замены) Запчасть снята с производства - The Spare Part Is Laid Off

под заказ0 руб.
365561-98501-000

Запчасть снята с производства - The Spare Part Is Laid Off (The Spare Part Is Laid Off)

под заказ0 руб.
365561-98502-000

   (актуальный код замены) Запчасть снята с производства - The Spare Part Is Laid Off

под заказ0 руб.
465871-93001-000

Прокладка, Fuel Gauge - Gasket, Fuel Gauge (Gasket, Fuel Gauge)

под заказ240 руб.
465871-93010-000

   (актуальный код замены) Прокладка, Fuel Gauge - Gasket, Fuel Gauge

под заказ240 руб.
465871-93010-000

Прокладка, Fuel Gauge - Gasket, Fuel Gauge (Gasket, fuel gauge ) (Gasket, Fuel Gauge)

под заказ240 руб.
508322-21068-000

Шайба - Washer (Washer)

под заказ140 руб.
508322-01067-000

   (актуальный код замены) Шайба - Washer

10 шт160 руб.
508322-01067-000

Шайба - Washer (Washer)

10 шт160 руб.
601107-06168-000

Болт - Bolt (Bolt)

под заказ150 руб.
601500-06167-000

   (актуальный код замены) Болт - Bolt

под заказ150 руб.
601500-06167-000

Болт - Bolt (Bolt, fuel cooler ) (Bolt)

под заказ150 руб.
701107-06168-000

Болт - Bolt (DT5FE13, DT7.5FE13) (Bolt)

под заказ150 руб.
701500-06167-000

   (актуальный код замены) Болт - Bolt

под заказ150 руб.
701500-06167-000

Болт - Bolt (Bolt, fuel cooler ) (Bolt)

под заказ150 руб.
801107-06408-000

Болт - Bolt (DT5FE13, DT7.5FE13) (Bolt)

под заказ190 руб.
801500-0640B-000

   (актуальный код замены) Болт - Bolt

под заказ190 руб.
801500-0640B-000

Болт - Bolt (Bolt)

под заказ190 руб.
965880-98500-000

выход в сборе, Separate Tank - Outlet Assy, Separate Tank (Outlet, separate tank ) (Outlet Assy, Separate Tank)

под заказ0 руб.
1065830-93301-000

Запчасть снята с производства - The Spare Part Is Laid Off (The Spare Part Is Laid Off)

под заказ0 руб.
1108322-21058-000

Шайба - Washer (Washer)

под заказ140 руб.
1108322-01057-000

   (актуальный код замены) Шайба - Washer

под заказ140 руб.
1108322-01057-000

Шайба - Washer (Washer, front hook holder ) (Washer)

под заказ140 руб.
1208321-21058-000

Шайба с блокировкой - Washer, Lock (Washer, Lock)

под заказ140 руб.
1208321-0105A-000

   (актуальный код замены) Шайба с блокировкой - Washer, Lock

под заказ140 руб.
1208321-0105A-000

Шайба с блокировкой - Washer, Lock (Washer, Lock)

под заказ140 руб.
1302112-05088-000

Винт - Screw (Screw)

под заказ120 руб.
1302112-05087-000

   (актуальный код замены) Винт - Screw

под заказ120 руб.
1302112-05087-000

Винт - Screw (Screw)

под заказ120 руб.
1465850-98500-000

Запчасть снята с производства - The Spare Part Is Laid Off (TO 65850-98501, DT5FE13, DT7.5FE13) (The Spare Part Is Laid Off)

под заказ0 руб.
1465850-98501-000

   (актуальный код замены) Запчасть снята с производства - The Spare Part Is Laid Off

под заказ0 руб.
1465850-98501-000

Запчасть снята с производства - The Spare Part Is Laid Off (DT5FE13, DT7.5FE13) (The Spare Part Is Laid Off)

под заказ0 руб.
1565854-93000-000

Прокладка - Gasket (TO 65854-93001, DT5FE13, DT7.5FE13) (Gasket)

под заказ0 руб.
1565854-93001-000

   (актуальный код замены) Запчасть снята с производства - The Spare Part Is Laid Off

под заказ0 руб.
1565854-93001-000

Прокладка - Gasket (Gasket)

под заказ0 руб.
1565854-93001-000

Прокладка - Gasket (DT5FE13, DT7.5FE13 ) (Gasket)

под заказ0 руб.
1665853-93001-000

Топливный фильтр Gauge - Strainer, Fuel Gauge (DT5FE13, DT7.5FE13 ) (Strainer, Fuel Gauge)

под заказ0 руб.
1765862-93000-000

Запчасть снята с производства - The Spare Part Is Laid Off (DT5FE13, DT7.5FE13) (The Spare Part Is Laid Off)

под заказ0 руб.
1765862-93060-000

   (актуальный код замены) Запчасть снята с производства - The Spare Part Is Laid Off

под заказ0 руб.
1802112-04108-000

Винт - Screw (DT5FE13, DT7.5FE13) (Screw)

под заказ120 руб.
1802112-04107-000

   (актуальный код замены) Винт - Screw

под заказ120 руб.
1802112-04107-000

Винт - Screw (Screw)

под заказ120 руб.
1965830-93301-000

Запчасть снята с производства - The Spare Part Is Laid Off (DT5FE13, DT7.5FE13) (The Spare Part Is Laid Off)

под заказ0 руб.
2008322-21058-000

Шайба - Washer (DT5FE13, DT7.5FE13) (Washer)

под заказ140 руб.
2008322-01057-000

   (актуальный код замены) Шайба - Washer

под заказ140 руб.
2008322-01057-000

Шайба - Washer (Washer, front hook holder ) (Washer)

под заказ140 руб.
2108321-21058-000

Шайба с блокировкой - Washer, Lock (DT5FE13, DT7.5FE13) (Washer, Lock)

под заказ140 руб.
2108321-0105A-000

   (актуальный код замены) Шайба с блокировкой - Washer, Lock

под заказ140 руб.
2108321-0105A-000

Шайба с блокировкой - Washer, Lock (Washer, Lock)

под заказ140 руб.
2202112-05088-000

Винт - Screw (DT5FE13, DT7.5FE13) (Screw)

под заказ120 руб.
2202112-05087-000

   (актуальный код замены) Винт - Screw

под заказ120 руб.
2202112-05087-000

Винт - Screw (Screw)

под заказ120 руб.
2365864-93000-000

Запчасть снята с производства - The Spare Part Is Laid Off (DT5FE13, DT7.5FE13) (The Spare Part Is Laid Off)

под заказ0 руб.
2461441-98500-000

Маркировка, Ornament - Mark, Ornament (Mark, Ornament)

под заказ0 руб.
2565316-93300-000

Запчасть снята с производства - The Spare Part Is Laid Off (TO 65316-93301) (The Spare Part Is Laid Off)

под заказ0 руб.
2565316-93320-000

   (актуальный код замены) Запчасть снята с производства - The Spare Part Is Laid Off

под заказ0 руб.
2565316-93301-000

Запчасть снята с производства - The Spare Part Is Laid Off (TO 65316-93302) (The Spare Part Is Laid Off)

под заказ0 руб.
2565316-93320-000

   (актуальный код замены) Запчасть снята с производства - The Spare Part Is Laid Off

под заказ0 руб.
2565316-93302-000

Запчасть снята с производства - The Spare Part Is Laid Off (TO 65316-93303) (The Spare Part Is Laid Off)

под заказ0 руб.
2565316-93320-000

   (актуальный код замены) Запчасть снята с производства - The Spare Part Is Laid Off

под заказ0 руб.
2665317-98500-000

Маркировка, Fuel Колпачокacity (15l) - Mark, Fuel Capacity (15l) (Mark, Fuel Capacity (15l))

под заказ0 руб.
2665317-98520-000

   (актуальный код замены) Запчасть снята с производства - The Spare Part Is Laid Off

под заказ0 руб.
2665317-98520-000

Маркировка, Fuel Колпачокacity (15l) - Mark, Fuel Capacity (15l) (Mark, fuel capacity (15l) ) (Mark, Fuel Capacity (15l))

под заказ0 руб.


Время выполнения запроса 3.0822050571442 сек.

 
 

данный сайт носит информационный характер и не является публичной офертой

склад запчастей для водомоторной техники