Купить оригинальные запчасти на лодочный мотор Suzuki модель 1983 года - Цилиндр
вконтакте

Контактный телефон: +7 (981) 121-46-93, +7 (800) 200-90-76 , Email: parts-katalog@yandex.ru, где купить

 
 

  Логин:

Пароль:

Регистрация

www.partskatalog.ru Все каталоги Запчасти Mercury Запчасти Suzuki Запчасти Tohatsu Запчасти Honda Контакты



УВАЖАЕМЫЕ КЛИЕНТЫ!
C 19 ДЕКАБРЯ 2025 ПО 02 МАРТА 2026 ГОДА ОТДЕЛ ЗАПЧАСТЕЙ И СЕРВИС РАБОТАТЬ НЕ БУДУТ
ПРОДАЖА ЛОДОЧНЫХ МОТОРОВ В ШТАТНОМ РЕЖИМЕ
ОБ ИЗМЕНЕНИЯХ В ГРАФИКЕ РАБОТЫ ЧИТАЙТЕ НА САЙТА



Раздел:   вперёд

Вернуться к выбору узлов мотора


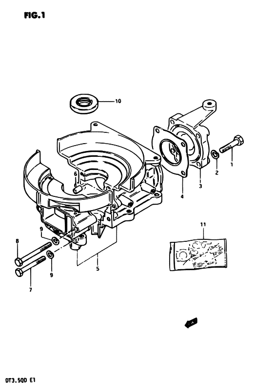
ДЕТАЛИРОВКА ДЛЯ МОДЕЛИ: SUZUKI DT3.5 QD

Цилиндр


Год выпуска двигателя: 1983

Номер на
рисунке
АртикулНаименованиеQTYКол-во
на складе
Цена
101107-08408-000

Болт - Bolt (Bolt)

под заказ190 руб.
101500-0840A-000

   (актуальный код замены) Болт - Bolt

под заказ190 руб.
101500-0840A-000

Болт - Bolt (Bolt)

под заказ190 руб.
208321-21088-000

Шайба с блокировкой - Washer, Lock (Washer, Lock)

под заказ140 руб.
208321-01087-000

   (актуальный код замены) Шайба с блокировкой - Washer, Lock

под заказ140 руб.
208321-01087-000

Шайба с блокировкой - Washer, Lock (Washer, lock ) (Washer, Lock)

под заказ140 руб.
311111-98300-02M

Запчасть снята с производства - The Spare Part Is Laid Off (The Spare Part Is Laid Off)

под заказ0 руб.
311111-98300-0ED

   (актуальный код замены) Запчасть снята с производства - The Spare Part Is Laid Off

под заказ0 руб.
411141-98300-000

Прокладка головки блока цилиндра - Gasket, Cylinder Head (Gasket, Cylinder Head)

под заказ0 руб.
411141-98360-000

   (актуальный код замены) Запчасть снята с производства - The Spare Part Is Laid Off

под заказ0 руб.
411141-98360-000

Прокладка головки блока цилиндра - Gasket, Cylinder Head (Gasket, Cylinder Head)

под заказ0 руб.
511301-98301-02M

Запчасть снята с производства - The Spare Part Is Laid Off (The Spare Part Is Laid Off)

под заказ0 руб.
604211-09109-000

Штифт - Pin (Knock pin ) (Pin)

под заказ120 руб.
701107-06558-000

Болт - Bolt (Bolt)

под заказ190 руб.
701500-0655B-000

   (актуальный код замены) Болт - Bolt

под заказ190 руб.
701500-0655B-000

Болт - Bolt (Bolt)

под заказ190 руб.
801107-06758-000

Болт - Bolt (Bolt)

под заказ230 руб.
801500-0675B-000

   (актуальный код замены) Болт - Bolt

под заказ230 руб.
801500-0675B-000

Болт - Bolt (Bolt)

под заказ230 руб.
801500-0675B-000

Болт - Bolt (Bolt)

под заказ230 руб.
908321-21068-000

Шайба с блокировкой - Washer, Lock (Washer, Lock)

под заказ140 руб.
908321-01067-000

   (актуальный код замены) Шайба с блокировкой - Washer, Lock

под заказ140 руб.
908321-01067-000

Шайба с блокировкой - Washer, Lock (Washer, Lock)

под заказ140 руб.
1009283-20016-000

Сальник (20x47x8) - Seal, Oil (20x47x8) (20X47X8) (Seal, Oil (20x47x8))

под заказ650 руб.
1009283-20045-000

   (актуальный код замены) Сальник (20x47x8) - Seal, Oil (20x47x8)

14 шт980 руб.
1009283-20045-000

Сальник (20x47x8) - Seal, Oil (20x47x8) (Oil seal ) (Seal, Oil (20x47x8))

14 шт980 руб.
1111400-98843-000

Запчасть снята с производства - The Spare Part Is Laid Off (OPT) (The Spare Part Is Laid Off)

под заказ0 руб.
1111400-98845-000

   (актуальный код замены) Запчасть снята с производства - The Spare Part Is Laid Off

под заказ0 руб.


Время выполнения запроса 1.5252220630646 сек.

 
 

данный сайт носит информационный характер и не является публичной офертой

склад запчастей для водомоторной техники