Подобрать оригинальные запчасти на лодочный мотор Suzuki модель 1980 года - Трансмиссия
вконтакте

Контактный телефон: +7 (981) 121-46-93, +7 (800) 200-90-76 , Email: parts-katalog@yandex.ru, где купить

 
 

  Логин:

Пароль:

Регистрация

www.partskatalog.ru Все каталоги Запчасти Mercury Запчасти Suzuki Запчасти Tohatsu Запчасти Honda Контакты

назад Раздел:   вперёд

Вернуться к выбору узлов мотора


ДЕТАЛИРОВКА ДЛЯ МОДЕЛИ: SUZUKI DT3.5 G

Трансмиссия


Год выпуска двигателя: 1980

Номер на
рисунке
АртикулНаименованиеQTYКол-во
на складе
Цена
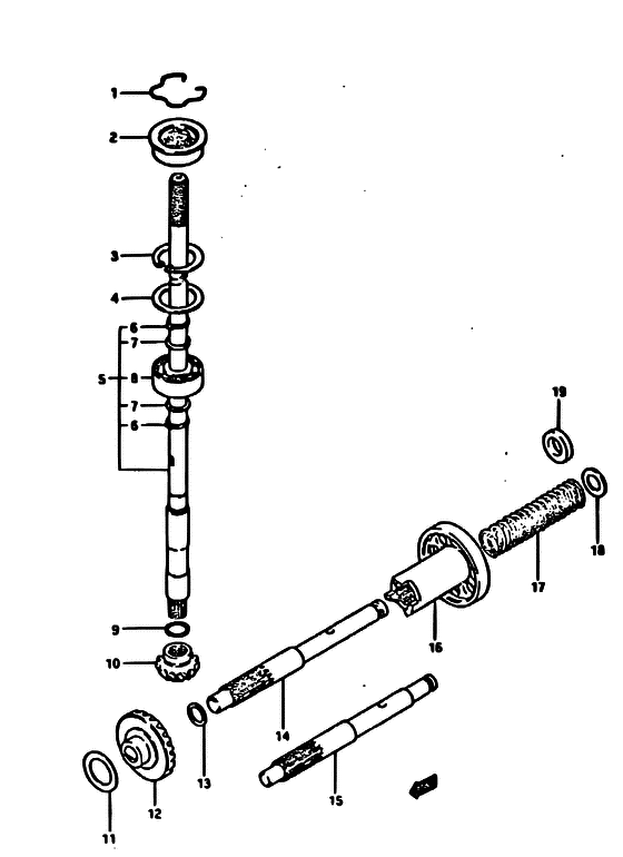
109387-39001-000

Запчасть снята с производства - The Spare Part Is Laid Off (The Spare Part Is Laid Off)

под заказ0 руб.
209289-10004-000

Сальник (10x30x9) - Seal, Oil (10x30x9) (Oil seal, drive shaft ) (Seal, Oil (10x30x9))

1 шт890 руб.
308331-41309-000

Стопорное кольцо - Circlip (Circlip)

7 шт210 руб.
408221-22303-000

Запчасть снята с производства - The Spare Part Is Laid Off (The Spare Part Is Laid Off)

под заказ0 руб.
408221-22304-000

Запчасть снята с производства - The Spare Part Is Laid Off (The Spare Part Is Laid Off)

под заказ0 руб.
408221-22305-000

Запчасть снята с производства - The Spare Part Is Laid Off (The Spare Part Is Laid Off)

под заказ0 руб.
557110-98310-000

Запчасть снята с производства - The Spare Part Is Laid Off (The Spare Part Is Laid Off)

под заказ0 руб.
557110-98320-000

Запчасть снята с производства - The Spare Part Is Laid Off (The Spare Part Is Laid Off)

под заказ0 руб.
608331-31109-000

Стопорное кольцо - Circlip (Circlip)

под заказ130 руб.
708211-10161-000

Регулировочная шайба (10x16x1) - Shim (10x16x1) (Shim (10x16x1))

под заказ150 руб.
709181-10139-000

   (актуальный код замены) Регулировочная шайба (10x16x1) - Shim (10x16x1)

под заказ150 руб.
709181-10139-000

Регулировочная шайба (10x16x1) - Shim (10x16x1) (Shim (10x16x1))

под заказ150 руб.
808113-62000-000

Подшипник - Bearing (Bearing, propeller shaft ) (Bearing)

1 шт1040 руб.
908221-10143-000

Регулировочная шайба (10x14x0.8) - Shim (10x14x08) (Shim (10x14x0.8))

под заказ180 руб.
909181-10106-000

   (актуальный код замены) Регулировочная шайба (10x14x0.8) - Shim (10x14x0.8)

под заказ180 руб.
909181-10106-000

Регулировочная шайба (10x14x0.8) - Shim (10x14x08) (Shim (10x14x0.8))

под заказ180 руб.
908221-10144-000

Регулировочная шайба - Shim (Shim, pinion (t:0.2) ) (Shim)

под заказ130 руб.
908221-10145-000

Регулировочная шайба - Shim (Shim, pinion (t:0.5) ) (Shim)

под заказ130 руб.
1057311-98300-000

Запчасть снята с производства - The Spare Part Is Laid Off (The Spare Part Is Laid Off)

под заказ0 руб.
1108221-17263-000

Запчасть снята с производства - The Spare Part Is Laid Off (The Spare Part Is Laid Off)

под заказ0 руб.
1108221-17264-000

Запчасть снята с производства - The Spare Part Is Laid Off (The Spare Part Is Laid Off)

под заказ0 руб.
1108221-17265-000

Запчасть снята с производства - The Spare Part Is Laid Off (The Spare Part Is Laid Off)

под заказ0 руб.
1257510-98300-000

Запчасть снята с производства - The Spare Part Is Laid Off (The Spare Part Is Laid Off)

под заказ0 руб.
1257310-98810-000

   (актуальный код замены) Запчасть снята с производства - The Spare Part Is Laid Off

под заказ0 руб.
1257511-98300-000

Запчасть снята с производства - The Spare Part Is Laid Off (TO 57510-98300) (The Spare Part Is Laid Off)

под заказ0 руб.
1257310-98810-000

   (актуальный код замены) Запчасть снята с производства - The Spare Part Is Laid Off

под заказ0 руб.
1308211-10141-000

Регулировочная шайба (10x14x1) - Shim (10x14x1) (Shim (10x14x1))

под заказ150 руб.
1309181-10111-000

   (актуальный код замены) Регулировочная шайба (10x14x1) - Shim (10x14x1)

под заказ150 руб.
1309181-10111-000

Регулировочная шайба (10x14x1) - Shim (10x14x1) (Shim (t:1.0) ) (Shim (10x14x1))

под заказ150 руб.
1308211-10142-000

Шайба - Washer (Thrust washer (t:1.5) ) (Washer)

под заказ150 руб.
1457611-98300-000

Запчасть снята с производства - The Spare Part Is Laid Off (MODEL G, J) (The Spare Part Is Laid Off)

под заказ0 руб.
1557611-98301-000

Запчасть снята с производства - The Spare Part Is Laid Off (MODEL VZ) (The Spare Part Is Laid Off)

под заказ0 руб.
1557611-98303-000

   (актуальный код замены) Запчасть снята с производства - The Spare Part Is Laid Off

под заказ0 руб.
1657621-98300-000

Запчасть снята с производства - The Spare Part Is Laid Off (The Spare Part Is Laid Off)

под заказ0 руб.
1709440-17003-000

Запчасть снята с производства - The Spare Part Is Laid Off (The Spare Part Is Laid Off)

под заказ0 руб.
1808211-10181-000

Регулировочная шайба (10x18x1) - Shim (10x18x1) (0*18*1, MODEL G, J) (Shim (10x18x1))

под заказ150 руб.
1809181-10167-000

   (актуальный код замены) Регулировочная шайба (10x18x1) - Shim (10x18x1)

под заказ150 руб.
1809181-10167-000

Регулировочная шайба (10x18x1) - Shim (10x18x1) (Thrust washer ) (Shim (10x18x1))

под заказ150 руб.
1908221-12205-000

Регулировочная шайба - Shim (Shim)

под заказ150 руб.


Время выполнения запроса 2.3413548469543 сек.

 
 

данный сайт носит информационный характер и не является публичной офертой

склад запчастей для водомоторной техники