Оригинальные запчасти на мотор Suzuki модель 1982 года - Swivel bracket - Поворотный кронштейн
вконтакте

Контактный телефон: +7 (981) 121-46-93, +7 (800) 200-90-76 , Email: parts-katalog@yandex.ru, где купить

 
 

  Логин:

Пароль:

Регистрация

www.partskatalog.ru Все каталоги Запчасти Mercury Запчасти Suzuki Запчасти Tohatsu Запчасти Honda Контакты



УВАЖАЕМЫЕ КЛИЕНТЫ!
C 19 ДЕКАБРЯ 2025 ПО 02 МАРТА 2026 ГОДА ОТДЕЛ ЗАПЧАСТЕЙ И СЕРВИС РАБОТАТЬ НЕ БУДУТ
ПРОДАЖА ЛОДОЧНЫХ МОТОРОВ В ШТАТНОМ РЕЖИМЕ
ОБ ИЗМЕНЕНИЯХ В ГРАФИКЕ РАБОТЫ ЧИТАЙТЕ НА САЙТА



назад Раздел:   вперёд

Вернуться к выбору узлов мотора


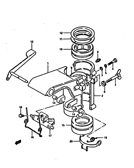
ДЕТАЛИРОВКА ДЛЯ МОДЕЛИ: SUZUKI DT3.5 VZ

Поворотный кронштейн


Год выпуска двигателя: 1982

Номер на
рисунке
АртикулНаименованиеQTYКол-во
на складе
Цена
143111-98301-01J

Запчасть снята с производства - The Spare Part Is Laid Off (The Spare Part Is Laid Off)

под заказ0 руб.
143111-98302-02M

   (актуальный код замены) Запчасть снята с производства - The Spare Part Is Laid Off

под заказ0 руб.
243121-98300-01J

Запчасть снята с производства - The Spare Part Is Laid Off (The Spare Part Is Laid Off)

под заказ0 руб.
243121-98300-02M

   (актуальный код замены) Запчасть снята с производства - The Spare Part Is Laid Off

под заказ0 руб.
309160-06015-000

Шайба (6.5x13x1.0) - Washer (65x13x10) (6.5*13*1) (Washer (6.5x13x1.0))

под заказ120 руб.
309160-06082-000

   (актуальный код замены) Шайба (6.5x13x1.0) - Washer (6.5x13x1.0)

7 шт150 руб.
309160-06082-000

Шайба (6.5x13x1.0) - Washer (65x13x10) (Washer (6.5x13x1.0))

7 шт150 руб.
409100-06022-000

Болт (6x35) - Bolt (6x35) (Bolt (6x35))

под заказ0 руб.
409117-06037-XC0

   (актуальный код замены) Запчасть снята с производства - The Spare Part Is Laid Off

под заказ0 руб.
409117-06037-XC0

Болт (6x35) - Bolt (6x35) (Bolt (6x35))

под заказ0 руб.
509162-06001-000

Шайба с блокировкой - Washer, Lock (MODEL VZ) (Washer, Lock)

под заказ160 руб.
509162-06006-000

   (актуальный код замены) Шайба с блокировкой - Washer, Lock

под заказ160 руб.
509162-06006-000

Шайба с блокировкой - Washer, Lock (Lock washer ) (Washer, Lock)

под заказ160 руб.
609308-08011-000

Пыльник - Grommet (Grommet)

под заказ180 руб.
709119-06044-000

Запчасть снята с производства - The Spare Part Is Laid Off (The Spare Part Is Laid Off)

под заказ0 руб.
709119-06061-000

   (актуальный код замены) Запчасть снята с производства - The Spare Part Is Laid Off

под заказ0 руб.
822511-99000-000

Ниппель смазки - Nipple, Grease (Nipple, Grease)

под заказ340 руб.
822511-99011-000

   (актуальный код замены) Ниппель смазки - Nipple, Grease

9 шт400 руб.
822511-99011-000

Ниппель смазки - Nipple, Grease (Nipple, Grease)

9 шт400 руб.
943411-98301-000

Запчасть снята с производства - The Spare Part Is Laid Off (The Spare Part Is Laid Off)

под заказ0 руб.
943411-98302-000

   (актуальный код замены) Запчасть снята с производства - The Spare Part Is Laid Off

под заказ0 руб.
1043721-98502-000

Запчасть снята с производства - The Spare Part Is Laid Off (T:8.75, MODEL G TO 43721-98503) (The Spare Part Is Laid Off)

под заказ0 руб.
1043721-98511-000

   (актуальный код замены) Запчасть снята с производства - The Spare Part Is Laid Off

под заказ0 руб.
1043721-98503-000

Запчасть снята с производства - The Spare Part Is Laid Off (T:8.5) (The Spare Part Is Laid Off)

под заказ0 руб.
1043721-98511-000

   (актуальный код замены) Запчасть снята с производства - The Spare Part Is Laid Off

под заказ0 руб.
1143713-98500-000

Piece, Рулевая система Втулка - Piece, Steering Bush (Piece, steering bushing ) (Piece, Steering Bush)

под заказ460 руб.
1243712-98500-000

Запчасть снята с производства - The Spare Part Is Laid Off (MODEL G, J) (The Spare Part Is Laid Off)

под заказ0 руб.
1243712-98503-000

   (актуальный код замены) Запчасть снята с производства - The Spare Part Is Laid Off

под заказ0 руб.
1243712-98501-000

Запчасть снята с производства - The Spare Part Is Laid Off (FROM 43712-98500 MODEL VZ) (The Spare Part Is Laid Off)

под заказ0 руб.
1243712-98503-000

   (актуальный код замены) Запчасть снята с производства - The Spare Part Is Laid Off

под заказ0 руб.
1345110-98500-000

Запчасть снята с производства - The Spare Part Is Laid Off (TO 45110-98501) (The Spare Part Is Laid Off)

под заказ0 руб.
1345110-98502-000

   (актуальный код замены) Запчасть снята с производства - The Spare Part Is Laid Off

под заказ0 руб.
1345110-98502-000

Запчасть снята с производства - The Spare Part Is Laid Off (The Spare Part Is Laid Off)

под заказ0 руб.
1345110-98501-000

Запчасть снята с производства - The Spare Part Is Laid Off (The Spare Part Is Laid Off)

под заказ0 руб.
1345110-98502-000

   (актуальный код замены) Запчасть снята с производства - The Spare Part Is Laid Off

под заказ0 руб.
1345110-98502-000

Запчасть снята с производства - The Spare Part Is Laid Off (The Spare Part Is Laid Off)

под заказ0 руб.
1409300-08005-000

Втулка - Bush (Bush)

под заказ0 руб.
1409306-08015-000

   (актуальный код замены) Запчасть снята с производства - The Spare Part Is Laid Off

под заказ0 руб.
1409306-08015-000

Втулка - Bush (Bush)

под заказ0 руб.
1543721-98300-000

Запчасть снята с производства - The Spare Part Is Laid Off (T:7.75, MODEL G TO 43721-98301) (The Spare Part Is Laid Off)

под заказ0 руб.
1543721-98301-000

   (актуальный код замены) Запчасть снята с производства - The Spare Part Is Laid Off

под заказ0 руб.
1543721-98301-000

Запчасть снята с производства - The Spare Part Is Laid Off (T:7.5) (The Spare Part Is Laid Off)

под заказ0 руб.
1645211-98500-000

Пружина - Spring (TO 45211-98502, MODEL G) (Spring)

под заказ0 руб.
1645211-98503-000

   (актуальный код замены) Запчасть снята с производства - The Spare Part Is Laid Off

под заказ0 руб.
1645211-98503-000

Пружина - Spring (Spring)

под заказ0 руб.
1645211-98502-000

Пружина - Spring (Spring)

под заказ0 руб.
1645211-98503-000

   (актуальный код замены) Запчасть снята с производства - The Spare Part Is Laid Off

под заказ0 руб.
1645211-98503-000

Пружина - Spring (Spring)

под заказ0 руб.
1745411-98500-01J

Запчасть снята с производства - The Spare Part Is Laid Off (MODEL G TO 45411-98501-01J) (The Spare Part Is Laid Off)

под заказ0 руб.
1745411-98501-0ED

   (актуальный код замены) Запчасть снята с производства - The Spare Part Is Laid Off

под заказ0 руб.
1745411-98501-0ED

Запчасть снята с производства - The Spare Part Is Laid Off (The Spare Part Is Laid Off)

под заказ0 руб.
1745411-98501-01J

Запчасть снята с производства - The Spare Part Is Laid Off (MODEL J/VZ) (The Spare Part Is Laid Off)

под заказ0 руб.
1745411-98501-0ED

   (актуальный код замены) Запчасть снята с производства - The Spare Part Is Laid Off

под заказ0 руб.
1745411-98501-0ED

Запчасть снята с производства - The Spare Part Is Laid Off (The Spare Part Is Laid Off)

под заказ0 руб.
1809139-05003-000

Винт (5x8) - Screw (5x8) (Screw (5x8))

под заказ0 руб.
1809139-05031-000

   (актуальный код замены) Запчасть снята с производства - The Spare Part Is Laid Off

под заказ0 руб.
1809139-05031-000

Винт (5x8) - Screw (5x8) (Screw (5x8) ) (Screw (5x8))

под заказ0 руб.
1945212-98300-000

Запчасть снята с производства - The Spare Part Is Laid Off (The Spare Part Is Laid Off)

под заказ0 руб.
1945212-98301-000

   (актуальный код замены) Запчасть снята с производства - The Spare Part Is Laid Off

под заказ0 руб.
2045231-98301-01J

Запчасть снята с производства - The Spare Part Is Laid Off (The Spare Part Is Laid Off)

под заказ0 руб.
2045231-98302-02M

   (актуальный код замены) Запчасть снята с производства - The Spare Part Is Laid Off

под заказ0 руб.


Время выполнения запроса 2.0125141143799 сек.

 
 

данный сайт носит информационный характер и не является публичной офертой

склад запчастей для водомоторной техники