Подобрать запчасти на подвесной двигатель Сузуки модель 1983 года - Water pump / Водяной насос
вконтакте

Контактный телефон: +7 (981) 121-46-93, +7 (800) 200-90-76 , Email: parts-katalog@yandex.ru, где купить

 
 

  Логин:

Пароль:

Регистрация

www.partskatalog.ru Все каталоги Запчасти Mercury Запчасти Suzuki Запчасти Tohatsu Запчасти Honda Контакты



УВАЖАЕМЫЕ КЛИЕНТЫ!
C 19 ДЕКАБРЯ 2025 ПО 02 МАРТА 2026 ГОДА ОТДЕЛ ЗАПЧАСТЕЙ И СЕРВИС РАБОТАТЬ НЕ БУДУТ
ПРОДАЖА ЛОДОЧНЫХ МОТОРОВ В ШТАТНОМ РЕЖИМЕ
ОБ ИЗМЕНЕНИЯХ В ГРАФИКЕ РАБОТЫ ЧИТАЙТЕ НА САЙТА



назад Раздел:   вперёд

Вернуться к выбору узлов мотора


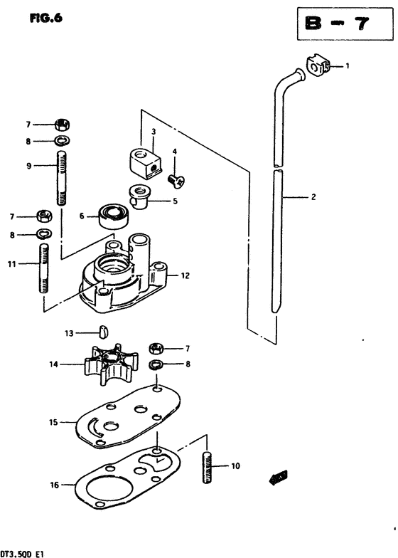
ДЕТАЛИРОВКА ДЛЯ МОДЕЛИ: SUZUKI DT3.5QD(QD/VE) D

Водяной насос


Год выпуска двигателя: 1983

Регион: Japan

Номер на
рисунке
АртикулНаименованиеQTYКол-во
на складе
Цена
109309-06005-000

Пыльник - Grommet (Grommet, water tube; ) (Grommet)

2 шт280 руб.
217561-98310-000

Запчасть снята с производства - The Spare Part Is Laid Off (Tube, water (s type);) (The Spare Part Is Laid Off)

под заказ0 руб.
217561-98320-000

Запчасть снята с производства - The Spare Part Is Laid Off (The Spare Part Is Laid Off)

под заказ0 руб.
317564-98300-000

Запчасть снята с производства - The Spare Part Is Laid Off (The Spare Part Is Laid Off)

под заказ0 руб.
409126-05003-000

Винт (5x12) - Screw (5x12) (Screw (5x12); ) (Screw (5x12))

под заказ160 руб.
517415-98500-000

Пыльник корпуса водяного насоса - Grommet, Water Pump Case (Grommet, Water Pump Case)

под заказ220 руб.
517415-98501-000

   (актуальный код замены) Пыльник корпуса водяного насоса - Grommet, Water Pump Case

27 шт260 руб.
517415-98501-000

Пыльник корпуса водяного насоса - Grommet, Water Pump Case (Grommet, water pump ) (Grommet, Water Pump Case)

27 шт260 руб.
609289-10002-000

Сальник (10x22x8) - Seal, Oil (10x22x8) (Seal, oil # Oil seal, pump case; 10x22x8 ) (Seal, Oil (10x22x8))

9 шт1460 руб.
709140-06004-000

Гайка - Nut (Nut)

под заказ150 руб.
709140-06020-000

   (актуальный код замены) Гайка - Nut

9 шт150 руб.
709140-06020-000

Гайка - Nut (Nut)

9 шт150 руб.
809162-06001-000

Шайба с блокировкой - Washer, Lock (Washer, Lock)

под заказ160 руб.
809162-06006-000

   (актуальный код замены) Шайба с блокировкой - Washer, Lock

под заказ160 руб.
809162-06006-000

Шайба с блокировкой - Washer, Lock (Lock washer ) (Washer, Lock)

под заказ160 руб.
909108-06005-000

Болт под шпильку - Bolt, Stud (Bolt, Stud)

под заказ440 руб.
909108-06061-000

   (актуальный код замены) Болт под шпильку - Bolt, Stud

3 шт440 руб.
909108-06061-000

Болт под шпильку - Bolt, Stud (Bolt, stud (6x35) ) (Bolt, Stud)

3 шт440 руб.
1009108-06022-000

Болт под шпильку - Bolt, Stud (Bolt, Stud)

под заказ180 руб.
1009108-06062-000

   (актуальный код замены) Болт под шпильку - Bolt, Stud

под заказ180 руб.
1009108-06062-000

Болт под шпильку - Bolt, Stud (Stud bolt (6x12) ) (Bolt, Stud)

под заказ180 руб.
1109108-06025-000

Болт под шпильку - Bolt, Stud (Stud bolt (6x30) # Stud bolt (l:42); ) (Bolt, Stud)

под заказ0 руб.
1217411-98301-000

Запчасть снята с производства - The Spare Part Is Laid Off (The Spare Part Is Laid Off)

под заказ0 руб.
1217411-98311-000

   (актуальный код замены) Запчасть снята с производства - The Spare Part Is Laid Off

под заказ0 руб.
1309420-03002-000

Ключ - Key (Key)

22 шт290 руб.
13SK09420-03002

   (не оригинальный аналог) Шпонка помпы охлаждения Skipper для Suzuki DF4-6, DF4A-6A

0 шт99 руб.
1417461-98500-000

Крыльчатка водяного насоса - Impeller, Water Pump (Impeller, Water Pump)

под заказ2030 руб.
1417461-985M0-000

   (актуальный код замены) Крыльчатка водяного насоса - Impeller, Water Pump

30 шт2220 руб.
1417461-985M0-000

Крыльчатка водяного насоса - Impeller, Water Pump (Impeller, Water Pump)

30 шт2220 руб.
1517471-98301-000

Панель в нижней части корпуса помпы - Panel, Pump Case Under (Panel, pump panel # Panel, water pump; ) (Panel, Pump Case Under)

3 шт0 руб.
1617472-98300-000

Прокладка, Помпа Panel - Gasket, Pump Panel (Gasket, pump panel ) (Gasket, Pump Panel)

2 шт0 руб.


Время выполнения запроса 2.8567769527435 сек.

 
 

данный сайт носит информационный характер и не является публичной офертой

склад запчастей для водомоторной техники