Купить комплектующие на лодочный мотор Сузуки модель 1984 года - Reed valve
вконтакте

Контактный телефон: +7 (981) 121-46-93, +7 (800) 200-90-76 , Email: parts-katalog@yandex.ru, где купить

 
 

  Логин:

Пароль:

Регистрация

www.partskatalog.ru Все каталоги Запчасти Mercury Запчасти Suzuki Запчасти Tohatsu Запчасти Honda Контакты



УВАЖАЕМЫЕ КЛИЕНТЫ!
C 19 ДЕКАБРЯ 2025 ПО 02 МАРТА 2026 ГОДА ОТДЕЛ ЗАПЧАСТЕЙ И СЕРВИС РАБОТАТЬ НЕ БУДУТ
ПРОДАЖА ЛОДОЧНЫХ МОТОРОВ В ШТАТНОМ РЕЖИМЕ
ОБ ИЗМЕНЕНИЯХ В ГРАФИКЕ РАБОТЫ ЧИТАЙТЕ НА САЙТА



назад Раздел:   вперёд

Вернуться к выбору узлов мотора


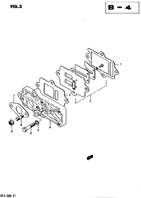
ДЕТАЛИРОВКА ДЛЯ МОДЕЛИ: SUZUKI DT3.5VE(QD/VE) E

Язычковый клапан


Год выпуска двигателя: 1984

Регион: Japan

Номер на
рисунке
АртикулНаименованиеQTYКол-во
на складе
Цена
113122-98300-000

Прокладка седла клапана - Gasket, Valve Seat (Gasket, Valve Seat)

под заказ500 руб.
113122-98360-000

   (актуальный код замены) Прокладка седла клапана - Gasket, Valve Seat

под заказ500 руб.
113122-98360-000

Прокладка седла клапана - Gasket, Valve Seat (Gasket, Valve Seat)

под заказ500 руб.
213150-98301-000

Запчасть снята с производства - The Spare Part Is Laid Off (The Spare Part Is Laid Off)

под заказ0 руб.
313121-98300-000

Запчасть снята с производства - The Spare Part Is Laid Off (The Spare Part Is Laid Off)

под заказ0 руб.
313121-98360-000

   (актуальный код замены) Запчасть снята с производства - The Spare Part Is Laid Off

под заказ0 руб.
313121-98360-000

Запчасть снята с производства - The Spare Part Is Laid Off (The Spare Part Is Laid Off)

под заказ0 руб.
412481-98301-02M

Запчасть снята с производства - The Spare Part Is Laid Off (The Spare Part Is Laid Off)

под заказ0 руб.
412481-98301-0ED

   (актуальный код замены) Запчасть снята с производства - The Spare Part Is Laid Off

под заказ0 руб.
508321-21068-000

Шайба с блокировкой - Washer, Lock (Washer, Lock)

под заказ140 руб.
508321-01067-000

   (актуальный код замены) Шайба с блокировкой - Washer, Lock

под заказ140 руб.
508321-01067-000

Шайба с блокировкой - Washer, Lock (Washer, Lock)

под заказ140 руб.
601107-06308-000

Болт - Bolt (Bolt)

под заказ190 руб.
601500-06307-000

   (актуальный код замены) Болт - Bolt

под заказ190 руб.
601500-06307-000

Болт - Bolt (Bolt)

под заказ190 руб.
713125-98300-000

Прокладка карбюратора - Gasket, Carburetor (Gasket, Carburetor)

под заказ400 руб.
713125-98310-000

   (актуальный код замены) Прокладка карбюратора - Gasket, Carburetor

1 шт400 руб.
713125-98310-000

Прокладка карбюратора - Gasket, Carburetor (Gasket, carburetor ) (Gasket, Carburetor)

1 шт400 руб.
801421-06168-000

Болт под шпильку - Bolt, Stud (Bolt, Stud)

под заказ150 руб.
801421-0616A-000

   (актуальный код замены) Болт под шпильку - Bolt, Stud

под заказ150 руб.
801421-0616A-000

Болт под шпильку - Bolt, Stud (Bolt, Stud)

под заказ150 руб.
908316-16066-000

Гайка - Nut (Nut)

под заказ190 руб.
908316-1006B-000

   (актуальный код замены) Гайка - Nut

под заказ190 руб.
908316-1006B-000

Гайка - Nut (Nut)

под заказ190 руб.


Время выполнения запроса 1.3616809844971 сек.

 
 

данный сайт носит информационный характер и не является публичной офертой

склад запчастей для водомоторной техники