Комплектующие на лодочный мотор SUZUKI модель 1984 года - Fuel tank
вконтакте

Контактный телефон: +7 (981) 121-46-93, +7 (800) 200-90-76 , Email: parts-katalog@yandex.ru, где купить

 
 

  Логин:

Пароль:

Регистрация

www.partskatalog.ru Все каталоги Запчасти Mercury Запчасти Suzuki Запчасти Tohatsu Запчасти Honda Контакты



УВАЖАЕМЫЕ КЛИЕНТЫ!
C 19 ДЕКАБРЯ 2025 ПО 02 МАРТА 2026 ГОДА ОТДЕЛ ЗАПЧАСТЕЙ И СЕРВИС РАБОТАТЬ НЕ БУДУТ
ПРОДАЖА ЛОДОЧНЫХ МОТОРОВ В ШТАТНОМ РЕЖИМЕ
ОБ ИЗМЕНЕНИЯХ В ГРАФИКЕ РАБОТЫ ЧИТАЙТЕ НА САЙТА



назад Раздел:   вперёд

Вернуться к выбору узлов мотора


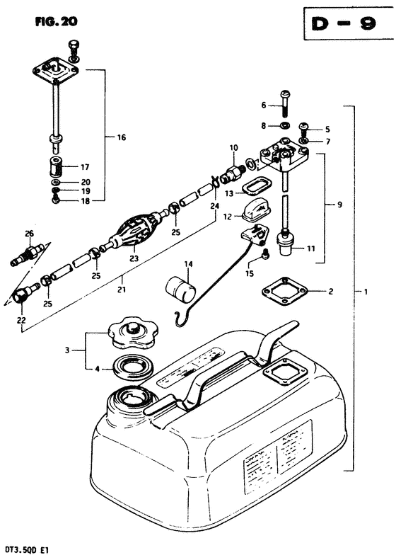
ДЕТАЛИРОВКА ДЛЯ МОДЕЛИ: SUZUKI DT3.5VE(QD/VE) E

Топливный бак


Год выпуска двигателя: 1984

Регион: Japan

Номер на
рисунке
АртикулНаименованиеQTYКол-во
на складе
Цена
165000-93500-000

под заказнет сведений
265871-93010-000

Прокладка, Fuel Gauge - Gasket, Fuel Gauge (Gasket, fuel gauge # Gasket, fuel gage; ) (Gasket, Fuel Gauge)

под заказ240 руб.
365510-98507-000

Крышка горловины топливного бака, в сборе - Cap Assy, Fuel Tank (Cap Assy, Fuel Tank)

под заказ0 руб.
365510-92D00-000

   (актуальный код замены) Запчасть снята с производства - The Spare Part Is Laid Off

под заказ0 руб.
365510-92D00-000

Крышка горловины топливного бака, в сборе - Cap Assy, Fuel Tank (Cap assy, separate tank ) (Cap Assy, Fuel Tank)

под заказ0 руб.
465561-98502-000

Запчасть снята с производства - The Spare Part Is Laid Off (Gasket, cap;) (The Spare Part Is Laid Off)

под заказ0 руб.
502112-06168-000

Винт - Screw (Screw)

под заказ120 руб.
502112-06167-000

   (актуальный код замены) Винт - Screw

под заказ120 руб.
502112-06167-000

Винт - Screw (Screw)

под заказ120 руб.
602112-06408-000

Винт - Screw (Screw)

под заказ130 руб.
602112-06407-000

   (актуальный код замены) Винт - Screw

под заказ130 руб.
602112-06407-000

Винт - Screw (Screw)

под заказ130 руб.
709168-06002-000

Прокладка (6.2x11x1.2) - Gasket (62x11x12) (Model qd) (Gasket (6.2x11x1.2))

под заказ120 руб.
709168-06004-000

   (актуальный код замены) Прокладка (6.2x11x1.2) - Gasket (6.2x11x1.2)

под заказ120 руб.
709168-06004-000

Прокладка (6.2x11x1.2) - Gasket (62x11x12) (Washer (6x11.8x1.5) ) (Gasket (6.2x11x1.2))

под заказ120 руб.
808322-21068-000

Шайба - Washer (Model qd) (Washer)

под заказ140 руб.
808322-01067-000

   (актуальный код замены) Шайба - Washer

10 шт160 руб.
808322-01067-000

Шайба - Washer (Washer)

10 шт160 руб.
965850-98103-000

Запчасть снята с производства - The Spare Part Is Laid Off (The Spare Part Is Laid Off)

под заказ0 руб.
965850-98105-000

   (актуальный код замены) Запчасть снята с производства - The Spare Part Is Laid Off

под заказ0 руб.
1065740-95500-000

Разъем топливного коннектора - Plug, Fuel Connector (Connector, fuel # Plug, connector; ) (Plug, Fuel Connector)

под заказ2720 руб.
1065740-95501-000

   (актуальный код замены) Разъем топливного коннектора - Plug, Fuel Connector

под заказ2720 руб.
1165830-95500-000

Фильтр - Filter (Filter)

под заказ1180 руб.
1265853-93001-000

Топливный фильтр Gauge - Strainer, Fuel Gauge (Strainer; ) (Strainer, Fuel Gauge)

под заказ0 руб.
1365854-93001-000

Прокладка - Gasket (Gasket, strainer; ) (Gasket)

под заказ0 руб.
1465864-95200-000

Запчасть снята с производства - The Spare Part Is Laid Off (Float;) (The Spare Part Is Laid Off)

под заказ0 руб.
1502112-04108-000

Винт - Screw (Screw)

под заказ120 руб.
1502112-04107-000

   (актуальный код замены) Винт - Screw

под заказ120 руб.
1502112-04107-000

Винт - Screw (Screw)

под заказ120 руб.
1665880-98500-000

выход в сборе, Separate Tank - Outlet Assy, Separate Tank (Outlet, separate tank # Outlet assy, tank; ) (Outlet Assy, Separate Tank)

под заказ0 руб.
1765830-93301-000

Запчасть снята с производства - The Spare Part Is Laid Off (The Spare Part Is Laid Off)

под заказ0 руб.
1802112-05088-000

Винт - Screw (Screw)

под заказ120 руб.
1802112-05087-000

   (актуальный код замены) Винт - Screw

под заказ120 руб.
1802112-05087-000

Винт - Screw (Screw)

под заказ120 руб.
1908321-21058-000

Шайба с блокировкой - Washer, Lock (Washer, Lock)

под заказ140 руб.
1908321-0105A-000

   (актуальный код замены) Шайба с блокировкой - Washer, Lock

под заказ140 руб.
1908321-0105A-000

Шайба с блокировкой - Washer, Lock (Washer, Lock)

под заказ140 руб.
2008322-21058-000

Шайба - Washer (Washer)

под заказ140 руб.
2008322-01057-000

   (актуальный код замены) Шайба - Washer

под заказ140 руб.
2008322-01057-000

Шайба - Washer (Washer, front hook holder ) (Washer)

под заказ140 руб.
2165700-98506-000

Топливный шланг (от бака до коннектораector) - Hose, Fuel (tank To Connector) (Hose, Fuel (tank To Connector))

под заказ0 руб.
2165700-98526-000

Топливный шланг (от бака до коннектораector) - Hose, Fuel (tank To Connector) (Hose, Fuel (tank To Connector))

под заказ0 руб.
2165700-98527-000

   (актуальный код замены) Запчасть снята с производства - The Spare Part Is Laid Off

под заказ0 руб.
2265750-98505-000

Разъём топливного шланга - Socket, Fuel Hose (Socket, fuel hose (out) # Socket, fuel hose; ) (Socket, Fuel Hose)

2 шт3240 руб.
2265750-98506-000

   (актуальный код замены) Разъём топливного шланга - Socket, Fuel Hose

под заказ3240 руб.
2365770-99702-000

Запчасть снята с производства - The Spare Part Is Laid Off (The Spare Part Is Laid Off)

под заказ0 руб.
2365770-99704-000

   (актуальный код замены) Запчасть снята с производства - The Spare Part Is Laid Off

под заказ0 руб.
2409401-11402-000

Зажим - Clip (Clip)

под заказ190 руб.
2409401-11403-000

   (актуальный код замены) Зажим - Clip

под заказ190 руб.
2409401-11403-000

Зажим - Clip (Clip ) (Clip)

под заказ190 руб.
2565781-98500-000

Зажим топливного шланга - Clip, Fuel Hose (Clip, Fuel Hose)

9 шт350 руб.
2665720-98590-000

Разъем топливного коннектора - Plug, Fuel Connector (Plug, fuel connector # Plug, fuel connector; Opt ) (Plug, Fuel Connector)

10 шт0 руб.
2665720-98591-000

   (актуальный код замены) Запчасть снята с производства - The Spare Part Is Laid Off

под заказ0 руб.


Время выполнения запроса 1.1841490268707 сек.

 
 

данный сайт носит информационный характер и не является публичной офертой

склад запчастей для водомоторной техники