Купить оригинальные запчасти на подвесной двигатель Suzuki - swivel bracket
вконтакте

Контактный телефон: +7 (981) 121-46-93, +7 (800) 200-90-76 , Email: parts-katalog@yandex.ru, где купить

 
 

  Логин:

Пароль:

Регистрация

www.partskatalog.ru Все каталоги Запчасти Mercury Запчасти Suzuki Запчасти Tohatsu Запчасти Honda Контакты



УВАЖАЕМЫЕ КЛИЕНТЫ!
C 19 ДЕКАБРЯ 2025 ПО 02 МАРТА 2026 ГОДА ОТДЕЛ ЗАПЧАСТЕЙ И СЕРВИС РАБОТАТЬ НЕ БУДУТ
ПРОДАЖА ЛОДОЧНЫХ МОТОРОВ В ШТАТНОМ РЕЖИМЕ
ОБ ИЗМЕНЕНИЯХ В ГРАФИКЕ РАБОТЫ ЧИТАЙТЕ НА САЙТА



назад Раздел:   вперёд

Вернуться к выбору узлов мотора


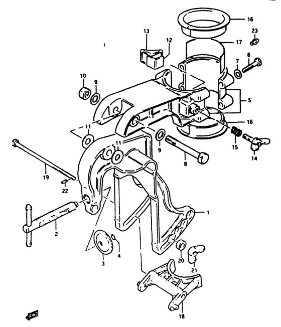
ДЕТАЛИРОВКА ДЛЯ МОДЕЛИ: SUZUKI DT3.5F F

Кронштейн транца - Поворотный кронштейн


Год выпуска двигателя: 1985

Регион: Japan

Номер на
рисунке
АртикулНаименованиеQTYКол-во
на складе
Цена
141111-98400-01J

Запчасть снята с производства - The Spare Part Is Laid Off (To 41111-98401-01j) (The Spare Part Is Laid Off)

под заказ0 руб.
141111-98401-01J

   (актуальный код замены) Запчасть снята с производства - The Spare Part Is Laid Off

под заказ0 руб.
241210-98400-000

Запчасть снята с производства - The Spare Part Is Laid Off (The Spare Part Is Laid Off)

под заказ0 руб.
341213-99001-000

Пластина струбцины - Plate, Clamp (Plate, Clamp)

под заказ390 руб.
341213-94J01-000

   (актуальный код замены) Пластина струбцины - Plate, Clamp

под заказ420 руб.
341213-98100-000

Пластина струбцины - Plate, Clamp (Plate, clamp ) (Plate, Clamp)

под заказ390 руб.
341213-94J01-000

   (актуальный код замены) Пластина струбцины - Plate, Clamp

под заказ420 руб.
409380-07001-000

Запчасть снята с производства - The Spare Part Is Laid Off (The Spare Part Is Laid Off)

под заказ0 руб.
543110-98404-01J

(To 43110-98405-01j)

под заказ0 руб.
509100-06005-000

Болт (6x6) - Bolt (6x6) (Bolt, swivel (6x6) ) (Bolt (6x6))

под заказ160 руб.
509160-06125-000

Шайба (6.5x14x1.6) - Washer (65x14x16) (Washer (6.5x14x1.6) ) (Washer (6.5x14x1.6))

под заказ150 руб.
509160-06125-000

Шайба (6.5x14x1.6) - Washer (65x14x16) (Washer (6.5x14x1.6) ) (Washer (6.5x14x1.6))

под заказ150 руб.
609100-06049-000

Болт (6x30) - Bolt (6x30) (Bolt (6x30))

под заказ0 руб.
609100-06083-000

   (актуальный код замены) Запчасть снята с производства - The Spare Part Is Laid Off

под заказ0 руб.
609100-06083-000

Болт (6x30) - Bolt (6x30) (Bolt (6*30) ) (Bolt (6x30))

под заказ0 руб.
709160-06015-000

Шайба (6.5x13x1.0) - Washer (65x13x10) (Washer (6.5x13x1.0))

под заказ120 руб.
709160-06082-000

   (актуальный код замены) Шайба (6.5x13x1.0) - Washer (6.5x13x1.0)

7 шт150 руб.
709160-06082-000

Шайба (6.5x13x1.0) - Washer (65x13x10) (Washer (6.5x13x1.0))

7 шт150 руб.
809100-08131-000

Запчасть снята с производства - The Spare Part Is Laid Off (Bolt, swivel shaft (8x12);) (The Spare Part Is Laid Off)

под заказ0 руб.
909160-08015-000

Шайба (8.5x16x1.2) - Washer (85x16x12) (8.5x16x1.2) (Washer (8.5x16x1.2))

под заказ120 руб.
909160-08082-000

   (актуальный код замены) Шайба (8.5x16x1.2) - Washer (8.5x16x1.2)

13 шт120 руб.
909160-08082-000

Шайба (8.5x16x1.2) - Washer (85x16x12) (Washer (8.5x16x1.2))

13 шт120 руб.
1009159-08018-000

Гайка - Nut (Nut, swivel shaft # Nut, swivel shaft; ) (Nut)

10 шт210 руб.
1109160-08014-000

Шайба (8.5x23x1.5) - Washer (85x23x15) (Washer, tilt friction; 8.5x23x1.5) (Washer (8.5x23x1.5))

под заказ210 руб.
1109160-08081-000

   (актуальный код замены) Шайба (8.5x23x1.5) - Washer (8.5x23x1.5)

4 шт210 руб.
1109160-08081-000

Шайба (8.5x23x1.5) - Washer (85x23x15) (Washer, clutch lever ) (Washer (8.5x23x1.5))

4 шт210 руб.
1243415-98401-000

Пластина рулевого управления Регулятор - Plate, Steering Adjuster (Plate, Steering Adjuster)

под заказ180 руб.
1243415-98402-000

   (актуальный код замены) Пластина рулевого управления Регулятор - Plate, Steering Adjuster

под заказ180 руб.
1243415-98402-000

Пластина рулевого управления Регулятор - Plate, Steering Adjuster (Plate, Steering Adjuster)

под заказ180 руб.
1343416-98401-000

Резинка регулировки рулевого управления - Rubber, Steering Adjuster (Rubber, Steering Adjuster)

под заказ310 руб.
1409119-06038-000

Болт, Рулевая система Adjudter - Bolt, Steering Adjudter (Bolt, Steering Adjudter)

под заказ640 руб.
1409119-06130-000

   (актуальный код замены) Болт, Рулевая система Adjudter - Bolt, Steering Adjudter

10 шт640 руб.
1409119-06130-000

Болт, Рулевая система Adjudter - Bolt, Steering Adjudter (Bolt, Steering Adjudter)

10 шт640 руб.
1409119-06130-000

Болт, Рулевая система Adjudter - Bolt, Steering Adjudter (Bolt, Steering Adjudter)

10 шт640 руб.
1509440-09009-000

Пружина - Spring (To 09440-09012) (Spring)

под заказ150 руб.
1509440-09042-000

   (актуальный код замены) Пружина - Spring

10 шт190 руб.
1509440-09042-000

Пружина - Spring (Spring, steering adjuster ) (Spring)

10 шт190 руб.
1643711-98400-000

Втулка рулевой системы - Bush, Steering (To 43711-98401) (Bush, Steering)

под заказ600 руб.
1643711-98401-000

   (актуальный код замены) Втулка рулевой системы - Bush, Steering

4 шт710 руб.
1643711-98401-000

Втулка рулевой системы - Bush, Steering (Bushing, steering ) (Bush, Steering)

4 шт710 руб.
1643711-98401-000

Втулка рулевой системы - Bush, Steering (Bushing, steering # Bushing, steering; Dt2d-13472~ ) (Bush, Steering)

4 шт710 руб.
1743125-98400-000

Запчасть снята с производства - The Spare Part Is Laid Off (The Spare Part Is Laid Off)

под заказ0 руб.
1845411-98400-000

Упорный блок - Block, Thrust (To 45411-98401) (Block, Thrust)

под заказ3000 руб.
1845411-98410-000

   (актуальный код замены) Упорный блок - Block, Thrust

под заказ3000 руб.
1845411-98410-000

Упорный блок - Block, Thrust (Block, Thrust)

под заказ3000 руб.
1909101-06006-000

Болт (6x115) - Bolt (6x115) (Bolt (6x115))

под заказ560 руб.
1909101-06009-000

   (актуальный код замены) Болт (6x115) - Bolt (6x115)

под заказ560 руб.
1909101-06009-000

Болт (6x115) - Bolt (6x115) (Bolt, tilt lock ) (Bolt (6x115))

под заказ560 руб.
2009180-06070-000

Запчасть снята с производства - The Spare Part Is Laid Off (6.5x13.5x9.5) (The Spare Part Is Laid Off)

под заказ0 руб.
2109144-06004-000

Гайка - Nut (Nut, tilt lock wing # Wing nut, tilt lock; ) (Nut)

под заказ0 руб.
2209205-03010-000

Стопор пружины (3x8) - Pin, Spring (3x8) (Pin, tilt lock (3x6);) (Pin, Spring (3x8))

под заказ130 руб.
2209205-03032-000

   (актуальный код замены) Стопор пружины (3x8) - Pin, Spring (3x8)

под заказ130 руб.
2209205-03032-000

Стопор пружины (3x8) - Pin, Spring (3x8) (Pin (3x8) ) (Pin, Spring (3x8))

под заказ130 руб.
2322511-99000-000

Ниппель смазки - Nipple, Grease (Nipple, Grease)

под заказ340 руб.
2322511-99011-000

   (актуальный код замены) Ниппель смазки - Nipple, Grease

9 шт400 руб.
2322511-99011-000

Ниппель смазки - Nipple, Grease (Nipple, Grease)

9 шт400 руб.


Время выполнения запроса 2.204717874527 сек.

 
 

данный сайт носит информационный характер и не является публичной офертой

склад запчастей для водомоторной техники