Купить запчасти на подвесной двигатель Suzuki модель 1985 года - Трансмиссия - Transmission
вконтакте

Контактный телефон: +7 (981) 121-46-93, +7 (800) 200-90-76 , Email: parts-katalog@yandex.ru, где купить

 
 

  Логин:

Пароль:

Регистрация

www.partskatalog.ru Все каталоги Запчасти Mercury Запчасти Suzuki Запчасти Tohatsu Запчасти Honda Контакты

назад Раздел:   вперёд

Вернуться к выбору узлов мотора


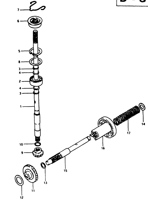
ДЕТАЛИРОВКА ДЛЯ МОДЕЛИ: SUZUKI DT3.5F F

Трансмиссия


Год выпуска двигателя: 1985

Регион: Japan

Номер на
рисунке
АртикулНаименованиеQTYКол-во
на складе
Цена
157110-98310-000

Запчасть снята с производства - The Spare Part Is Laid Off (S type) (The Spare Part Is Laid Off)

под заказ0 руб.
157110-98320-000

Запчасть снята с производства - The Spare Part Is Laid Off (L type) (The Spare Part Is Laid Off)

под заказ0 руб.
208113-62000-000

Подшипник - Bearing (Bearing, propeller shaft ) (Bearing)

1 шт1040 руб.
308331-31109-000

Стопорное кольцо - Circlip (Circlip)

под заказ130 руб.
408211-10161-000

Регулировочная шайба (10x16x1) - Shim (10x16x1) (Shim (10x16x1))

под заказ150 руб.
409181-10139-000

   (актуальный код замены) Регулировочная шайба (10x16x1) - Shim (10x16x1)

под заказ150 руб.
409181-10139-000

Регулировочная шайба (10x16x1) - Shim (10x16x1) (Shim (10x16x1))

под заказ150 руб.
508331-41309-000

Стопорное кольцо - Circlip (Circlip)

7 шт210 руб.
609289-10004-000

Сальник (10x30x9) - Seal, Oil (10x30x9) (Oil seal, drive shaft # Oil seal, drive shaft; 10x35x9 ) (Seal, Oil (10x30x9))

1 шт890 руб.
709381-36001-000

Запчасть снята с производства - The Spare Part Is Laid Off (To 09387-39001) (The Spare Part Is Laid Off)

под заказ0 руб.
709387-39001-000

   (актуальный код замены) Запчасть снята с производства - The Spare Part Is Laid Off

под заказ0 руб.
957311-98300-000

Запчасть снята с производства - The Spare Part Is Laid Off (The Spare Part Is Laid Off)

под заказ0 руб.
1157511-98300-000

Запчасть снята с производства - The Spare Part Is Laid Off (To 57510-98300) (The Spare Part Is Laid Off)

под заказ0 руб.
1157310-98810-000

   (актуальный код замены) Запчасть снята с производства - The Spare Part Is Laid Off

под заказ0 руб.
1157510-98300-000

Запчасть снята с производства - The Spare Part Is Laid Off (The Spare Part Is Laid Off)

под заказ0 руб.
1157310-98810-000

   (актуальный код замены) Запчасть снята с производства - The Spare Part Is Laid Off

под заказ0 руб.
1557611-98300-000

Запчасть снята с производства - The Spare Part Is Laid Off (The Spare Part Is Laid Off)

под заказ0 руб.
1657621-98300-000

Запчасть снята с производства - The Spare Part Is Laid Off (The Spare Part Is Laid Off)

под заказ0 руб.
1709440-17003-000

Запчасть снята с производства - The Spare Part Is Laid Off (The Spare Part Is Laid Off)

под заказ0 руб.


Время выполнения запроса 0.66016221046448 сек.

 
 

данный сайт носит информационный характер и не является публичной офертой

склад запчастей для водомоторной техники