Комплектующие на подвесной двигатель Suzuki модель 1986 года - Gear case - Картер коробки передач
вконтакте

Контактный телефон: +7 (981) 121-46-93, +7 (800) 200-90-76 , Email: parts-katalog@yandex.ru, где купить

 
 

  Логин:

Пароль:

Регистрация

www.partskatalog.ru Все каталоги Запчасти Mercury Запчасти Suzuki Запчасти Tohatsu Запчасти Honda Контакты



УВАЖАЕМЫЕ КЛИЕНТЫ!
C 19 ДЕКАБРЯ 2025 ПО 02 МАРТА 2026 ГОДА ОТДЕЛ ЗАПЧАСТЕЙ И СЕРВИС РАБОТАТЬ НЕ БУДУТ
ПРОДАЖА ЛОДОЧНЫХ МОТОРОВ В ШТАТНОМ РЕЖИМЕ
ОБ ИЗМЕНЕНИЯХ В ГРАФИКЕ РАБОТЫ ЧИТАЙТЕ НА САЙТА



назад Раздел:   вперёд

Вернуться к выбору узлов мотора


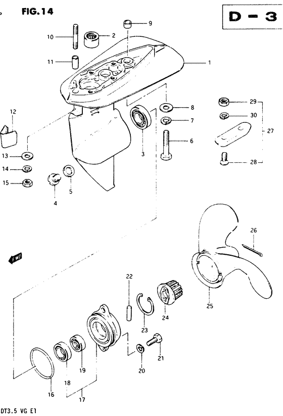
ДЕТАЛИРОВКА ДЛЯ МОДЕЛИ: SUZUKI DT3.5VG(VG) G

Картер коробки передач


Год выпуска двигателя: 1986

Регион: Japan

Номер на
рисунке
АртикулНаименованиеQTYКол-во
на складе
Цена
155110-98300-02M

Запчасть снята с производства - The Spare Part Is Laid Off (The Spare Part Is Laid Off)

под заказ0 руб.
209263-14010-000

Подшипник (14x22x16) - Bearing (14x22x16) (Bearing, pinion # Bearing, pinion (14x22x16); ) (Bearing (14x22x16))

под заказ1320 руб.
309262-17019-000

Подшипник (17x35x8) - Bearing (17x35x8) (Bearing, clutch shaft # Bearing, gear (17x35x8); ) (Bearing (17x35x8))

12 шт2120 руб.
316003NTN

   (подбор по маркировке) Подшипник NTN 16003(17*35*8 мм)

под заказ190 руб.
409248-10005-000

Заглушка (10x7.5) - Plug (10x75) (Plug (10x7.5))

под заказ490 руб.
409248-10008-000

   (актуальный код замены) Заглушка (10x7.5) - Plug (10x7.5)

120 шт500 руб.
409248-10008-000

Заглушка (10x7.5) - Plug (10x75) (Plug (10x7.5))

120 шт500 руб.
509168-10022-000

Прокладка (10x17x1.5) - Gasket (10x17x15) (Gasket, drain plug; ) (Gasket (10x17x1.5))

2205 шт150 руб.
609100-08232-000

Болт (8x30) - Bolt (8x30) (Bolt (8x30); ) (Bolt (8x30))

6 шт350 руб.
709162-08003-000

Шайба с блокировкой - Washer, Lock (Washer, Lock)

под заказ160 руб.
709162-08007-000

   (актуальный код замены) Шайба с блокировкой - Washer, Lock

под заказ160 руб.
709162-08007-000

Шайба с блокировкой - Washer, Lock (Lock washer ) (Washer, Lock)

под заказ160 руб.
809160-08082-000

Шайба (8.5x16x1.2) - Washer (85x16x12) (Washer (8.5x16x1.6); ) (Washer (8.5x16x1.2))

13 шт120 руб.
909206-11006-000

Штифт (8.4x11x8) - Pin (84x11x8) (Pin, knock ) (Pin (8.4x11x8))

под заказ290 руб.
1009108-06061-000

Болт под шпильку - Bolt, Stud (Bolt, stud (6x35) # Stud bolt; ) (Bolt, Stud)

3 шт440 руб.
1109206-09003-000

Штифт (6.4x9x20) - Pin (64x9x20) (Dowel pin # Pin; ) (Pin (6.4x9x20))

под заказ440 руб.
1255112-98400-02M

Крышка картера коробки передач Болт - Cover, Gear Case Bolt (Cover, Gear Case Bolt)

под заказ0 руб.
1255112-98401-0ED

   (актуальный код замены) Запчасть снята с производства - The Spare Part Is Laid Off

под заказ0 руб.
1255112-98401-0ED

Крышка картера коробки передач Болт - Cover, Gear Case Bolt (Cover, Gear Case Bolt)

под заказ0 руб.
1309160-06082-000

Шайба (6.5x13x1.0) - Washer (65x13x10) (Washer (6.5x13x1); ) (Washer (6.5x13x1.0))

7 шт150 руб.
1409162-06006-000

Шайба с блокировкой - Washer, Lock (Lock washer ) (Washer, Lock)

под заказ160 руб.
1509140-06020-000

Гайка - Nut (Nut)

9 шт150 руб.
1609280-50003-000

Уплотнительное кольцо (d: 2.3, Id: 49.9) - O Ring (d:23, Id:499) (O ring, bearing housing ) (O Ring (d:2.3, Id:49.9))

под заказ0 руб.
1756110-98302-02M

Корпус подшипника (gray) - Housing, Bearing (gray) (Housing, Bearing (gray))

под заказ0 руб.
1756110-98302-0ED

   (актуальный код замены) Запчасть снята с производства - The Spare Part Is Laid Off

под заказ0 руб.
1756110-98302-0ED

Корпус подшипника (gray) - Housing, Bearing (gray) (Housing, Bearing (gray))

под заказ0 руб.
1808113-62017-000

Подшипник - Bearing (Bearing, propeller shaft ) (Bearing)

под заказ1260 руб.
1808113-6201B-000

   (актуальный код замены) Подшипник - Bearing

под заказ1260 руб.
1909289-12002-000

Сальник (12x28x8) - Seal, Oil (12x28x8) (Oil seal (12x28x8) # Oil seal, bearing housing; 12x28x8 ) (Seal, Oil (12x28x8))

33 шт970 руб.
2009162-06001-000

Шайба с блокировкой - Washer, Lock (Washer, Lock)

под заказ160 руб.
2009162-06006-000

   (актуальный код замены) Шайба с блокировкой - Washer, Lock

под заказ160 руб.
2009162-06006-000

Шайба с блокировкой - Washer, Lock (Lock washer ) (Washer, Lock)

под заказ160 руб.
2109100-06103-000

Болт (6x20) - Bolt (6x20) (Bolt (6x20))

под заказ270 руб.
2109117-06031-000

   (актуальный код замены) Болт (6x20) - Bolt (6x20)

под заказ270 руб.
2109117-06031-000

Болт (6x20) - Bolt (6x20) (Bolt (6x20) ) (Bolt (6x20))

под заказ270 руб.
2209202-04002-000

Штифт - Pin (Shear pin; ) (Pin)

397 шт220 руб.
22SK09202-04002

   (не оригинальный аналог) Шпонка гребного винта Skipper для Suzuki DF2.5-6/DT2-5

0 шт116 руб.
2309381-36002-000

Стопорное кольцо - Circlip (Circlip)

под заказ0 руб.
2309381-36003-000

   (актуальный код замены) Запчасть снята с производства - The Spare Part Is Laid Off

под заказ0 руб.
2309381-36003-000

Стопорное кольцо - Circlip (Circlip)

под заказ0 руб.
2458120-98301-000

Втулка гребного винта - Bush, Propeller (Bushing, propeller ) (Bush, Propeller)

под заказ0 руб.
2558111-98304-01T

Гребной винт (3x7-1 / 2x5-7 / 8) - Propeller (3x7-1/2x5-7/8) (Std) (Propeller (3x7-1/2x5-7/8))

под заказ0 руб.
2558111-98304-019

   (актуальный код замены) Запчасть снята с производства - The Spare Part Is Laid Off

под заказ0 руб.
2558111-98304-019

Гребной винт (3x7-1 / 2x5-7 / 8) - Propeller (3x7-1/2x5-7/8) (Propeller (3x7-1/2x5-7/8))

под заказ0 руб.
2558111-98313-01T

Гребной винт (3x7-1 / 2x5-1 / 4) - Propeller (3x7-1/2x5-1/4) (Propeller (3x7-1/2x5-1/4))

под заказ10800 руб.
2558111-98313-019

   (актуальный код замены) Гребной винт (3x7-1 / 2x5-1 / 4) - Propeller (3x7-1/2x5-1/4)

под заказ10800 руб.
2558111-98313-019

Гребной винт (3x7-1 / 2x5-1 / 4) - Propeller (3x7-1/2x5-1/4) (Propeller (3x7-1/2x5-1/4))

под заказ10800 руб.
2609204-02001-000

Штифт - Pin (Pin, cotter ) (Pin)

155 шт260 руб.
2755300-95500-000

Цинковая защита, в сборе - Zinc Assy, Protection (Zinc, protection # Opt ) (Zinc Assy, Protection)

2 шт1940 руб.
2809126-06004-000

Запчасть снята с производства - The Spare Part Is Laid Off (Opt) (The Spare Part Is Laid Off)

под заказ0 руб.
2909140-06004-000

Гайка - Nut (Opt) (Nut)

под заказ150 руб.
2909140-06020-000

   (актуальный код замены) Гайка - Nut

9 шт150 руб.
2909140-06020-000

Гайка - Nut (Nut)

9 шт150 руб.
3009162-06001-000

Шайба с блокировкой - Washer, Lock (Opt) (Washer, Lock)

под заказ160 руб.
3009162-06006-000

   (актуальный код замены) Шайба с блокировкой - Washer, Lock

под заказ160 руб.
3009162-06006-000

Шайба с блокировкой - Washer, Lock (Lock washer ) (Washer, Lock)

под заказ160 руб.


Время выполнения запроса 8.4462058544159 сек.

 
 

данный сайт носит информационный характер и не является публичной офертой

склад запчастей для водомоторной техники