| |
 |
|
 |
Вернуться к выбору узлов мотора
ДЕТАЛИРОВКА ДЛЯ МОДЕЛИ: SUZUKI DT2.2SK3(P11) K3
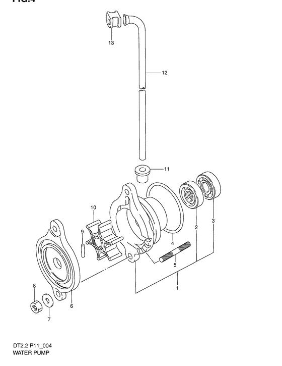
Водяной насос
Год выпуска двигателя: 2003
Регион: General Export No.2
Цвет: Shadow Black Metallic
Номер на рисунке | Артикул | Наименование | QTY | Кол-во на складе | Цена |
| 1 | 17410-98403-0ED | Корпус водяного насоса - Case, Water Pump (Case, water pump (grya); ) (Case, Water Pump) | | под заказ | 0 руб. |
| 1 | 17410-98403-0EP | Корпус водяного насоса - Case, Water Pump (Case, water pump (black); Model:02~05 ) (Case, Water Pump) | | под заказ | 31920 руб. |
| 2 | 09289-10005-000 | Сальник (10x26x9) - Seal, Oil (10x26x9) (Oil seal (10x26x8) # Oil seal (10x26x8); ) (Seal, Oil (10x26x9)) | | 31 шт | 830 руб. |
| 3 | 09262-10015-000 | Подшипник (10x26x8) - Bearing (10x26x8) (Bearing ) (Bearing (10x26x8)) | | под заказ | 1340 руб. |
| 4 | 09280-48002-000 | Уплотнительное кольцо (d: 2.6, Id: 47.4) - O Ring (d:26, Id:474) (O ring (id:47.4, d:2.6); ) (O Ring (d:2.6, Id:47.4)) | | 4 шт | 270 руб. |
| 5 | 09108-06063-000 | Болт под шпильку - Bolt, Stud (Stud bolt (6x20) # Stud bolt (6x12); ) (Bolt, Stud) | | под заказ | 380 руб. |
| 6 | 17471-98400-0ED | Крышка помпы Case - Cover, Pump Case (Cover, pump case (gray); ) (Cover, Pump Case) | | 3 шт | 0 руб. |
| 6 | 17471-98400-0EP | Крышка помпы Case (чёрный) - Cover, Pump Case (black) (Cover, pump case (black); Model:02~05 ) (Cover, Pump Case (black)) | | 1 шт | 14210 руб. |
| 7 | 09160-06082-000 | Шайба (6.5x13x1.0) - Washer (65x13x10) (Washer (6.5x13x1); ) (Washer (6.5x13x1.0)) | | 6 шт | 150 руб. |
| 8 | 09140-06020-000 | Гайка - Nut (Nut) | | 9 шт | 150 руб. |
| 9 | 09202-02006-000 | Штифт (2.9x14) - Pin (29x14) (Pin, pump case impeller # Pin (2.9x14); ) (Pin (2.9x14)) | | 22 шт | 190 руб. |
| 10 | 17461-98503-000 | Крыльчатка водяного насоса - Impeller, Water Pump (Impeller, Water Pump) | | под заказ | 2030 руб. |
| 10 | 17461-985M0-000 | (актуальный код замены) Крыльчатка водяного насоса - Impeller, Water Pump | | 39 шт | 2220 руб. |
| 10 | SC-WT093 | (не оригинальный аналог) Крыльчатка помпы охлаждения двигателя Suzuki SC-WT093 | | под заказ | 950 руб. |
| 10 | 17461-985M0-000 | Крыльчатка водяного насоса - Impeller, Water Pump (Impeller, Water Pump) | | 39 шт | 2220 руб. |
| 11 | 09320-06022-000 | Втулка - Bush (Bush) | | 13 шт | 200 руб. |
| 11 | 09320-06028-000 | (актуальный код замены) Втулка - Bush | | 7 шт | 200 руб. |
| 12 | 17561-98402-000 | Водяная трубка - Tube, Water (Tube, water (l:515); ) (Tube, Water) | | 1 шт | 1960 руб. |
| 13 | 09309-06005-000 | Пыльник - Grommet (Grommet) | | 2 шт | 280 руб. |
Время выполнения запроса 0.63215804100037 сек. |
|