| |
|
|
 |
Вернуться к выбору узлов мотора
ДЕТАЛИРОВКА ДЛЯ МОДЕЛИ: SUZUKI DT2.2S K3
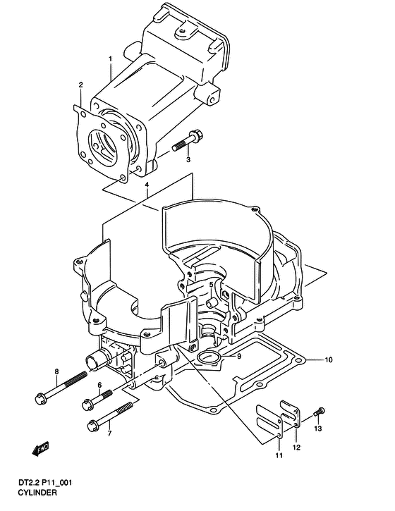
Цилиндр
Год выпуска двигателя: 2003
Цвет: Shadow Black Metallic
Номер на рисунке | Артикул | Наименование | QTY | Кол-во на складе | Цена |
| 1 | 11111-98421-0ED | Головка цилиндра (gray) - Head, Cylinder (gray) (Cylinder head ) (Head, Cylinder (gray)) | | под заказ | 0 руб. |
| 1 | 11111-98421-0EP | Головка цилиндра (чёрный) - Head, Cylinder (black) (MODEL:02~05 ) (Head, Cylinder (black)) | | под заказ | 0 руб. |
| 2 | 11141-94D20-000 | Прокладка головки блока цилиндра - Gasket, Cylinder Head (Gasket, Cylinder Head) | | 7 шт | 2000 руб. |
| 3 | 01580-06307-000 | Болт - Bolt (Bolt) | | под заказ | 240 руб. |
| 4 | 11301-94DA0-0ED | Запчасть снята с производства - The Spare Part Is Laid Off (The Spare Part Is Laid Off) | | под заказ | 0 руб. |
| 4 | 11301-94DA0-0EP | Case в сборе, Кривошип - Case Assy, Crank (MODEL:02~05 ) (Case Assy, Crank) | | под заказ | 0 руб. |
| 5 | 04211-09109-000 | Штифт - Pin (Knock pin ) (Pin) | | под заказ | 120 руб. |
| 6 | 01550-06357-000 | Болт - Bolt (Bolt, throttle lever no.2 ) (Bolt) | | 9 шт | 210 руб. |
| 7 | 01550-06707-000 | Болт - Bolt (Bolt) | | под заказ | 260 руб. |
| 8 | 01550-06707-000 | Болт - Bolt (Bolt) | | под заказ | 260 руб. |
| 9 | 09280-20002-000 | Уплотнительное кольцо (d: 3.1, Id: 19.4) - O Ring (d:31, Id:194) (O ring (id:19.4, d:3.1) ) (O Ring (d:3.1, Id:19.4)) | | 5 шт | 160 руб. |
| 10 | 52113-98411-000 | Прокладка, Корпус вала передачи - Gasket, Drive Shaft (Gasket, drive shaft housing ) (Gasket, Drive Shaft) | | 7 шт | 2250 руб. |
| 11 | 13153-19012-000 | Язычковый клапан - Valve, Reed (Valve, reed ) (Valve, Reed) | | под заказ | 970 руб. |
| 12 | 13152-19010-000 | Стопор язычкового клапана - Stopper, Reed Valve (Stopper, reed valve ) (Stopper, Reed Valve) | | под заказ | 690 руб. |
| 13 | 02112-33083-000 | Винт - Screw (Screw) | | под заказ | 150 руб. |
| 13 | 02112-3308A-000 | (актуальный код замены) Винт - Screw | | под заказ | 150 руб. |
| 13 | 02112-3308A-000 | Винт - Screw (Screw) | | под заказ | 150 руб. |
Время выполнения запроса 2.6671180725098 сек. |
|