Купить запчасти на подвесной двигатель Suzuki - Cylinder
вконтакте

Контактный телефон: +7 (981) 121-46-93, +7 (800) 200-90-76 , Email: parts-katalog@yandex.ru, где купить

 
 

  Логин:

Пароль:

Регистрация

www.partskatalog.ru Все каталоги Запчасти Mercury Запчасти Suzuki Запчасти Tohatsu Запчасти Honda Контакты



УВАЖАЕМЫЕ КЛИЕНТЫ!
C 31 ОКТЯБРЯ 2025 ПО 10 НОЯБРЯ 2025 ГОДА РАБОТАТЬ НЕ БУДЕМ



назад Раздел:   вперёд

Вернуться к выбору узлов мотора


ДЕТАЛИРОВКА ДЛЯ МОДЕЛИ: SUZUKI DT4D D

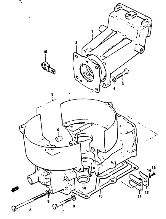
Цилиндр


Год выпуска двигателя: 1983

Регион: General Export No.1 ,Код региона: P01

Цвет: Francois Whte №2,Arctic Silver

Номер на
рисунке
АртикулНаименованиеQTYКол-во
на складе
Цена
111111-98400-01J

Головка цилиндра (gray) - Head, Cylinder (gray) (To 11111-98401-01j) (Head, Cylinder (gray))

под заказ0 руб.
111111-98421-0ED

   (актуальный код замены) Запчасть снята с производства - The Spare Part Is Laid Off

под заказ0 руб.
111111-98421-0ED

Головка цилиндра (gray) - Head, Cylinder (gray) (Cylinder head ) (Head, Cylinder (gray))

под заказ0 руб.
111111-98401-01J

Головка цилиндра (gray) - Head, Cylinder (gray) (To 11111-98402-01j) (Head, Cylinder (gray))

под заказ0 руб.
111111-98421-0ED

   (актуальный код замены) Запчасть снята с производства - The Spare Part Is Laid Off

под заказ0 руб.
111111-98421-0ED

Головка цилиндра (gray) - Head, Cylinder (gray) (Cylinder head ) (Head, Cylinder (gray))

под заказ0 руб.
211141-98400-000

Прокладка головки блока цилиндра - Gasket, Cylinder Head (Gasket, Cylinder Head)

под заказ2010 руб.
211141-98411-000

   (актуальный код замены) Прокладка головки блока цилиндра - Gasket, Cylinder Head

4 шт2010 руб.
211141-98411-000

Прокладка головки блока цилиндра - Gasket, Cylinder Head (Gasket, Cylinder Head)

4 шт2010 руб.
2SK11141-98411

   (не оригинальный аналог) Прокладка головки блока цилиндров Skipper для Suzuki Модели техники: 2-2.2

2 шт339 руб.
301107-06308-000

Болт - Bolt (Bolt)

под заказ190 руб.
301500-06307-000

   (актуальный код замены) Болт - Bolt

под заказ190 руб.
301500-06307-000

Болт - Bolt (Bolt)

под заказ190 руб.
408321-21068-000

Шайба с блокировкой - Washer, Lock (Washer, Lock)

под заказ140 руб.
408321-01067-000

   (актуальный код замены) Шайба с блокировкой - Washer, Lock

под заказ140 руб.
408321-01067-000

Шайба с блокировкой - Washer, Lock (Washer, Lock)

под заказ140 руб.
511300-98840-01J

(To 11300-98841-01j)

под заказ0 руб.
508211-32441-000

Шайба - Washer (Washer, thrust ) (Washer)

под заказ240 руб.
511300-98841-01J

(To 11300-98842-01j)

под заказ0 руб.
508211-32441-000

Шайба - Washer (Washer, thrust ) (Washer)

под заказ240 руб.
511300-98842-01J

(To 11300-98400-01j)

под заказ0 руб.
508211-32441-000

Шайба - Washer (Washer, thrust ) (Washer)

под заказ240 руб.
604211-09109-000

Штифт - Pin (Knock pin ) (Pin)

под заказ120 руб.
701107-06358-000

Болт - Bolt (Bolt)

под заказ190 руб.
701500-06357-000

   (актуальный код замены) Болт - Bolt

под заказ190 руб.
701500-06357-000

Болт - Bolt (Bolt)

под заказ190 руб.
809100-06062-000

Болт (6x70) - Bolt (6x70) (Bolt (6x70); ) (Bolt (6x70))

под заказ0 руб.
908321-21068-000

Шайба с блокировкой - Washer, Lock (Washer, Lock)

под заказ140 руб.
908321-01067-000

   (актуальный код замены) Шайба с блокировкой - Washer, Lock

под заказ140 руб.
908321-01067-000

Шайба с блокировкой - Washer, Lock (Washer, Lock)

под заказ140 руб.
1009280-20002-000

Уплотнительное кольцо (d: 3.1, Id: 19.4) - O Ring (d:31, Id:194) (O ring (id:19.4, d:3.1) # O ring, cylinder; Id:19.4, d:3.1 ) (O Ring (d:3.1, Id:19.4))

5 шт160 руб.
1113153-19012-000

Язычковый клапан - Valve, Reed (Valve, reed # Valve, read; ) (Valve, Reed)

под заказ970 руб.
1213152-19010-000

Стопор язычкового клапана - Stopper, Reed Valve (Stopper, reed valve ) (Stopper, Reed Valve)

под заказ690 руб.
1302112-03088-000

Винт - Screw (Screw)

под заказ130 руб.
1302112-0308A-000

   (актуальный код замены) Винт - Screw

под заказ130 руб.
1302112-0308A-000

Винт - Screw (Screw)

под заказ130 руб.
1408321-21038-000

Шайба с блокировкой - Washer, Lock (Washer, Lock)

под заказ110 руб.
1408321-2103B-000

   (актуальный код замены) Шайба с блокировкой - Washer, Lock

под заказ110 руб.
1408321-2103B-000

Шайба с блокировкой - Washer, Lock (Washer, Lock)

под заказ110 руб.
1552113-98400-000

Прокладка, Корпус вала передачи - Gasket, Drive Shaft (Gasket, Drive Shaft)

под заказ2250 руб.
1552113-98411-000

   (актуальный код замены) Прокладка, Корпус вала передачи - Gasket, Drive Shaft

7 шт2250 руб.
1552113-98411-000

Прокладка, Корпус вала передачи - Gasket, Drive Shaft (Gasket, drive shaft housing ) (Gasket, Drive Shaft)

7 шт2250 руб.
1609403-10309-000

Струбцина - Clamp (Clamp)

под заказ210 руб.
1609403-10312-000

   (актуальный код замены) Струбцина - Clamp

под заказ210 руб.
1609403-10312-000

Струбцина - Clamp (Clamp)

под заказ210 руб.


Время выполнения запроса 1.7624011039734 сек.

 
 

данный сайт носит информационный характер и не является публичной офертой

склад запчастей для водомоторной техники