Купить комплектующие на подвесной двигатель Suzuki - Коленвал
вконтакте

Контактный телефон: +7 (981) 121-46-93, +7 (800) 200-90-76 , Email: parts-katalog@yandex.ru, где купить

 
 

  Логин:

Пароль:

Регистрация

www.partskatalog.ru Все каталоги Запчасти Mercury Запчасти Suzuki Запчасти Tohatsu Запчасти Honda Контакты



УВАЖАЕМЫЕ КЛИЕНТЫ!
C 19 ДЕКАБРЯ 2025 ПО 02 МАРТА 2026 ГОДА ОТДЕЛ ЗАПЧАСТЕЙ И СЕРВИС РАБОТАТЬ НЕ БУДУТ
ПРОДАЖА ЛОДОЧНЫХ МОТОРОВ В ШТАТНОМ РЕЖИМЕ
ОБ ИЗМЕНЕНИЯХ В ГРАФИКЕ РАБОТЫ ЧИТАЙТЕ НА САЙТА



назад Раздел:   вперёд

Вернуться к выбору узлов мотора


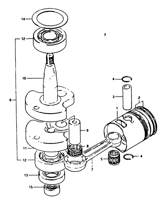
ДЕТАЛИРОВКА ДЛЯ МОДЕЛИ: SUZUKI DT4D D

Коленвал


Год выпуска двигателя: 1983

Регион: General Export No.1 ,Код региона: P01

Цвет: Francois Whte №2,Arctic Silver

Номер на
рисунке
АртикулНаименованиеQTYКол-во
на складе
Цена
112110-98006-000

Запчасть снята с производства - The Spare Part Is Laid Off (The Spare Part Is Laid Off)

под заказ0 руб.
112110-98006-025

Запчасть снята с производства - The Spare Part Is Laid Off (Os:0.25 opt) (The Spare Part Is Laid Off)

под заказ0 руб.
112103-98810-025

   (актуальный код замены) Запчасть снята с производства - The Spare Part Is Laid Off

под заказ0 руб.
112110-98006-050

Запчасть снята с производства - The Spare Part Is Laid Off (Os:0.5 opt) (The Spare Part Is Laid Off)

под заказ0 руб.
112103-98820-050

   (актуальный код замены) Запчасть снята с производства - The Spare Part Is Laid Off

под заказ0 руб.
212140-98013-000

Поршневые кольца - Ring Set, Piston (Ring set, piston ) (Ring Set, Piston)

под заказ0 руб.
212140-98013-025

Запчасть снята с производства - The Spare Part Is Laid Off (Os:0.25 opt) (The Spare Part Is Laid Off)

под заказ0 руб.
212140-19610-050

Запчасть снята с производства - The Spare Part Is Laid Off (Os:0.5 opt) (The Spare Part Is Laid Off)

под заказ0 руб.
312151-09204-000

Поршневой палец - Pin, Piston (Pin, piston ) (Pin, Piston)

под заказ760 руб.
409381-12001-000

Пружинное кольцо - Ring, Snap (Circlip # Circlip, piston pin; ) (Ring, Snap)

6 шт120 руб.
509263-12003-000

Подшипник (12x16x16) - Bearing (12x16x16) (12x16x15.8) (Bearing (12x16x16))

под заказ960 руб.
509263-12023-000

   (актуальный код замены) Подшипник (12x16x16) - Bearing (12x16x16)

5 шт1030 руб.
509263-12023-000

Подшипник (12x16x16) - Bearing (12x16x16) (Bearing (12x16x15.8) ) (Bearing (12x16x16))

5 шт1030 руб.
612200-98850-000

Запчасть снята с производства - The Spare Part Is Laid Off (The Spare Part Is Laid Off)

под заказ0 руб.
612200-98302-000

   (актуальный код замены) Запчасть снята с производства - The Spare Part Is Laid Off

под заказ0 руб.
612200-98301-000

Запчасть снята с производства - The Spare Part Is Laid Off (From 12200-98850) (The Spare Part Is Laid Off)

под заказ0 руб.
612200-98302-000

   (актуальный код замены) Запчасть снята с производства - The Spare Part Is Laid Off

под заказ0 руб.
712161-35000-000

Шатун - Rod, Connecting (Rod, Connecting)

под заказ6920 руб.
712161-04710-000

   (актуальный код замены) Шатун - Rod, Connecting

под заказ6920 руб.
712161-04710-000

Шатун - Rod, Connecting (Rod, connecting ) (Rod, Connecting)

под заказ6920 руб.
809263-16014-000

Подшипник (16x22x11.8) - Bearing (16x22x118) (16x22x11.85, to 09263-16016) (Bearing (16x22x11.8))

под заказ1940 руб.
809263-16034-000

   (актуальный код замены) Подшипник (16x22x11.8) - Bearing (16x22x11.8)

под заказ1940 руб.
809263-16034-000

Подшипник (16x22x11.8) - Bearing (16x22x118) (Bearing (16x22x11.8))

под заказ1940 руб.
809263-16016-000

Подшипник (16x22x11.8) - Bearing (16x22x118) (Bearing (16x22x11.8))

под заказ1940 руб.
809263-16034-000

   (актуальный код замены) Подшипник (16x22x11.8) - Bearing (16x22x11.8)

под заказ1940 руб.
809263-16034-000

Подшипник (16x22x11.8) - Bearing (16x22x118) (Bearing (16x22x11.8))

под заказ1940 руб.
912211-98300-000

Штифт кривошипа - Pin, Crank (Pin, crank; ) (Pin, Crank)

под заказ0 руб.
1012221-98300-000

Запчасть снята с производства - The Spare Part Is Laid Off (The Spare Part Is Laid Off)

под заказ0 руб.
1012221-98301-000

   (актуальный код замены) Запчасть снята с производства - The Spare Part Is Laid Off

под заказ0 руб.
1112240-98300-000

Запчасть снята с производства - The Spare Part Is Laid Off (The Spare Part Is Laid Off)

под заказ0 руб.
1112240-98301-000

   (актуальный код замены) Запчасть снята с производства - The Spare Part Is Laid Off

под заказ0 руб.
1208113-62040-000

Подшипник (20x47x14) - Bearing (20x47x14) (Bearing (20x47x14))

под заказ2160 руб.
1209262-20069-000

   (актуальный код замены) Подшипник (20x47x14) - Bearing (20x47x14)

3 шт2160 руб.
1262048HKOYO

   (подбор по маркировке) Подшипник NSK 6204(20*47*14 мм)

под заказ0
1209262-20069-000

Подшипник (20x47x14) - Bearing (20x47x14) (Bearing (20x47x14))

3 шт2160 руб.
1262048HKOYO

   (подбор по маркировке) Подшипник NSK 6204(20*47*14 мм)

под заказ0
1309283-20018-000

Сальник (20x37x9) - Seal, Oil (20x37x9) (Oil seal, lower crankshaft; 20x37x9 ) (Seal, Oil (20x37x9))

7 шт1110 руб.
1309283-20072-000

   (актуальный код замены) Сальник (20x37x9) - Seal, Oil (20x37x9)

2 шт1110 руб.
13SC-OL073

   (не оригинальный аналог) Сальник коленвала Suzuki SC-OL073

под заказ240 руб.
1409160-38001-000

Шайба (38x51x1) - Washer (38x51x1) (38x51x1 ) (Washer (38x51x1))

под заказ0 руб.
1509283-10001-000

Сальник (10x22x6) - Seal, Oil (10x22x6) (10x22x8, to 09283-10003) (Seal, Oil (10x22x6))

под заказ600 руб.
1509283-10003-000

   (актуальный код замены) Сальник (10x22x6) - Seal, Oil (10x22x6)

19 шт800 руб.
1509283-10003-000

Сальник (10x22x6) - Seal, Oil (10x22x6) (Oil seal, upper drive shaft ) (Seal, Oil (10x22x6))

19 шт800 руб.
1509283-10003-000

Сальник (10x22x6) - Seal, Oil (10x22x6) (Oil seal, upper drive shaft # Oil seal, upper drive shaft; 10x22x8 ) (Seal, Oil (10x22x6))

19 шт800 руб.


Время выполнения запроса 3.8936920166016 сек.

 
 

данный сайт носит информационный характер и не является публичной офертой

склад запчастей для водомоторной техники