Запчасти на лодочный мотор Сузуки модель 1983 года - Fuel pump
вконтакте

Контактный телефон: +7 (981) 121-46-93, +7 (800) 200-90-76 , Email: parts-katalog@yandex.ru, где купить

 
 

  Логин:

Пароль:

Регистрация

www.partskatalog.ru Все каталоги Запчасти Mercury Запчасти Suzuki Запчасти Tohatsu Запчасти Honda Контакты



УВАЖАЕМЫЕ КЛИЕНТЫ!
C 19 ДЕКАБРЯ 2025 ПО 02 МАРТА 2026 ГОДА ОТДЕЛ ЗАПЧАСТЕЙ И СЕРВИС РАБОТАТЬ НЕ БУДУТ
ПРОДАЖА ЛОДОЧНЫХ МОТОРОВ В ШТАТНОМ РЕЖИМЕ
ОБ ИЗМЕНЕНИЯХ В ГРАФИКЕ РАБОТЫ ЧИТАЙТЕ НА САЙТА



назад Раздел:   вперёд

Вернуться к выбору узлов мотора


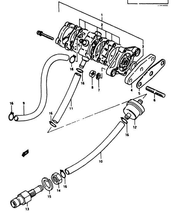
ДЕТАЛИРОВКА ДЛЯ МОДЕЛИ: SUZUKI DT4D D

Топливный насос


Год выпуска двигателя: 1983

Регион: General Export No.1 ,Код региона: P01

Цвет: Francois Whte №2,Arctic Silver

Номер на
рисунке
АртикулНаименованиеQTYКол-во
на складе
Цена
115100-98500-000

Запчасть снята с производства - The Spare Part Is Laid Off (The Spare Part Is Laid Off)

под заказ0 руб.
115100-98510-000

   (актуальный код замены) Запчасть снята с производства - The Spare Part Is Laid Off

под заказ0 руб.
215180-98810-000

Диафрагма Set, Топливный насос - Diaphragm Set, Fuel Pump (To 15180-98811) (Diaphragm Set, Fuel Pump)

под заказ4850 руб.
215170-98310-000

   (актуальный код замены) Диафрагма Set, Топливный насос - Diaphragm Set, Fuel Pump

1 шт4850 руб.
215170-98310-000

Диафрагма Set, Топливный насос - Diaphragm Set, Fuel Pump (Diaphragm Set, Fuel Pump)

1 шт4850 руб.
215180-98811-000

Диафрагма Set, Топливный насос - Diaphragm Set, Fuel Pump (Dt5d-10978~) (Diaphragm Set, Fuel Pump)

под заказ4850 руб.
215170-98310-000

   (актуальный код замены) Диафрагма Set, Топливный насос - Diaphragm Set, Fuel Pump

1 шт4850 руб.
215170-98310-000

Диафрагма Set, Топливный насос - Diaphragm Set, Fuel Pump (Diaphragm Set, Fuel Pump)

1 шт4850 руб.
315165-93010-000

Уплотнительное кольцо, Топливный насос - O Ring, Fuel Pump (O ring # O ring, fuel pump; ) (O Ring, Fuel Pump)

под заказ460 руб.
415322-98500-000

Запчасть снята с производства - The Spare Part Is Laid Off (The Spare Part Is Laid Off)

под заказ0 руб.
515321-98500-000

Запчасть снята с производства - The Spare Part Is Laid Off (The Spare Part Is Laid Off)

под заказ0 руб.
515321-98560-000

   (актуальный код замены) Запчасть снята с производства - The Spare Part Is Laid Off

под заказ0 руб.
609108-05006-000

Запчасть снята с производства - The Spare Part Is Laid Off (The Spare Part Is Laid Off)

под заказ0 руб.
708321-21058-000

Шайба с блокировкой - Washer, Lock (Washer, Lock)

под заказ140 руб.
708321-0105A-000

   (актуальный код замены) Шайба с блокировкой - Washer, Lock

под заказ140 руб.
708321-0105A-000

Шайба с блокировкой - Washer, Lock (Washer, Lock)

под заказ140 руб.
808310-11058-000

Гайка - Nut (Nut)

под заказ140 руб.
808310-00057-000

   (актуальный код замены) Гайка - Nut

под заказ140 руб.
808310-00057-000

Гайка - Nut (Nut)

под заказ140 руб.
909343-05137-000

Шланг (5x9x600) - Hose (5x9x600) (L:500->165) (Hose (5x9x600))

под заказ570 руб.
909352-50006-600

   (актуальный код замены) Шланг (5x9x600) - Hose (5x9x600)

1 шт570 руб.
909352-50903-600

Шланг (5x9x600) - Hose (5x9x600) (Hose (5x9x600))

под заказ570 руб.
909352-50006-600

   (актуальный код замены) Шланг (5x9x600) - Hose (5x9x600)

1 шт570 руб.
1009343-05137-000

Шланг (5x9x600) - Hose (5x9x600) (L:500->90) (Hose (5x9x600))

под заказ570 руб.
1009352-50006-600

   (актуальный код замены) Шланг (5x9x600) - Hose (5x9x600)

1 шт570 руб.
1009352-50903-600

Шланг (5x9x600) - Hose (5x9x600) (Hose (5x9x600))

под заказ570 руб.
1009352-50006-600

   (актуальный код замены) Шланг (5x9x600) - Hose (5x9x600)

1 шт570 руб.
1109343-05137-000

Шланг (5x9x600) - Hose (5x9x600) (L:500->180) (Hose (5x9x600))

под заказ570 руб.
1109352-50006-600

   (актуальный код замены) Шланг (5x9x600) - Hose (5x9x600)

1 шт570 руб.
1109352-50903-600

Шланг (5x9x600) - Hose (5x9x600) (Hose (5x9x600))

под заказ570 руб.
1109352-50006-600

   (актуальный код замены) Шланг (5x9x600) - Hose (5x9x600)

1 шт570 руб.
1215410-98500-000

Топливный фильтр - Filter, Fuel (Filter assy, fuel # Filter, fuel; ) (Filter, Fuel)

40 шт1600 руб.
1215410-98500

   (не оригинальный аналог) Топливный фильтр Suzuki 15410-98500

под заказ590 руб.
1365720-98500-000

Разъем топливного коннектора - Plug, Fuel Connector (To 65720-98501) (Plug, Fuel Connector)

под заказ3170 руб.
1365720-985L1-000

   (актуальный код замены) Разъем топливного коннектора - Plug, Fuel Connector

5 шт3950 руб.
13SF80210-1

   (не оригинальный аналог) Адаптер топливный SUNFINE тип Suzuki, 7.5мм, 6720-98521

под заказ1270 руб.
1365720-985L1-000

Разъем топливного коннектора - Plug, Fuel Connector (Plug, Fuel Connector)

5 шт3950 руб.
1365720-98501-000

Разъем топливного коннектора - Plug, Fuel Connector (To 65720-98502) (Plug, Fuel Connector)

под заказ3170 руб.
1365720-985L1-000

   (актуальный код замены) Разъем топливного коннектора - Plug, Fuel Connector

5 шт3950 руб.
1365720-985L1-000

Разъем топливного коннектора - Plug, Fuel Connector (Plug, Fuel Connector)

5 шт3950 руб.
1365720-98502-000

Разъем топливного коннектора - Plug, Fuel Connector (To 65720-98520) (Plug, Fuel Connector)

под заказ3170 руб.
1365720-985L1-000

   (актуальный код замены) Разъем топливного коннектора - Plug, Fuel Connector

5 шт3950 руб.
1365720-985L1-000

Разъем топливного коннектора - Plug, Fuel Connector (Plug, Fuel Connector)

5 шт3950 руб.
1408310-22108-000

Гайка - Nut (Nut)

под заказ170 руб.
1408310-00107-000

   (актуальный код замены) Гайка - Nut

под заказ170 руб.
1408310-00107-000

Гайка - Nut (Nut)

под заказ170 руб.
1508321-21108-000

Шайба с блокировкой - Washer, Lock (Washer, Lock)

под заказ140 руб.
1508321-01107-000

   (актуальный код замены) Шайба с блокировкой - Washer, Lock

9 шт140 руб.
1508321-01107-000

Шайба с блокировкой - Washer, Lock (Lock washer ) (Washer, Lock)

9 шт140 руб.
1609401-08403-000

Зажим - Clip (To 09401-09402) (Clip)

под заказ130 руб.
1609401-08410-000

   (актуальный код замены) Зажим - Clip

под заказ130 руб.
1609401-08410-000

Зажим - Clip (Clip)

под заказ130 руб.
1609401-09402-000

Зажим - Clip (Clip)

под заказ130 руб.
1609401-08410-000

   (актуальный код замены) Зажим - Clip

под заказ130 руб.
1609401-08410-000

Зажим - Clip (Clip)

под заказ130 руб.


Время выполнения запроса 1.3080101013184 сек.

 
 

данный сайт носит информационный характер и не является публичной офертой

склад запчастей для водомоторной техники