Купить оригинальные запчасти на подвесной двигатель Suzuki модель 1983 года - Carburetor / Карбюратор
вконтакте

Контактный телефон: +7 (981) 121-46-93, +7 (800) 200-90-76 , Email: parts-katalog@yandex.ru, где купить

 
 

  Логин:

Пароль:

Регистрация

www.partskatalog.ru Все каталоги Запчасти Mercury Запчасти Suzuki Запчасти Tohatsu Запчасти Honda Контакты



УВАЖАЕМЫЕ КЛИЕНТЫ!
C 19 ДЕКАБРЯ 2025 ПО 02 МАРТА 2026 ГОДА ОТДЕЛ ЗАПЧАСТЕЙ И СЕРВИС РАБОТАТЬ НЕ БУДУТ
ПРОДАЖА ЛОДОЧНЫХ МОТОРОВ В ШТАТНОМ РЕЖИМЕ
ОБ ИЗМЕНЕНИЯХ В ГРАФИКЕ РАБОТЫ ЧИТАЙТЕ НА САЙТА



назад Раздел:   вперёд

Вернуться к выбору узлов мотора


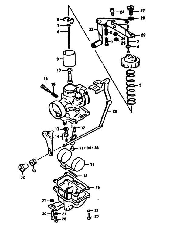
ДЕТАЛИРОВКА ДЛЯ МОДЕЛИ: SUZUKI DT4D D

Карбюратор


Год выпуска двигателя: 1983

Регион: General Export No.1 ,Код региона: P01

Цвет: Francois Whte №2,Arctic Silver


Warning: Undefined variable $NumPP in D:\www\www.partskatalog.ru\partsbase\base-outboard-suzuki-2.php on line 654
Номер на
рисунке
АртикулНаименованиеQTYКол-во
на складе
Цена
 13200-96114-000

Запчасть снята с производства - The Spare Part Is Laid Off (To 13200-96115) (The Spare Part Is Laid Off)

под заказ0 руб.
 13200-96115-000

   (актуальный код замены) Запчасть снята с производства - The Spare Part Is Laid Off

под заказ0 руб.
 13200-96115-000

Запчасть снята с производства - The Spare Part Is Laid Off (The Spare Part Is Laid Off)

под заказ0 руб.
 13200-96116-000

Запчасть снята с производства - The Spare Part Is Laid Off (The Spare Part Is Laid Off)

под заказ0 руб.
113267-96110-000

Запчасть снята с производства - The Spare Part Is Laid Off (To 13267-96111) (The Spare Part Is Laid Off)

под заказ0 руб.
113267-96111-000

   (актуальный код замены) Запчасть снята с производства - The Spare Part Is Laid Off

под заказ0 руб.
113267-96111-000

Запчасть снята с производства - The Spare Part Is Laid Off (The Spare Part Is Laid Off)

под заказ0 руб.
213268-99011-000

Пружина - Spring (To 13268-96110) (Spring)

под заказ450 руб.
213268-52010-000

   (актуальный код замены) Пружина - Spring

под заказ450 руб.
213268-52010-000

Пружина - Spring (Spring)

под заказ450 руб.
213268-96110-000

Пружина, Дроссель Винт - Spring, Throttle Screw (Spring, stop screw;) (Spring, Throttle Screw)

под заказ350 руб.
213268-96111-000

   (актуальный код замены) Пружина, Дроссель Винт - Spring, Throttle Screw

под заказ350 руб.
213268-96111-000

Пружина, Дроссель Винт - Spring, Throttle Screw (Spring, throttle screw ) (Spring, Throttle Screw)

под заказ350 руб.
313552-99010-000

Запчасть снята с производства - The Spare Part Is Laid Off (The Spare Part Is Laid Off)

под заказ0 руб.
413266-99010-000

Запчасть снята с производства - The Spare Part Is Laid Off (The Spare Part Is Laid Off)

под заказ0 руб.
513573-96010-000

Запчасть снята с производства - The Spare Part Is Laid Off (The Spare Part Is Laid Off)

под заказ0 руб.
613581-36600-000

Стопор, иголка Зажим - Stopper, Needle Clip (Seat, valve spring ) (Stopper, Needle Clip)

под заказ0 руб.
713394-12110-000

под заказ0 руб.
813383-96010-000

Запчасть снята с производства - The Spare Part Is Laid Off (The Spare Part Is Laid Off)

под заказ0 руб.
913551-96010-000

Запчасть снята с производства - The Spare Part Is Laid Off (The Spare Part Is Laid Off)

под заказ0 руб.
1009494-00086-000

Запчасть снята с производства - The Spare Part Is Laid Off (The Spare Part Is Laid Off)

под заказ0 руб.
1109491-29001-000

Главная форсунка (145) - Jet, Main (145) (Jet, main (145);) (Jet, Main (145))

под заказ1110 руб.
1109491-29013-000

   (актуальный код замены) Главная форсунка (145) - Jet, Main (145)

под заказ1110 руб.
1109491-29013-000

Главная форсунка (145) - Jet, Main (145) (Jet, main (145) ) (Jet, Main (145))

под заказ1110 руб.
1209492-40004-000

Контрольная форсунка (40) - Jet, Pilot (40) (Jet, pilot (40) # Jet, pilot (40); ) (Jet, Pilot (40))

под заказ710 руб.
1313392-01010-000

Прокладка, Игольчатый клапан - Gasket, Needle Valve (Gasket, valve seat ) (Gasket, Needle Valve)

под заказ150 руб.
1413370-96010-000

Запчасть снята с производства - The Spare Part Is Laid Off (The Spare Part Is Laid Off)

под заказ0 руб.
1513269-99010-000

Винт контроля воздуха Adjusting - Screw, Pilot Air Adjusting (Screw, pilot air ) (Screw, Pilot Air Adjusting)

под заказ0 руб.
1613271-11010-000

Пружина - Spring (To 13271-96110) (Spring)

под заказ350 руб.
1613271-96110-000

   (актуальный код замены) Пружина - Spring

под заказ350 руб.
1613271-96110-000

Пружина - Spring (Spring, air screw ) (Spring)

под заказ350 руб.
1613271-96110-000

Пружина - Spring (Spring, air screw ) (Spring)

под заказ350 руб.
1713252-08210-000

Поплавок - Float (Float)

под заказ0 руб.
1813254-35013-000

Стопор поплавка - Pin, Float (Pin, Float)

под заказ290 руб.
1813254-01010-000

   (актуальный код замены) Стопор поплавка - Pin, Float

под заказ290 руб.
1813254-01010-000

Стопор поплавка - Pin, Float (Pin, Float)

под заказ290 руб.
1913251-99011-000

Запчасть снята с производства - The Spare Part Is Laid Off (The Spare Part Is Laid Off)

под заказ0 руб.
2002112-04168-000

Винт - Screw (Screw)

под заказ100 руб.
2002112-0416A-000

   (актуальный код замены) Винт - Screw

под заказ100 руб.
2002112-0416A-000

Винт - Screw (Screw)

под заказ100 руб.
2108321-21048-000

Шайба с блокировкой - Washer, Lock (Washer, Lock)

под заказ140 руб.
2108321-0104A-000

   (актуальный код замены) Шайба с блокировкой - Washer, Lock

под заказ140 руб.
2108321-0104A-000

Шайба с блокировкой - Washer, Lock (Washer, Lock)

под заказ140 руб.
2213565-96110-000

Запчасть снята с производства - The Spare Part Is Laid Off (To 13565-96111) (The Spare Part Is Laid Off)

под заказ0 руб.
2213565-93119-000

   (актуальный код замены) Запчасть снята с производства - The Spare Part Is Laid Off

под заказ0 руб.
2213565-96111-000

Запчасть снята с производства - The Spare Part Is Laid Off (To 13565-93119) (The Spare Part Is Laid Off)

под заказ0 руб.
2213565-93119-000

   (актуальный код замены) Запчасть снята с производства - The Spare Part Is Laid Off

под заказ0 руб.
2213565-96112-000

Запчасть снята с производства - The Spare Part Is Laid Off (The Spare Part Is Laid Off)

под заказ0 руб.
2313564-96110-000

(To 13564-96111)

под заказ0 руб.
2313564-96111-000

под заказнет сведений
2413566-99011-000

Запчасть снята с производства - The Spare Part Is Laid Off (To 13566-96110) (The Spare Part Is Laid Off)

под заказ0 руб.
2413566-96110-000

   (актуальный код замены) Запчасть снята с производства - The Spare Part Is Laid Off

под заказ0 руб.
2413566-96110-000

Запчасть снята с производства - The Spare Part Is Laid Off (The Spare Part Is Laid Off)

под заказ0 руб.
2508310-11048-000

Гайка - Nut (Nut)

под заказ140 руб.
2508310-00047-000

   (актуальный код замены) Гайка - Nut

под заказ140 руб.
2508310-00047-000

Гайка - Nut (Nut)

под заказ140 руб.
2513567-96110-000

Запчасть снята с производства - The Spare Part Is Laid Off (The Spare Part Is Laid Off)

под заказ0 руб.
2608321-21048-000

Шайба с блокировкой - Washer, Lock (Washer, Lock)

под заказ140 руб.
2608321-0104A-000

   (актуальный код замены) Шайба с блокировкой - Washer, Lock

под заказ140 руб.
2608321-0104A-000

Шайба с блокировкой - Washer, Lock (Washer, Lock)

под заказ140 руб.
2713569-99011-000

Запчасть снята с производства - The Spare Part Is Laid Off (To 13569-96110) (The Spare Part Is Laid Off)

под заказ0 руб.
2713569-96110-000

   (актуальный код замены) Запчасть снята с производства - The Spare Part Is Laid Off

под заказ0 руб.
2713569-96110-000

Запчасть снята с производства - The Spare Part Is Laid Off (The Spare Part Is Laid Off)

под заказ0 руб.
2809162-06001-000

Шайба с блокировкой - Washer, Lock (Washer, Lock)

под заказ160 руб.
2809162-06006-000

   (актуальный код замены) Шайба с блокировкой - Washer, Lock

под заказ160 руб.
2809162-06006-000

Шайба с блокировкой - Washer, Lock (Lock washer ) (Washer, Lock)

под заказ160 руб.
2913413-96011-000

Запчасть снята с производства - The Spare Part Is Laid Off (To 13413-96110) (The Spare Part Is Laid Off)

под заказ0 руб.
2913413-96110-000

   (актуальный код замены) Запчасть снята с производства - The Spare Part Is Laid Off

под заказ0 руб.
2913413-96110-000

Запчасть снята с производства - The Spare Part Is Laid Off (The Spare Part Is Laid Off)

под заказ0 руб.
3013577-22600-000

Регулятор, Кабели - Adjuster, Cable (Adjuster, cable # Adjuster, throttle cable; ) (Adjuster, Cable)

под заказ510 руб.
3113661-03010-000

Гайка - Nut (Nut, adjuster # Nut, adjusting; ) (Nut)

под заказ350 руб.
3213631-99002-000

Рукоятка стартера - Knob, Starter (To 13631-93500) (Knob, Starter)

под заказ460 руб.
3213631-93501-000

   (актуальный код замены) Рукоятка стартера - Knob, Starter

2 шт460 руб.
3213631-93501-000

Рукоятка стартера - Knob, Starter (Knob, Starter)

2 шт460 руб.
3309305-04003-000

Втулка - Bush (Bush)

под заказ160 руб.
3309320-04013-000

   (актуальный код замены) Подушка, Muf Cov - Cushion, Muf Cov

под заказ160 руб.
3309320-04009-000

Втулка - Bush (Bush)

под заказ160 руб.
3309320-04013-000

   (актуальный код замены) Подушка, Muf Cov - Cushion, Muf Cov

под заказ160 руб.
3409491-28005-000

Главная форсунка (140) - Jet, Main (140) (Opt) (Jet, Main (140))

под заказ730 руб.
3409491-28010-000

   (актуальный код замены) Главная форсунка (140) - Jet, Main (140)

под заказ730 руб.
3409491-28010-000

Главная форсунка (140) - Jet, Main (140) (Jet, main (140) ) (Jet, Main (140))

под заказ730 руб.
3509491-30004-000

Главная форсунка (150) - Jet, Main (150) (Opt) (Jet, Main (150))

под заказ1380 руб.
3509491-30016-000

   (актуальный код замены) Главная форсунка (150) - Jet, Main (150)

под заказ1380 руб.
3509491-30016-000

Главная форсунка (150) - Jet, Main (150) (Jet, Main (150))

под заказ1380 руб.


Время выполнения запроса 3.4262869358063 сек.

 
 

данный сайт носит информационный характер и не является публичной офертой

склад запчастей для водомоторной техники