Купить комплектующие на подвесной лодочный двигатель Сузуки - Электрика / Electrical
вконтакте

Контактный телефон: +7 (981) 121-46-93, +7 (800) 200-90-76 , Email: parts-katalog@yandex.ru, где купить

 
 

  Логин:

Пароль:

Регистрация

www.partskatalog.ru Все каталоги Запчасти Mercury Запчасти Suzuki Запчасти Tohatsu Запчасти Honda Контакты



УВАЖАЕМЫЕ КЛИЕНТЫ!
C 19 ДЕКАБРЯ 2025 ПО 02 МАРТА 2026 ГОДА ОТДЕЛ ЗАПЧАСТЕЙ И СЕРВИС РАБОТАТЬ НЕ БУДУТ
ПРОДАЖА ЛОДОЧНЫХ МОТОРОВ В ШТАТНОМ РЕЖИМЕ
ОБ ИЗМЕНЕНИЯХ В ГРАФИКЕ РАБОТЫ ЧИТАЙТЕ НА САЙТА



назад Раздел:   вперёд

Вернуться к выбору узлов мотора


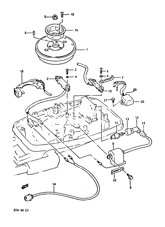
ДЕТАЛИРОВКА ДЛЯ МОДЕЛИ: SUZUKI DT4ZVG G

Электрика


Год выпуска двигателя: 1986

Номер на
рисунке
АртикулНаименованиеQTYКол-во
на складе
Цена
132102-98600-000

Ротор - Rotor (Rotor)

под заказ0 руб.
132102-98601-000

   (актуальный код замены) Запчасть снята с производства - The Spare Part Is Laid Off

под заказ0 руб.
132102-98601-000

Ротор - Rotor (Flywheel ) (Rotor)

под заказ0 руб.
232140-98600-000

Катушка зажигания - Coil, Ignition (Coil, Ignition)

под заказ11380 руб.
232140-98611-000

   (актуальный код замены) Катушка зажигания - Coil, Ignition

1 шт11380 руб.
232140-98611-000

Катушка зажигания - Coil, Ignition (Coil, ignition ) (Coil, Ignition)

1 шт11380 руб.
302112-05257-000

Винт - Screw (Screw)

под заказ120 руб.
408321-21057-000

Шайба с блокировкой - Washer, Lock (Washer, Lock)

под заказ140 руб.
408321-0105A-000

   (актуальный код замены) Шайба с блокировкой - Washer, Lock

под заказ140 руб.
408321-0105A-000

Шайба с блокировкой - Washer, Lock (Washer, Lock)

под заказ140 руб.
508316-26102-000

Гайка - Nut (Nut)

под заказ250 руб.
508316-2010B-000

   (актуальный код замены) Гайка - Nut

под заказ250 руб.
508316-2010B-000

Гайка - Nut (Nut, suspension arm ) (Nut)

под заказ250 руб.
608341-31039-000

Ключ - Key (Key)

86 шт180 руб.
709404-06202-000

Струбцина (l: 45) - Clamp (l:45) (Clamp (l:45))

под заказ170 руб.
709404-06031-000

   (актуальный код замены) Струбцина, Rsvr Tank Ovfl Шланг - Clamp, Rsvr Tank Ovfl Hose

под заказ170 руб.
709404-06206-000

Струбцина (l: 45) - Clamp (l:45) (Clamp (l:45))

под заказ170 руб.
709404-06031-000

   (актуальный код замены) Струбцина, Rsvr Tank Ovfl Шланг - Clamp, Rsvr Tank Ovfl Hose

под заказ170 руб.
833410-98600-000

Запчасть снята с производства - The Spare Part Is Laid Off (The Spare Part Is Laid Off)

под заказ0 руб.
909103-06048-000

Болт (6x20) - Bolt (6x20) (Bolt (6x20))

под заказ180 руб.
1009404-06205-000

Струбцина (l: 80) - Clamp (l:80) (Clamp (l:80))

под заказ230 руб.
1009404-06436-000

   (актуальный код замены) Струбцина (l: 80) - Clamp (l:80)

под заказ230 руб.
1009404-06433-000

Струбцина (l: 80) - Clamp (l:80) (Clamp (l:80) ) (Clamp (l:80))

под заказ230 руб.
1009404-06436-000

   (актуальный код замены) Струбцина (l: 80) - Clamp (l:80)

под заказ230 руб.
1109482-00059-000

Свеча зажигания (bp6hs) - Plug, Spark (bp6hs) (Model vf) (Plug, Spark (bp6hs))

под заказ600 руб.
1109482-00084-000

   (актуальный код замены) Свеча зажигания (bp6hs) - Plug, Spark (bp6hs)

под заказ600 руб.
1109482-00084-000

Свеча зажигания (bp6hs) - Plug, Spark (bp6hs) (Spark plug assy ) (Plug, Spark (bp6hs))

под заказ600 руб.
1109482-00228-000

Свеча зажигания (bpr5hs) - Plug, Spark (bpr5hs) (Spark plug (bp5hs); Model vg, vh) (Plug, Spark (bpr5hs))

под заказ0 руб.
1109482-00147-000

   (актуальный код замены) Запчасть снята с производства - The Spare Part Is Laid Off

под заказ0 руб.
1109482-00147-000

Свеча зажигания (bpr5hs) - Plug, Spark (bpr5hs) (Plug, Spark (bpr5hs))

под заказ0 руб.
1233510-22010-000

Колпачок свечи зажигания - Cap Assy, Spark Plug (Cap Assy, Spark Plug)

1 шт2130 руб.
1333541-98600-000

Сальник свечи зажигания Колпачок - Seal, Spark Plug Cap (Model vf, vg) (Seal, Spark Plug Cap)

под заказ980 руб.
1333541-93950-000

   (актуальный код замены) Сальник свечи зажигания Колпачок - Seal, Spark Plug Cap

под заказ980 руб.
1333541-93950-000

Сальник свечи зажигания Колпачок - Seal, Spark Plug Cap (Seal, Spark Plug Cap)

под заказ980 руб.
1333541-93950-000

Сальник свечи зажигания Колпачок - Seal, Spark Plug Cap (Seal, spark plug cap; Model vh ) (Seal, Spark Plug Cap)

под заказ980 руб.
1437800-98550-000

Переключатель в сборе, Stop - Switch Assy, Stop (Switch Assy, Stop)

под заказ0 руб.
1437800-98572-000

   (актуальный код замены) Запчасть снята с производства - The Spare Part Is Laid Off

под заказ0 руб.
1437800-98572-000

Переключатель в сборе, Stop - Switch Assy, Stop (Switch assy, engine stop ) (Switch Assy, Stop)

под заказ0 руб.
1518411-98600-000

Чаша стартера - Cup, Starter (Cup, Starter)

под заказ0 руб.
1518411-98601-000

   (актуальный код замены) Запчасть снята с производства - The Spare Part Is Laid Off

под заказ0 руб.
1518411-98601-000

Чаша стартера - Cup, Starter (Cup, Starter)

под заказ0 руб.
1602112-06122-000

Винт - Screw (Screw)

под заказ140 руб.
1602112-06127-000

   (актуальный код замены) Винт - Screw

под заказ140 руб.
1602112-06127-000

Винт - Screw (Screw)

под заказ140 руб.
1733542-98000-000

Сальник высоковольтного провода - Seal, High Tension Cord (Seal, High Tension Cord)

под заказ340 руб.
1733542-38B00-000

   (актуальный код замены) Сальник высоковольтного провода - Seal, High Tension Cord

под заказ340 руб.
1733542-38B00-000

Сальник высоковольтного провода - Seal, High Tension Cord (Seal, hightension cord ) (Seal, High Tension Cord)

под заказ340 руб.
1832120-98600-000

Coil, Set, Lighting - Coil, Set, Lighting (Opt) (Coil, Set, Lighting)

под заказ0 руб.
1832200-98600-000

   (актуальный код замены) Запчасть снята с производства - The Spare Part Is Laid Off

под заказ0 руб.
1832200-98600-000

Coil, Set, Lighting - Coil, Set, Lighting (Coil, lighting ) (Coil, Set, Lighting)

под заказ0 руб.


Время выполнения запроса 4.6191890239716 сек.

 
 

данный сайт носит информационный характер и не является публичной офертой

склад запчастей для водомоторной техники