| |
 |
|
 |
Вернуться к выбору узлов мотора
ДЕТАЛИРОВКА ДЛЯ МОДЕЛИ: SUZUKI DT4K(E1) K
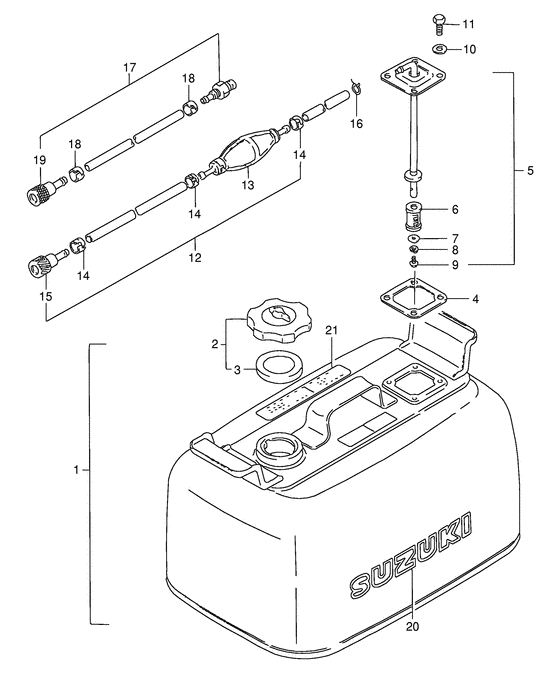
Топливный бак
Год выпуска двигателя: 1989
Регион: General Export No.1 ,Код региона: P01
Цвет: Francois Whte №2,Arctic Silver
Номер на рисунке | Артикул | Наименование | QTY | Кол-во на складе | Цена |
| 1 | 65800-98881-000 | Запчасть снята с производства - The Spare Part Is Laid Off (Tank set, fuel (15l); 4 u.s gal/3.3 imp gal) (The Spare Part Is Laid Off) | | под заказ | 0 руб. |
| 2 | 65510-98512-000 | Крышка горловины топливного бака, в сборе - Cap Assy, Fuel Tank (Cap Assy, Fuel Tank) | | под заказ | 0 руб. |
| 2 | 65510-92D00-000 | (актуальный код замены) Запчасть снята с производства - The Spare Part Is Laid Off | | под заказ | 0 руб. |
| 2 | 65510-92D00-000 | Крышка горловины топливного бака, в сборе - Cap Assy, Fuel Tank (Cap assy, separate tank ) (Cap Assy, Fuel Tank) | | под заказ | 0 руб. |
| 3 | 65561-98502-000 | Запчасть снята с производства - The Spare Part Is Laid Off (The Spare Part Is Laid Off) | | под заказ | 0 руб. |
| 4 | 65871-93010-000 | Прокладка, Fuel Gauge - Gasket, Fuel Gauge (Gasket, fuel gauge # Gasket, fuel gauge; ) (Gasket, Fuel Gauge) | | под заказ | 240 руб. |
| 5 | 65880-98500-000 | выход в сборе, Separate Tank - Outlet Assy, Separate Tank (Outlet, separate tank # Outlet assy, tank; ) (Outlet Assy, Separate Tank) | | под заказ | 0 руб. |
| 6 | 65830-93301-000 | Запчасть снята с производства - The Spare Part Is Laid Off (The Spare Part Is Laid Off) | | под заказ | 0 руб. |
| 7 | 08322-01057-000 | Шайба - Washer (Washer, front hook holder ) (Washer) | | под заказ | 140 руб. |
| 8 | 08321-01057-000 | Шайба с блокировкой - Washer, Lock (Washer, Lock) | | под заказ | 140 руб. |
| 8 | 08321-0105A-000 | (актуальный код замены) Шайба с блокировкой - Washer, Lock | | под заказ | 140 руб. |
| 8 | 08321-0105A-000 | Шайба с блокировкой - Washer, Lock (Washer, Lock) | | под заказ | 140 руб. |
| 9 | 09125-05050-000 | Винт (5x8) - Screw (5x8) (Screw (5x8)) | | под заказ | 150 руб. |
| 10 | 08322-01067-000 | Шайба - Washer (Washer) | | 10 шт | 160 руб. |
| 11 | 01500-06107-000 | Болт - Bolt (Bolt) | | под заказ | 150 руб. |
| 12 | 65700-98522-000 | Топливный шланг (от бака до коннектораector) - Hose, Fuel (tank To Connector) (Hose (tank-connector);) (Hose, Fuel (tank To Connector)) | | под заказ | 0 руб. |
| 12 | 65700-98527-000 | (актуальный код замены) Запчасть снята с производства - The Spare Part Is Laid Off | | под заказ | 0 руб. |
| 12 | 65700-98526-000 | Топливный шланг (от бака до коннектораector) - Hose, Fuel (tank To Connector) (Hose, Fuel (tank To Connector)) | | под заказ | 0 руб. |
| 12 | 65700-98527-000 | (актуальный код замены) Запчасть снята с производства - The Spare Part Is Laid Off | | под заказ | 0 руб. |
| 13 | 65770-99703-000 | Запчасть снята с производства - The Spare Part Is Laid Off (Pump, squeeze;) (The Spare Part Is Laid Off) | | под заказ | 0 руб. |
| 13 | 65770-99704-000 | (актуальный код замены) Запчасть снята с производства - The Spare Part Is Laid Off | | под заказ | 0 руб. |
| 14 | 65781-98500-000 | Зажим топливного шланга - Clip, Fuel Hose (Clip, Fuel Hose) | | 9 шт | 350 руб. |
| 15 | 65750-98505-000 | Разъём топливного шланга - Socket, Fuel Hose (Socket, fuel hose (out) # Socket; ) (Socket, Fuel Hose) | | 2 шт | 3240 руб. |
| 15 | 65750-98506-000 | (актуальный код замены) Разъём топливного шланга - Socket, Fuel Hose | | под заказ | 3240 руб. |
| 16 | 09401-11403-000 | Зажим - Clip (Clip # Clip; ) (Clip) | | под заказ | 190 руб. |
| 17 | 65700-95271-000 | Запчасть снята с производства - The Spare Part Is Laid Off (The Spare Part Is Laid Off) | | под заказ | 0 руб. |
| 17 | 65700-95272-000 | (актуальный код замены) Запчасть снята с производства - The Spare Part Is Laid Off | | под заказ | 0 руб. |
| 18 | 65781-98500-000 | Зажим топливного шланга - Clip, Fuel Hose (Clip, Fuel Hose) | | 9 шт | 350 руб. |
| 19 | 65750-98505-000 | Разъём топливного шланга - Socket, Fuel Hose (Socket, fuel hose (out) # Socket, fuel hose; ) (Socket, Fuel Hose) | | 2 шт | 3240 руб. |
| 19 | 65750-98506-000 | (актуальный код замены) Разъём топливного шланга - Socket, Fuel Hose | | под заказ | 3240 руб. |
| 20 | 61441-98500-000 | Маркировка, Ornament - Mark, Ornament (Mark, Ornament) | | под заказ | 0 руб. |
| 21 | 65317-98520-000 | Маркировка, Fuel Колпачокacity (15l) - Mark, Fuel Capacity (15l) (Mark, fuel capacity (15l) # Mark, fuel capacity; ) (Mark, Fuel Capacity (15l)) | | под заказ | 0 руб. |
Время выполнения запроса 0.97321105003357 сек. |
|