| |
 |
|
 |
Вернуться к выбору узлов мотора
ДЕТАЛИРОВКА ДЛЯ МОДЕЛИ: SUZUKI DT4L(E1) L
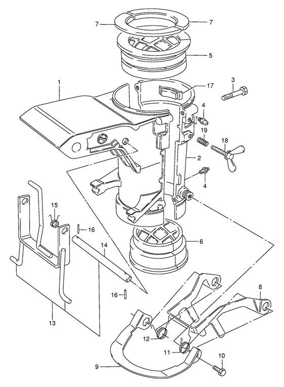
Поворотный кронштейн
Год выпуска двигателя: 1990
Регион: General Export No.1 ,Код региона: P01
Цвет: Francois Whte №2,Arctic Silver,Black,Pure White,California Gray Metallic,California Gray,Pearl Still White,Marrone Beige №2,Gold (Tape)
Номер на рисунке | Артикул | Наименование | QTY | Кол-во на складе | Цена |
| 1 | 43111-98620-0ED | Поворотный кронштейн (gray) - Bracket, Swivel (gray) (Bracket, Swivel (gray)) | | под заказ | 0 руб. |
| 2 | 43121-98620-0ED | Крышка поворотного кронштейна - Cover, Swivel Bracket (Cover, swivel bracket # Cover, swivel bracket; ) (Cover, Swivel Bracket) | | под заказ | 0 руб. |
| 3 | 09117-06043-000 | Болт (6x40) - Bolt (6x40) (Bolt (6x40) # Bolt (6x40); ) (Bolt (6x40)) | | под заказ | 320 руб. |
| 4 | 22511-99010-000 | Ниппель смазки - Nipple, Grease (Nipple, Grease) | | под заказ | 340 руб. |
| 4 | 22511-99011-000 | (актуальный код замены) Ниппель смазки - Nipple, Grease | | 9 шт | 400 руб. |
| 4 | 22511-99011-000 | Ниппель смазки - Nipple, Grease (Nipple, Grease) | | 9 шт | 400 руб. |
| 5 | 43711-98601-000 | Втулка рулевой системы - Bush Set, Steering (Bush Set, Steering) | | под заказ | 4010 руб. |
| 5 | 43710-98601-000 | (актуальный код замены) Втулка рулевой системы - Bush Set, Steering | | под заказ | 4010 руб. |
| 5 | 43710-98600-000 | Втулка рулевой системы - Bush Set, Steering (Bush set, steering ) (Bush Set, Steering) | | под заказ | 4010 руб. |
| 5 | 43710-98601-000 | (актуальный код замены) Втулка рулевой системы - Bush Set, Steering | | под заказ | 4010 руб. |
| 6 | 43721-98601-000 | Запчасть снята с производства - The Spare Part Is Laid Off (The Spare Part Is Laid Off) | | под заказ | 0 руб. |
| 7 | 43712-98601-000 | Пластина рулевого управления вышеr - Plate, Steering Upr (Plate, upper bushing ) (Plate, Steering Upr) | | 11 шт | 520 руб. |
| 8 | 45231-98601-000 | Рычаг блокировки реверса - Arm, Reverse Lock (Arm, reverse lock arm ) (Arm, Reverse Lock) | | под заказ | 0 руб. |
| 9 | 45232-98600-000 | Пластина блокировки реверса - Plate, Reverse Lock (Plate, reverse lock ) (Plate, Reverse Lock) | | под заказ | 0 руб. |
| 10 | 09116-06105-000 | Болт (6x15) - Bolt (6x15) (Bolt (6x16);) (Bolt (6x15)) | | под заказ | 230 руб. |
| 10 | 09116-06094-000 | (актуальный код замены) Болт (6x15) - Bolt (6x15) | | 20 шт | 270 руб. |
| 10 | 09116-06094-000 | Болт (6x15) - Bolt (6x15) (Bolt (6x15)) | | 20 шт | 270 руб. |
| 11 | 45211-98601-000 | Пружина рычага блокировки задней передачи Stbd - Spring, Reverse Lock Arm Stbd (Spring, Reverse Lock Arm Stbd) | | под заказ | 490 руб. |
| 11 | 45211-98602-000 | (актуальный код замены) Пружина рычага блокировки задней передачи Stbd - Spring, Reverse Lock Arm Stbd | | под заказ | 490 руб. |
| 11 | 45211-98602-000 | Пружина рычага блокировки задней передачи Stbd - Spring, Reverse Lock Arm Stbd (Spring, Reverse Lock Arm Stbd) | | под заказ | 490 руб. |
| 12 | 45212-98601-000 | Пружина рычага блокировки задней передачи Port - Spring, Reverse Lock Arm Port (Spring, Reverse Lock Arm Port) | | под заказ | 490 руб. |
| 12 | 45212-98602-000 | (актуальный код замены) Пружина рычага блокировки задней передачи Port - Spring, Reverse Lock Arm Port | | под заказ | 490 руб. |
| 12 | 45212-98602-000 | Пружина рычага блокировки задней передачи Port - Spring, Reverse Lock Arm Port (Spring, Reverse Lock Arm Port) | | под заказ | 490 руб. |
| 13 | 45700-98600-000 | Shallow Water Drive в сборе (gray) - Shallow Water Drive Assy (gray) (Shallow Water Drive Assy (gray)) | | под заказ | 7880 руб. |
| 13 | 45700-98600-0ED | (актуальный код замены) Shallow Water Drive в сборе (gray) - Shallow Water Drive Assy (gray) | | под заказ | 7880 руб. |
| 13 | 45700-98600-0ED | Shallow Water Drive в сборе (gray) - Shallow Water Drive Assy (gray) (Shallow Water Drive Assy (gray)) | | под заказ | 7880 руб. |
| 14 | 09200-08045-000 | Штифт - Pin (Shaft, shallow water drive; ) (Pin) | | под заказ | 850 руб. |
| 15 | 45722-98600-000 | Пружина системы движения по мелководью - Spring, Shallow Water Drive (Spring ) (Spring, Shallow Water Drive) | | под заказ | 0 руб. |
| 16 | 09204-01002-000 | Штифт - Pin (Cotter pin # Pin; ) (Pin) | | 24 шт | 140 руб. |
| 17 | 43410-98600-000 | Регулировка рулевой системы - Adjuster, Steering (Adjuster, steering ) (Adjuster, Steering) | | 1 шт | 2060 руб. |
| 18 | 09119-06060-000 | Болт - Bolt (Bolt) | | под заказ | 0 руб. |
| 19 | 09440-09025-000 | Пружина - Spring (Spring) | | под заказ | 150 руб. |
| 19 | 09440-09042-000 | (актуальный код замены) Пружина - Spring | | 10 шт | 190 руб. |
| 19 | 09440-09042-000 | Пружина - Spring (Spring, steering adjuster ) (Spring) | | 10 шт | 190 руб. |
Время выполнения запроса 2.2062559127808 сек. |
|