| |
 |
|
 |
Вернуться к выбору узлов мотора
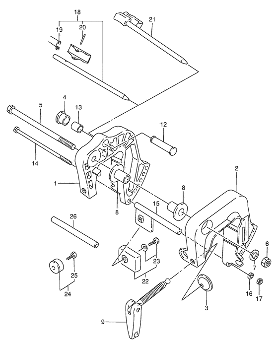
ДЕТАЛИРОВКА ДЛЯ МОДЕЛИ: SUZUKI DT4R(E1) R
Кронштейн транца
Год выпуска двигателя: 1994
Регион: General Export No.1 ,Код региона: P01
Цвет: Francois Whte №2,Arctic Silver,Black,Pure White,California Gray Metallic,California Gray,Pearl Still White,Marrone Beige №2,Gold (Tape)
Номер на рисунке | Артикул | Наименование | QTY | Кол-во на складе | Цена |
| 1 | 41111-98620-0ED | Кронштейн правого зажима (gray) - Bracket, Clamp Stbd (gray) (Bracket, Clamp Stbd (gray)) | | под заказ | 0 руб. |
| 2 | 41121-98610-0ED | Кронштейн левого зажима (gray) - Bracket, Clamp Port (gray) (Bracket, Clamp Port (gray)) | | под заказ | 0 руб. |
| 3 | 41213-98100-000 | Пластина струбцины - Plate, Clamp (Plate, clamp # Plate, clamp; ) (Plate, Clamp) | | под заказ | 390 руб. |
| 3 | 41213-94J01-000 | (актуальный код замены) Пластина струбцины - Plate, Clamp | | под заказ | 420 руб. |
| 4 | 41221-96301-000 | Ручка, Стопор наклона Штифт - Knob, Tilt Stopper Pin (Knob, tilt stopper ) (Knob, Tilt Stopper Pin) | | 2 шт | 540 руб. |
| 5 | 09100-10217-000 | Болт (10x150) - Bolt (10x150) (Bolt (10x150); ) (Bolt (10x150)) | | под заказ | 1870 руб. |
| 6 | 09159-10050-000 | Гайка - Nut (Nut) | | 8 шт | 250 руб. |
| 7 | 09160-10082-000 | Шайба (10.5x19x2) - Washer (105x19x2) (Washer # Washer (10.5x19x2.0); ) (Washer (10.5x19x2)) | | 19 шт | 120 руб. |
| 8 | 09306-10011-000 | Втулка - Bush (Bush; ) (Bush) | | 6 шт | 910 руб. |
| 9 | 41210-98610-000 | Винт струбцины, в сборе - Screw Assy, Clamp (Screw Assy, Clamp) | | под заказ | 2100 руб. |
| 9 | 41210-986L1-000 | (актуальный код замены) Винт струбцины, в сборе - Screw Assy, Clamp | | под заказ | 2100 руб. |
| 9 | 41210-986L1-000 | Винт струбцины, в сборе - Screw Assy, Clamp (Screw Assy, Clamp) | | под заказ | 2100 руб. |
| 12 | 41222-93910-000 | Штифт, Tail Стопор - Pin, Tail Stopper (Pin, tilt stopper ) (Pin, Tail Stopper) | | 1 шт | 2260 руб. |
| 13 | 09303-14003-000 | Втулка - Bush (Bush) | | 9 шт | 320 руб. |
| 14 | 09100-06125-000 | Болт (6x140) - Bolt (6x140) (Bolt (6x140);) (Bolt (6x140)) | | под заказ | 470 руб. |
| 14 | 09100-06177-000 | (актуальный код замены) Болт (6x140) - Bolt (6x140) | | 9 шт | 470 руб. |
| 14 | 09100-06177-000 | Болт (6x140) - Bolt (6x140) (Bolt (6x140)) | | 9 шт | 470 руб. |
| 15 | 41310-93900-000 | Тяга, Кронштейн транца Lwr - Rod, Clamp Bracket Lwr (Rod, clamp bracket lower; Dt4, ~model:98) (Rod, Clamp Bracket Lwr) | | под заказ | 2060 руб. |
| 15 | 41310-93901-000 | (актуальный код замены) Тяга, Кронштейн транца Lwr - Rod, Clamp Bracket Lwr | | под заказ | 2060 руб. |
| 15 | 41310-93901-000 | Тяга, Кронштейн транца Lwr - Rod, Clamp Bracket Lwr (Rod, Clamp Bracket Lwr) | | под заказ | 2060 руб. |
| 16 | 09162-06006-000 | Шайба с блокировкой - Washer, Lock (Lock washer ) (Washer, Lock) | | под заказ | 160 руб. |
| 17 | 09140-06020-000 | Гайка - Nut (Nut) | | 9 шт | 150 руб. |
| 18 | 45420-98600-000 | Штифт блокировки наклона - Pin, Tilt Lock (Dt4, model:88, 89) (Pin, Tilt Lock) | | под заказ | 2370 руб. |
| 18 | 45420-92DL0-000 | (актуальный код замены) Штифт блокировки наклона - Pin, Tilt Lock | | 25 шт | 2890 руб. |
| 18 | 45420-92DL0-000 | Штифт блокировки наклона - Pin, Tilt Lock (Pin, Tilt Lock) | | 25 шт | 2890 руб. |
| 20 | 09205-03020-000 | Стопор пружины (3x22) - Pin, Spring (3x22) (Dt4, model:88, 89 ) (Pin, Spring (3x22)) | | под заказ | 140 руб. |
| 21 | 45420-92D02-000 | Штифт блокировки наклона - Pin, Tilt Lock (Dt4/5y, model:90~00) (Pin, Tilt Lock) | | под заказ | 2370 руб. |
| 21 | 45420-92DL0-000 | (актуальный код замены) Штифт блокировки наклона - Pin, Tilt Lock | | 25 шт | 2890 руб. |
| 21 | 45420-92DL0-000 | Штифт блокировки наклона - Pin, Tilt Lock (Pin, Tilt Lock) | | 25 шт | 2890 руб. |
| 22 | 55320-95310-000 | Защитный цинковый анод - Zinc Set, Protection (Zinc set, protection; Dt4, ~model:98) (Zinc Set, Protection) | | под заказ | 1320 руб. |
| 22 | 55320-95311-000 | (актуальный код замены) Защитный цинковый анод - Zinc Set, Protection | | 16 шт | 1320 руб. |
| 22 | 55320-95311-000 | Защитный цинковый анод - Zinc Set, Protection (Zinc Set, Protection) | | 16 шт | 1320 руб. |
| 23 | 09116-06092-000 | Болт (6x15) - Bolt (6x15) (Bolt (6x16); Dt4, ~model:98) (Bolt (6x15)) | | под заказ | 230 руб. |
| 23 | 09116-06094-000 | (актуальный код замены) Болт (6x15) - Bolt (6x15) | | 20 шт | 270 руб. |
| 23 | 09116-06094-000 | Болт (6x15) - Bolt (6x15) (Bolt (6x15)) | | 20 шт | 270 руб. |
| 24 | 11130-94600-000 | Zink, Цилиндр - Zink, Cylinder (Zink, protection # Zinc, protection; Dt4/5y, model:99, 00 ) (Zink, Cylinder) | | под заказ | 1370 руб. |
| 25 | 09128-06021-000 | Болт (6x14) - Bolt (6x14) (Bolt (6x14); Dt4/5y, model:99, 00 ) (Bolt (6x14)) | | под заказ | 200 руб. |
| 26 | 09180-06163-000 | Проставка (6.5x10.5x104) - Spacer (65x105x104) (Dt4/5y, model:99, 00 ) (Spacer (6.5x10.5x104)) | | под заказ | 540 руб. |
Время выполнения запроса 0.96790599822998 сек. |
|