Комплектующие на подвесной мотор Suzuki модель 1997 года - Transmission
вконтакте

Контактный телефон: +7 (981) 121-46-93, +7 (800) 200-90-76 , Email: parts-katalog@yandex.ru, где купить

 
 

  Логин:

Пароль:

Регистрация

www.partskatalog.ru Все каталоги Запчасти Mercury Запчасти Suzuki Запчасти Tohatsu Запчасти Honda Контакты



УВАЖАЕМЫЕ КЛИЕНТЫ!
C 19 ДЕКАБРЯ 2025 ПО 02 МАРТА 2026 ГОДА ОТДЕЛ ЗАПЧАСТЕЙ И СЕРВИС РАБОТАТЬ НЕ БУДУТ
ПРОДАЖА ЛОДОЧНЫХ МОТОРОВ В ШТАТНОМ РЕЖИМЕ
ОБ ИЗМЕНЕНИЯХ В ГРАФИКЕ РАБОТЫ ЧИТАЙТЕ НА САЙТА



назад Раздел:   вперёд

Вернуться к выбору узлов мотора


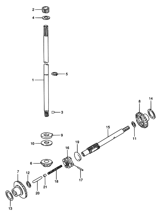
ДЕТАЛИРОВКА ДЛЯ МОДЕЛИ: SUZUKI DT4 V

Трансмиссия


Год выпуска двигателя: 1997

Цвет: Francois Whte №2,Arctic Silver,Black,Pure White,California Gray Metallic,California Gray,Pearl Still White,Marrone Beige №2,Gold (Tape)

Номер на
рисунке
АртикулНаименованиеQTYКол-во
на складе
Цена
157111-98603-000

Вал привода (l) - Shaft, Drive (l) (Shaft, drive (l) # L:790 <-7111-98602 ) (Shaft, Drive (l))

под заказ19970 руб.
157111-98613-000

Вал привода (s) - Shaft, Drive (s) (Shaft, drive (s) # L:663 <-7111-98612 ) (Shaft, Drive (s))

под заказ19640 руб.
209320-11018-000

Втулка - Bush (Bush, drive shaft upper # <-9307-10002 ) (Bush)

под заказ910 руб.
309380-10002-000

Пружинное кольцо - Ring, Snap (Ring, drive shaft snap ) (Ring, Snap)

под заказ0 руб.
409181-10167-000

Регулировочная шайба (10x18x1) - Shim (10x18x1) (Thrust washer # <-8211-10181 ) (Shim (10x18x1))

под заказ150 руб.
508331-31106-000

Стопорное кольцо - Circlip (Circlip)

под заказ130 руб.
508331-31109-000

   (актуальный код замены) Стопорное кольцо - Circlip

под заказ130 руб.
508331-31109-000

Стопорное кольцо - Circlip (Circlip)

под заказ130 руб.
657311-98600-000

Шестерня - Pinion (Pinion)

под заказ4180 руб.
657311-91J00-000

   (актуальный код замены) Шестерня - Pinion

10 шт4540 руб.
657311-91J00-000

Шестерня - Pinion (Pinion)

10 шт4540 руб.
757510-98610-000

Шестерня переднего хода - Gear, Forward (<-7510-98600) (Gear, Forward)

под заказ5810 руб.
757510-91J00-000

   (актуальный код замены) Шестерня переднего хода - Gear, Forward

11 шт6330 руб.
757510-91J00-000

Шестерня переднего хода - Gear, Forward (Gear, Forward)

11 шт6330 руб.
857521-98601-000

Шестерня обратного хода - Gear, Revers (Gear, Revers)

4 шт6480 руб.
857521-91J00-000

   (актуальный код замены) Шестерня обратного хода - Gear, Revers

3 шт6480 руб.
8SK57521-98601

   (не оригинальный аналог) Шестерня заднего хода Skipper для Suzuki Модели техники: DF4-DF6

0 шт2211 руб.
857521-91J00-000

Шестерня обратного хода - Gear, Revers (Gear, Revers)

3 шт6480 руб.
909169-12002-000

Шайба - Washer (Washer)

под заказ870 руб.
909166-12L01-000

   (актуальный код замены) Шайба - Washer

2 шт870 руб.
909166-12L01-000

Шайба - Washer (Washer)

2 шт870 руб.
1009160-10088-000

Шайба (10x24x1.7) - Washer (10x24x17) (Washer (10x24x1.7))

под заказ640 руб.
1009160-10089-000

Шайба (10x24x1.8) - Washer (10x24x18) (Washer (10x24x1.8) ) (Washer (10x24x1.8))

под заказ640 руб.
1009160-10090-000

Шайба (10x24x1.9) - Washer (10x24x19) (Washer (10x24x1.9) ) (Washer (10x24x1.9))

под заказ640 руб.
1009160-10091-000

Шайба (10x24x2) - Washer (10x24x2) (Washer (10x24x2.0) ) (Washer (10x24x2))

17 шт640 руб.
1009160-10092-000

Шайба (10x24x2.1) - Washer (10x24x21) (Washer (10x24x2.1) ) (Washer (10x24x2.1))

под заказ640 руб.
1109160-12070-000

Шайба (12x16x0.8) - Washer (12x16x08) (Washer (12x16x0.8) ) (Washer (12x16x0.8))

под заказ220 руб.
1109160-12071-000

Запчасть снята с производства - The Spare Part Is Laid Off (The Spare Part Is Laid Off)

под заказ0 руб.
1109181-12008-000

Регулировочная шайба (12x16x0.6) - Shim (12x16x06) (Washer (12x16x0.6) ) (Shim (12x16x0.6))

под заказ220 руб.
1109181-12111-000

Регулировочная шайба (12x16x1) - Shim (12x16x1) (Washer (12x16x1.0) ) (Shim (12x16x1))

11 шт160 руб.
1209181-12111-000

Регулировочная шайба (12x16x1) - Shim (12x16x1) (Washer (12x16x1.0) # <-8211-12161 ) (Shim (12x16x1))

11 шт160 руб.
1309181-20162-000

Регулировочная шайба (20x28x0.8) - Shim (20x28x08) (Shim (20x28x0.8) # <-8221-20286 ) (Shim (20x28x0.8))

10 шт190 руб.
1309181-20164-000

Регулировочная шайба (20x28x0.9) - Shim (20x28x09) (Shim (20x28x0.9) # <-9181-20023 ) (Shim (20x28x0.9))

10 шт190 руб.
1309181-20167-000

Регулировочная шайба (20x28x1) - Shim (20x28x1) (Shim (20x28x1.0) # <-8211-20281 ) (Shim (20x28x1))

10 шт190 руб.
1309181-20172-000

Регулировочная шайба (20x28x1.1) - Shim (20x28x11) (Shim (20x28x1.1) # <-9181-20024 ) (Shim (20x28x1.1))

10 шт190 руб.
1309181-20176-000

Регулировочная шайба (20x28x1.2) - Shim (20x28x12) (Shim (20x28x1.2) # <-9181-20025 ) (Shim (20x28x1.2))

10 шт190 руб.
1409181-20159-000

Регулировочная шайба (20x28x0.6) - Shim (20x28x06) (Shim (20x28x0.6) ) (Shim (20x28x0.6))

под заказ210 руб.
1409181-20160-000

Регулировочная шайба (20x28x0.7) - Shim (20x28x07) (Shim (20x28x0.7) ) (Shim (20x28x0.7))

под заказ210 руб.
1409181-20162-000

Регулировочная шайба (20x28x0.8) - Shim (20x28x08) (Shim (20x28x0.8) ) (Shim (20x28x0.8))

10 шт190 руб.
1409181-20164-000

Регулировочная шайба (20x28x0.9) - Shim (20x28x09) (Shim (20x28x0.9) ) (Shim (20x28x0.9))

10 шт190 руб.
1409181-20167-000

Регулировочная шайба (20x28x1) - Shim (20x28x1) (Shim (20x28x1.0) ) (Shim (20x28x1))

10 шт190 руб.
1557611-98601-000

Вал гребного винта - Shaft, Propeller (Shaft, Propeller)

под заказ18150 руб.
1557611-98602-000

   (актуальный код замены) Вал гребного винта - Shaft, Propeller

2 шт18150 руб.
1557611-98602-000

Вал гребного винта - Shaft, Propeller (Shaft, Propeller)

2 шт18150 руб.
1657621-98600-000

Переключатель собачки сцепления - Shifter, Clutch Dog (Shifter, Clutch Dog)

4 шт3990 руб.
1657621-986L0-000

   (актуальный код замены) Переключатель собачки сцепления - Shifter, Clutch Dog

2 шт3990 руб.
1657621-986L0-000

Переключатель собачки сцепления - Shifter, Clutch Dog (Shifter, Clutch Dog)

2 шт3990 руб.
1709202-04016-000

Штифт - Pin (Pin)

38 шт160 руб.
1809440-05039-000

Пружина - Spring (<-9440-05029 ) (Spring)

5 шт180 руб.
1909440-24007-000

Пружина - Spring (Spring)

6 шт150 руб.
2057631-98600-000

Тяга толкателя - Rod, Push (Rod, Push)

под заказ870 руб.
2057631-98601-000

   (актуальный код замены) Тяга толкателя - Rod, Push

3 шт870 руб.
2057631-98601-000

Тяга толкателя - Rod, Push (Rod, Push)

3 шт870 руб.
2157632-98500-000

Штифт толкателя - Pin, Push (Pin, Push)

под заказ480 руб.
2157632-97L00-000

   (актуальный код замены) Штифт толкателя - Pin, Push

11 шт540 руб.
2157632-98501-000

Штифт толкателя - Pin, Push (Pin, Push)

под заказ480 руб.
2157632-97L00-000

   (актуальный код замены) Штифт толкателя - Pin, Push

11 шт540 руб.


Время выполнения запроса 1.0606670379639 сек.

 
 

данный сайт носит информационный характер и не является публичной офертой

склад запчастей для водомоторной техники