Комплектующие на двигатель Suzuki модель 1978 года - Коленвал / crankshaft
вконтакте

Контактный телефон: +7 (981) 121-46-93, +7 (800) 200-90-76 , Email: parts-katalog@yandex.ru, где купить

 
 

  Логин:

Пароль:

Регистрация

www.partskatalog.ru Все каталоги Запчасти Mercury Запчасти Suzuki Запчасти Tohatsu Запчасти Honda Контакты



УВАЖАЕМЫЕ КЛИЕНТЫ!
C 19 ДЕКАБРЯ 2025 ПО 02 МАРТА 2026 ГОДА ОТДЕЛ ЗАПЧАСТЕЙ И СЕРВИС РАБОТАТЬ НЕ БУДУТ
ПРОДАЖА ЛОДОЧНЫХ МОТОРОВ В ШТАТНОМ РЕЖИМЕ
ОБ ИЗМЕНЕНИЯХ В ГРАФИКЕ РАБОТЫ ЧИТАЙТЕ НА САЙТА



Раздел:   вперёд

Вернуться к выбору узлов мотора


ДЕТАЛИРОВКА ДЛЯ МОДЕЛИ: SUZUKI DT4.5 C

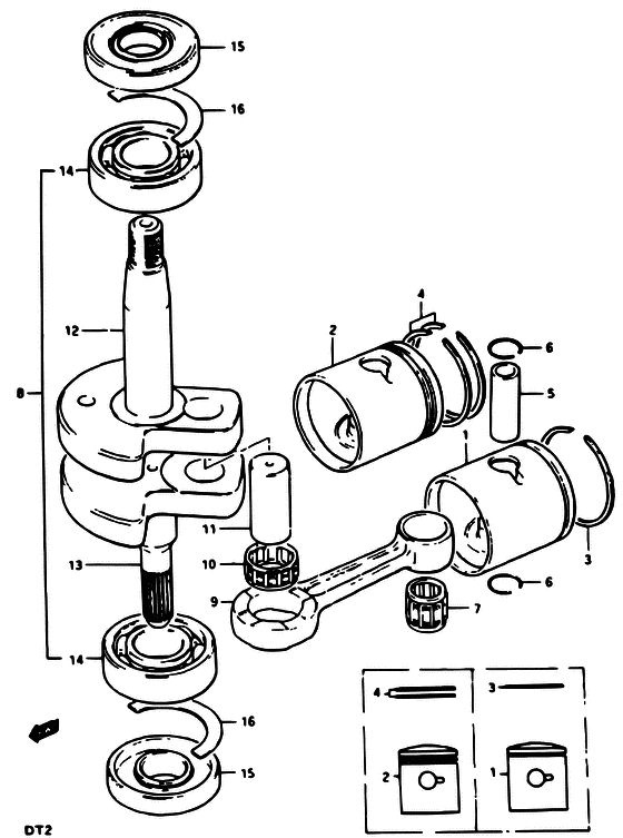
Поршень - Коленвал


Год выпуска двигателя: 1978

Номер на
рисунке
АртикулНаименованиеQTYКол-во
на складе
Цена
112110-98401-000

(TO (12110-98402) +, (12140-98400))

под заказнет сведений
112140-98400-000

Поршневые кольца - Ring Set, Piston (Ring set, piston ) (Ring Set, Piston)

3 шт3410 руб.
112110-98402-000

Поршень - Piston (Piston (41mm) ) (Piston)

под заказ0 руб.
112110-98700-000

(OS:0.25, OPT)

под заказ0 руб.
112140-98401-025

Поршневые кольца (os: 0.25) - Ring Set, Piston (os:025) (Ring set, piston (os:0.25) ) (Ring Set, Piston (os:0.25))

под заказ0 руб.
112110-98710-000

(OS:0.5, OPT)

под заказ0 руб.
112100-98402-050

Комплект поршня (os: 0.5) - Piston Set (os:05) (Piston Set (os:0.5))

под заказ7440 руб.
212110-98402-000

Поршень - Piston (Piston (41mm) ) (Piston)

под заказ0 руб.
212110-98402-025

Запчасть снята с производства - The Spare Part Is Laid Off (OS:0.25, OPT) (The Spare Part Is Laid Off)

под заказ0 руб.
212100-98402-025

   (актуальный код замены) Запчасть снята с производства - The Spare Part Is Laid Off

под заказ0 руб.
212110-98402-050

Комплект поршня (os: 0.5) - Piston Set (os:05) (OS:0.5, OPT) (Piston Set (os:0.5))

под заказ7440 руб.
212100-98402-050

   (актуальный код замены) Комплект поршня (os: 0.5) - Piston Set (os:0.5)

под заказ7440 руб.
212100-98402-050

Комплект поршня (os: 0.5) - Piston Set (os:05) (Piston Set (os:0.5))

под заказ7440 руб.
312141-35010-000

Поршневые кольца - Ring Set, Piston (Ring Set, Piston)

под заказ0 руб.
312140-46130-000

   (актуальный код замены) Запчасть снята с производства - The Spare Part Is Laid Off

под заказ0 руб.
312140-46130-000

Поршневые кольца - Ring Set, Piston (Ring set, piston (std) ) (Ring Set, Piston)

под заказ0 руб.
312141-35010-025

Запчасть снята с производства - The Spare Part Is Laid Off (OS:0.25, OPT, FROM 12141-98700) (The Spare Part Is Laid Off)

под заказ0 руб.
312141-35010-050

Поршневые кольца (os: 0.50) - Ring Set, Piston (os:050) (OS:0.5, OPT, FROM 12141-35700) (Ring Set, Piston (os:0.50))

под заказ3870 руб.
312140-46110-050

   (актуальный код замены) Поршневые кольца (os: 0.50) - Ring Set, Piston (os:0.50)

под заказ3870 руб.
312140-46110-050

Поршневые кольца (os: 0.50) - Ring Set, Piston (os:050) (Ring set, piston (os:0.5) ) (Ring Set, Piston (os:0.50))

под заказ3870 руб.
412140-98400-000

Поршневые кольца - Ring Set, Piston (Ring set, piston ) (Ring Set, Piston)

3 шт3410 руб.
412140-98401-025

Поршневые кольца (os: 0.25) - Ring Set, Piston (os:025) (Ring set, piston (os:0.25) # OS:0.25, OPT ) (Ring Set, Piston (os:0.25))

под заказ0 руб.
412140-98401-050

Запчасть снята с производства - The Spare Part Is Laid Off (OS:0.5, OPT) (The Spare Part Is Laid Off)

под заказ0 руб.
512151-02000-000

Поршневой палец - Pin, Piston (Pin, Piston)

под заказ750 руб.
512151-04700-000

   (актуальный код замены) Поршневой палец - Pin, Piston

2 шт750 руб.
512151-04700-000

Поршневой палец - Pin, Piston (Pin, Piston)

2 шт750 руб.
609381-12001-000

Пружинное кольцо - Ring, Snap (Circlip ) (Ring, Snap)

6 шт120 руб.
709263-12003-000

Подшипник (12x16x16) - Bearing (12x16x16) (12X16X15.8) (Bearing (12x16x16))

под заказ960 руб.
709263-12023-000

   (актуальный код замены) Подшипник (12x16x16) - Bearing (12x16x16)

5 шт1030 руб.
709263-12023-000

Подшипник (12x16x16) - Bearing (12x16x16) (Bearing (12x16x15.8) ) (Bearing (12x16x16))

5 шт1030 руб.
812200-98401-000

Коленвал в сборе - Crankshaft Assy (FROM 12200-98830) (Crankshaft Assy)

под заказ23040 руб.
812200-98404-000

   (актуальный код замены) Коленвал в сборе - Crankshaft Assy

2 шт23040 руб.
812200-98404-000

Коленвал в сборе - Crankshaft Assy (Crankshaft Assy)

2 шт23040 руб.
912161-98400-000

Шатун - Rod, Connecting (Rod, Connecting)

1 шт5280 руб.
1009263-15014-000

Подшипник (15x21x9.8) - Bearing (15x21x98) (Bearing (15x21x9.8) # 15X21X9.8, FROM 09263-15005 ) (Bearing (15x21x9.8))

6 шт1460 руб.
1112211-04000-000

Штифт кривошипа - Pin, Crank (Pin, Crank)

3 шт1460 руб.
1212221-98400-000

Коленвал, вышеr - Crankshaft, Upr (Crankshaft, Upr)

под заказ0 руб.
1212221-98402-000

   (актуальный код замены) Запчасть снята с производства - The Spare Part Is Laid Off

под заказ0 руб.
1212221-98402-000

Коленвал, вышеr - Crankshaft, Upr (Crankshaft, Upr)

под заказ0 руб.
1312231-98400-000

Коленвал, Under - Crankshaft, Under (Crankshaft, Under)

под заказ0 руб.
1312231-98403-000

   (актуальный код замены) Запчасть снята с производства - The Spare Part Is Laid Off

под заказ0 руб.
1312231-98403-000

Коленвал, Under - Crankshaft, Under (Crankshaft, Under)

под заказ0 руб.
1409262-17008-000

Подшипник (17x40x12) - Bearing (17x40x12) (FROM 08113-62030) (Bearing (17x40x12))

под заказ1560 руб.
1409262-17023-000

   (актуальный код замены) Подшипник (17x40x12) - Bearing (17x40x12)

15 шт2270 руб.
146203NTN

   (подбор по маркировке) Подшипник NTN 6203(17*40*12 мм)

4 шт170 руб.
1409262-17023-000

Подшипник (17x40x12) - Bearing (17x40x12) (Bearing, crankshaft upper ) (Bearing (17x40x12))

15 шт2270 руб.
146203NTN

   (подбор по маркировке) Подшипник NTN 6203(17*40*12 мм)

4 шт170 руб.
1509283-17002-000

Сальник (17x40x7) - Seal, Oil (17x40x7) (Oil seal (17x40x7) # 17X40X7 ) (Seal, Oil (17x40x7))

2 шт620 руб.
1509283-17034-000

   (актуальный код замены) Сальник - Seal, Oil

8 шт620 руб.
1609390-40003-000

Фиксатор - Retainer (Ring, thrust ) (Retainer)

под заказ190 руб.


Время выполнения запроса 1.1541299819946 сек.

 
 

данный сайт носит информационный характер и не является публичной офертой

склад запчастей для водомоторной техники