Найти запчасти на лодочный подвесной мотор Suzuki модель 1978 года - Корпус вала передачи
вконтакте

Контактный телефон: +7 (981) 121-46-93, +7 (800) 200-90-76 , Email: parts-katalog@yandex.ru, где купить

 
 

  Логин:

Пароль:

Регистрация

www.partskatalog.ru Все каталоги Запчасти Mercury Запчасти Suzuki Запчасти Tohatsu Запчасти Honda Контакты



УВАЖАЕМЫЕ КЛИЕНТЫ!
C 19 ДЕКАБРЯ 2025 ПО 02 МАРТА 2026 ГОДА ОТДЕЛ ЗАПЧАСТЕЙ И СЕРВИС РАБОТАТЬ НЕ БУДУТ
ПРОДАЖА ЛОДОЧНЫХ МОТОРОВ В ШТАТНОМ РЕЖИМЕ
ОБ ИЗМЕНЕНИЯХ В ГРАФИКЕ РАБОТЫ ЧИТАЙТЕ НА САЙТА



назад Раздел:   вперёд

Вернуться к выбору узлов мотора


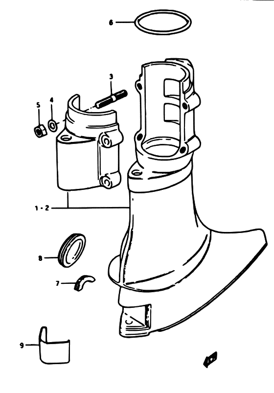
ДЕТАЛИРОВКА ДЛЯ МОДЕЛИ: SUZUKI DT4.5 C

Корпус вала передачи


Год выпуска двигателя: 1978

Номер на
рисунке
АртикулНаименованиеQTYКол-во
на складе
Цена
152101-99816-01J

Запчасть снята с производства - The Spare Part Is Laid Off (The Spare Part Is Laid Off)

под заказ0 руб.
252101-99817-01J

Запчасть снята с производства - The Spare Part Is Laid Off (The Spare Part Is Laid Off)

под заказ0 руб.
309108-06007-000

Болт под шпильку - Bolt, Stud (6X25) (Bolt, Stud)

под заказ340 руб.
309108-06068-000

   (актуальный код замены) Болт под шпильку - Bolt, Stud

под заказ340 руб.
309108-06068-000

Болт под шпильку - Bolt, Stud (Bolt, Stud)

под заказ340 руб.
409160-06015-000

Шайба (6.5x13x1.0) - Washer (65x13x10) (6.5X11.5X0.5) (Washer (6.5x13x1.0))

под заказ120 руб.
409160-06082-000

   (актуальный код замены) Шайба (6.5x13x1.0) - Washer (6.5x13x1.0)

7 шт150 руб.
409160-06082-000

Шайба (6.5x13x1.0) - Washer (65x13x10) (Washer (6.5x13x1.0))

7 шт150 руб.
509140-06004-000

Гайка - Nut (Nut)

под заказ150 руб.
509140-06020-000

   (актуальный код замены) Гайка - Nut

9 шт150 руб.
509140-06020-000

Гайка - Nut (Nut)

9 шт150 руб.
609280-50002-000

Уплотнительное кольцо (d: 3.1, Id: 49.4) - O Ring (d:31, Id:494) (ID:50, D:3.1) (O Ring (d:3.1, Id:49.4))

под заказ190 руб.
609280-50008-000

   (актуальный код замены) Уплотнительное кольцо (d: 3.1, Id: 49.4) - O Ring (d:3.1, Id:49.4)

8 шт220 руб.
609280-50008-000

Уплотнительное кольцо (d: 3.1, Id: 49.4) - O Ring (d:31, Id:494) (O ring (id:49.4, od:3.10) ) (O Ring (d:3.1, Id:49.4))

8 шт220 руб.
752112-99000-000

Запчасть снята с производства - The Spare Part Is Laid Off (The Spare Part Is Laid Off)

под заказ0 руб.
809250-36001-000

Запчасть снята с производства - The Spare Part Is Laid Off (The Spare Part Is Laid Off)

под заказ0 руб.
953131-99000-000

Запчасть снята с производства - The Spare Part Is Laid Off (The Spare Part Is Laid Off)

под заказ0 руб.


Время выполнения запроса 1.307382106781 сек.

 
 

данный сайт носит информационный характер и не является публичной офертой

склад запчастей для водомоторной техники