Подобрать оригинальные запчасти на лодочный мотор Suzuki - Handle
вконтакте

Контактный телефон: +7 (981) 121-46-93, +7 (800) 200-90-76 , Email: parts-katalog@yandex.ru, где купить

 
 

  Логин:

Пароль:

Регистрация

www.partskatalog.ru Все каталоги Запчасти Mercury Запчасти Suzuki Запчасти Tohatsu Запчасти Honda Контакты



УВАЖАЕМЫЕ КЛИЕНТЫ!
C 19 ДЕКАБРЯ 2025 ПО 02 МАРТА 2026 ГОДА ОТДЕЛ ЗАПЧАСТЕЙ И СЕРВИС РАБОТАТЬ НЕ БУДУТ
ПРОДАЖА ЛОДОЧНЫХ МОТОРОВ В ШТАТНОМ РЕЖИМЕ
ОБ ИЗМЕНЕНИЯХ В ГРАФИКЕ РАБОТЫ ЧИТАЙТЕ НА САЙТА



назад Раздел:   вперёд

Вернуться к выбору узлов мотора


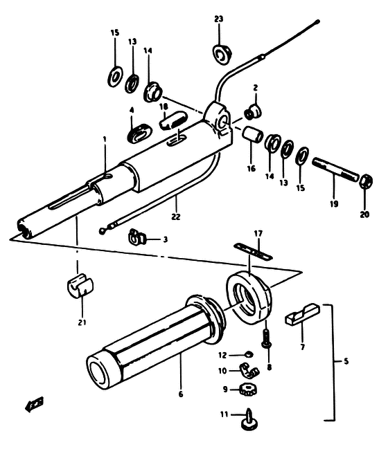
ДЕТАЛИРОВКА ДЛЯ МОДЕЛИ: SUZUKI DT4.5 C

Handle


Год выпуска двигателя: 1978

Номер на
рисунке
АртикулНаименованиеQTYКол-во
на складе
Цена
163111-96100-01J

Запчасть снята с производства - The Spare Part Is Laid Off (The Spare Part Is Laid Off)

под заказ0 руб.
163111-96100-0ED

   (актуальный код замены) Запчасть снята с производства - The Spare Part Is Laid Off

под заказ0 руб.
209321-07001-000

Запчасть снята с производства - The Spare Part Is Laid Off (The Spare Part Is Laid Off)

под заказ0 руб.
363112-93103-000

Запчасть снята с производства - The Spare Part Is Laid Off (The Spare Part Is Laid Off)

под заказ0 руб.
463113-96000-000

Запчасть снята с производства - The Spare Part Is Laid Off (The Spare Part Is Laid Off)

под заказ0 руб.
563200-93102-000

Рукоятка в сборе, Handle - Grip Assy, Handle (TO 63200-93103) (Grip Assy, Handle)

под заказ0 руб.
563200-93103-000

   (актуальный код замены) Запчасть снята с производства - The Spare Part Is Laid Off

под заказ0 руб.
563200-93103-000

Рукоятка в сборе, Handle - Grip Assy, Handle (Grip assy, throttle ) (Grip Assy, Handle)

под заказ0 руб.
563200-93103-000

Рукоятка в сборе, Handle - Grip Assy, Handle (Grip assy, throttle ) (Grip Assy, Handle)

под заказ0 руб.
663210-93101-000

Запчасть снята с производства - The Spare Part Is Laid Off (TO 63210-93102) (The Spare Part Is Laid Off)

под заказ0 руб.
663210-93102-000

   (актуальный код замены) Запчасть снята с производства - The Spare Part Is Laid Off

под заказ0 руб.
663210-93102-000

Запчасть снята с производства - The Spare Part Is Laid Off (The Spare Part Is Laid Off)

под заказ0 руб.
763214-93100-000

Запчасть снята с производства - The Spare Part Is Laid Off (The Spare Part Is Laid Off)

под заказ0 руб.
863218-93100-000

Запчасть снята с производства - The Spare Part Is Laid Off (The Spare Part Is Laid Off)

под заказ0 руб.
963242-93101-000

Запчасть снята с производства - The Spare Part Is Laid Off (The Spare Part Is Laid Off)

под заказ0 руб.
1063243-93101-000

Запчасть снята с производства - The Spare Part Is Laid Off (The Spare Part Is Laid Off)

под заказ0 руб.
1163244-93101-000

Запчасть снята с производства - The Spare Part Is Laid Off (The Spare Part Is Laid Off)

под заказ0 руб.
1263245-93100-000

Запчасть снята с производства - The Spare Part Is Laid Off (The Spare Part Is Laid Off)

под заказ0 руб.
1363321-99000-000

под заказнет сведений
1309305-12011-000

Запчасть снята с производства - The Spare Part Is Laid Off (The Spare Part Is Laid Off)

под заказ0 руб.
1363321-99001-000

Седло, Румпель - Seat, Steering Handle (Seat, handle rubber ) (Seat, Steering Handle)

под заказ0 руб.
1409305-12007-000

Запчасть снята с производства - The Spare Part Is Laid Off (The Spare Part Is Laid Off)

под заказ0 руб.
1409305-12011-000

   (актуальный код замены) Запчасть снята с производства - The Spare Part Is Laid Off

под заказ0 руб.
1509160-10041-000

Запчасть снята с производства - The Spare Part Is Laid Off (10.3X25X1.5) (The Spare Part Is Laid Off)

под заказ0 руб.
1609303-10001-000

Запчасть снята с производства - The Spare Part Is Laid Off (The Spare Part Is Laid Off)

под заказ0 руб.
1763215-93101-000

Маркировка ручки румпеля - Mark, Handle Grip (Mark, Handle Grip)

под заказ320 руб.
1763215-93110-000

   (актуальный код замены) Маркировка ручки румпеля - Mark, Handle Grip

под заказ320 руб.
1763215-93110-000

Маркировка ручки румпеля - Mark, Handle Grip (Mark, handle grip ) (Mark, Handle Grip)

под заказ320 руб.
1809250-08006-000

Запчасть снята с производства - The Spare Part Is Laid Off (The Spare Part Is Laid Off)

под заказ0 руб.
1909108-10026-000

Болт под шпильку - Bolt, Stud (Bolt, Stud)

под заказ520 руб.
2009140-10017-000

Гайка - Nut (Nut)

под заказ160 руб.
2009140-10032-000

   (актуальный код замены) Гайка - Nut

10 шт160 руб.
2009140-10032-000

Гайка - Nut (Nut)

10 шт160 руб.
2163331-93101-000

Запчасть снята с производства - The Spare Part Is Laid Off (The Spare Part Is Laid Off)

под заказ0 руб.
2263610-98301-000

Тросик дросселя, в сборе - Cable Assy, Throttle (Cable Assy, Throttle)

под заказ0 руб.
2263610-93300-000

   (актуальный код замены) Запчасть снята с производства - The Spare Part Is Laid Off

под заказ0 руб.
2263610-93300-000

Тросик дросселя, в сборе - Cable Assy, Throttle (Cable assy, throttle ) (Cable Assy, Throttle)

под заказ0 руб.
2309308-12008-000

Пыльник - Grommet (Grommet, throttle cable ) (Grommet)

под заказ190 руб.


Время выполнения запроса 1.6370210647583 сек.

 
 

данный сайт носит информационный характер и не является публичной офертой

склад запчастей для водомоторной техники