Найти запчасти на лодочный мотор Сузуки - Цилиндр
вконтакте

Контактный телефон: +7 (981) 121-46-93, +7 (800) 200-90-76 , Email: parts-katalog@yandex.ru, где купить

 
 

  Логин:

Пароль:

Регистрация

www.partskatalog.ru Все каталоги Запчасти Mercury Запчасти Suzuki Запчасти Tohatsu Запчасти Honda Контакты



УВАЖАЕМЫЕ КЛИЕНТЫ!
C 19 ДЕКАБРЯ 2025 ПО 02 МАРТА 2026 ГОДА ОТДЕЛ ЗАПЧАСТЕЙ И СЕРВИС РАБОТАТЬ НЕ БУДУТ
ПРОДАЖА ЛОДОЧНЫХ МОТОРОВ В ШТАТНОМ РЕЖИМЕ
ОБ ИЗМЕНЕНИЯХ В ГРАФИКЕ РАБОТЫ ЧИТАЙТЕ НА САЙТА



назад Раздел:   вперёд

Вернуться к выбору узлов мотора


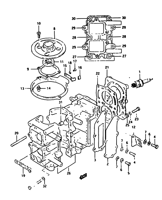
ДЕТАЛИРОВКА ДЛЯ МОДЕЛИ: SUZUKI DT5W J

Цилиндр


Год выпуска двигателя: 1981

Цвет: Francois Whte №2,Arctic Silver

Номер на
рисунке
АртикулНаименованиеQTYКол-во
на складе
Цена
109482-00074-000

Свеча зажигания (bp6hs) - Plug, Spark (bp6hs) (GAP:9) (Plug, Spark (bp6hs))

под заказ0 руб.
109482-00259-000

   (актуальный код замены) Запчасть снята с производства - The Spare Part Is Laid Off

под заказ0 руб.
109482-00259-000

Свеча зажигания (bp6hs) - Plug, Spark (bp6hs) (Plug, Spark (bp6hs))

под заказ0 руб.
109482-00229-000

Запчасть снята с производства - The Spare Part Is Laid Off (GAP:9 E28) (The Spare Part Is Laid Off)

под заказ0 руб.
109482-00259-000

Свеча зажигания (bp6hs) - Plug, Spark (bp6hs) (GAP:9 E13, E40 ) (Plug, Spark (bp6hs))

под заказ0 руб.
214141-98502-01J

Запчасть снята с производства - The Spare Part Is Laid Off (The Spare Part Is Laid Off)

под заказ0 руб.
214141-98504-0ED

   (актуальный код замены) Запчасть снята с производства - The Spare Part Is Laid Off

под заказ0 руб.
314151-98502-000

Прокладка кожуха выхлопной трубы - Gasket, Exhaust Cover (Gasket, Exhaust Cover)

под заказ1080 руб.
314151-98511-000

   (актуальный код замены) Прокладка кожуха выхлопной трубы - Gasket, Exhaust Cover

1 шт1080 руб.
314151-98511-000

Прокладка кожуха выхлопной трубы - Gasket, Exhaust Cover (Gasket, Exhaust Cover)

1 шт1080 руб.
401907-06208-000

Болт - Bolt (TO 01107-06208) (Bolt)

под заказ150 руб.
401500-06207-000

   (актуальный код замены) Болт - Bolt

под заказ150 руб.
401500-06207-000

Болт - Bolt (Bolt)

под заказ150 руб.
501907-06168-000

Болт - Bolt (TO 01107-06168) (Bolt)

под заказ150 руб.
501500-06167-000

   (актуальный код замены) Болт - Bolt

под заказ150 руб.
501500-06167-000

Болт - Bolt (Bolt, fuel cooler ) (Bolt)

под заказ150 руб.
608321-21068-000

Шайба с блокировкой - Washer, Lock (Washer, Lock)

под заказ140 руб.
608321-01067-000

   (актуальный код замены) Шайба с блокировкой - Washer, Lock

под заказ140 руб.
608321-01067-000

Шайба с блокировкой - Washer, Lock (Washer, Lock)

под заказ140 руб.
708322-21068-000

Шайба - Washer (Washer)

под заказ140 руб.
708322-01067-000

   (актуальный код замены) Шайба - Washer

10 шт160 руб.
708322-01067-000

Шайба - Washer (Washer)

10 шт160 руб.
811411-98500-000

Корпус верхнего сальника - Housing, Upr Oil Seal (Housing, Upr Oil Seal)

под заказ0 руб.
911413-98500-000

Прокладка верхнего корпуса сальника - Gasket, Upr Oil Seal Hsg (Gasket, Upr Oil Seal Hsg)

под заказ480 руб.
911413-98510-000

   (актуальный код замены) Прокладка верхнего корпуса сальника - Gasket, Upr Oil Seal Hsg

под заказ480 руб.
911413-98510-000

Прокладка верхнего корпуса сальника - Gasket, Upr Oil Seal Hsg (Gasket, upper oil seal hsg ) (Gasket, Upr Oil Seal Hsg)

под заказ480 руб.
1002112-06168-000

Винт - Screw (Screw)

под заказ120 руб.
1002112-06167-000

   (актуальный код замены) Винт - Screw

под заказ120 руб.
1002112-06167-000

Винт - Screw (Screw)

под заказ120 руб.
1109283-20006-000

Сальник (20x37x7) - Seal, Oil (20x37x7) (Oil seal, upper crank shaft ) (Seal, Oil (20x37x7))

10 шт530 руб.
1233883-98101-01J

Запчасть снята с производства - The Spare Part Is Laid Off (The Spare Part Is Laid Off)

под заказ0 руб.
1233883-98102-01J

   (актуальный код замены) Запчасть снята с производства - The Spare Part Is Laid Off

под заказ0 руб.
1319151-98100-01J

Фиксатор, Стартер - Retainer, Starter (Retainer, Starter)

под заказ0 руб.
1319151-98101-0ED

   (актуальный код замены) Запчасть снята с производства - The Spare Part Is Laid Off

под заказ0 руб.
1319151-98101-0ED

Фиксатор, Стартер - Retainer, Starter (Retainer, Starter)

под заказ0 руб.
1409119-06047-000

Стержень - Pivot (Pivot, ball ) (Pivot)

21 шт520 руб.
1519172-98100-000

Стопор, Фиксатор - Stopper, Retainer (Stopper, Retainer)

под заказ0 руб.
1519172-98102-000

   (актуальный код замены) Запчасть снята с производства - The Spare Part Is Laid Off

под заказ0 руб.
1519172-98102-000

Стопор, Фиксатор - Stopper, Retainer (Stopper, retainer ) (Stopper, Retainer)

под заказ0 руб.
1609320-05010-000

Шланг (5x8.2x600) - Hose (5x82x600) (Hose (5x8.2x600))

под заказ640 руб.
1609352-50005-600

   (актуальный код замены) Шланг (5x8.2x600) - Hose (5x8.2x600)

под заказ640 руб.
1609352-50823-600

Шланг (5x8.2x600) - Hose (5x82x600) (Hose, evapotation (5.0x8.2x600) ) (Hose (5x8.2x600))

под заказ640 руб.
1609352-50005-600

   (актуальный код замены) Шланг (5x8.2x600) - Hose (5x8.2x600)

под заказ640 руб.
1702112-05128-000

Винт - Screw (Screw)

под заказ150 руб.
1702112-05127-000

   (актуальный код замены) Винт - Screw

31 шт150 руб.
1702112-05127-000

Винт - Screw (Screw, vacuum sw valve ) (Screw)

31 шт150 руб.
1809160-05028-000

Шайба (5.5x10x0.8) - Washer (55x10x08) (Washer (5.5x10x0.8))

под заказ120 руб.
1909404-06413-000

Струбцина (l: 65) - Clamp (l:65) (Clamp (l:65))

под заказ170 руб.
1909404-06039-000

   (актуальный код замены) Струбцина (l: 65) - Clamp (l:65)

под заказ170 руб.
1909404-06432-000

Струбцина (l: 65) - Clamp (l:65) (Clamp (l:80) ) (Clamp (l:65))

8 шт170 руб.
1909404-06039-000

   (актуальный код замены) Струбцина (l: 65) - Clamp (l:65)

под заказ170 руб.
2001411-06558-000

Болт под шпильку - Bolt, Stud (Bolt, Stud)

под заказ150 руб.
2001411-0655A-000

   (актуальный код замены) Болт под шпильку - Bolt, Stud

под заказ150 руб.
2001411-0655A-000

Болт под шпильку - Bolt, Stud (Bolt, Stud)

под заказ150 руб.
2111111-98502-01J

под заказнет сведений
2101550-08357-000

Болт - Bolt (Bolt)

под заказ260 руб.
2101550-08357-000

Болт - Bolt (Bolt)

под заказ260 руб.
2211141-98502-000

Прокладка головки блока цилиндра - Gasket, Cylinder Head (Gasket, Cylinder Head)

под заказ0 руб.
2211141-98522-000

   (актуальный код замены) Запчасть снята с производства - The Spare Part Is Laid Off

под заказ0 руб.
2211141-98522-000

Прокладка головки блока цилиндра - Gasket, Cylinder Head (Gasket, Cylinder Head)

под заказ0 руб.
2301907-08358-000

Болт - Bolt (TO 01107-08358) (Bolt)

под заказ230 руб.
2301500-0835B-000

   (актуальный код замены) Болт - Bolt

под заказ230 руб.
2301500-0835B-000

Болт - Bolt (Bolt, muffler support ) (Bolt)

под заказ230 руб.
2408321-21088-000

Шайба с блокировкой - Washer, Lock (Washer, Lock)

под заказ140 руб.
2408321-01087-000

   (актуальный код замены) Шайба с блокировкой - Washer, Lock

под заказ140 руб.
2408321-01087-000

Шайба с блокировкой - Washer, Lock (Washer, lock ) (Washer, Lock)

под заказ140 руб.
2508322-11088-000

Шайба - Washer (Washer)

под заказ140 руб.
2508322-01087-000

   (актуальный код замены) Шайба - Washer

под заказ140 руб.
2508322-01087-000

Шайба - Washer (Lock washer ) (Washer)

под заказ140 руб.
2611301-98590-01J

Запчасть снята с производства - The Spare Part Is Laid Off (FROM 11301-98504-01J) (The Spare Part Is Laid Off)

под заказ0 руб.
2611301-98591-0ED

   (актуальный код замены) Запчасть снята с производства - The Spare Part Is Laid Off

под заказ0 руб.
2701907-06608-000

Болт (6x60) - Bolt (6x60) (Bolt (6x60))

под заказ160 руб.
2709103-06064-000

   (актуальный код замены) Болт (6x60) - Bolt (6x60)

под заказ160 руб.
2709103-06064-000

Болт (6x60) - Bolt (6x60) (Bolt (6x60))

под заказ160 руб.
2801907-06508-000

Болт - Bolt (Bolt)

под заказ190 руб.
2801500-06507-000

   (актуальный код замены) Болт - Bolt

под заказ190 руб.
2801500-06507-000

Болт - Bolt (Bolt)

под заказ190 руб.
2901907-06308-000

Болт - Bolt (TO 01107-06308) (Bolt)

под заказ190 руб.
2901500-06307-000

   (актуальный код замены) Болт - Bolt

под заказ190 руб.
2901500-06307-000

Болт - Bolt (Bolt)

под заказ190 руб.
3001907-06658-000

Болт (6x65) - Bolt (6x65) (TO 01107-06658) (Bolt (6x65))

под заказ160 руб.
3009100-06038-000

   (актуальный код замены) Болт (6x65) - Bolt (6x65)

под заказ160 руб.
3009100-06038-000

Болт (6x65) - Bolt (6x65) (Bolt (6x65))

под заказ160 руб.
3104211-09109-000

Штифт - Pin (Knock pin ) (Pin)

под заказ120 руб.
3208321-21068-000

Шайба с блокировкой - Washer, Lock (Washer, Lock)

под заказ140 руб.
3208321-01067-000

   (актуальный код замены) Шайба с блокировкой - Washer, Lock

под заказ140 руб.
3208321-01067-000

Шайба с блокировкой - Washer, Lock (Washer, Lock)

под заказ140 руб.


Время выполнения запроса 1.8850071430206 сек.

 
 

данный сайт носит информационный характер и не является публичной офертой

склад запчастей для водомоторной техники