Найти запчасти на подвесной двигатель Suzuki модель 1981 года - Clamp bracket
вконтакте

Контактный телефон: +7 (981) 121-46-93, +7 (800) 200-90-76 , Email: parts-katalog@yandex.ru, где купить

 
 

  Логин:

Пароль:

Регистрация

www.partskatalog.ru Все каталоги Запчасти Mercury Запчасти Suzuki Запчасти Tohatsu Запчасти Honda Контакты



УВАЖАЕМЫЕ КЛИЕНТЫ!
C 19 ДЕКАБРЯ 2025 ПО 02 МАРТА 2026 ГОДА ОТДЕЛ ЗАПЧАСТЕЙ И СЕРВИС РАБОТАТЬ НЕ БУДУТ
ПРОДАЖА ЛОДОЧНЫХ МОТОРОВ В ШТАТНОМ РЕЖИМЕ
ОБ ИЗМЕНЕНИЯХ В ГРАФИКЕ РАБОТЫ ЧИТАЙТЕ НА САЙТА



назад Раздел:   вперёд

Вернуться к выбору узлов мотора


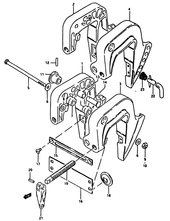
ДЕТАЛИРОВКА ДЛЯ МОДЕЛИ: SUZUKI DT5W J

Кронштейн транца


Год выпуска двигателя: 1981

Цвет: Francois Whte №2,Arctic Silver

Номер на
рисунке
АртикулНаименованиеQTYКол-во
на складе
Цена
141111-98502-01J

Запчасть снята с производства - The Spare Part Is Laid Off (TO 41111-98503-01J, MODEL G) (The Spare Part Is Laid Off)

под заказ0 руб.
141111-98503-01J

   (актуальный код замены) Запчасть снята с производства - The Spare Part Is Laid Off

под заказ0 руб.
141111-98504-01J

(TO 41111-98505-01J, MODEL G)

под заказ0 руб.
109116-06121-000

Болт (6x25) - Bolt (6x25) (Bolt (6x25) ) (Bolt (6x25))

19 шт260 руб.
141100-98800-0ED

Кронштейн Set, Струбцина (r / l) (gray) - Bracket Set, Clamp (r/l) (gray) (Bracket set, clamp (port & stbd) ) (Bracket Set, Clamp (r/l) (gray))

под заказ0 руб.
155321-90L00-000

Zinc, Protection - Zinc, Protection (Zinc, Protection)

под заказ540 руб.
141111-98505-01J

(MODEL J)

под заказ0 руб.
109116-06121-000

Болт (6x25) - Bolt (6x25) (Bolt (6x25) ) (Bolt (6x25))

19 шт260 руб.
141100-98800-0ED

Кронштейн Set, Струбцина (r / l) (gray) - Bracket Set, Clamp (r/l) (gray) (Bracket set, clamp (port & stbd) ) (Bracket Set, Clamp (r/l) (gray))

под заказ0 руб.
155321-90L00-000

Zinc, Protection - Zinc, Protection (Zinc, Protection)

под заказ540 руб.
241111-98512-01J

(E09, E13, FROM 41111-98511-01J)

под заказнет сведений
209116-06121-000

Болт (6x25) - Bolt (6x25) (Bolt (6x25) ) (Bolt (6x25))

19 шт260 руб.
241100-98800-0ED

Кронштейн Set, Струбцина (r / l) (gray) - Bracket Set, Clamp (r/l) (gray) (Bracket set, clamp (port & stbd) ) (Bracket Set, Clamp (r/l) (gray))

под заказ0 руб.
255321-90L00-000

Zinc, Protection - Zinc, Protection (Zinc, Protection)

под заказ540 руб.
341121-98501-01J

Запчасть снята с производства - The Spare Part Is Laid Off (TO 41121-98502-01J, MODEL G) (The Spare Part Is Laid Off)

под заказ0 руб.
341121-98502-01J

   (актуальный код замены) Запчасть снята с производства - The Spare Part Is Laid Off

под заказ0 руб.
341121-98503-01J

(TO 41121-98504-01J)

под заказнет сведений
341100-98800-0ED

Кронштейн Set, Струбцина (r / l) (gray) - Bracket Set, Clamp (r/l) (gray) (Bracket set, clamp (port & stbd) ) (Bracket Set, Clamp (r/l) (gray))

под заказ0 руб.
341121-98505-01J

Кронштейн Set, Струбцина (r / l) (gray) - Bracket Set, Clamp (r/l) (gray) (MODEL J) (Bracket Set, Clamp (r/l) (gray))

под заказ0 руб.
341100-98800-0ED

   (актуальный код замены) Запчасть снята с производства - The Spare Part Is Laid Off

под заказ0 руб.
341100-98800-0ED

Кронштейн Set, Струбцина (r / l) (gray) - Bracket Set, Clamp (r/l) (gray) (Bracket set, clamp (port & stbd) ) (Bracket Set, Clamp (r/l) (gray))

под заказ0 руб.
441121-98512-01J

Кронштейн Set, Струбцина (r / l) (gray) - Bracket Set, Clamp (r/l) (gray) (E09, E13, FROM 41121-98511-01J) (Bracket Set, Clamp (r/l) (gray))

под заказ0 руб.
441100-98800-0ED

   (актуальный код замены) Запчасть снята с производства - The Spare Part Is Laid Off

под заказ0 руб.
441100-98800-0ED

Кронштейн Set, Струбцина (r / l) (gray) - Bracket Set, Clamp (r/l) (gray) (Bracket set, clamp (port & stbd) ) (Bracket Set, Clamp (r/l) (gray))

под заказ0 руб.
1009159-10032-000

Гайка - Nut (Nut)

под заказ250 руб.
1009159-10050-000

   (актуальный код замены) Гайка - Nut

8 шт250 руб.
1009159-10050-000

Гайка - Nut (Nut)

8 шт250 руб.
1141221-93001-000

Ручка, Стопор наклона - Knob, Tilt Stopper (Knob, tilt stopper ) (Knob, Tilt Stopper)

2 шт410 руб.
1209205-03015-000

Стопор пружины (3x8) - Pin, Spring (3x8) (Pin, Spring (3x8))

под заказ130 руб.
1209205-03032-000

   (актуальный код замены) Стопор пружины (3x8) - Pin, Spring (3x8)

под заказ130 руб.
1209205-03032-000

Стопор пружины (3x8) - Pin, Spring (3x8) (Pin (3x8) ) (Pin, Spring (3x8))

под заказ130 руб.
1309300-12009-000

Втулка (12x15x20) - Bush (12x15x20) (Bushing, tilt stopper pin ) (Bush (12x15x20))

1 шт840 руб.
1409200-12001-000

Штифт - Pin (Pin)

под заказ0 руб.
1409200-12003-000

   (актуальный код замены) Запчасть снята с производства - The Spare Part Is Laid Off

1 шт0 руб.
1409200-12003-000

Штифт - Pin (Pin, tilt stopper ) (Pin)

1 шт0 руб.
1541311-98500-000

Запчасть снята с производства - The Spare Part Is Laid Off (MODEL G) (The Spare Part Is Laid Off)

под заказ0 руб.
1641311-98100-000

Пластина кронштейна транца - Plate, Clamp Bracket (Plate, Clamp Bracket)

под заказ0 руб.
1641311-98101-000

   (актуальный код замены) Запчасть снята с производства - The Spare Part Is Laid Off

под заказ0 руб.
1641311-98101-000

Пластина кронштейна транца - Plate, Clamp Bracket (Plate, clamp bracket ) (Plate, Clamp Bracket)

под заказ0 руб.
1709125-06020-000

Винт (6x16) - Screw (6x16) (FOR 41311-98500, MODEL G FOR 41311-98100) (Screw (6x16))

под заказ220 руб.
1709125-06053-000

   (актуальный код замены) Винт (6x16) - Screw (6x16)

под заказ220 руб.
1709125-06053-000

Винт (6x16) - Screw (6x16) (Screw, tiller handle cover ) (Screw (6x16))

под заказ220 руб.
1841213-98100-000

Пластина струбцины - Plate, Clamp (Plate, clamp ) (Plate, Clamp)

под заказ390 руб.
1841213-94J01-000

   (актуальный код замены) Пластина струбцины - Plate, Clamp

под заказ420 руб.
1941211-98500-000

Винт струбцины, в сборе - Screw Assy, Clamp (Screw Assy, Clamp)

под заказ2100 руб.
1941210-986L1-000

   (актуальный код замены) Винт струбцины, в сборе - Screw Assy, Clamp

под заказ2100 руб.
1941210-986L1-000

Винт струбцины, в сборе - Screw Assy, Clamp (Screw Assy, Clamp)

под заказ2100 руб.
2009205-05001-000

Стопор пружины (5x18) - Pin, Spring (5x18) (Pin, Spring (5x18))

под заказ180 руб.
2009205-05014-000

   (актуальный код замены) Стопор пружины (5x18) - Pin, Spring (5x18)

под заказ180 руб.
2009205-05014-000

Стопор пружины (5x18) - Pin, Spring (5x18) (Pin, clutch lever (l:18) ) (Pin, Spring (5x18))

под заказ180 руб.
2141212-99000-01J

Струбцина румпеля (gray) - Handle, Clamp (gray) (Handle, Clamp (gray))

под заказ0 руб.
2141212-99000-0ED

   (актуальный код замены) Запчасть снята с производства - The Spare Part Is Laid Off

под заказ0 руб.
2141212-99000-0ED

Струбцина румпеля (gray) - Handle, Clamp (gray) (Handle, Clamp (gray))

под заказ0 руб.
2245420-98100-000

Штифт блокировки наклона - Pin, Tilt Lock (E09, E13) (Pin, Tilt Lock)

под заказ0 руб.
2245420-98101-000

   (актуальный код замены) Запчасть снята с производства - The Spare Part Is Laid Off

1 шт0 руб.
2245420-98101-000

Штифт блокировки наклона - Pin, Tilt Lock (Pin, Tilt Lock)

1 шт0 руб.
2309441-17001-000

Пружина - Spring (E09, E13 ) (Spring)

11 шт220 руб.


Время выполнения запроса 1.0472750663757 сек.

 
 

данный сайт носит информационный характер и не является публичной офертой

склад запчастей для водомоторной техники