Купить оригинальные запчасти на подвесной двигатель Suzuki - Топливный бак
вконтакте

Контактный телефон: +7 (981) 121-46-93, +7 (800) 200-90-76 , Email: parts-katalog@yandex.ru, где купить

 
 

  Логин:

Пароль:

Регистрация

www.partskatalog.ru Все каталоги Запчасти Mercury Запчасти Suzuki Запчасти Tohatsu Запчасти Honda Контакты



УВАЖАЕМЫЕ КЛИЕНТЫ!
C 19 ДЕКАБРЯ 2025 ПО 02 МАРТА 2026 ГОДА ОТДЕЛ ЗАПЧАСТЕЙ И СЕРВИС РАБОТАТЬ НЕ БУДУТ
ПРОДАЖА ЛОДОЧНЫХ МОТОРОВ В ШТАТНОМ РЕЖИМЕ
ОБ ИЗМЕНЕНИЯХ В ГРАФИКЕ РАБОТЫ ЧИТАЙТЕ НА САЙТА



назад Раздел:   вперёд

Вернуться к выбору узлов мотора


ДЕТАЛИРОВКА ДЛЯ МОДЕЛИ: SUZUKI DT5 QD

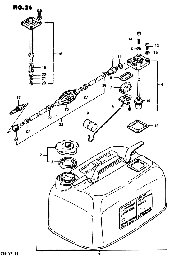
Топливный бак


Год выпуска двигателя: 1983

Номер на
рисунке
АртикулНаименованиеQTYКол-во
на складе
Цена
265510-98507-000

Крышка горловины топливного бака, в сборе - Cap Assy, Fuel Tank (Cap Assy, Fuel Tank)

под заказ0 руб.
265510-92D00-000

   (актуальный код замены) Запчасть снята с производства - The Spare Part Is Laid Off

под заказ0 руб.
265510-92D00-000

Крышка горловины топливного бака, в сборе - Cap Assy, Fuel Tank (Cap assy, separate tank ) (Cap Assy, Fuel Tank)

под заказ0 руб.
365561-98502-000

Запчасть снята с производства - The Spare Part Is Laid Off (The Spare Part Is Laid Off)

под заказ0 руб.
465850-95505-000

под заказ0 руб.
465740-95500-000

Разъем топливного коннектора - Plug, Fuel Connector (Connector, fuel ) (Plug, Fuel Connector)

под заказ2720 руб.
465740-95501-000

   (актуальный код замены) Разъем топливного коннектора - Plug, Fuel Connector

под заказ2720 руб.
465850-95X50-000

Прибор - измеритель уровня топлива - Gauge Assy, Fuel (Gauge assy ) (Gauge Assy, Fuel)

под заказ0 руб.
409168-12015-XC0

Прокладка (12.2x21x0.8) - Gasket (122x21x08) (Gasket (12.2x21x0.8))

под заказ350 руб.
409168-12015-XC0

Прокладка (12.2x21x0.8) - Gasket (122x21x08) (Gasket (12.2x21x0.8))

под заказ350 руб.
565740-95500-000

Разъем топливного коннектора - Plug, Fuel Connector (Connector, fuel ) (Plug, Fuel Connector)

под заказ2720 руб.
565740-95501-000

   (актуальный код замены) Разъем топливного коннектора - Plug, Fuel Connector

под заказ2720 руб.
665854-93001-000

Прокладка - Gasket (Gasket)

под заказ0 руб.
765853-93001-000

Топливный фильтр Gauge - Strainer, Fuel Gauge (Strainer, Fuel Gauge)

под заказ0 руб.
802112-04108-000

Винт - Screw (Screw)

под заказ120 руб.
802112-04107-000

   (актуальный код замены) Винт - Screw

под заказ120 руб.
802112-04107-000

Винт - Screw (Screw)

под заказ120 руб.
965864-95200-000

Запчасть снята с производства - The Spare Part Is Laid Off (The Spare Part Is Laid Off)

под заказ0 руб.
1065830-95500-000

Фильтр - Filter (Filter)

под заказ1180 руб.
1109168-12001-000

Прокладка (12.5x20x1) - Gasket (125x20x1) (Gasket ) (Gasket (12.5x20x1))

под заказ220 руб.
1265871-93010-000

Прокладка, Fuel Gauge - Gasket, Fuel Gauge (Gasket, fuel gauge ) (Gasket, Fuel Gauge)

под заказ240 руб.
1302112-06168-000

Винт - Screw (Screw)

под заказ120 руб.
1302112-06167-000

   (актуальный код замены) Винт - Screw

под заказ120 руб.
1302112-06167-000

Винт - Screw (Screw)

под заказ120 руб.
1402112-06408-000

Винт - Screw (Screw)

под заказ130 руб.
1402112-06407-000

   (актуальный код замены) Винт - Screw

под заказ130 руб.
1402112-06407-000

Винт - Screw (Screw)

под заказ130 руб.
1509168-06002-000

Прокладка (6.2x11x1.2) - Gasket (62x11x12) (MODEL QD MODEL VE/VF) (Gasket (6.2x11x1.2))

под заказ120 руб.
1509168-06004-000

   (актуальный код замены) Прокладка (6.2x11x1.2) - Gasket (6.2x11x1.2)

под заказ120 руб.
1509168-06004-000

Прокладка (6.2x11x1.2) - Gasket (62x11x12) (Washer (6x11.8x1.5) ) (Gasket (6.2x11x1.2))

под заказ120 руб.
1608322-21067-000

Шайба - Washer (MODEL QD) (Washer)

под заказ140 руб.
1608322-01067-000

   (актуальный код замены) Шайба - Washer

10 шт160 руб.
1608322-01067-000

Шайба - Washer (Washer)

10 шт160 руб.
1765720-98590-000

Разъем топливного коннектора - Plug, Fuel Connector (Plug, fuel connector ) (Plug, Fuel Connector)

10 шт0 руб.
1765720-98591-000

   (актуальный код замены) Запчасть снята с производства - The Spare Part Is Laid Off

под заказ0 руб.
1865880-95200-000

Запчасть снята с производства - The Spare Part Is Laid Off (The Spare Part Is Laid Off)

под заказ0 руб.
1965830-93301-000

Запчасть снята с производства - The Spare Part Is Laid Off (The Spare Part Is Laid Off)

под заказ0 руб.
2002112-05088-000

Винт - Screw (Screw)

под заказ120 руб.
2002112-05087-000

   (актуальный код замены) Винт - Screw

под заказ120 руб.
2002112-05087-000

Винт - Screw (Screw)

под заказ120 руб.
2108321-21057-000

Шайба с блокировкой - Washer, Lock (Washer, Lock)

под заказ140 руб.
2108321-0105A-000

   (актуальный код замены) Шайба с блокировкой - Washer, Lock

под заказ140 руб.
2108321-0105A-000

Шайба с блокировкой - Washer, Lock (Washer, Lock)

под заказ140 руб.
2208322-21058-000

Шайба - Washer (Washer)

под заказ140 руб.
2208322-01057-000

   (актуальный код замены) Шайба - Washer

под заказ140 руб.
2208322-01057-000

Шайба - Washer (Washer, front hook holder ) (Washer)

под заказ140 руб.
2365700-98506-000

Топливный шланг (от бака до коннектораector) - Hose, Fuel (tank To Connector) (Hose, Fuel (tank To Connector))

под заказ0 руб.
2365700-98526-000

Топливный шланг (от бака до коннектораector) - Hose, Fuel (tank To Connector) (Hose, Fuel (tank To Connector))

под заказ0 руб.
2365700-98527-000

   (актуальный код замены) Запчасть снята с производства - The Spare Part Is Laid Off

под заказ0 руб.
2365700-98550-000

Топливный шланг (от бака до коннектораector) - Hose, Fuel (tank To Connector) (MODEL VF:E40) (Hose, Fuel (tank To Connector))

под заказ0 руб.
2365700-98527-000

   (актуальный код замены) Запчасть снята с производства - The Spare Part Is Laid Off

под заказ0 руб.
2465750-98505-000

Разъём топливного шланга - Socket, Fuel Hose (Socket, fuel hose (out) ) (Socket, Fuel Hose)

2 шт3240 руб.
2465750-98506-000

   (актуальный код замены) Разъём топливного шланга - Socket, Fuel Hose

под заказ3240 руб.
2565770-99702-000

Запчасть снята с производства - The Spare Part Is Laid Off (The Spare Part Is Laid Off)

под заказ0 руб.
2565770-99704-000

   (актуальный код замены) Запчасть снята с производства - The Spare Part Is Laid Off

под заказ0 руб.
2609401-11402-000

Зажим - Clip (Clip)

под заказ190 руб.
2609401-11403-000

   (актуальный код замены) Зажим - Clip

под заказ190 руб.
2609401-11403-000

Зажим - Clip (Clip ) (Clip)

под заказ190 руб.
2765781-98500-000

Зажим топливного шланга - Clip, Fuel Hose (Clip, Fuel Hose)

9 шт350 руб.


Время выполнения запроса 1.2040708065033 сек.

 
 

данный сайт носит информационный характер и не является публичной офертой

склад запчастей для водомоторной техники