Найти запчасти Suzuki модель 1983 года - Водяной насос
вконтакте

Контактный телефон: +7 (981) 121-46-93, +7 (800) 200-90-76 , Email: parts-katalog@yandex.ru, где купить

 
 

  Логин:

Пароль:

Регистрация

www.partskatalog.ru Все каталоги Запчасти Mercury Запчасти Suzuki Запчасти Tohatsu Запчасти Honda Контакты



УВАЖАЕМЫЕ КЛИЕНТЫ!
C 19 ДЕКАБРЯ 2025 ПО 02 МАРТА 2026 ГОДА ОТДЕЛ ЗАПЧАСТЕЙ И СЕРВИС РАБОТАТЬ НЕ БУДУТ
ПРОДАЖА ЛОДОЧНЫХ МОТОРОВ В ШТАТНОМ РЕЖИМЕ
ОБ ИЗМЕНЕНИЯХ В ГРАФИКЕ РАБОТЫ ЧИТАЙТЕ НА САЙТА



назад Раздел:   вперёд

Вернуться к выбору узлов мотора


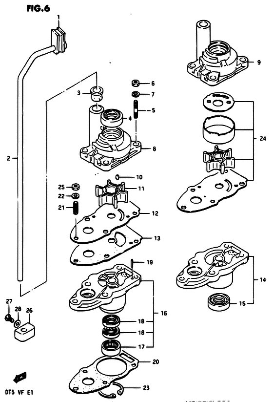
ДЕТАЛИРОВКА ДЛЯ МОДЕЛИ: SUZUKI DT5W QD

Водяной насос


Год выпуска двигателя: 1983

Цвет: Francois Whte №2,Arctic Silver

Номер на
рисунке
АртикулНаименованиеQTYКол-во
на складе
Цена
117563-98500-000

Пыльник - Grommet (Grommet, water tube ) (Grommet)

12 шт290 руб.
217561-98510-000

Водяная трубка (s) - Tube, Water (s) (Tube, water ) (Tube, Water (s))

под заказ1500 руб.
217561-98520-000

Водяная трубка (l) - Tube, Water (l) (Tube, water ) (Tube, Water (l))

под заказ1580 руб.
217561-98530-000

Запчасть снята с производства - The Spare Part Is Laid Off (E38) (The Spare Part Is Laid Off)

под заказ0 руб.
317415-98501-000

Пыльник корпуса водяного насоса - Grommet, Water Pump Case (Grommet, water pump ) (Grommet, Water Pump Case)

27 шт260 руб.
409289-10002-000

Сальник (10x22x8) - Seal, Oil (10x22x8) (Seal, oil ) (Seal, Oil (10x22x8))

9 шт1460 руб.
509108-06025-000

Болт под шпильку - Bolt, Stud (Stud bolt (6x30) ) (Bolt, Stud)

под заказ0 руб.
609140-06020-000

Гайка - Nut (Nut)

9 шт150 руб.
709162-06006-000

Шайба с блокировкой - Washer, Lock (Lock washer ) (Washer, Lock)

под заказ160 руб.
817411-98504-000

Запчасть снята с производства - The Spare Part Is Laid Off (~0501-438169 ~0502-451218) (The Spare Part Is Laid Off)

под заказ0 руб.
817411-98505-000

Корпус водяного насоса - Case, Water Pump (0501-438170~ 0502-451219~ ) (Case, Water Pump)

под заказ0 руб.
917410-98101-000

Корпус водяного насоса - Case, Water Pump (E40 0501-438983~ ) (Case, Water Pump)

под заказ0 руб.
917411-98100-000

Запчасть снята с производства - The Spare Part Is Laid Off (E40 ~0501-438982) (The Spare Part Is Laid Off)

под заказ0 руб.
1009420-03002-000

Ключ - Key (Key)

22 шт290 руб.
10SK09420-03002

   (не оригинальный аналог) Шпонка помпы охлаждения Skipper для Suzuki DF4-6, DF4A-6A

0 шт99 руб.
1117461-98500-000

Крыльчатка водяного насоса - Impeller, Water Pump (~0501-439217 ~0502-451302) (Impeller, Water Pump)

под заказ2030 руб.
1117461-985M0-000

   (актуальный код замены) Крыльчатка водяного насоса - Impeller, Water Pump

30 шт2220 руб.
1117461-985M0-000

Крыльчатка водяного насоса - Impeller, Water Pump (Impeller, Water Pump)

30 шт2220 руб.
1117461-98501-000

Крыльчатка водяного насоса - Impeller, Water Pump (0501-439218~ 0502-451303~) (Impeller, Water Pump)

под заказ2030 руб.
1117461-985M0-000

   (актуальный код замены) Крыльчатка водяного насоса - Impeller, Water Pump

30 шт2220 руб.
11SC-WT093

   (не оригинальный аналог) Крыльчатка помпы охлаждения двигателя Suzuki SC-WT093

под заказ950 руб.
1117461-985M0-000

Крыльчатка водяного насоса - Impeller, Water Pump (Impeller, Water Pump)

30 шт2220 руб.
1217471-98503-000

Пластина водяного насоса Case нижний - Plate, Water Pump Case Lower (Plate, Water Pump Case Lower)

2 шт740 руб.
1317472-98503-000

Прокладка пластины водяного насоса - Gasket, Water Pump Plate (Gasket, Water Pump Plate)

3 шт220 руб.
1456130-98503-000

Корпус вала передачи - Housing, Drive Shaft (Housing, drive shaft # MODEL QD/VE ) (Housing, Drive Shaft)

под заказ0 руб.
1509289-10005-000

Сальник (10x26x9) - Seal, Oil (10x26x9) (Oil seal (10x26x8) ) (Seal, Oil (10x26x9))

31 шт830 руб.
1656130-98520-000

Корпус подшипника приводного вала - Housing, Drive Shaft Brg (MODEL VF) (Housing, Drive Shaft Brg)

под заказ31920 руб.
1656130-98521-000

   (актуальный код замены) Корпус подшипника приводного вала - Housing, Drive Shaft Brg

2 шт31920 руб.
1656130-98521-000

Корпус подшипника приводного вала - Housing, Drive Shaft Brg (Housing, drive shaft brg ) (Housing, Drive Shaft Brg)

2 шт31920 руб.
1709263-15019-000

Подшипник (15x21x12) - Bearing (15x21x12) (Bearing (15x21x12) ) (Bearing (15x21x12))

3 шт1300 руб.
1809282-10009-000

Сальник (10x20x5) - Seal, Oil (10x20x5) (Seal, Oil (10x20x5))

27 шт520 руб.
1909202-04008-000

Штифт (4x9) - Pin (4x9) (Pin, knock ) (Pin (4x9))

4 шт150 руб.
2056132-98501-000

Прокладка корпуса вала передачи - Gasket, Drive Shaft Housing (Gasket, Drive Shaft Housing)

под заказ1080 руб.
2056132-98510-000

   (актуальный код замены) Прокладка корпуса вала передачи - Gasket, Drive Shaft Housing

2 шт1080 руб.
2056132-98510-000

Прокладка корпуса вала передачи - Gasket, Drive Shaft Housing (Gasket, drive shaft housing ) (Gasket, Drive Shaft Housing)

2 шт1080 руб.
2109108-06032-000

Болт под шпильку - Bolt, Stud (MODEL QD/VE) (Bolt, Stud)

под заказ380 руб.
2109108-06063-000

   (актуальный код замены) Болт под шпильку - Bolt, Stud

под заказ380 руб.
2109108-06063-000

Болт под шпильку - Bolt, Stud (Stud bolt (6x20) ) (Bolt, Stud)

под заказ380 руб.
2109108-06063-000

Болт под шпильку - Bolt, Stud (Stud bolt (6x20) # MODEL VF ) (Bolt, Stud)

под заказ380 руб.
2209162-06006-000

Шайба с блокировкой - Washer, Lock (Lock washer ) (Washer, Lock)

под заказ160 руб.
2308331-41309-000

Стопорное кольцо - Circlip (Circlip)

7 шт210 руб.
2417400-98500-000

Запчасть снята с производства - The Spare Part Is Laid Off (DT5QD E40) (The Spare Part Is Laid Off)

под заказ0 руб.
2417400-98550-000

Ремкомплект водяного насоса - Kit, Water Pump Repair (OPT:MODEL VF) (Kit, Water Pump Repair)

под заказ3240 руб.
2417400-98551-000

   (актуальный код замены) Ремкомплект водяного насоса - Kit, Water Pump Repair

3 шт3240 руб.
2417400-98551-000

Ремкомплект водяного насоса - Kit, Water Pump Repair (Kit, Water Pump Repair)

3 шт3240 руб.
2509140-06020-000

Гайка - Nut (Nut)

9 шт150 руб.
2617441-98511-000

Запчасть снята с производства - The Spare Part Is Laid Off (The Spare Part Is Laid Off)

под заказ0 руб.
2617441-98512-000

   (актуальный код замены) Запчасть снята с производства - The Spare Part Is Laid Off

под заказ0 руб.
2617441-98512-000

Запчасть снята с производства - The Spare Part Is Laid Off (The Spare Part Is Laid Off)

под заказ0 руб.
2617441-98521-000

Направляющая трубки водяного насоса (l / ul) - Guide, Water Tube (l/ul) (Guide, water tube (l/ul) ) (Guide, Water Tube (l/ul))

под заказ0 руб.
2709125-05047-000

Винт (5x14) - Screw (5x14) (Screw (5x14) ) (Screw (5x14))

под заказ150 руб.
2809161-05010-000

Шайба (5.2x11x1) - Washer (52x11x1) (Washer (5.2x11x1))

под заказ160 руб.


Время выполнения запроса 7.7909817695618 сек.

 
 

данный сайт носит информационный характер и не является публичной офертой

склад запчастей для водомоторной техники