Подобрать оригинальные запчасти на лодочный подвесной мотор Сузуки - Кронштейн транца
вконтакте

Контактный телефон: +7 (981) 121-46-93, +7 (800) 200-90-76 , Email: parts-katalog@yandex.ru, где купить

 
 

  Логин:

Пароль:

Регистрация

www.partskatalog.ru Все каталоги Запчасти Mercury Запчасти Suzuki Запчасти Tohatsu Запчасти Honda Контакты



УВАЖАЕМЫЕ КЛИЕНТЫ!
C 19 ДЕКАБРЯ 2025 ПО 02 МАРТА 2026 ГОДА ОТДЕЛ ЗАПЧАСТЕЙ И СЕРВИС РАБОТАТЬ НЕ БУДУТ
ПРОДАЖА ЛОДОЧНЫХ МОТОРОВ В ШТАТНОМ РЕЖИМЕ
ОБ ИЗМЕНЕНИЯХ В ГРАФИКЕ РАБОТЫ ЧИТАЙТЕ НА САЙТА



назад Раздел:   вперёд

Вернуться к выбору узлов мотора


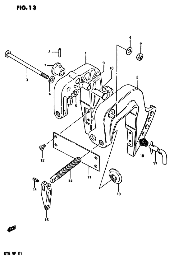
ДЕТАЛИРОВКА ДЛЯ МОДЕЛИ: SUZUKI DT5W VF

Кронштейн транца


Год выпуска двигателя: 1985

Номер на
рисунке
АртикулНаименованиеQTYКол-во
на складе
Цена
141111-98512-02M

под заказнет сведений
109116-06121-000

Болт (6x25) - Bolt (6x25) (Bolt (6x25) ) (Bolt (6x25))

19 шт260 руб.
141100-98800-0ED

Кронштейн Set, Струбцина (r / l) (gray) - Bracket Set, Clamp (r/l) (gray) (Bracket set, clamp (port & stbd) ) (Bracket Set, Clamp (r/l) (gray))

под заказ0 руб.
155321-90L00-000

Zinc, Protection - Zinc, Protection (Zinc, Protection)

под заказ540 руб.
241121-98514-02M

Кронштейн Set, Струбцина (r / l) (gray) - Bracket Set, Clamp (r/l) (gray) (Bracket Set, Clamp (r/l) (gray))

под заказ0 руб.
241100-98800-0ED

   (актуальный код замены) Запчасть снята с производства - The Spare Part Is Laid Off

под заказ0 руб.
241100-98800-0ED

Кронштейн Set, Струбцина (r / l) (gray) - Bracket Set, Clamp (r/l) (gray) (Bracket set, clamp (port & stbd) ) (Bracket Set, Clamp (r/l) (gray))

под заказ0 руб.
309100-10190-000

Болт (10x145) - Bolt (10x145) (Bolt (10x145))

под заказ4230 руб.
309100-10190-XC0

   (актуальный код замены) Болт (10x145) - Bolt (10x145)

под заказ4230 руб.
309100-10190-XC0

Болт (10x145) - Bolt (10x145) (Bolt (10x145))

под заказ4230 руб.
409160-10040-000

Шайба (10.5x19x2) - Washer (105x19x2) (Washer (10.5x19x2))

под заказ120 руб.
409160-10082-000

   (актуальный код замены) Шайба (10.5x19x2) - Washer (10.5x19x2)

19 шт120 руб.
409160-10082-000

Шайба (10.5x19x2) - Washer (105x19x2) (Washer ) (Washer (10.5x19x2))

19 шт120 руб.
409160-10082-000

Шайба (10.5x19x2) - Washer (105x19x2) (Washer ) (Washer (10.5x19x2))

19 шт120 руб.
509160-10083-000

Шайба (10.5x30x3.2) - Washer (105x30x32) (Washer (10.5x30x3.2) ) (Washer (10.5x30x3.2))

под заказ230 руб.
609159-10050-000

Гайка - Nut (Nut)

8 шт250 руб.
741221-93001-000

Ручка, Стопор наклона - Knob, Tilt Stopper (Knob, tilt stopper ) (Knob, Tilt Stopper)

2 шт410 руб.
809205-03015-000

Стопор пружины (3x8) - Pin, Spring (3x8) (Pin, Spring (3x8))

под заказ130 руб.
809205-03032-000

   (актуальный код замены) Стопор пружины (3x8) - Pin, Spring (3x8)

под заказ130 руб.
809205-03032-000

Стопор пружины (3x8) - Pin, Spring (3x8) (Pin (3x8) ) (Pin, Spring (3x8))

под заказ130 руб.
909300-12009-000

Втулка (12x15x20) - Bush (12x15x20) (Bushing, tilt stopper pin ) (Bush (12x15x20))

1 шт840 руб.
1009200-12001-000

Штифт - Pin (Pin)

под заказ0 руб.
1009200-12003-000

   (актуальный код замены) Запчасть снята с производства - The Spare Part Is Laid Off

1 шт0 руб.
1009200-12003-000

Штифт - Pin (Pin, tilt stopper ) (Pin)

1 шт0 руб.
1009200-12003-000

Штифт - Pin (Pin, tilt stopper ) (Pin)

1 шт0 руб.
1141311-98101-000

Пластина кронштейна транца - Plate, Clamp Bracket (Plate, clamp bracket ) (Plate, Clamp Bracket)

под заказ0 руб.
1209125-06053-000

Винт (6x16) - Screw (6x16) (Screw, tiller handle cover ) (Screw (6x16))

под заказ220 руб.
1341213-98100-000

Пластина струбцины - Plate, Clamp (Plate, clamp ) (Plate, Clamp)

под заказ390 руб.
1341213-94J01-000

   (актуальный код замены) Пластина струбцины - Plate, Clamp

под заказ420 руб.
1441211-98503-000

Винт струбцины, в сборе - Screw Assy, Clamp (Screw Assy, Clamp)

под заказ2100 руб.
1441210-986L1-000

   (актуальный код замены) Винт струбцины, в сборе - Screw Assy, Clamp

под заказ2100 руб.
1441210-986L1-000

Винт струбцины, в сборе - Screw Assy, Clamp (Screw Assy, Clamp)

под заказ2100 руб.
1509205-05001-000

Стопор пружины (5x18) - Pin, Spring (5x18) (Pin, Spring (5x18))

под заказ180 руб.
1509205-05014-000

   (актуальный код замены) Стопор пружины (5x18) - Pin, Spring (5x18)

под заказ180 руб.
1509205-05014-000

Стопор пружины (5x18) - Pin, Spring (5x18) (Pin, clutch lever (l:18) ) (Pin, Spring (5x18))

под заказ180 руб.
1641212-99000-02M

Струбцина румпеля (gray) - Handle, Clamp (gray) (Handle, Clamp (gray))

под заказ0 руб.
1641212-99000-0ED

   (актуальный код замены) Запчасть снята с производства - The Spare Part Is Laid Off

под заказ0 руб.
1641212-99000-0ED

Струбцина румпеля (gray) - Handle, Clamp (gray) (Handle, Clamp (gray))

под заказ0 руб.
1745420-98101-000

Штифт блокировки наклона - Pin, Tilt Lock (E07, E13, E38, E40 ) (Pin, Tilt Lock)

1 шт0 руб.
1809441-17001-000

Пружина - Spring (E07, E13, E38, E40 ) (Spring)

11 шт220 руб.


Время выполнения запроса 1.5507879257202 сек.

 
 

данный сайт носит информационный характер и не является публичной офертой

склад запчастей для водомоторной техники