Купить оригинальные запчасти на лодочный подвесной мотор SUZUKI модель 1986 года - Electrical - Электрика
вконтакте

Контактный телефон: +7 (981) 121-46-93, +7 (800) 200-90-76 , Email: parts-katalog@yandex.ru, где купить

 
 

  Логин:

Пароль:

Регистрация

www.partskatalog.ru Все каталоги Запчасти Mercury Запчасти Suzuki Запчасти Tohatsu Запчасти Honda Контакты

назад Раздел:   вперёд

Вернуться к выбору узлов мотора


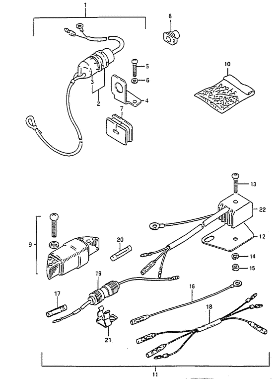
ДЕТАЛИРОВКА ДЛЯ МОДЕЛИ: SUZUKI DT5WVG(G-Y) G

Электрика


Год выпуска двигателя: 1986

Регион: General Export No.1 ,Код региона: P01

Цвет: Francois Whte №2,Arctic Silver

Номер на
рисунке
АртикулНаименованиеQTYКол-во
на складе
Цена
137802-98102-000

Запчасть снята с производства - The Spare Part Is Laid Off (-model:93) (The Spare Part Is Laid Off)

под заказ0 руб.
237830-89X50-000

Выключатель аварийной остановки двигателя - Switch Assy, Emergency & Stop (Switch Assy, Emergency & Stop)

под заказ0 руб.
237830-89X52-000

   (актуальный код замены) Запчасть снята с производства - The Spare Part Is Laid Off

под заказ0 руб.
237830-89X51-000

Выключатель аварийной остановки двигателя - Switch Assy, Emergency & Stop (Switch Assy, Emergency & Stop)

под заказ0 руб.
237830-89X52-000

   (актуальный код замены) Запчасть снята с производства - The Spare Part Is Laid Off

под заказ0 руб.
337823-94400-000

Колпачок & Шнур - Cap & Rope (Cap & rope ) (Cap & Rope)

под заказ1530 руб.
337823-94401-000

   (актуальный код замены) Колпачок & Шнур - Cap & Rope

1 шт1530 руб.
437950-98501-000

Запчасть снята с производства - The Spare Part Is Laid Off (The Spare Part Is Laid Off)

под заказ0 руб.
502112-04163-000

Винт - Screw (Screw)

под заказ100 руб.
502112-0416A-000

   (актуальный код замены) Винт - Screw

под заказ100 руб.
502112-0416A-000

Винт - Screw (Screw)

под заказ100 руб.
608321-01043-000

Шайба с блокировкой - Washer, Lock (Washer, Lock)

под заказ140 руб.
608321-0104A-000

   (актуальный код замены) Шайба с блокировкой - Washer, Lock

под заказ140 руб.
608321-0104A-000

Шайба с блокировкой - Washer, Lock (Washer, Lock)

под заказ140 руб.
737824-92D00-000

Пыльник - Grommet (Grommet, emergency switch ) (Grommet)

под заказ0 руб.
837824-98100-000

Запчасть снята с производства - The Spare Part Is Laid Off (-model:92) (The Spare Part Is Laid Off)

под заказ0 руб.
932220-98110-000

Lighting Coil Set - Lighting Coil Set (Coil assy, lighting # Coil set, lighting; ) (Lighting Coil Set)

под заказ0 руб.
932200-99100-000

Lighting Coil Set - Lighting Coil Set (Lighting coil set # Model:95-97 ) (Lighting Coil Set)

под заказ0 руб.
1036990-87D00-000

Клемма / Гильза Set - Terminal / Sleeve Set (Terminal & sleeve set # Terminal & sleeve set; ) (Terminal / Sleeve Set)

1 шт1720 руб.
1132801-98102-000

Выпрямитель, установочный комплект - Rectifier Set (Rectifier Set)

под заказ0 руб.
1132801-98103-000

   (актуальный код замены) Запчасть снята с производства - The Spare Part Is Laid Off

под заказ0 руб.
1232890-98100-000

Станина, Выпрямитель - Stay, Rectifier (Stay, Rectifier)

под заказ0 руб.
1302142-05257-000

Винт - Screw (Screw)

под заказ110 руб.
1408321-01057-000

Шайба с блокировкой - Washer, Lock (Washer, Lock)

под заказ140 руб.
1408321-0105A-000

   (актуальный код замены) Шайба с блокировкой - Washer, Lock

под заказ140 руб.
1408321-0105A-000

Шайба с блокировкой - Washer, Lock (Washer, Lock)

под заказ140 руб.
1508310-00057-000

Гайка - Nut (Nut)

под заказ140 руб.
1636898-93300-000

Запчасть снята с производства - The Spare Part Is Laid Off (Lead, consent earth; Model:87, 88) (The Spare Part Is Laid Off)

под заказ0 руб.
1637801-98300-000

Провод выключателя двигателя - Lead, Stop Switch (Lead, rect & reg gnd # Lead, receptacle ground; Model:89-00 ) (Lead, Stop Switch)

под заказ320 руб.
1637801-98301-000

   (актуальный код замены) Провод выключателя двигателя - Lead, Stop Switch

под заказ320 руб.
1737132-93700-000

Коннектор, Провод - Connector, Wire (Connector, lead wire # Connector, read wire; ) (Connector, Wire)

под заказ220 руб.
1832802-98100-000

Удлинитель, Lead Выпрямитель - Extension, Lead Rectifier (Reed wire, rectifier ) (Extension, Lead Rectifier)

под заказ0 руб.
1936740-95253-000

Корпус предохранителя - Case Assy, Fuse (Case Assy, Fuse)

1 шт1720 руб.
2009481-20001-000

Предохранитель (20a) - Fuse (20a) (Fuse (20a); ) (Fuse (20a))

30 шт180 руб.
2136791-95200-000

Держатель, Предохранитель Case - Holder, Fuse Case (Holder, fuse ) (Holder, Fuse Case)

под заказ340 руб.
2232800-95D01-000

Выпрямитель в сборе - Rectifier Assy (Rectifier assy; ) (Rectifier Assy)

под заказ10760 руб.
2232800-95D02-000

   (актуальный код замены) Выпрямитель в сборе - Rectifier Assy

1 шт10760 руб.


Время выполнения запроса 7.6971461772919 сек.

 
 

данный сайт носит информационный характер и не является публичной офертой

склад запчастей для водомоторной техники