| |
 |
|
 |
Вернуться к выбору узлов мотора
ДЕТАЛИРОВКА ДЛЯ МОДЕЛИ: SUZUKI DT5S VH
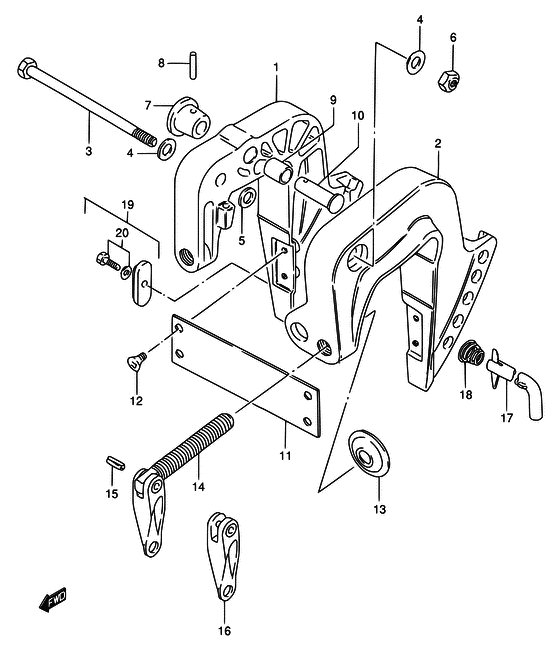
Кронштейн транца
Год выпуска двигателя: 1987
Регион: General Export No.1 ,Код региона: P01
Цвет: Francois Whte №2,Arctic Silver
Номер на рисунке | Артикул | Наименование | QTY | Кол-во на складе | Цена |
| 1 | 41100-98800-0ED | Кронштейн Set, Струбцина (r / l) (gray) - Bracket Set, Clamp (r/l) (gray) (Bracket set, clamp (port & stbd) # MODEL:87~98 <-1111-98530-0ED <-1111-98550-02M ) (Bracket Set, Clamp (r/l) (gray)) | | под заказ | 0 руб. |
| 1 | 41111-98512-02M | (MODEL:86, ->1100-98800-0ED USED WITH 41810-98500) | | под заказ | нет сведений |
| 1 | 09116-06121-000 | Болт (6x25) - Bolt (6x25) (Bolt (6x25) ) (Bolt (6x25)) | | 19 шт | 260 руб. |
| 1 | 41100-98800-0ED | Кронштейн Set, Струбцина (r / l) (gray) - Bracket Set, Clamp (r/l) (gray) (Bracket set, clamp (port & stbd) ) (Bracket Set, Clamp (r/l) (gray)) | | под заказ | 0 руб. |
| 1 | 55321-90L00-000 | Zinc, Protection - Zinc, Protection (Zinc, Protection) | | под заказ | 540 руб. |
| 1 | 41111-98551-0ED | Кронштейн правого зажима (gray) - Bracket, Clamp Stbd (gray) (Bracket, clamp stbd # MODEL:99, 00 ) (Bracket, Clamp Stbd (gray)) | | под заказ | 0 руб. |
| 2 | 41100-98800-0ED | Кронштейн Set, Струбцина (r / l) (gray) - Bracket Set, Clamp (r/l) (gray) (Bracket set, clamp (port & stbd) # <-1121-98540-0ED ) (Bracket Set, Clamp (r/l) (gray)) | | под заказ | 0 руб. |
| 2 | 41121-98542-0ED | Кронштейн левого зажима (gray) - Bracket, Clamp Port (gray) (Bracket, clamp port # MODEL:99, 00 ) (Bracket, Clamp Port (gray)) | | под заказ | 0 руб. |
| 3 | 09100-10190-000 | Болт (10x145) - Bolt (10x145) (Bolt (10x145)) | | под заказ | 4230 руб. |
| 3 | 09100-10190-XC0 | (актуальный код замены) Болт (10x145) - Bolt (10x145) | | под заказ | 4230 руб. |
| 3 | 09100-10190-XC0 | Болт (10x145) - Bolt (10x145) (Bolt (10x145)) | | под заказ | 4230 руб. |
| 4 | 09160-10082-000 | Шайба (10.5x19x2) - Washer (105x19x2) (Washer ) (Washer (10.5x19x2)) | | 19 шт | 120 руб. |
| 5 | 09160-10083-000 | Шайба (10.5x30x3.2) - Washer (105x30x32) (Washer (10.5x30x3.2) # MODEL:86, 87 ) (Washer (10.5x30x3.2)) | | под заказ | 230 руб. |
| 6 | 09159-10050-000 | Гайка - Nut (Nut) | | 8 шт | 250 руб. |
| 7 | 41221-93001-000 | Ручка, Стопор наклона - Knob, Tilt Stopper (Knob, tilt stopper ) (Knob, Tilt Stopper) | | 2 шт | 410 руб. |
| 8 | 09205-03012-000 | Стопор пружины (3x16) - Pin, Spring (3x16) (Pin, gear ) (Pin, Spring (3x16)) | | 12 шт | 190 руб. |
| 8 | 09205-03032-000 | Стопор пружины (3x8) - Pin, Spring (3x8) (Pin (3x8) ) (Pin, Spring (3x8)) | | под заказ | 130 руб. |
| 9 | 09300-12009-000 | Втулка (12x15x20) - Bush (12x15x20) (Bushing, tilt stopper pin ) (Bush (12x15x20)) | | 1 шт | 840 руб. |
| 10 | 09200-12003-000 | Штифт - Pin (Pin, tilt stopper ) (Pin) | | 1 шт | 0 руб. |
| 11 | 41311-98101-000 | Пластина кронштейна транца - Plate, Clamp Bracket (Plate, clamp bracket ) (Plate, Clamp Bracket) | | под заказ | 0 руб. |
| 12 | 09125-06053-000 | Винт (6x16) - Screw (6x16) (Screw, tiller handle cover ) (Screw (6x16)) | | под заказ | 220 руб. |
| 13 | 41213-98100-000 | Пластина струбцины - Plate, Clamp (Plate, clamp ) (Plate, Clamp) | | под заказ | 390 руб. |
| 13 | 41213-94J01-000 | (актуальный код замены) Пластина струбцины - Plate, Clamp | | под заказ | 420 руб. |
| 14 | 41210-98610-000 | Винт струбцины, в сборе - Screw Assy, Clamp (<-1211-98503 <-1210-98600) (Screw Assy, Clamp) | | под заказ | 2100 руб. |
| 14 | 41210-986L1-000 | (актуальный код замены) Винт струбцины, в сборе - Screw Assy, Clamp | | под заказ | 2100 руб. |
| 14 | 41210-986L1-000 | Винт струбцины, в сборе - Screw Assy, Clamp (Screw Assy, Clamp) | | под заказ | 2100 руб. |
| 15 | 09205-05014-000 | Стопор пружины (5x18) - Pin, Spring (5x18) (Pin, clutch lever (l:18) # ~MODEL:90 ) (Pin, Spring (5x18)) | | под заказ | 180 руб. |
| 16 | 41212-99000-0ED | Струбцина румпеля (gray) - Handle, Clamp (gray) (<-1212-99000-02M <-1212-99000-01T ~MODEL:90 ) (Handle, Clamp (gray)) | | под заказ | 0 руб. |
| 17 | 45420-98101-000 | Штифт блокировки наклона - Pin, Tilt Lock (Pin, Tilt Lock) | | 1 шт | 0 руб. |
| 18 | 09441-17001-000 | Пружина - Spring (Spring) | | 11 шт | 220 руб. |
| 19 | 41811-98500-000 | Zinc, Protection - Zinc, Protection (MODEL:87~00) (Zinc, Protection) | | 3 шт | 540 руб. |
| 19 | 55321-90L00-000 | (актуальный код замены) Zinc, Protection | | под заказ | 540 руб. |
| 19 | 55321-90L00-000 | Zinc, Protection - Zinc, Protection (Zinc, Protection) | | под заказ | 540 руб. |
| 20 | 09116-06121-000 | Болт (6x25) - Bolt (6x25) (Bolt (6x25) # MODEL:87~00 ) (Bolt (6x25)) | | 19 шт | 260 руб. |
Время выполнения запроса 0.98054099082947 сек. |
|