Комплектующие на подвесной двигатель Suzuki модель 1988 года - Dt8vz magneto
вконтакте

Контактный телефон: +7 (981) 121-46-93, +7 (800) 200-90-76 , Email: parts-katalog@yandex.ru, где купить

 
 

  Логин:

Пароль:

Регистрация

www.partskatalog.ru Все каталоги Запчасти Mercury Запчасти Suzuki Запчасти Tohatsu Запчасти Honda Контакты



УВАЖАЕМЫЕ КЛИЕНТЫ!
C 19 ДЕКАБРЯ 2025 ПО 02 МАРТА 2026 ГОДА ОТДЕЛ ЗАПЧАСТЕЙ И СЕРВИС РАБОТАТЬ НЕ БУДУТ
ПРОДАЖА ЛОДОЧНЫХ МОТОРОВ В ШТАТНОМ РЕЖИМЕ
ОБ ИЗМЕНЕНИЯХ В ГРАФИКЕ РАБОТЫ ЧИТАЙТЕ НА САЙТА



назад Раздел:   вперёд

Вернуться к выбору узлов мотора


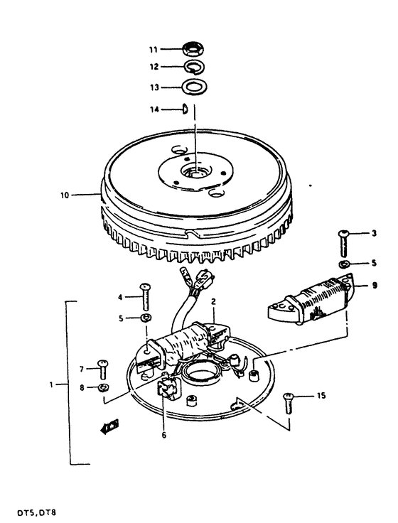
ДЕТАЛИРОВКА ДЛЯ МОДЕЛИ: SUZUKI DT5J(G/J/VZ) J

Dt8vz Магнето


Год выпуска двигателя: 1988

Регион: Япония

Цвет: Francois Whte №2,Arctic Silver

Номер на
рисунке
АртикулНаименованиеQTYКол-во
на складе
Цена
132101-98131-000

Запчасть снята с производства - The Spare Part Is Laid Off (From 32101-98130) (The Spare Part Is Laid Off)

под заказ0 руб.
232140-98110-000

Катушка зажигания в сборе - Coil Assy, Ignition (Coil Assy, Ignition)

под заказ14160 руб.
232140-98121-000

   (актуальный код замены) Катушка зажигания в сборе - Coil Assy, Ignition

под заказ14160 руб.
232140-98121-000

Катушка зажигания в сборе - Coil Assy, Ignition (Coil, ignition primary ) (Coil Assy, Ignition)

под заказ14160 руб.
302112-05308-000

Винт - Screw (Screw)

под заказ140 руб.
302112-0530A-000

   (актуальный код замены) Винт - Screw

под заказ140 руб.
302112-0530A-000

Винт - Screw (Screw)

под заказ140 руб.
402112-05258-000

Винт - Screw (Screw)

под заказ120 руб.
402112-05257-000

   (актуальный код замены) Винт - Screw

под заказ120 руб.
402112-05257-000

Винт - Screw (Screw)

под заказ120 руб.
508321-21058-000

Шайба с блокировкой - Washer, Lock (Washer, Lock)

под заказ140 руб.
508321-0105A-000

   (актуальный код замены) Шайба с блокировкой - Washer, Lock

под заказ140 руб.
508321-0105A-000

Шайба с блокировкой - Washer, Lock (Washer, Lock)

под заказ140 руб.
632150-98101-000

Датчик импульсов зажигания - Sensor, Ignition Timing (From 32150-98100) (Sensor, Ignition Timing)

под заказ0 руб.
632150-98102-000

   (актуальный код замены) Запчасть снята с производства - The Spare Part Is Laid Off

под заказ0 руб.
632150-98102-000

Датчик импульсов зажигания - Sensor, Ignition Timing (Sensor, Ignition Timing)

под заказ0 руб.
702112-04108-000

Винт - Screw (Screw)

под заказ120 руб.
702112-04107-000

   (актуальный код замены) Винт - Screw

под заказ120 руб.
702112-04107-000

Винт - Screw (Screw)

под заказ120 руб.
808321-21048-000

Шайба с блокировкой - Washer, Lock (Washer, Lock)

под заказ140 руб.
808321-0104A-000

   (актуальный код замены) Шайба с блокировкой - Washer, Lock

под заказ140 руб.
808321-0104A-000

Шайба с блокировкой - Washer, Lock (Washer, Lock)

под заказ140 руб.
932120-98111-000

Запчасть снята с производства - The Spare Part Is Laid Off (Coil assy, battery, charging.) (The Spare Part Is Laid Off)

под заказ0 руб.
1032102-98112-000

Запчасть снята с производства - The Spare Part Is Laid Off (The Spare Part Is Laid Off)

под заказ0 руб.
1032102-98113-000

   (актуальный код замены) Запчасть снята с производства - The Spare Part Is Laid Off

под заказ0 руб.
1108310-22128-000

Гайка - Nut (Nut)

под заказ230 руб.
1109140-12039-000

   (актуальный код замены) Гайка - Nut

под заказ230 руб.
1109140-12039-000

Гайка - Nut (Nut)

под заказ230 руб.
1208321-31128-000

Шайба с блокировкой - Washer, Lock (Washer, Lock)

под заказ150 руб.
1208321-01127-000

   (актуальный код замены) Шайба с блокировкой - Washer, Lock

под заказ150 руб.
1208321-01127-000

Шайба с блокировкой - Washer, Lock (Washer, Lock)

под заказ150 руб.
1308322-11128-000

Шайба - Washer (Washer)

под заказ140 руб.
1308322-01127-000

   (актуальный код замены) Шайба - Washer

под заказ140 руб.
1308322-01127-000

Шайба - Washer (Washer, neutral sw ) (Washer)

под заказ140 руб.
1408341-31039-000

Ключ - Key (Key)

86 шт180 руб.
1502122-05128-000

Винт (5x12) - Screw (5x12) (Screw (5x12))

под заказ160 руб.
1509126-05003-000

   (актуальный код замены) Винт (5x12) - Screw (5x12)

под заказ160 руб.
1509126-05003-000

Винт (5x12) - Screw (5x12) (Screw (5x12))

под заказ160 руб.


Время выполнения запроса 9.119677066803 сек.

 
 

данный сайт носит информационный характер и не является публичной офертой

склад запчастей для водомоторной техники