Номер на рисунке | Артикул | Наименование | QTY | Кол-во на складе | Цена |
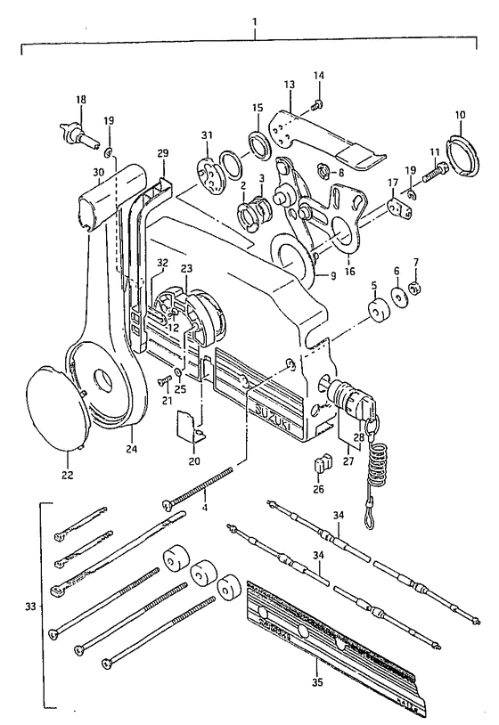
| 1 | 67200-93951-000 | Запчасть снята с производства - The Spare Part Is Laid Off (Decal:blue) (The Spare Part Is Laid Off) | | под заказ | 0 руб. |
| 1 | 67200-93961-0ED | Запчасть снята с производства - The Spare Part Is Laid Off (Decal:black) (The Spare Part Is Laid Off) | | под заказ | 0 руб. |
| 2 | 67232-95600-000 | Втулка - Bush (Bush) | | под заказ | 570 руб. |
| 3 | 67232-95620-000 | Втулка - Bush (Bush) | | под заказ | 500 руб. |
| 4 | 67296-95600-000 | Винт - Screw (Screw) | | под заказ | 570 руб. |
| 5 | 67294-95600-000 | Проставка - Spacer (Spacer) | | под заказ | 460 руб. |
| 6 | 09160-06104-000 | Шайба (6.5x24x2) - Washer (65x24x2) (Washer (6.5x24x2)) | | под заказ | 220 руб. |
| 7 | 09140-06020-000 | Гайка - Nut (Nut) | | 9 шт | 150 руб. |
| 8 | 67232-95610-000 | Втулка - Bush (Bush) | | под заказ | 0 руб. |
| 9 | 67253-95600-000 | Шайба - Washer (Washer) | | под заказ | 460 руб. |
| 10 | 67252-95600-000 | Втулка - Bush (Bush) | | 2 шт | 480 руб. |
| 11 | 09100-08232-000 | Болт (8x30) - Bolt (8x30) (Bolt (8x30)) | | 6 шт | 350 руб. |
| 12 | 67296-94300-000 | Винт (4x10) - Screw (4x10) (Screw (4x10)) | | под заказ | 120 руб. |
| 13 | 67241-95600-000 | Запчасть снята с производства - The Spare Part Is Laid Off (The Spare Part Is Laid Off) | | под заказ | 0 руб. |
| 13 | 67241-95650-000 | Запчасть снята с производства - The Spare Part Is Laid Off (The Spare Part Is Laid Off) | | под заказ | 0 руб. |
| 13 | 67241-95680-000 | Рычаг освобождения дросселя (gray) - Lever, Free Throttle (gray) (Lever, free throttle (gray) # Lever, free throt (gray); ) (Lever, Free Throttle (gray)) | | под заказ | 0 руб. |
| 14 | 09126-05003-000 | Винт (5x12) - Screw (5x12) (Screw (5x12)) | | под заказ | 160 руб. |
| 15 | 67243-95600-000 | Втулка, Remo-con - Bush, Remo-con (Bush, Remo-con) | | 2 шт | 390 руб. |
| 16 | 67220-95620-000 | Пластина в сборе - Plate Assy (Plate assy ) (Plate Assy) | | под заказ | 8400 руб. |
| 17 | 67275-95600-000 | Наконечник кабеля - End, Cable (End, Cable) | | 36 шт | 810 руб. |
| 18 | 67223-95600-000 | Ручка регулировки тормоза - Knob, Brake Adjust (Knob, Brake Adjust) | | под заказ | 1670 руб. |
| 19 | 67292-94300-000 | Уплотнительное кольцо дистанционного управления - E Ring, Remo-con (E Ring, Remo-con) | | 25 шт | 120 руб. |
| 20 | 67267-95600-000 | Запчасть снята с производства - The Spare Part Is Laid Off (Cover, wire (blue);) (The Spare Part Is Laid Off) | | под заказ | 0 руб. |
| 20 | 67267-95610-000 | Крышка проводов - Cover, Wire (Cover, wire (black) # Cover, wire (black); ) (Cover, Wire) | | под заказ | 580 руб. |
| 21 | 67296-95610-000 | Винт - Screw (Screw) | | 2 шт | 280 руб. |
| 22 | 67257-95600-000 | Крышка рычага - Cap, Lever (Cap, lever # Cap, lever (blue); ) (Cap, Lever) | | под заказ | 0 руб. |
| 22 | 67257-95610-000 | Крышка рычага - Cap, Lever (Cap, lever (black); ) (Cap, Lever) | | под заказ | 680 руб. |
| 23 | 67256-95600-000 | Держатель блокировки нейтрали - Holder, Neutral Lock (Holder, neut lock ) (Holder, Neutral Lock) | | 1 шт | 1140 руб. |
| 24 | 67251-95600-000 | Запчасть снята с производства - The Spare Part Is Laid Off (Lever, handle (white);) (The Spare Part Is Laid Off) | | под заказ | 0 руб. |
| 24 | 67251-95650-000 | Рычаг блокировки - Lever, Handle (Lever, handle (silver);) (Lever, Handle) | | под заказ | 7200 руб. |
| 24 | 67251-95680-000 | (актуальный код замены) Рычаг блокировки - Lever, Handle | | под заказ | 7200 руб. |
| 24 | 67251-95680-000 | Рычаг блокировки - Lever, Handle (Lever, hadle (gray) ) (Lever, Handle) | | под заказ | 7200 руб. |
| 24 | 67251-95680-000 | Рычаг блокировки - Lever, Handle (Lever, hadle (gray) # Lever, handle (gray); ) (Lever, Handle) | | под заказ | 7200 руб. |
| 25 | 67297-95600-000 | Шайба - Washer (Washer) | | под заказ | 280 руб. |
| 26 | 67273-95600-000 | Проставка - Spacer (Spacer) | | под заказ | 460 руб. |
| 26 | 67273-95601-000 | (актуальный код замены) Проставка - Spacer | | 3 шт | 630 руб. |
| 27 | 37820-94404-000 | Аварийный выключатель, в сборе - Switch Assy, Emergency (Switch Assy, Emergency) | | под заказ | 4710 руб. |
| 27 | 37820-92E05-000 | (актуальный код замены) Аварийный выключатель, в сборе - Switch Assy, Emergency | | 1 шт | 4710 руб. |
| 27 | 37820-92E04-000 | Аварийный выключатель, в сборе - Switch Assy, Emergency (Switch Assy, Emergency) | | под заказ | 4710 руб. |
| 27 | 37820-92E05-000 | (актуальный код замены) Аварийный выключатель, в сборе - Switch Assy, Emergency | | 1 шт | 4710 руб. |
| 28 | 37823-94400-000 | Колпачок & Шнур - Cap & Rope (Cap & rope # Cap & rope; ) (Cap & Rope) | | под заказ | 1530 руб. |
| 28 | 37823-94401-000 | (актуальный код замены) Колпачок & Шнур - Cap & Rope | | 1 шт | 1530 руб. |
| 29 | 67255-95600-000 | Рукоятка блокировки нейтрали - Arm, Neutral Lock (Arm, neutral lock # Arm, neutral lock; ) (Arm, Neutral Lock) | | под заказ | 1870 руб. |
| 30 | 67261-95610-000 | Рукоятка - Grip (Grip) | | под заказ | 1870 руб. |
| 31 | 67245-95600-000 | Барабан освобождения дросселя - Drum, Free Throttle (Drum assy, free throttle ) (Drum, Free Throttle) | | под заказ | 2480 руб. |
| 32 | 67258-87D00-000 | Кронштейн, Neutral Рычаг - Bracket, Neutral Arm (Bracket, neutral arm ) (Bracket, Neutral Arm) | | под заказ | 630 руб. |
| 33 | 67140-95600-000 | Двойной комплект навесного оборудования Remocon - Attachment Kit, Twin Remocon (Attachment, twin remocon kit # Attachment, twin remo-con kit; ) (Attachment Kit, Twin Remocon) | | под заказ | 4300 руб. |
| 33 | 67140-95601-000 | (актуальный код замены) Двойной комплект навесного оборудования Remocon - Attachment Kit, Twin Remocon | | под заказ | 4300 руб. |
| 34 | 67320-95510-000 | Запчасть снята с производства - The Spare Part Is Laid Off (Cable assy, remocon 7f (2.1m);) (The Spare Part Is Laid Off) | | под заказ | 0 руб. |
| 34 | 67320-89J00-000 | (актуальный код замены) Запчасть снята с производства - The Spare Part Is Laid Off | | под заказ | 0 руб. |
| 34 | 67320-95520-000 | Тросик дистанционного управления (8f: 2.4m) - Cable Assy, Remocon (8f:24m) (Cable Assy, Remocon (8f:2.4m)) | | под заказ | 5760 руб. |
| 34 | 67320-93J00-000 | (актуальный код замены) Тросик дистанционного управления (8f: 2.4m) - Cable Assy, Remocon (8f:2.4m) | | под заказ | 5760 руб. |
| 34 | 67320-93J00-000 | Тросик дистанционного управления (8f: 2.4m) - Cable Assy, Remocon (8f:24m) (Cable Assy, Remocon (8f:2.4m)) | | под заказ | 5760 руб. |
| 34 | 67320-95540-000 | Тросик дистанционного управления (10f: 3.1m) - Cable Assy, Remocon (10f:31m) (Cable Assy, Remocon (10f:3.1m)) | | под заказ | 6340 руб. |
| 34 | 67320-93J10-000 | (актуальный код замены) Тросик дистанционного управления (10f: 3.1m) - Cable Assy, Remocon (10f:3.1m) | | под заказ | 6340 руб. |
| 34 | 67320-93J10-000 | Тросик дистанционного управления (10f: 3.1m) - Cable Assy, Remocon (10f:31m) (Cable Assy, Remocon (10f:3.1m)) | | под заказ | 6340 руб. |
| 34 | 67320-95560-000 | Тросик дистанционного управления (12f: 3.7m) - Cable Assy, Remocon (12f:37m) (Cable Assy, Remocon (12f:3.7m)) | | под заказ | 6920 руб. |
| 34 | 67320-93J20-000 | (актуальный код замены) Тросик дистанционного управления (12f: 3.7m) - Cable Assy, Remocon (12f:3.7m) | | под заказ | 6920 руб. |
| 34 | 67320-93J20-000 | Тросик дистанционного управления (12f: 3.7m) - Cable Assy, Remocon (12f:37m) (Cable Assy, Remocon (12f:3.7m)) | | под заказ | 6920 руб. |
| 34 | 67320-95580-000 | Тросик дистанционного управления (14f: 4.2m) - Cable Assy, Remocon (14f:42m) (Cable Assy, Remocon (14f:4.2m)) | | под заказ | 7490 руб. |
| 34 | 67320-93J30-000 | (актуальный код замены) Тросик дистанционного управления (14f: 4.2m) - Cable Assy, Remocon (14f:4.2m) | | 3 шт | 7490 руб. |
| 34 | 67320-93J30-000 | Тросик дистанционного управления (14f: 4.2m) - Cable Assy, Remocon (14f:42m) (Cable Assy, Remocon (14f:4.2m)) | | 3 шт | 7490 руб. |
| 34 | 67320-95600-000 | Тросик дистанционного управления (16f: 4.8m) - Cable Assy, Remocon (16f:48m) (Cable Assy, Remocon (16f:4.8m)) | | под заказ | 8020 руб. |
| 34 | 67320-93J40-000 | (актуальный код замены) Тросик дистанционного управления (16f: 4.8m) - Cable Assy, Remocon (16f:4.8m) | | под заказ | 8020 руб. |
| 34 | 67320-93J40-000 | Тросик дистанционного управления (16f: 4.8m) - Cable Assy, Remocon (16f:48m) (Cable Assy, Remocon (16f:4.8m)) | | под заказ | 8020 руб. |
| 34 | 67320-95620-000 | Тросик дистанционного управления (18f: 5.4m) - Cable Assy, Remocon (18f:54m) (Cable Assy, Remocon (18f:5.4m)) | | под заказ | 8600 руб. |
| 34 | 67320-93J50-000 | (актуальный код замены) Тросик дистанционного управления (18f: 5.4m) - Cable Assy, Remocon (18f:5.4m) | | под заказ | 8600 руб. |
| 34 | 67320-93J50-000 | Тросик дистанционного управления (18f: 5.4m) - Cable Assy, Remocon (18f:54m) (Cable Assy, Remocon (18f:5.4m)) | | под заказ | 8600 руб. |
| 34 | 67320-95640-000 | Тросик дистанционного управления (20f: 6.1m) - Cable Assy, Remocon (20f:61m) (Cable Assy, Remocon (20f:6.1m)) | | под заказ | 9170 руб. |
| 34 | 67320-93J60-000 | (актуальный код замены) Тросик дистанционного управления (20f: 6.1m) - Cable Assy, Remocon (20f:6.1m) | | под заказ | 9170 руб. |
| 34 | 67320-93J60-000 | Тросик дистанционного управления (20f: 6.1m) - Cable Assy, Remocon (20f:61m) (Cable Assy, Remocon (20f:6.1m)) | | под заказ | 9170 руб. |
| 34 | 67320-95650-000 | Тросик дистанционного управления (22f: 6.7m) - Cable Assy, Remocon (22f:67m) (Cable Assy, Remocon (22f:6.7m)) | | под заказ | 9750 руб. |
| 34 | 67320-93J70-000 | (актуальный код замены) Тросик дистанционного управления (22f: 6.7m) - Cable Assy, Remocon (22f:6.7m) | | под заказ | 9750 руб. |
| 34 | 67320-93J70-000 | Тросик дистанционного управления (22f: 6.7m) - Cable Assy, Remocon (22f:67m) (Cable Assy, Remocon (22f:6.7m)) | | под заказ | 9750 руб. |
| 35 | 67282-95610-000 | Запчасть снята с производства - The Spare Part Is Laid Off (Decal (black);) (The Spare Part Is Laid Off) | | под заказ | 0 руб. |