| |
 |
|
 |
Вернуться к выбору узлов мотора
ДЕТАЛИРОВКА ДЛЯ МОДЕЛИ: SUZUKI DT5SN(G-Y) N
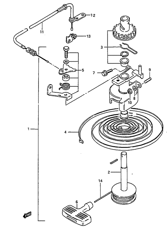
Стартер
Год выпуска двигателя: 1992
Регион: General Export No.1 ,Код региона: P01
Цвет: California Gray Metallic
Номер на рисунке | Артикул | Наименование | QTY | Кол-во на складе | Цена |
| 1 | 18100-98115-000 | Запчасть снята с производства - The Spare Part Is Laid Off (The Spare Part Is Laid Off) | | под заказ | 0 руб. |
| 2 | 18121-98100-000 | Барабан - Reel (Reel, starter # Reel, starter; ) (Reel) | | под заказ | 0 руб. |
| 3 | 18130-98100-000 | Храповик, установочный комплект - Ratchet Set (Ratchet Set) | | под заказ | 0 руб. |
| 4 | 18142-98300-000 | Пружина, Leaf - Spring, Leaf (Spring, recoil; ) (Spring, Leaf) | | под заказ | 2880 руб. |
| 5 | 18280-98110-000 | Запчасть снята с производства - The Spare Part Is Laid Off (The Spare Part Is Laid Off) | | под заказ | 0 руб. |
| 6 | 18210-93002-000 | Рукоятка в сборе - Grip Assy (Grip assy, starter; ) (Grip Assy) | | 1 шт | 1150 руб. |
| 7 | 01550-06167-000 | Болт - Bolt (Bolt) | | 9 шт | 210 руб. |
| 8 | 09164-05002-000 | Шайба - Washer (Washer) | | под заказ | 0 руб. |
| 9 | 01421-06127-000 | Болт под шпильку - Bolt, Stud (Stud bolt ) (Bolt, Stud) | | под заказ | 190 руб. |
| 10 | 08316-10067-000 | Гайка - Nut (Nut) | | под заказ | 170 руб. |
| 11 | 18630-98101-000 | Кабели в сборе, Interlock - Cable Assy, Interlock (Cable assy, inter lock ) (Cable Assy, Interlock) | | под заказ | 6100 руб. |
| 12 | 18642-98101-000 | Держатель кабеля - Holder, Cable (Holder, interlock cable ) (Holder, Cable) | | под заказ | 0 руб. |
| 13 | 18650-98101-000 | Рычаг, Interlock - Arm, Interlock (Arm, interlock ) (Arm, Interlock) | | под заказ | 0 руб. |
| 14 | 99000-81157-50M | Шнур стартера 4 ммdia, 50m Role - Starter Rope 4mmdia, 50m Role (Opt, l:50000->1500 ) (Starter Rope 4mmdia, 50m Role) | | 1 шт | 17520 руб. |
Время выполнения запроса 0.89720678329468 сек. |
|