| |
 |
|
 |
Вернуться к выбору узлов мотора
ДЕТАЛИРОВКА ДЛЯ МОДЕЛИ: SUZUKI DT5SN(G-Y) N
Электрика
Год выпуска двигателя: 1992
Регион: General Export No.1 ,Код региона: P01
Цвет: California Gray Metallic
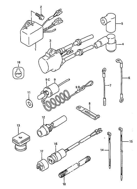
Номер на рисунке | Артикул | Наименование | QTY | Кол-во на складе | Цена |
| 1 | 32900-98120-000 | Модуль C.D.I. - Unit, Cdi (Cdi unit ) (Unit, Cdi) | | под заказ | 31680 руб. |
| 2 | 01550-06207-000 | Болт - Bolt (Bolt) | | 17 шт | 220 руб. |
| 3 | 33410-98110-000 | Катушка зажигания - Coil, Ignition (Coil, Ignition) | | под заказ | 0 руб. |
| 4 | 33510-98600-000 | Колпачок свечи зажигания - Cap, Spark Plug (Cap, spark plug;) (Cap, Spark Plug) | | под заказ | 2860 руб. |
| 4 | 33510-98601-000 | (актуальный код замены) Колпачок свечи зажигания - Cap, Spark Plug | | под заказ | 2860 руб. |
| 4 | 33510-98601-000 | Колпачок свечи зажигания - Cap, Spark Plug (Cap, Spark Plug) | | под заказ | 2860 руб. |
| 5 | 33510-95520-000 | Колпачок свечи зажигания - Cap, Spark Plug (Cap, spark plug # Cap, spark plug; E40 ) (Cap, Spark Plug) | | 1 шт | 2100 руб. |
| 6 | 36895-94400-000 | Lead, Двигатель Заземление - Lead, Engine Ground (Lead, engine ground # Lead, engine ground; ) (Lead, Engine Ground) | | под заказ | 280 руб. |
| 7 | 37801-98300-000 | Провод выключателя двигателя - Lead, Stop Switch (Lead, rect & reg gnd # Lead, stop sw; ) (Lead, Stop Switch) | | под заказ | 320 руб. |
| 7 | 37801-98301-000 | (актуальный код замены) Провод выключателя двигателя - Lead, Stop Switch | | под заказ | 320 руб. |
| 8 | 09404-06432-000 | Струбцина (l: 65) - Clamp (l:65) (Clamp (l:80) ) (Clamp (l:65)) | | 8 шт | 170 руб. |
| 8 | 09404-06039-000 | (актуальный код замены) Струбцина (l: 65) - Clamp (l:65) | | под заказ | 170 руб. |
| 9 | 37830-89E00-000 | Выключатель аварийной остановки двигателя - Switch Assy, Emergency & Stop (Switch, emergency & stop;) (Switch Assy, Emergency & Stop) | | под заказ | 7640 руб. |
| 9 | 37830-89E04-000 | (актуальный код замены) Выключатель аварийной остановки двигателя - Switch Assy, Emergency & Stop | | под заказ | 7640 руб. |
| 9 | 37830-89E03-000 | Выключатель аварийной остановки двигателя - Switch Assy, Emergency & Stop (Switch Assy, Emergency & Stop) | | 9 шт | 7640 руб. |
| 9 | 37830-89E04-000 | (актуальный код замены) Выключатель аварийной остановки двигателя - Switch Assy, Emergency & Stop | | под заказ | 7640 руб. |
| 9 | 37823-92E00-000 | Пластина блокировки аварийного выключателя - Plate Assy, Emergency Sw Lock (Plate, lock;) (Plate Assy, Emergency Sw Lock) | | под заказ | 2570 руб. |
| 9 | 37823-92E02-000 | (актуальный код замены) Пластина блокировки аварийного выключателя - Plate Assy, Emergency Sw Lock | | 3 шт | 2770 руб. |
| 9 | 37823-92E01-000 | Пластина блокировки аварийного выключателя - Plate Assy, Emergency Sw Lock (Plate Assy, Emergency Sw Lock) | | под заказ | 2570 руб. |
| 9 | 37823-92E02-000 | (актуальный код замены) Пластина блокировки аварийного выключателя - Plate Assy, Emergency Sw Lock | | 3 шт | 2770 руб. |
| 9 | 37826-92E00-000 | Гайка - Nut (Nut) | | под заказ | 740 руб. |
| 10 | 33446-98E20-000 | Защита (l: 500) - Protector (l:500) (Tube, high tension cord # Tube, sw wire; L:500->100, ) (Protector (l:500)) | | под заказ | 370 руб. |
| 11 | 09160-12067-000 | Шайба (12.5x23x1) - Washer (125x23x1) (Washer, emergency sw # Washer; ) (Washer (12.5x23x1)) | | 8 шт | 230 руб. |
| 12 | 37800-98572-000 | Переключатель в сборе, Stop - Switch Assy, Stop (Switch assy, engine stop # E40, -model:97 ) (Switch Assy, Stop) | | под заказ | 0 руб. |
| 13 | 39603-94400-000 | Пыльник розеткиe - Grommet, Receptaclee (Grommet, receptacle cable # Grommet, receptacle; ) (Grommet, Receptaclee) | | под заказ | 840 руб. |
| 13 | 39603-94401-000 | (актуальный код замены) Пыльник розеткиe - Grommet, Receptaclee | | под заказ | 840 руб. |
| 14 | 09407-14403-000 | Струбцина (l: 125) - Clamp (l:125) (Clamp, spark plug cap ) (Clamp (l:125)) | | под заказ | 170 руб. |
| 15 | 09407-25402-000 | Струбцина (l: 250) - Clamp (l:250) (Clamp, tilt sw # Clamp; ) (Clamp (l:250)) | | под заказ | 350 руб. |
| 16 | 39601-95D00-000 | Внешняя розетка - Receptacle (Receptacle assy, lighting # Receptacle, lighting; ) (Receptacle) | | под заказ | 4660 руб. |
| 16 | 39601-95D01-000 | (актуальный код замены) Внешняя розетка - Receptacle | | под заказ | 4660 руб. |
| 17 | 36634-93910-000 | Колпачок - Cap (Cap) | | под заказ | 340 руб. |
| 18 | 37835-95D00-000 | Наклейка СТОП - Label, Stop (Label, Stop) | | под заказ | 130 руб. |
| 18 | 37835-91J00-YAY | (актуальный код замены) Наклейка СТОП - Label, Stop | | под заказ | 130 руб. |
Время выполнения запроса 4.9445731639862 сек. |
|