Запчасти на лодочный мотор Suzuki модель 1993 года - Electrical
вконтакте

Контактный телефон: +7 (981) 121-46-93, +7 (800) 200-90-76 , Email: parts-katalog@yandex.ru, где купить

 
 

  Логин:

Пароль:

Регистрация

www.partskatalog.ru Все каталоги Запчасти Mercury Запчасти Suzuki Запчасти Tohatsu Запчасти Honda Контакты



УВАЖАЕМЫЕ КЛИЕНТЫ!
C 19 ДЕКАБРЯ 2025 ПО 02 МАРТА 2026 ГОДА ОТДЕЛ ЗАПЧАСТЕЙ И СЕРВИС РАБОТАТЬ НЕ БУДУТ
ПРОДАЖА ЛОДОЧНЫХ МОТОРОВ В ШТАТНОМ РЕЖИМЕ
ОБ ИЗМЕНЕНИЯХ В ГРАФИКЕ РАБОТЫ ЧИТАЙТЕ НА САЙТА



назад Раздел:   вперёд

Вернуться к выбору узлов мотора


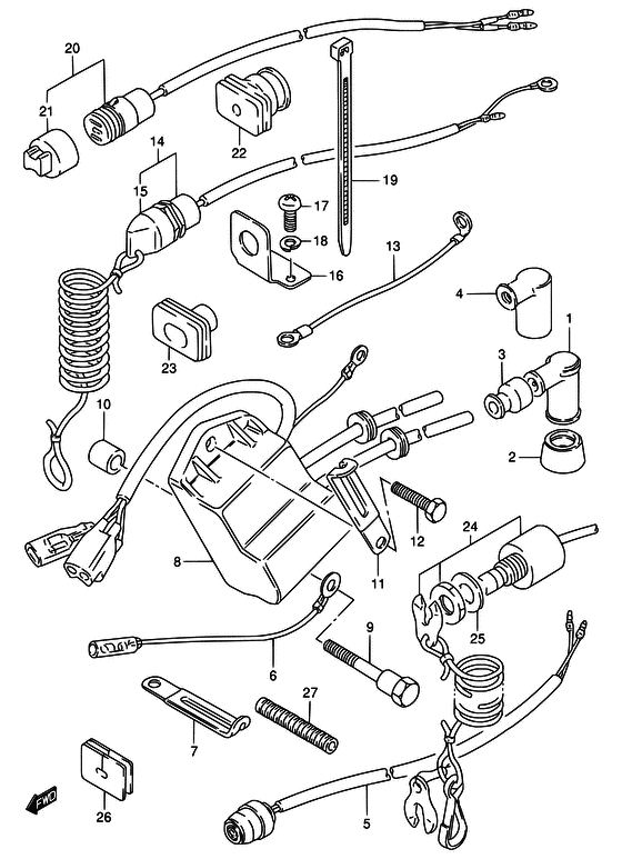
ДЕТАЛИРОВКА ДЛЯ МОДЕЛИ: SUZUKI DT5S P

Электрика


Год выпуска двигателя: 1993

Регион: General Export No.1 ,Код региона: P01

Цвет: California Gray Metallic

Номер на
рисунке
АртикулНаименованиеQTYКол-во
на складе
Цена
133510-97313-000

Колпачок свечи зажигания - Cap, Spark Plug (Cap, Spark Plug)

под заказ1560 руб.
133510-98600-000

Колпачок свечи зажигания - Cap, Spark Plug (MODEL:94) (Cap, Spark Plug)

под заказ2860 руб.
133510-98601-000

   (актуальный код замены) Колпачок свечи зажигания - Cap, Spark Plug

под заказ2860 руб.
133510-98601-000

Колпачок свечи зажигания - Cap, Spark Plug (Cap, Spark Plug)

под заказ2860 руб.
233541-93950-000

Сальник свечи зажигания Колпачок - Seal, Spark Plug Cap (<-3541-93310 ) (Seal, Spark Plug Cap)

под заказ980 руб.
333542-38B00-000

Сальник высоковольтного провода - Seal, High Tension Cord (Seal, hightension cord # <-3542-98000 ) (Seal, High Tension Cord)

под заказ340 руб.
433510-95520-000

Колпачок свечи зажигания - Cap, Spark Plug (Cap, spark plug # E07, E13, E38, E40 ) (Cap, Spark Plug)

1 шт2100 руб.
537800-98572-000

Переключатель в сборе, Stop - Switch Assy, Stop (Switch assy, engine stop # <-7800-98561 <-7800-98570 E13:MODEL:93, 94 ) (Switch Assy, Stop)

под заказ0 руб.
637801-98300-000

Провод выключателя двигателя - Lead, Stop Switch (Lead, rect & reg gnd ) (Lead, Stop Switch)

под заказ320 руб.
637801-98301-000

   (актуальный код замены) Провод выключателя двигателя - Lead, Stop Switch

под заказ320 руб.
709404-06432-000

Струбцина (l: 65) - Clamp (l:65) (Clamp (l:80) ) (Clamp (l:65))

8 шт170 руб.
709404-06039-000

   (актуальный код замены) Струбцина (l: 65) - Clamp (l:65)

под заказ170 руб.
832900-98110-000

Модуль C.D.I. With Катушка зажигания - Unit, Cdi With Ignition Coil (Cdi unit & ignition coil ) (Unit, Cdi With Ignition Coil)

под заказ0 руб.
901550-06457-000

Болт - Bolt (Bolt)

под заказ210 руб.
1009180-06079-000

Проставка (6.5x10.5x15) - Spacer (65x105x15) (Spacer (6.5x10.5x15))

под заказ170 руб.
1109404-06432-000

Струбцина (l: 65) - Clamp (l:65) (Clamp (l:80) ) (Clamp (l:65))

8 шт170 руб.
1109404-06039-000

   (актуальный код замены) Струбцина (l: 65) - Clamp (l:65)

под заказ170 руб.
1201500-06207-000

Болт - Bolt (Bolt)

под заказ150 руб.
1336895-94400-000

Lead, Двигатель Заземление - Lead, Engine Ground (Lead, engine ground ) (Lead, Engine Ground)

под заказ280 руб.
1437830-89X50-000

Выключатель аварийной остановки двигателя - Switch Assy, Emergency & Stop (<-7820-98106) (Switch Assy, Emergency & Stop)

под заказ0 руб.
1437830-89X52-000

   (актуальный код замены) Запчасть снята с производства - The Spare Part Is Laid Off

под заказ0 руб.
1437830-89X51-000

Выключатель аварийной остановки двигателя - Switch Assy, Emergency & Stop (Switch Assy, Emergency & Stop)

под заказ0 руб.
1437830-89X52-000

   (актуальный код замены) Запчасть снята с производства - The Spare Part Is Laid Off

под заказ0 руб.
1537823-94400-000

Колпачок & Шнур - Cap & Rope (Cap & rope ) (Cap & Rope)

под заказ1530 руб.
1537823-94401-000

   (актуальный код замены) Колпачок & Шнур - Cap & Rope

1 шт1530 руб.
1637950-98501-000

Запчасть снята с производства - The Spare Part Is Laid Off (The Spare Part Is Laid Off)

под заказ0 руб.
1709125-04011-000

Винт (4x16) - Screw (4x16) (Screw (4x16))

под заказ0 руб.
1809162-04002-000

Запчасть снята с производства - The Spare Part Is Laid Off (The Spare Part Is Laid Off)

под заказ0 руб.
1909407-14401-000

Струбцина - Clamp (Clamp, receptacle lead # DT6/DT8 ) (Clamp)

под заказ230 руб.
2039601-95D00-000

Внешняя розетка - Receptacle (Receptacle assy, lighting # DT6/DT8 <-9601-93902 ) (Receptacle)

под заказ4660 руб.
2039601-95D01-000

   (актуальный код замены) Внешняя розетка - Receptacle

под заказ4660 руб.
2136634-93910-000

Колпачок - Cap (DT6/DT8 ) (Cap)

под заказ340 руб.
2239603-94400-000

Пыльник розеткиe - Grommet, Receptaclee (Grommet, receptacle cable # DT6/DT8 MODEL:93, 94 ) (Grommet, Receptaclee)

под заказ840 руб.
2239603-94401-000

   (актуальный код замены) Пыльник розеткиe - Grommet, Receptaclee

под заказ840 руб.
2337824-98100-000

Запчасть снята с производства - The Spare Part Is Laid Off (The Spare Part Is Laid Off)

под заказ0 руб.
2437830-89E00-000

Выключатель аварийной остановки двигателя - Switch Assy, Emergency & Stop (MODEL:93, 94) (Switch Assy, Emergency & Stop)

под заказ7640 руб.
2437830-89E04-000

   (актуальный код замены) Выключатель аварийной остановки двигателя - Switch Assy, Emergency & Stop

под заказ7640 руб.
2437830-89E03-000

Выключатель аварийной остановки двигателя - Switch Assy, Emergency & Stop (Switch Assy, Emergency & Stop)

9 шт7640 руб.
2437830-89E04-000

   (актуальный код замены) Выключатель аварийной остановки двигателя - Switch Assy, Emergency & Stop

под заказ7640 руб.
2509160-12067-000

Шайба (12.5x23x1) - Washer (125x23x1) (Washer, emergency sw # MODEL:93, 94 ) (Washer (12.5x23x1))

8 шт230 руб.
2637824-92D00-000

Пыльник - Grommet (Grommet, emergency switch # DT5 ) (Grommet)

под заказ0 руб.
2733446-98E20-000

Защита (l: 500) - Protector (l:500) (Tube, high tension cord # MODEL:94 <-7891-94400 ) (Protector (l:500))

под заказ370 руб.


Время выполнения запроса 1.120285987854 сек.

 
 

данный сайт носит информационный характер и не является публичной офертой

склад запчастей для водомоторной техники