Комплектующие на лодочный подвесной мотор Suzuki модель 1996 года - Remote control box
вконтакте

Контактный телефон: +7 (981) 121-46-93, +7 (800) 200-90-76 , Email: parts-katalog@yandex.ru, где купить

 
 

  Логин:

Пароль:

Регистрация

www.partskatalog.ru Все каталоги Запчасти Mercury Запчасти Suzuki Запчасти Tohatsu Запчасти Honda Контакты



УВАЖАЕМЫЕ КЛИЕНТЫ!
C 19 ДЕКАБРЯ 2025 ПО 02 МАРТА 2026 ГОДА ОТДЕЛ ЗАПЧАСТЕЙ И СЕРВИС РАБОТАТЬ НЕ БУДУТ
ПРОДАЖА ЛОДОЧНЫХ МОТОРОВ В ШТАТНОМ РЕЖИМЕ
ОБ ИЗМЕНЕНИЯХ В ГРАФИКЕ РАБОТЫ ЧИТАЙТЕ НА САЙТА



назад Раздел:   вперёд

Вернуться к выбору узлов мотора


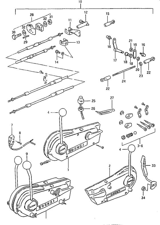
ДЕТАЛИРОВКА ДЛЯ МОДЕЛИ: SUZUKI DT5T(G-Y) T

Дистанционное управление в сборе


Год выпуска двигателя: 1996

Номер на
рисунке
АртикулНаименованиеQTYКол-во
на складе
Цена
167200-95203-000

Запчасть снята с производства - The Spare Part Is Laid Off (The Spare Part Is Laid Off)

под заказ0 руб.
267200-95213-000

Запчасть снята с производства - The Spare Part Is Laid Off (The Spare Part Is Laid Off)

под заказ0 руб.
367300-95810-000

Держатель Set, Кабель дистанционного управления - Holder Set, Remocon Cable (Holder set, cable # Holder set; ) (Holder Set, Remocon Cable)

под заказ0 руб.
467214-95200-000

Запчасть снята с производства - The Spare Part Is Laid Off (The Spare Part Is Laid Off)

под заказ0 руб.
567200-95871-000

Запчасть снята с производства - The Spare Part Is Laid Off (The Spare Part Is Laid Off)

под заказ0 руб.
667300-95810-000

Держатель Set, Кабель дистанционного управления - Holder Set, Remocon Cable (Holder set, cable # Holder set, cable; ) (Holder Set, Remocon Cable)

под заказ0 руб.
737721-95500-000

Выключатель нейтрали, в сборе - Switch Assy, Neutral (Switch Assy, Neutral)

под заказ3170 руб.
802112-03123-000

Винт - Screw (Screw)

под заказ170 руб.
802112-0312B-000

   (актуальный код замены) Винт - Screw

под заказ170 руб.
802112-0312B-000

Винт - Screw (Screw)

под заказ170 руб.
967214-95200-000

Запчасть снята с производства - The Spare Part Is Laid Off (The Spare Part Is Laid Off)

под заказ0 руб.
1067130-98810-000

Комплект для установки дистанционного управления - Parts Set, Remocon (Remote control parts assy ) (Parts Set, Remocon)

под заказ184800 руб.
1167340-98100-000

Держатель троссика дистанционного управления (сцепление) - Holder, Remocon Cable (clutch) (Holder, Remocon Cable (clutch))

под заказ0 руб.
1267440-93701-000

Направляющая тросика сцепления - Guide, Clutch Cable (Guide, clutch cable ) (Guide, Clutch Cable)

7 шт2740 руб.
1367341-93401-000

Держатель кабеля дистанционного управления - Holder, Remocon Cable (Holder, Remocon Cable)

под заказ1680 руб.
1409117-06040-000

Болт (6x15) - Bolt (6x15) (Bolt (6x15))

под заказ310 руб.
1409117-06040-XC0

   (актуальный код замены) Болт (6x15) - Bolt (6x15)

30 шт310 руб.
1409117-06040-XC0

Болт (6x15) - Bolt (6x15) (Bolt (6x15))

30 шт310 руб.
1567466-95200-000

Коннектор - Connector (Connector, throttle cable ) (Connector)

18 шт560 руб.
1609119-06047-000

Стержень - Pivot (Pivot, ball # Ball, pivot; ) (Pivot)

21 шт520 руб.
1767410-98101-000

Рычаг дистанционного управления дросселем - Lever, Remocon Throttle (Lever, Remocon Throttle)

под заказ0 руб.
1863225-93200-000

Втулка тяги румпеля - Bush, Handle Rod (Bush, handle rod # Bushing; ) (Bush, Handle Rod)

14 шт480 руб.
1967417-98100-000

Рычаг, Remocon Дроссель - Arm, Remocon Throttle (Arm ) (Arm, Remocon Throttle)

под заказ0 руб.
2009159-08059-000

Гайка - Nut (Nut, clutch lever ) (Nut)

13 шт390 руб.
2109140-06020-000

Гайка - Nut (Nut)

9 шт150 руб.
2267463-95200-000

Коннектор тяги управления дросселем - Connector, Throttle Control (Connector, throttle rod ) (Connector, Throttle Control)

под заказ340 руб.
2309140-05005-000

Гайка - Nut (Nut)

10 шт270 руб.
2467413-98100-000

Тяга управления дросселем - Rod, Throttle Control (Rod, throttle cam ) (Rod, Throttle Control)

под заказ0 руб.
2537800-93714-000

Переключатель в сборе, Двигатель Stop - Switch Assy, Engine Stop (Switch assy, engine stop ) (Switch Assy, Engine Stop)

под заказ6150 руб.
2609140-14030-000

Гайка - Nut (Nut)

под заказ0 руб.
2709404-06432-000

Струбцина (l: 65) - Clamp (l:65) (Clamp (l:80) # Clamp (l:80); ) (Clamp (l:65))

8 шт170 руб.
2709404-06039-000

   (актуальный код замены) Струбцина (l: 65) - Clamp (l:65)

под заказ170 руб.
2819190-98110-000

Рычаг Set, Дистанционное управление - Arm Set, Remote Control (Arm Set, Remote Control)

под заказ0 руб.
2963227-93200-000

Штифт, Handle Тяга - Pin, Handle Rod (Pin, handle rod ) (Pin, Handle Rod)

под заказ220 руб.
3009117-06039-000

Болт (6x25) - Bolt (6x25) (Bolt (6x25);) (Bolt (6x25))

под заказ310 руб.
3009117-06049-000

   (актуальный код замены) Болт (6x25) - Bolt (6x25)

9 шт310 руб.
3009117-06049-000

Болт (6x25) - Bolt (6x25) (Bolt (6x25) ) (Bolt (6x25))

9 шт310 руб.
3109140-06020-000

Гайка - Nut (Nut)

9 шт150 руб.
3209160-06055-000

Шайба (7x12x1) - Washer (7x12x1) (Washer (7x12x1.0) ) (Washer (7x12x1))

67 шт130 руб.
3321110-98102-0ED

Рычаг сцепления (gray) - Lever, Clutch (gray) (E13, e40 ) (Lever, Clutch (gray))

под заказ0 руб.
3409159-08059-000

Гайка - Nut (Nut, clutch lever # E7, e13, e38, e40 ) (Nut)

13 шт390 руб.


Время выполнения запроса 1.8074798583984 сек.

 
 

данный сайт носит информационный характер и не является публичной офертой

склад запчастей для водомоторной техники