Купить запчасти на лодочный мотор Suzuki модель 1998 года - Топливный насос
вконтакте

Контактный телефон: +7 (981) 121-46-93, +7 (800) 200-90-76 , Email: parts-katalog@yandex.ru, где купить

 
 

  Логин:

Пароль:

Регистрация

www.partskatalog.ru Все каталоги Запчасти Mercury Запчасти Suzuki Запчасти Tohatsu Запчасти Honda Контакты



УВАЖАЕМЫЕ КЛИЕНТЫ!
C 19 ДЕКАБРЯ 2025 ПО 02 МАРТА 2026 ГОДА ОТДЕЛ ЗАПЧАСТЕЙ И СЕРВИС РАБОТАТЬ НЕ БУДУТ
ПРОДАЖА ЛОДОЧНЫХ МОТОРОВ В ШТАТНОМ РЕЖИМЕ
ОБ ИЗМЕНЕНИЯХ В ГРАФИКЕ РАБОТЫ ЧИТАЙТЕ НА САЙТА



назад Раздел:   вперёд

Вернуться к выбору узлов мотора


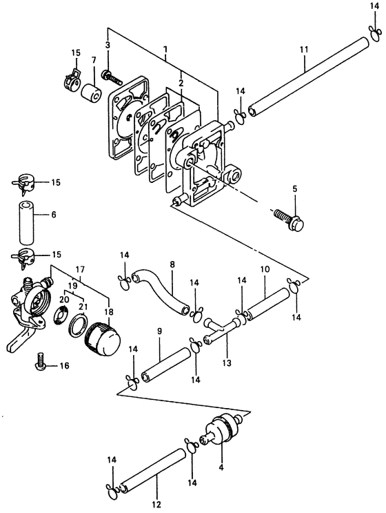
ДЕТАЛИРОВКА ДЛЯ МОДЕЛИ: SUZUKI DT5YW(W/X) W

Топливный насос


Год выпуска двигателя: 1998

Регион: General Export No.1 ,Код региона: P01

Цвет: California Gray Metallic

Номер на
рисунке
АртикулНаименованиеQTYКол-во
на складе
Цена
115100-98610-000

Топливный насос, в сборе - Pump Assy, Fuel (Pump Assy, Fuel)

1 шт10280 руб.
215170-98110-000

Диафрагма Set, Топливный насос - Diaphragm Set, Fuel Pump (Diaphragm set, fuel pump # Diaphragm, fuel pump; ) (Diaphragm Set, Fuel Pump)

2 шт5140 руб.
2SK15170-98110

   (не оригинальный аналог) Ремкомплект топливного насоса Skipper для Suzuki DT4-8

0 шт371 руб.
2SC-CR366

   (не оригинальный аналог) Ремкомплект топливного насоса Suzuki SC-CR366

под заказ670 руб.
315251-98101-000

Винт, Топливный насос - Screw, Fuel Pump (Screw, Fuel Pump)

под заказ0 руб.
415410-98500-000

Топливный фильтр - Filter, Fuel (Filter assy, fuel # Filter, fuel; ) (Filter, Fuel)

40 шт1600 руб.
415410-98500

   (не оригинальный аналог) Топливный фильтр Suzuki 15410-98500

под заказ590 руб.
509103-06048-000

Болт (6x20) - Bolt (6x20) (Bolt (6x20); ) (Bolt (6x20))

под заказ180 руб.
609354-53103-600

Шланг (5.3x10.5x600) - Hose (53x105x600) (Hose (conn to filter) # Hose (tank to kock); L:600->40 ) (Hose (5.3x10.5x600))

под заказ1160 руб.
609355-53001-600

   (актуальный код замены) Шланг (5.3x10.5x600) - Hose (5.3x10.5x600)

под заказ1160 руб.
709355-54115-600

Шланг (5.4x11.4x600) - Hose (54x114x600) (Hose, vacuum # Hose (vacuum); L:600->11 ) (Hose (5.4x11.4x600))

под заказ1180 руб.
809352-50903-600

Шланг (5x9x600) - Hose (5x9x600) (Hose (cock to elb); L:600->45 ) (Hose (5x9x600))

под заказ570 руб.
809352-50006-600

   (актуальный код замены) Шланг (5x9x600) - Hose (5x9x600)

1 шт570 руб.
909352-50903-600

Шланг (5x9x600) - Hose (5x9x600) (Hose (filter to elb); L:600->100 ) (Hose (5x9x600))

под заказ570 руб.
909352-50006-600

   (актуальный код замены) Шланг (5x9x600) - Hose (5x9x600)

1 шт570 руб.
1009352-50903-600

Шланг (5x9x600) - Hose (5x9x600) (Hose (elb to pump); L:600->125 ) (Hose (5x9x600))

под заказ570 руб.
1009352-50006-600

   (актуальный код замены) Шланг (5x9x600) - Hose (5x9x600)

1 шт570 руб.
1109352-50903-600

Шланг (5x9x600) - Hose (5x9x600) (Hose (pump to carb); L:600->230 ) (Hose (5x9x600))

под заказ570 руб.
1109352-50006-600

   (актуальный код замены) Шланг (5x9x600) - Hose (5x9x600)

1 шт570 руб.
1209352-50903-600

Шланг (5x9x600) - Hose (5x9x600) (Hose (conn to filter); L:600->210 ) (Hose (5x9x600))

под заказ570 руб.
1209352-50006-600

   (актуальный код замены) Шланг (5x9x600) - Hose (5x9x600)

1 шт570 руб.
1309367-06002-000

Соединитель тройника - Joint, 3 Way (3 way ) (Joint, 3 Way)

под заказ220 руб.
1409401-08410-000

Зажим - Clip (Clip)

под заказ130 руб.
1509401-10409-000

Зажим - Clip (Clip)

под заказ170 руб.
1602142-04127-000

Винт - Screw (Screw)

под заказ110 руб.
1766100-98600-000

Топливный кран в сборе - Cock Assy, Fuel (Cock assy, fuel ) (Cock Assy, Fuel)

под заказ3960 руб.
1766100-98601-000

   (актуальный код замены) Топливный кран в сборе - Cock Assy, Fuel

под заказ3960 руб.
1866171-98301-000

Чаша фильтра - Cup, Filter (Cup, filter; ) (Cup, Filter)

под заказ520 руб.
1915430-98300-000

Запчасть снята с производства - The Spare Part Is Laid Off (The Spare Part Is Laid Off)

под заказ0 руб.
2066152-98300-000

Net, Фильтр - Net, Filter (Net, filter; ) (Net, Filter)

2 шт180 руб.
2166273-98300-000

Прокладка, Топливный фильтр Cвыше - Gasket, Fuel Filter Cup (Gasket, filter; ) (Gasket, Fuel Filter Cup)

под заказ200 руб.
2166273-98301-000

   (актуальный код замены) Прокладка, Топливный фильтр Cвыше - Gasket, Fuel Filter Cup

1 шт200 руб.


Время выполнения запроса 2.74968791008 сек.

 
 

данный сайт носит информационный характер и не является публичной офертой

склад запчастей для водомоторной техники